Найдено 6 результатов
- 15 май 2023, 07:59
- Форум: Аудио усилители
- Тема: Модернізація трансляційного ТУ100М в 2 кальний
- Ответы: 9
- Просмотры: 1577
- 14 май 2023, 20:40
- Форум: Аудио усилители
- Тема: Hi-End усилитель своими руками на базе clone nCore 2_050
- Ответы: 1352
- Просмотры: 374754
Re: Hi-End усилитель своими руками на базе clone nCore 2_050
Господа! Откройте Википедию - усилители класса D. Там подробно написано))) О каком КНИ 0,00....% в таком усилителе может идти речь??)))
Разве что для саба его применить)
Разве что для саба его применить)
- 14 май 2023, 20:31
- Форум: Аудио усилители
- Тема: Модернізація трансляційного ТУ100М в 2 кальний
- Ответы: 9
- Просмотры: 1577
- 14 май 2023, 20:28
- Форум: Аудио усилители
- Тема: Модернізація трансляційного ТУ100М в 2 кальний
- Ответы: 9
- Просмотры: 1577
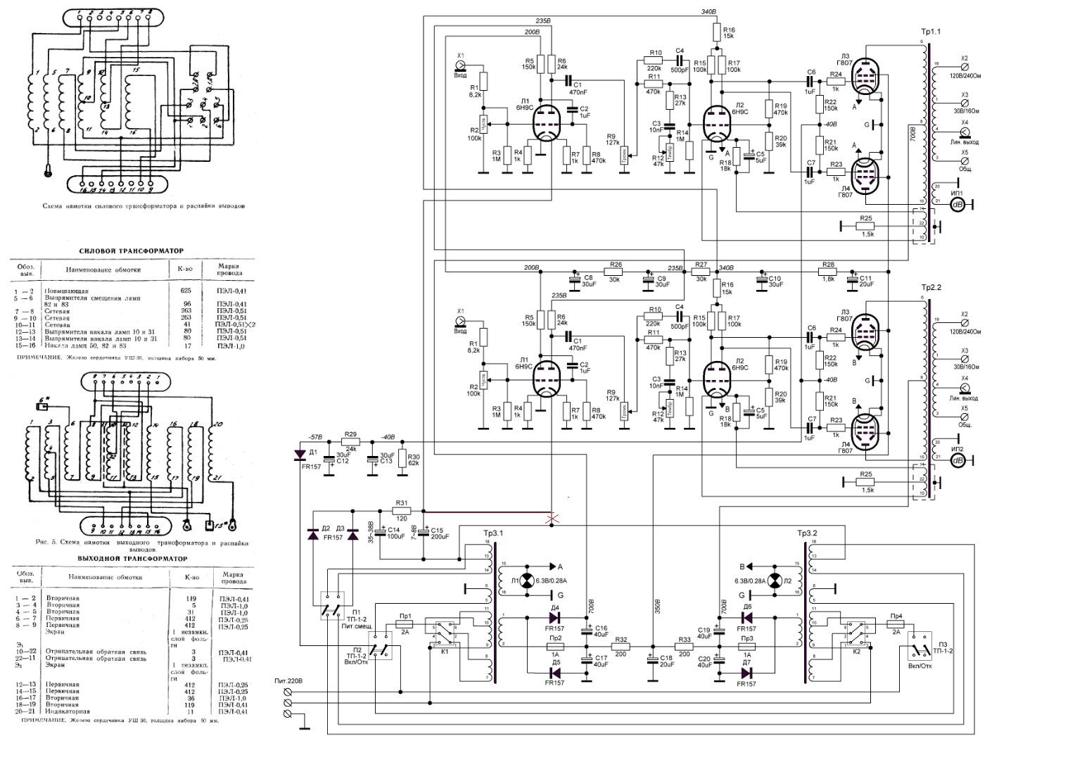
Re: Модернізація трансляційного ТУ100М в 2 кальний
П1 - харчування напруження(накала) вхiдних ламп
П2 - включення харчування підсилювача і зміщення вихідних ламп
Помилка в з'єднання накала першоi лампи другого каналу
П2 - включення харчування підсилювача і зміщення вихідних ламп
Помилка в з'єднання накала першоi лампи другого каналу
- 14 май 2023, 19:48
- Форум: Аудио усилители
- Тема: Модернізація трансляційного ТУ100М в 2 кальний
- Ответы: 9
- Просмотры: 1577
Re: Модернізація трансляційного ТУ100М в 2 кальний
напруження накала перших ламп
- 14 май 2023, 19:45
- Форум: Аудио усилители
- Тема: Модернізація трансляційного ТУ100М в 2 кальний
- Ответы: 9
- Просмотры: 1577
Re: Модернізація трансляційного ТУ100М в 2 кальний
Доброго дня!
Схема мае помилки на мiй взор.
В блоцi живлення підсилювача - живлення напруження перших ламп
Неправильно підписані перемикачі мережі 220V і зміщення - треба навпаки
Схема мае помилки на мiй взор.
В блоцi живлення підсилювача - живлення напруження перших ламп
Неправильно підписані перемикачі мережі 220V і зміщення - треба навпаки