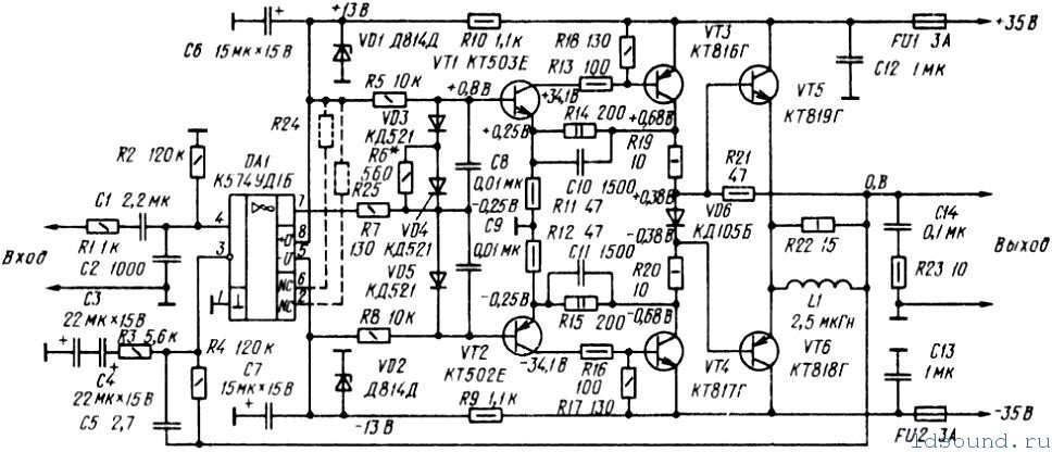
Робити підсилювач Бесліка - це на мій погляд особливий вид збочення. Бо автор не переймався оптимізацією схеми. Працює і гаразд. А оті спотворення конські - назвемо це "гєрманієвим" звуком.
Ось моя схема підсилювача на германії який видає не більше 0,02% спотворень у всьому діапазоні вихідної ...
Youtube
TikTok
Инстаграм
☝ Спонсировать
Правила форума
Найдено 34 результата
- 05 ноя 2025, 21:37
- Форум: Аудио усилители
- Тема: Усилитель Беслика А.И на Германиевых транзисторах v3.01
- Ответы: 36
- Просмотры: 6088
- 24 мар 2025, 10:51
- Форум: Аудио усилители
- Тема: Кому-то нужна вторая гармоника?
- Ответы: 86
- Просмотры: 17503
Re: Кому-то нужна вторая гармоника?
А то начинается с вменяемого "мы намеряли 0.005", а заканчивается сектантским "рекомендуется только для НЧ звена, а на верхах ощущается некая сухость". Вот бы ее и поискать.
О, таких перлов пруд пруди. Типа "не предназначен для прослушиваняи тяжелого рока" и т.п т.д. :)
Я по жизни больше ...
О, таких перлов пруд пруди. Типа "не предназначен для прослушиваняи тяжелого рока" и т.п т.д. :)
Я по жизни больше ...
- 23 мар 2025, 22:58
- Форум: Аудио усилители
- Тема: Кому-то нужна вторая гармоника?
- Ответы: 86
- Просмотры: 17503
Re: Кому-то нужна вторая гармоника?
Две страницы полемики и так никто и не вспомнил о интермодуляционных искажениях
- 05 окт 2024, 22:41
- Форум: Аудиотехника
- Тема: Wondom Adau1701 мощный цифровой DSP процессор 2x4
- Ответы: 79
- Просмотры: 19528
Re: Wondom Adau1701 мощный цифровой DSP процессор 2x4
Я коли пишу що погана документація то це означає що я її читав. І не тільки її, але й їх форум де вони начебто сапортом займаються. До речі кумедні чуваки. Питаю як працює такий-то компонент? Відповідає начебто чувак який працює в АД, але типу шифрується під звичайного користувача щоб не палити ...
- 29 сен 2024, 22:28
- Форум: Аудиотехника
- Тема: Wondom Adau1701 мощный цифровой DSP процессор 2x4
- Ответы: 79
- Просмотры: 19528
Re: Wondom Adau1701 мощный цифровой DSP процессор 2x4
Sigma studio це красива іграшка з дуже поганою документацією.
- 29 июн 2024, 12:16
- Форум: Акустические системы
- Тема: Двухполоска на динамиках Монакор
- Ответы: 66
- Просмотры: 17585
Re: Двухполоска на динамиках Монакор
Нет времени и желания спорить если честно. Есть несколько трехполосок как самодельных так и фирменных - есть с чем сравнивать.
Я все больше склоняюсь к мысли что резать диапазон до 3-4кГц на разные динамики - это зло. А применение фильтров порядка выше первого приводит к красивым картинкам но ...
Я все больше склоняюсь к мысли что резать диапазон до 3-4кГц на разные динамики - это зло. А применение фильтров порядка выше первого приводит к красивым картинкам но ...
- 28 июн 2024, 19:36
- Форум: Акустические системы
- Тема: Двухполоска на динамиках Монакор
- Ответы: 66
- Просмотры: 17585
- 08 апр 2024, 02:53
- Форум: Акустические системы
- Тема: Пассивные фильтры акустических систем. Параллельный vs последовательный.
- Ответы: 29
- Просмотры: 12535
Re: Пассивные фильтры акустических систем. Параллельный vs последовательный.
Ще невеличке доповнення. Тут вище підіймали питання чутливості динаміків. А саме що вона повинна бути однаковою. Було б дивом якщо у мене навмання вибранні головки мали б однакову чутливість :) Вона в них була дещо різна. Попереду паровоза летів твітер, його наздоганяв НЧ а у хвості шкандибав СЧ ...
- 01 апр 2024, 14:29
- Форум: Акустические системы
- Тема: Відкритий корпус?
- Ответы: 25
- Просмотры: 5607
Re: Відкритий корпус?
...В моєму випадку добротність низька - я наміряв десь 0,55 ... Ось тепер думаю чи не дуже мала добротність у мене? Чи будуть нормальні низа?
З найбільшою ймовірністю буде дещо недостатньо НЧ. Проте резонанси кімнати можуть виправити загальну картину. Також, звісно, буде мати значення рівень ...
- 01 апр 2024, 10:27
- Форум: Акустические системы
- Тема: Відкритий корпус?
- Ответы: 25
- Просмотры: 5607
Re: Відкритий корпус?
Динамічна голівка 4А28 ЛОМО
На невеликій гучності звучання гарне, але низьких частот суб'єктивно обмаль, незважаючи на непогані АЧХ.
Дякую, цікава інформація. У 4А28 резонанс 60Гц по даташиту. І це видно на графіках - після 50-60 починається спад
Суто дослідження можливостей високодобротних ...
- 30 мар 2024, 23:05
- Форум: Акустические системы
- Тема: Відкритий корпус?
- Ответы: 25
- Просмотры: 5607
Re: Відкритий корпус?
Хлопці, не свариться
Посилання в неті я читав. Більш цікавлять відгуки та досвід тих хто збирав таку акустику самостійно або користується нею. Не обов'язково позитивні. Негативні теж приймаються.
- 30 мар 2024, 22:59
- Форум: Акустические системы
- Тема: Пассивные фильтры акустических систем. Параллельный vs последовательный.
- Ответы: 29
- Просмотры: 12535
Re: Пассивные фильтры акустических систем. Параллельный vs последовательный.
Немає ніяких проблем слухати музику на смартфоні якщо в вашому підсилювачі є блутузJustas* писал(а): 29 мар 2024, 20:54 Слушайте на смартфонеГоворят, что меломанам (в отличии от удифилов), всё равно на чём слушать, хоть на радиоточке. Лишь бы сама музыка нравилась.
- 29 мар 2024, 13:45
- Форум: Акустические системы
- Тема: Пассивные фильтры акустических систем. Параллельный vs последовательный.
- Ответы: 29
- Просмотры: 12535
Re: Пассивные фильтры акустических систем. Параллельный vs последовательный.
В соседней ветке рассказывают как вкусно звучит усилитель на КТ805.
Це нечесна гра з вашого боку :) Як можна змагатися з КТ805? Ніяк, бо він поза конкуренцією . Отож :)
Где схема, АФЧХ, ИЧХ динамиков и АС? Расчёты корпуса, ФИ?
Жах який, а коли ж музику слухати якщо оці усі фигчєха знімати та ...
- 27 мар 2024, 20:48
- Форум: Акустические системы
- Тема: Відкритий корпус?
- Ответы: 25
- Просмотры: 5607
Відкритий корпус?
Вітаю!
Є в наявності пара 12" НЧ-СЧ. Резонанс на 25Гц. Міркую зробити двополосну систему відкритого типу. Читав в неті різне про це - не дуже багато інформації. Як обрати розміри дошки? Ясно що чим більше тим краще, але чудово було б мати якісь рекомендації. Чи може зробити неглубокий ящик без ...
Є в наявності пара 12" НЧ-СЧ. Резонанс на 25Гц. Міркую зробити двополосну систему відкритого типу. Читав в неті різне про це - не дуже багато інформації. Як обрати розміри дошки? Ясно що чим більше тим краще, але чудово було б мати якісь рекомендації. Чи може зробити неглубокий ящик без ...
- 27 мар 2024, 20:33
- Форум: Акустические системы
- Тема: Пассивные фильтры акустических систем. Параллельный vs последовательный.
- Ответы: 29
- Просмотры: 12535
Re: Пассивные фильтры акустических систем. Параллельный vs последовательный.
Всё бы вроде отлично, но для приведённой схемы существует ряд ограничений.
1.Чувствительность динамиков должна быть одинакова, но как правило, пищалки имеют большую чувствительность чем мид.
2.Только двухполоска.
3. Первый порядок имеет самую лучшую переходную характеристику, но требует динамиков ...
- 10 мар 2024, 23:17
- Форум: Аудио усилители
- Тема: B класс - обсудим?
- Ответы: 8
- Просмотры: 3786
Re: B класс - обсудим?
Есть усилитель Брагина
- 18 фев 2024, 13:15
- Форум: Аудиотехника
- Тема: Буфер на лампах от LinuxManiac
- Ответы: 106
- Просмотры: 39019
Re: Буфер на лампах от LinuxManiac
Самое удивительное (для меня) это замеры с результатом "Отлично". Вот уж не ожидал от ламп.
Цифры действительно кажутся удивительными. Но этому есть простое объяснение - катодный повторитель это каскад со 100% отрицательной обратной связью. Как следствие искажения его минимальные
С одной ...
- 16 фев 2024, 16:50
- Форум: Аудио усилители
- Тема: Усилитель Hyperbolic AB+
- Ответы: 7
- Просмотры: 1605
Re: Усилитель Hyperbolic AB+
Здравствуйте !
Какие выходные транзисторы использовали?
К сожалению я не могу сказать вам точную модель транзисторов. У меня скопилось достаточно много китайского перемаркера, который они присылали якобы вместо высокочастотных полевых транзисторов, поэтому на схеме приведены только те параметры ...
- 14 фев 2024, 18:18
- Форум: Флейм
- Тема: Пропал интерес к прослушиванию музыки...
- Ответы: 21
- Просмотры: 15492
Re: Пропал интерес к прослушиванию музыки...
К вопросу фоновых звуков. Есть такой вот генератор всяких шумов, очень реалистичных.
Кастомизируется под любой вкус. Даю ссылки на несколько своих пресетов
https://mynoise.net/NoiseMachines/primevalEuropeanForestSoundscapeGenerator.php?l=30063800003764664452&a=1&am=s&title=Primeval%20Forest
https ...
Кастомизируется под любой вкус. Даю ссылки на несколько своих пресетов
https://mynoise.net/NoiseMachines/primevalEuropeanForestSoundscapeGenerator.php?l=30063800003764664452&a=1&am=s&title=Primeval%20Forest
https ...
- 14 фев 2024, 18:12
- Форум: Звуковые носители
- Тема: Сохраняем Музыку !
- Ответы: 20
- Просмотры: 11924
Re: Сохраняем Музыку !
актуальная тема, так же в поиске внешнего USB SSD для переноса с HDD
"на відміну від HDD" - шум, внешнее питание, большой размер, отдельное место в пространстве и много чего еще делают этот формат хранения "вчерашним" днем
Некоторые аудиофилы утверждают что после переноса музыки с HDD на SSD ...
- 14 фев 2024, 02:04
- Форум: Всё про музыку
- Тема: Какая ваша любимая музыка? Делимся!
- Ответы: 381
- Просмотры: 110013
Re: Какая ваша любимая музыка? Делимся!
Ага, "тигровые лилии" нормальные хлопцы - очень поддерживают нас.
Немного ирландцев. Забойные ребята, и клипы хорошие
- 13 фев 2024, 23:58
- Форум: Всё про музыку
- Тема: Какая ваша любимая музыка? Делимся!
- Ответы: 381
- Просмотры: 110013
Re: Какая ваша любимая музыка? Делимся!
Из последних находок
Очень забойные девчонки из норвежской группы Katzenjammer
https://www.youtube.com/watch?v=iRuy1rdo4Ws
Немного современного surf rock
https://www.youtube.com/watch?v=Uv9Yf6z-2lM
Весь альбом тут https://www.youtube.com/playlist?list=OLAK5uy_nTNqqstBSlZIagzSxo11PRoySwodZ3-vw ...
Очень забойные девчонки из норвежской группы Katzenjammer
https://www.youtube.com/watch?v=iRuy1rdo4Ws
Немного современного surf rock
https://www.youtube.com/watch?v=Uv9Yf6z-2lM
Весь альбом тут https://www.youtube.com/playlist?list=OLAK5uy_nTNqqstBSlZIagzSxo11PRoySwodZ3-vw ...
- 13 янв 2024, 10:18
- Форум: Аудио усилители
- Тема: 3 Way DSP Amp
- Ответы: 42
- Просмотры: 11516
Re: 3 Way DSP Amp
А замеряли групповую задержку на частоте среза? По моему опыту фильтры с крутыми склонами могут изрядно пакостить на частотах вблизи частоты среза.
Ну прям цели измерить именно групповую задержку не было, так как на замерах АФЧХ АС я не видел проблем с искажением фазы применёнными мною КИХ ...
- 13 янв 2024, 01:50
- Форум: Аудио усилители
- Тема: 3 Way DSP Amp
- Ответы: 42
- Просмотры: 11516
Re: 3 Way DSP Amp
Чебышев первого типа из сигма-стиуди
КІХ/БІХ не плутаєте?
Давайте мух от котлет все же отделять :) ТС сказал что фильтры из сигма-студии сделаны профи и их можно использовать не задумываясь о последствиях :) Я привел контрпример. В сигма-студии есть два варианта Чебышева - тип 1 и 2. Тип 2 ...
- 13 янв 2024, 00:09
- Форум: Аудио усилители
- Тема: 3 Way DSP Amp
- Ответы: 42
- Просмотры: 11516
Re: 3 Way DSP Amp
ФФТ, адаптивная фильтрация, АРУ с динамическими уровнями. У меня проект немного из другой области, но реализует различную обрабаботку звуковых частот. Да, ффт есть в старших версиях адау, но использовать потоковую обработку далеко не всегда удобно
- 12 янв 2024, 18:47
- Форум: Аудио усилители
- Тема: 3 Way DSP Amp
- Ответы: 42
- Просмотры: 11516
Re: 3 Way DSP Amp
А замеряли групповую задержку на частоте среза? По моему опыту фильтры с крутыми склонами могут изрядно пакостить на частотах вблизи частоты среза.
Ну прям цели измерить именно групповую задержку не было, так как на замерах АФЧХ АС я не видел проблем с искажением фазы применёнными мною КИХ ...
- 12 янв 2024, 18:11
- Форум: Аудио усилители
- Тема: 3 Way DSP Amp
- Ответы: 42
- Просмотры: 11516
Re: 3 Way DSP Amp
А аналог СігмаСтудіо до неї є, чи все руцями в коді робити? І що із затримкою?
Под есп32 есть стандартные оптимизированные библиотеки для дсп. Ну вызывать их надо руками конечно - сигмастудии тут нет :) Коэффициенты для фильтров тоже посчитать и скормить. Зато свобода полная - можно делать вещи ...
- 12 янв 2024, 17:05
- Форум: Аудио усилители
- Тема: 3 Way DSP Amp
- Ответы: 42
- Просмотры: 11516
Re: 3 Way DSP Amp
В проекте деление полос выполнено КИХ фильтрами с длиной фильтра 512 тапов , что даёт спад АЧХ каждой полосы который видно в окне с права.
А замеряли групповую задержку на частоте среза? По моему опыту фильтры с крутыми склонами могут изрядно пакостить на частотах вблизи частоты среза ...
- 12 янв 2024, 12:14
- Форум: Аудио усилители
- Тема: 3 Way DSP Amp
- Ответы: 42
- Просмотры: 11516
Re: 3 Way DSP Amp
У вас ошибка в написании. Написано jastified а правильно justified, через U
- 11 янв 2024, 23:44
- Форум: Аудио усилители
- Тема: 3 Way DSP Amp
- Ответы: 42
- Просмотры: 11516
Re: 3 Way DSP Amp
А повердаки на чем сделаны если не секрет?
PS Извиняюсь за занудство но Left justified
PS Извиняюсь за занудство но Left justified