Темы в форуме

Усилитель класса D: FX-Audio - FX502S PRO

vlad62
Почетный пользователь
Сообщения: 103
Стаж: 1 год 10 месяцев
Репутация: 41
Откуда: Германия
Аудио система: Троэлс "классик" самодельные

Re: Усилитель класса D: FX-Audio - FX502S PRO

Сообщение vlad62 »

OverLocker писал(а): 07 апр 2024, 14:55 Поставил Muses 8902. По ощущениям они чуть мягче, но не сильно. Т.е. мне нравятся оба варианта.
Что еще можно попробовать для спокойного и "погружающего в себя" звука?
viewtopic.php?f=52&t=1902&start=330#p35409
Этот
Аватара пользователя
Igorvolikov
Постоянный житель
Сообщения: 263
Стаж: 3 года 4 месяца
Репутация: 93
Откуда: Киев
Аудио система: Thorens TD 321 + SME Series 3 + Shure V15 IV + Jico SAS b + Kora 3T + Dual ES9038 + Audiolab 8000P + Canton Ergo 670 DC

Re: Усилитель класса D: FX-Audio - FX502S PRO

Сообщение Igorvolikov »

Эх... Подниму древнюю тему )

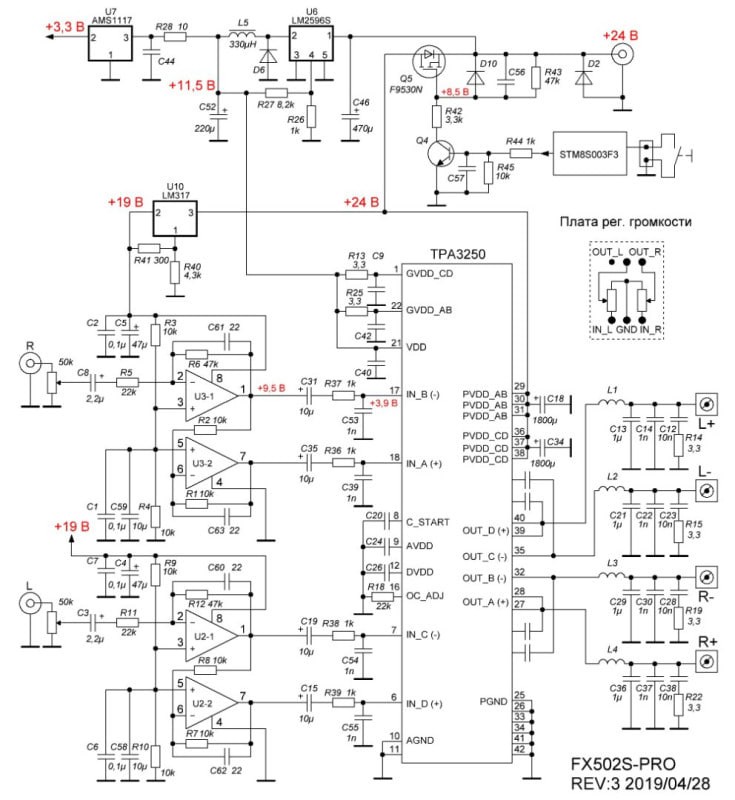
Тут попросили в таком усилителе понециометр заменить на логарифмический. Только вот потенциометр принесли на 10к вместо 50к.


Я правильно понимаю, что если ставить 10к вместо 50к - то нужно С3 и С8 увеличить до 10uf?
Никак оно боком нигде не вылезет больше?

Правда мне всегда казалось, что в нем С3 и C8 стоят до потенциометра, а на схеме из этой темы наоборот :shock:
Вложения
photo_2025-12-24_23-13-17.jpg
photo_2025-12-24_23-13-17.jpg (98.31 КБ) 58 просмотров
Аватара пользователя
Justas*
Гуру электроники☆☆☆☆
Сообщения: 2332
Стаж: 4 года 3 месяца
Репутация: 1265
Откуда: Украина
Аудио система: viewtopic.php?p=17721#p17721

Re: Усилитель класса D: FX-Audio - FX502S PRO

Сообщение Justas* »

Схема без ошибок. Ничего увеличивать не нужно. При замене переменника, изменяется лишь входное сопротивление усилителя. Частоту среза по НЧ определяют C3, R5 (С3,R11).
С номиналами указанными на схеме, Fср = 3,3Гц .
После перевода ОУ на двухполярное питание, я эти конденсаторы вообще убрал.
Писал в теме, что показательную зависимость, можно получить и от переменника с линейной зависимостью. Нужно от движка на землю поставить резистор 1/7 – 1/8 его номинала.
Кстати, линейный в плане рассогласования каналов, будет лучше.
Ответить

Вернуться в «Аудио усилители»