Всем добра и Мира!
Некоторые мечты иногда сбываются - вскоре приеду в отпуск.
Хочу занятся давно отложенным проектом - послушать звук 6П42С в однотакте..
Детали лежат уже года с 2...
Выношу схему будущего усилителя на обсуждениэ и предложения (может какой другой посоветуете).
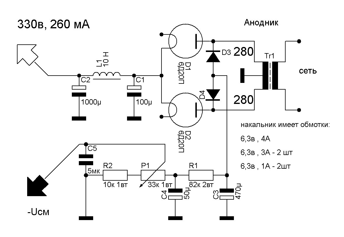
Выходные намотаны такие
Силовик заказан был в Торнадо с такими параметрами:
290Вт
230В / 0-280-560В х 0,35А, 6,5Вх5А, 6,5Вх5А, 6,5В х 1,0А, 6,5В х 1,0А, 50Вх0,3А,
Темы в форуме
Новые сообщения
-
11-дек Усилитель на модулях PTERO TAS5342
-
11-дек Черырехканальный усилитель D класса Douk Audio G7
-
10-дек SMSL PA-X
-
09-дек Усилитель А класса JLH2003 c импульсным блоком питания
-
01-дек Усилитель для наушников на TPA6120 с Алиэкспресс
-
01-дек Усилитель D класса на базе плат 2_062 S_AUDIO от Alex
-
28-ноя Усилитель звука D класса Clone purifi Hb 3.064 ULTRA
-
19-ноя Двухтактный на лампах EL34 в триодном включении
-
19-ноя МА12070. Прекрасная фрау, с которой мало кто дружит
-
18-ноя Клон nСore от Юрия Игнатьева 400 Вт (2_051_LITE)
-
15-ноя Усилитель Беслика А.И на Германиевых транзисторах v3.01
-
10-ноя Усилитель JLH 1969
-
09-ноя Немного самодельных усилителей
-
08-ноя Все про лампу гу 15
-
06-ноя Апгрейд усилителя для наушников Douk Audio U3
Новые темы
-
05-дек SMSL PA-X
-
02-дек Черырехканальный усилитель D класса Douk Audio G7
-
23-ноя Усилитель для наушников на TPA6120 с Алиэкспресс
-
04-ноя Все про лампу гу 15
-
02-ноя Немного самодельных усилителей
-
30-окт Апгрейд усилителя для наушников Douk Audio U3
-
29-окт Усилитель Ampapa D1 HPF 300Wx2
-
12-окт Усилитель Беслика А.И на Германиевых транзисторах v3.01
-
21-сен Snail II
-
15-сен Регулятор тембра
-
12-сен Усилитель, работающий от пульта ТВ.
-
08-сен Класс Д с классическим БП
-
07-сен Як звучить підсилювач на мс. STK407-090B?
-
31-авг Нужен стерео усилитель под заказ (хай енд)
-
29-авг Винтаж в помойку?
Youtube
TikTok
Инстаграм
☝ Спонсировать
Правила форума
SE на 6П42С
- RUS_D
- Умелый
- Сообщения: 168
- Стаж: 4 года 2 месяца
- Репутация: 151
- Откуда: Украина, Полтава
- Аудио система: Плеер RuneAudio
ЦАП AH-D6 версия 2.х + несколько других
Проигрыватель Винила Lenco L75, DUAL1209, Fisher MT-M21, Вега unitra fonica g-600b
Усилитель Onkyo A-8830, Фоловер Андрэа Чиуфолли
Ламповые усилители РР на Rft El34 и 6П3C (кобра), РР на КТ88, РР на El84, SE на 6С41С, SE на 6П42П
Акустика ONKYO SC-370, GRUNDIG Box 1600b, IQ LADY- maxi - Контактная информация:
- LinuxManiac
- Добрейший модератор
- Сообщения: 1220
- Стаж: 6 лет 8 месяцев
- Репутация: 780
- Откуда: Киев
- Контактная информация:
Re: SE на 6П42С
Добрый день.
Схема корректная, и конструкция, собранная по ней, будет вполне работоспособна. Но есть некоторые соображения (для обдумывания или пробования).
1. Применен регулятор уровня входного сигнала с линейной характеристикой в сочетании с небольшого номинала R4, вероятно для получения в сумме "псвдологарифмической" зависимости. Вместо этого можно сделать наоборот - использовать переменный резистор с логарифмической характеристикой номиналом 22 или 33 кОм, а R4 сделать номиналом 100-200 кОм. А при использовании переменного резистора достаточного качества R4 можно вовсе убрать из схемы.
2. Первый каскад выполнен по концепции SRPP. Звучание такого каскада имеет специфические особенности и нравится не всем. Я бы предложил использовать 6С3П в "обычном" резистивном каскаде. Анодная нагрузка при этом 10 кОм (резистор 5-6 ватт), резистор в катоде (R1) - 100 или 150 Ом (для максимальной амплитуды входного сигнала 1,5 или 2 вольта, соответственно).
Если же-таки предпочтительно использовать SRPP, то номиналы резисторов R1 и R2 желательно уменьшить до 150 Ом.
3. С1 можно применить меньшего номинала, чем 4 мкФ - вполне достаточно будет от 1,5 до 2,7 мкФ.
4. Номинал R6 увеличить в 3-4 раза.
5. В катодной цепи 6П42С установить контрольный резистор номиналом 1 или 10 Ом для измерения тока покоя выходного каскада.
6. Конденсаторы С3 и С4 шунтировать пленочными небольшого номинала.
Успеха вам!
Схема корректная, и конструкция, собранная по ней, будет вполне работоспособна. Но есть некоторые соображения (для обдумывания или пробования).
1. Применен регулятор уровня входного сигнала с линейной характеристикой в сочетании с небольшого номинала R4, вероятно для получения в сумме "псвдологарифмической" зависимости. Вместо этого можно сделать наоборот - использовать переменный резистор с логарифмической характеристикой номиналом 22 или 33 кОм, а R4 сделать номиналом 100-200 кОм. А при использовании переменного резистора достаточного качества R4 можно вовсе убрать из схемы.
2. Первый каскад выполнен по концепции SRPP. Звучание такого каскада имеет специфические особенности и нравится не всем. Я бы предложил использовать 6С3П в "обычном" резистивном каскаде. Анодная нагрузка при этом 10 кОм (резистор 5-6 ватт), резистор в катоде (R1) - 100 или 150 Ом (для максимальной амплитуды входного сигнала 1,5 или 2 вольта, соответственно).
Если же-таки предпочтительно использовать SRPP, то номиналы резисторов R1 и R2 желательно уменьшить до 150 Ом.
3. С1 можно применить меньшего номинала, чем 4 мкФ - вполне достаточно будет от 1,5 до 2,7 мкФ.
4. Номинал R6 увеличить в 3-4 раза.
5. В катодной цепи 6П42С установить контрольный резистор номиналом 1 или 10 Ом для измерения тока покоя выходного каскада.
6. Конденсаторы С3 и С4 шунтировать пленочными небольшого номинала.
Успеха вам!
050-246-3341; Viber: 068-362-3497
- RUS_D
- Умелый
- Сообщения: 168
- Стаж: 4 года 2 месяца
- Репутация: 151
- Откуда: Украина, Полтава
- Аудио система: Плеер RuneAudio
ЦАП AH-D6 версия 2.х + несколько других
Проигрыватель Винила Lenco L75, DUAL1209, Fisher MT-M21, Вега unitra fonica g-600b
Усилитель Onkyo A-8830, Фоловер Андрэа Чиуфолли
Ламповые усилители РР на Rft El34 и 6П3C (кобра), РР на КТ88, РР на El84, SE на 6С41С, SE на 6П42П
Акустика ONKYO SC-370, GRUNDIG Box 1600b, IQ LADY- maxi - Контактная информация:
Re: SE на 6П42С
ВСЕМ доброго!
Не прошло и полгода
Получил отпуск..
Пообщался с родней..
Прошел нового S.T.A.L.K.E.R. 2
И НАКОНЕЦ то закончил долгострой. Поставил на прогрев.
Кстати в катоды SRPP поставил конденсаторы К50-15 680мк 6,3в.
Пока паял в фоне играл усилитель на ТПА3555, после запуска усилителя перекинул колонки на новый и немного был ошарашен звуком.
Звук стал более насыщенный и жывой (стало меньше высоких - цыканья).
Дассен прям как в комнате рядом поет.
Нызкие звуки получились плотные и какието как бы живые..
Вобщем пока стоит на прогреве - может в будущем его послушаю более плотно.. пока пусть слушает семья.
PS кто будет собирать такой выпрямитель - учитываете что на первом конеденсаторе смещения будет после диодов 370в
Не прошло и полгода
Получил отпуск..
Пообщался с родней..
Прошел нового S.T.A.L.K.E.R. 2
И НАКОНЕЦ то закончил долгострой. Поставил на прогрев.
Кстати в катоды SRPP поставил конденсаторы К50-15 680мк 6,3в.
Пока паял в фоне играл усилитель на ТПА3555, после запуска усилителя перекинул колонки на новый и немного был ошарашен звуком.
Звук стал более насыщенный и жывой (стало меньше высоких - цыканья).
Дассен прям как в комнате рядом поет.
Нызкие звуки получились плотные и какието как бы живые..
Вобщем пока стоит на прогреве - может в будущем его послушаю более плотно.. пока пусть слушает семья.
PS кто будет собирать такой выпрямитель - учитываете что на первом конеденсаторе смещения будет после диодов 370в