Темы в форуме
Новые сообщения
-
13-окт Использование шаговых двигателей в аудиоустройствах
-
28-авг Есть ли в этом "наборе" полезные для звука конденсаторы?
-
30-июн FNIRSI DPS-150 – Мини Лабораторный Блок Питания на 30V 5A
-
29-июн Паяльник мечта радиолюбителя FNIRSI DWS-200
-
26-июн Amazon удалил все мои книги с kindle 10
-
05-июн 74LVC
-
20-май Блок питания для аудио L_SMPS 200_32SR от Sous
-
09-май Резонансные блоки питания \LLC\
-
04-май Резервное питание квартиры от Alex
-
23-апр Детали для нашего хобби
-
15-апр USB 2.0 изолятор ADuM3165
-
04-мар Ламповый усилитель Class A, для наушников
-
21-фев Очки для пайки всякой мелочи
-
20-фев Как отличить настоящие транзисторы от поддельных?
-
17-фев RMAA Pro
Новые темы
-
10-окт конденсаторы для лампового усилителя
-
05-сен Использование шаговых двигателей в аудиоустройствах
-
27-авг Есть ли в этом "наборе" полезные для звука конденсаторы?
-
18-июн Amazon удалил все мои книги с kindle 10
-
01-июн 74LVC
-
30-апр Резервное питание квартиры от Alex
-
19-мар USB 2.0 изолятор ADuM3165
-
02-мар PP на EL34 супертріод
-
18-фев Блок питания для аудио L_SMPS 200_32SR от Sous
-
03-дек Вопросы по ТВЗ 60 ВТ EI96 * 45
-
04-ноя Підібрати аналог транзистору
-
30-окт FNIRSI DPS-150 – Мини Лабораторный Блок Питания на 30V 5A
-
11-сен Японский трансформатор Toyozumi SD21-015KB
-
05-сен Как снять лоток CD?
-
03-сен QUAD 405 Klone - постоянка на выходе
Наш youtube
Наш инстаграм
☝ Сказать спасибо!
Правила форума
Підібрати аналог транзистору
Модератор: LinuxManiac
- emon
- Почетный пользователь
- Сообщения: 168
- Стаж: 4 года 4 месяца
- Репутация: 69
- Откуда: Irpin
- Аудио система: DSC 2.6 + DSD'it + Lundahl LL1527XL
KT77 Gold Lion + Mullard ECF80 + Lundahl LL1663
Акустика Heco Celan Revolution 3 Espresso Veneer, sony ss-f6000p
Усилитель Игнатьева V3.
Підібрати аналог транзистору
день добрий
є ось такий транзистор - STU9HN65M2
допоможіть підібрати аналог
завчасно вдячний
є ось такий транзистор - STU9HN65M2
допоможіть підібрати аналог
завчасно вдячний
-
- Постоянный житель
- Сообщения: 361
- Стаж: 4 года 4 месяца
- Репутация: 118
- Откуда: Украина
- Аудио система: JLH1969, ELAC BS 192, Fostex FE126EN
Re: Підібрати аналог транзистору
Здесь смотрели?
https://alltransistors.com/mosfet/trans ... stor=37293
STU9HN65M2 Transistor Equivalent Substitute - MOSFET Cross-Reference Search:
https://alltransistors.com/mosfet/crsea ... =on#pack10
P.S. А зачем аналог, если есть оригинал?
https://zapadpribor.com/stu9hn65m2-mop-tranzistor/
https://eu.mouser.com/ProductDetail/STM ... bTvw%3D%3D
https://www.digikey.pl/en/products/deta ... YCyEAugL5A
https://alltransistors.com/mosfet/trans ... stor=37293
STU9HN65M2 Transistor Equivalent Substitute - MOSFET Cross-Reference Search:
https://alltransistors.com/mosfet/crsea ... =on#pack10
P.S. А зачем аналог, если есть оригинал?
https://zapadpribor.com/stu9hn65m2-mop-tranzistor/
https://eu.mouser.com/ProductDetail/STM ... bTvw%3D%3D
https://www.digikey.pl/en/products/deta ... YCyEAugL5A
- emon
- Почетный пользователь
- Сообщения: 168
- Стаж: 4 года 4 месяца
- Репутация: 69
- Откуда: Irpin
- Аудио система: DSC 2.6 + DSD'it + Lundahl LL1527XL
KT77 Gold Lion + Mullard ECF80 + Lundahl LL1663
Акустика Heco Celan Revolution 3 Espresso Veneer, sony ss-f6000p
Усилитель Игнатьева V3.
Re: Підібрати аналог транзистору
alltransistors.com - дивився, не знайшов в Укріїні нічого запропонованого
zapadpribor.com - під замовлення.(хочу вже зараз. під замовлення можу й сам купить)
маузер, діджикей - див. попередній пункт, надіюсь що є аналог в Україні
zapadpribor.com - під замовлення.(хочу вже зараз. під замовлення можу й сам купить)
маузер, діджикей - див. попередній пункт, надіюсь що є аналог в Україні
- emon
- Почетный пользователь
- Сообщения: 168
- Стаж: 4 года 4 месяца
- Репутация: 69
- Откуда: Irpin
- Аудио система: DSC 2.6 + DSD'it + Lundahl LL1527XL
KT77 Gold Lion + Mullard ECF80 + Lundahl LL1663
Акустика Heco Celan Revolution 3 Espresso Veneer, sony ss-f6000p
Усилитель Игнатьева V3.
Re: Підібрати аналог транзистору
Мабуть тільки маузер. І закупить треба з запасом.
Ось така «приблуда» планується.
Ось така «приблуда» планується.
- m-shara
- Почетный спонсор
- Сообщения: 1152
- Стаж: 2 года 9 месяцев
- Репутация: 201
- Откуда: Латвия
- Аудио система: JVC TD-V662, Kenwood KX-880HX,
JLH 1969, УНЧ А-кл. 6Ж3+ГУ-50
Акустика: Sony SS-G1 MK2
AKG K514, ATH-AVC500,
Звуковая: Focusrite 2i4
Re: Підібрати аналог транзистору
А що це за такі "худі" ТЗ? Як це можливо? І на яку потужність. На їхньому сайті кажуть: Звяжіться з нами, ми нахвалимо наш трансформатор, а потім скажемо вам ціну. 

-
- Гуру электроники☆☆☆☆
- Сообщения: 316
- Стаж: 3 года 1 месяц
- Репутация: 107
- Откуда: Горлівка Донецької обл
- Аудио система: homemade
Re: Підібрати аналог транзистору
За параметром ємності затвору їм аналогів в цьому сегменті потужності мабуть і немає. Взагалі то в в ряду М2 їх перелічити по пальцях. Тому, якщо цей параметр визначальний - шукати оригінал, тим більш ви хочете STU9H. Як аналог - без Н, але це вже так, пофлудити

-
- Разработчик
- Сообщения: 1397
- Стаж: 5 лет 2 месяца
- Репутация: 1225
- Откуда: Ивано-Франковск
- Аудио система: DX3pro
Focal horus716
S_Audio stereo AMP 2_061
Re: Підібрати аналог транзистору
IPD60R600P7 вот похож
А в целом, без стабилитронов много есть подобных.
Если чуть расширить границы отбора- то какой-то 13NM65 наверно нормально заменит ПМСМ
А в целом, без стабилитронов много есть подобных.
Если чуть расширить границы отбора- то какой-то 13NM65 наверно нормально заменит ПМСМ
- m-shara
- Почетный спонсор
- Сообщения: 1152
- Стаж: 2 года 9 месяцев
- Репутация: 201
- Откуда: Латвия
- Аудио система: JVC TD-V662, Kenwood KX-880HX,
JLH 1969, УНЧ А-кл. 6Ж3+ГУ-50
Акустика: Sony SS-G1 MK2
AKG K514, ATH-AVC500,
Звуковая: Focusrite 2i4
Re: Підібрати аналог транзистору
А где он будет стоять? Да ткни пальцем в любой компьютерный блок питания и попадешь на аналог. Что то я не пойму из за чего такой ажиотаж.
- emon
- Почетный пользователь
- Сообщения: 168
- Стаж: 4 года 4 месяца
- Репутация: 69
- Откуда: Irpin
- Аудио система: DSC 2.6 + DSD'it + Lundahl LL1527XL
KT77 Gold Lion + Mullard ECF80 + Lundahl LL1663
Акустика Heco Celan Revolution 3 Espresso Veneer, sony ss-f6000p
Усилитель Игнатьева V3.
Re: Підібрати аналог транзистору
В ламповому підсилювачі між каскадами ламп.
- m-shara
- Почетный спонсор
- Сообщения: 1152
- Стаж: 2 года 9 месяцев
- Репутация: 201
- Откуда: Латвия
- Аудио система: JVC TD-V662, Kenwood KX-880HX,
JLH 1969, УНЧ А-кл. 6Ж3+ГУ-50
Акустика: Sony SS-G1 MK2
AKG K514, ATH-AVC500,
Звуковая: Focusrite 2i4
Re: Підібрати аналог транзистору
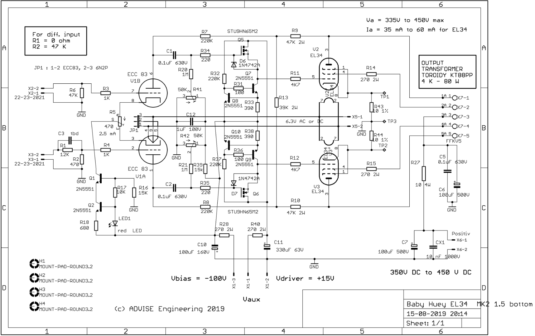
А звідки така схема? На фото вже зібрані плати чи самотужки зроблені? Було б цікаво і на схему подивитися. Часом є гарні рішення. І яку роль там грає цей транзистор?
- emon
- Почетный пользователь
- Сообщения: 168
- Стаж: 4 года 4 месяца
- Репутация: 69
- Откуда: Irpin
- Аудио система: DSC 2.6 + DSD'it + Lundahl LL1527XL
KT77 Gold Lion + Mullard ECF80 + Lundahl LL1663
Акустика Heco Celan Revolution 3 Espresso Veneer, sony ss-f6000p
Усилитель Игнатьева V3.
Re: Підібрати аналог транзистору
Підсилювач класний, вже парочку зібрав таких і результат подобається.
-
- Гуру электроники☆☆☆☆
- Сообщения: 316
- Стаж: 3 года 1 месяц
- Репутация: 107
- Откуда: Горлівка Донецької обл
- Аудио система: homemade
Re: Підібрати аналог транзистору
Та напевне потужність тут перебільшена. Тут важливіше ємність затвору. Якщо за струмом вистачить, то LND150/250 буде ще краще. Ви дійсно використовували тори в якості вихідних?
- m-shara
- Почетный спонсор
- Сообщения: 1152
- Стаж: 2 года 9 месяцев
- Репутация: 201
- Откуда: Латвия
- Аудио система: JVC TD-V662, Kenwood KX-880HX,
JLH 1969, УНЧ А-кл. 6Ж3+ГУ-50
Акустика: Sony SS-G1 MK2
AKG K514, ATH-AVC500,
Звуковая: Focusrite 2i4
Re: Підібрати аналог транзистору
Як для лампового то занадто наворочений і нашпигований транзисторами.(моя думка). Такі схеми зазвичай вибирають крупні виробники, якщо повторюваність стабільна, і можна навішати кучу "фіч" за які легко провести багатих буратін.

- emon
- Почетный пользователь
- Сообщения: 168
- Стаж: 4 года 4 месяца
- Репутация: 69
- Откуда: Irpin
- Аудио система: DSC 2.6 + DSD'it + Lundahl LL1527XL
KT77 Gold Lion + Mullard ECF80 + Lundahl LL1663
Акустика Heco Celan Revolution 3 Espresso Veneer, sony ss-f6000p
Усилитель Игнатьева V3.
Re: Підібрати аналог транзистору
Ну, не знаю, сотні людей по світу зібрали і доволі задоволені, не думаю що всі вони не розуміються на схемотехніці.
- m-shara
- Почетный спонсор
- Сообщения: 1152
- Стаж: 2 года 9 месяцев
- Репутация: 201
- Откуда: Латвия
- Аудио система: JVC TD-V662, Kenwood KX-880HX,
JLH 1969, УНЧ А-кл. 6Ж3+ГУ-50
Акустика: Sony SS-G1 MK2
AKG K514, ATH-AVC500,
Звуковая: Focusrite 2i4
Re: Підібрати аналог транзистору
А що таке особливе є у цій схемі? Мені просто цікаво, бо бачу що більшість схем прості, а вся "ізюминка" зазвичай в дорогих лампах, конденсаторах, трансформаторах і навіть резисторах.
- m-shara
- Почетный спонсор
- Сообщения: 1152
- Стаж: 2 года 9 месяцев
- Репутация: 201
- Откуда: Латвия
- Аудио система: JVC TD-V662, Kenwood KX-880HX,
JLH 1969, УНЧ А-кл. 6Ж3+ГУ-50
Акустика: Sony SS-G1 MK2
AKG K514, ATH-AVC500,
Звуковая: Focusrite 2i4
Re: Підібрати аналог транзистору
Зрозуміло. Був я там. А що з вимірюваннями? Пробували? Чи так добре звучить що і міряти нічого не хочеться? Так є. Я як колись зробив ВВ Н.Сухова то виміряти тисячні долі спотворень було цікавіше ніж зробити цей УНЧ. Правда акустика тоді була якась "стадіонна" і той ВВ звучав якось дуже скучно. Єдине враження що залишилося від того "ВВ" - це страшенний "ба-бах!" коли залишив регулятор гучності на максимумі і підключив магнітофон, у якого на виході присутні якісь 0,5В! Я подумав що АС-ам ВСЕ! Вижили, бо були потужні.
- emon
- Почетный пользователь
- Сообщения: 168
- Стаж: 4 года 4 месяца
- Репутация: 69
- Откуда: Irpin
- Аудио система: DSC 2.6 + DSD'it + Lundahl LL1527XL
KT77 Gold Lion + Mullard ECF80 + Lundahl LL1663
Акустика Heco Celan Revolution 3 Espresso Veneer, sony ss-f6000p
Усилитель Игнатьева V3.
Re: Підібрати аналог транзистору
Міряв. Пошукаю і додам сюди.