Темы в форуме
Новые сообщения
-
17-окт Продам Clone purifi Hb 3.065 ULTRA
-
29-сен Усилитель мощности Натали Про
-
29-сен Красивые фирменные радиаторы и набор 2SA5200/2SC1943
-
29-сен Трёхканальный 100Вт ЦАП с DSP ADAU1452+ESP32.
-
23-сен Сигнальні трансформатори 10К:10К CineMag CMLI-15/15B
-
21-сен Продаж усилителя D325x
-
21-сен Продам балансный усилитель мощности D-класса на авторских платах...
-
20-авг Продам конденсаторы К50-37
-
11-авг Все вопросы по покупке Клона nСore от Юрия Игнатьева
-
06-авг Продам ламповий однотакт 6с33с.
-
06-авг MP3 Bluetooth 5.1 Stereo Audio Receiver CD-027
-
06-авг Bluetooth 5.1 MP3 Decoder Board 2*80W 160W
-
03-авг Продам високоякісний балансний ЦАП Topping E70
-
26-июл продам підсилювач Wondom BDM8-A на TPA3255. 2x300W Class D
-
23-июл USB кабель Inakustik Premium USB AB 1 м + бонус.
Новые темы
-
14-окт Продаётся усилитель JLH-1969 в винтажном стиле.
-
21-сен Продам балансный усилитель мощности D-класса на авторских платах...
-
05-сен Сигнальні трансформатори 10К:10К CineMag CMLI-15/15B
-
29-авг Продам акустику Edifier Airpulse A300 (со стойками ST300)
-
22-июл Bluetooth 5.1 MP3 Decoder Board 2*80W 160W
-
22-июл MP3 Bluetooth 5.1 Stereo Audio Receiver CD-027
-
21-июл Плата JLH-1969 под размер премиальных конденсаторов.
-
18-июл Куплю 2 шт TDA1543
-
14-июл продам підсилювач Wondom BDM8-A на TPA3255. 2x300W Class D
-
11-июл Продам ламповий однотакт 6с33с.
-
01-июл USB кабель Inakustik Premium USB AB 1 м + бонус.
-
24-май Продам Clone purifi Hb 3.065 ULTRA
-
22-май Endpoint для LMS. Logitech Squeezebox Classic V3.
-
22-май Друковані плати ЦАПа AH-D6 Pro v2.0
-
29-апр Продаж усилителя D325x
Наш youtube
Наш инстаграм
☝ Сказать спасибо!
Правила форума
Трёхканальный 100Вт ШИМ ЦАП с DSP ADAU1452.
-
uriy
- Магистр электроники
- Сообщения: 1429
- Стаж: 2 года 6 месяцев
- Репутация: 432
- Откуда: Ukraine
- Аудио система: Цифраактив
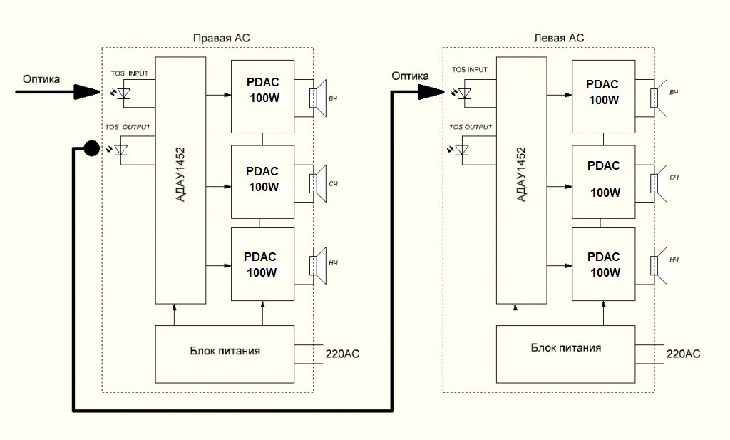
Трёхканальный 100Вт ШИМ ЦАП с DSP ADAU1452.
Для желающих пощупать силу цифроактивного направления за вменяемую стоимость, я собрал трёхканальную плату лайт версии.
Структурная схема платы. Сама плата.
-Плата обеспечивает выходную мощность 100Вт на каждый канал при питании 32В на нагрузке 4Ом.
-Диапазон питающих напряжений от 12В до 32В.
-Потребление платы в режиме холостого хода 10Вт при напряжении 32В, 6Вт при напряжении питания 24В.
-КПД -80%.
-Стоимость одной платы 3000грн.
Структурная схема платы. Сама плата.
-Плата обеспечивает выходную мощность 100Вт на каждый канал при питании 32В на нагрузке 4Ом.
-Диапазон питающих напряжений от 12В до 32В.
-Потребление платы в режиме холостого хода 10Вт при напряжении 32В, 6Вт при напряжении питания 24В.
-КПД -80%.
-Стоимость одной платы 3000грн.
-
uriy
- Магистр электроники
- Сообщения: 1429
- Стаж: 2 года 6 месяцев
- Репутация: 432
- Откуда: Ukraine
- Аудио система: Цифраактив
Re: Трёхканальный 100Вт ШИМ ЦАП с DSP ADAU1452.
Уровень искажений в зависимости от выходной мощности на нагрузке 8Ом, 0дБ=50Вт.
Уровень искажений в зависимости от выходной мощности на нагрузке 4Ом 0дБ=100Вт.
Уровень искажений в зависимости от выходной мощности на нагрузке 4Ом 0дБ=100Вт.
-
uriy
- Магистр электроники
- Сообщения: 1429
- Стаж: 2 года 6 месяцев
- Репутация: 432
- Откуда: Ukraine
- Аудио система: Цифраактив
Re: Трёхканальный 100Вт ШИМ ЦАП с DSP ADAU1452.
Суммарные характеристики полученные программой RMAA.
-
uriy
- Магистр электроники
- Сообщения: 1429
- Стаж: 2 года 6 месяцев
- Репутация: 432
- Откуда: Ukraine
- Аудио система: Цифраактив
Re: Трёхканальный 100Вт ШИМ ЦАП с DSP ADAU1452.
Для данной платы изготовлены платы входа/выхода с регулятором громкости.
Плата для RCA SPDIF
Плата для оптического SPDIF входа выхода.
Любая одна плата вход/выход стоит 315грн.
В комплектацию платы входа/выхода входит шлейф для подключения её к ЦАПу.
Плата для RCA SPDIF
Плата для оптического SPDIF входа выхода.
Любая одна плата вход/выход стоит 315грн.
В комплектацию платы входа/выхода входит шлейф для подключения её к ЦАПу.
-
uriy
- Магистр электроники
- Сообщения: 1429
- Стаж: 2 года 6 месяцев
- Репутация: 432
- Откуда: Ukraine
- Аудио система: Цифраактив
Re: Трёхканальный 100Вт ШИМ ЦАП с DSP ADAU1452.
ДСП платы прошит проектом 2+1.
Проект в сигма студио.
-
uriy
- Магистр электроники
- Сообщения: 1429
- Стаж: 2 года 6 месяцев
- Репутация: 432
- Откуда: Ukraine
- Аудио система: Цифраактив
Re: Трёхканальный 100Вт ШИМ ЦАП с DSP ADAU1452.
Как видно из измеренного уровня шума, плата может применяться и для АС ближнего поля, так как уровень шума достаточно низок. На динамике с чуйкой 100дБ/Вт/м белый шум выхода ЦАПа слышен только впритык к динамику, на расстоянии 30см от динамика шум услышать невозможно при уровне шума в комнате 35дБ(А).
Плата не требует ни каких внешних защит для динамиков. Мозги платы отслеживают постоянку по выходу каждого канала, и при её присутствии отключают канал, тем самым предотвращая появление постоянки на динамике. Светодиод начинает моргать сигнализируя что, в каком то из трёх каналов сработала защита от постоянки. Постоянку можно поймать при неправильной настройке проекта в сигма студио.
Щелчков при включении выключении питания нету.
Сигнал спдиф можно подавать в любой последовательности щелчков тоже нету.
Благодаря очень высококачественному ASRC в АДАУ нет необходимости поддерживать единую сетку частот источника сигнала и АДАУ.
SPDIF вход АДАУ1452 принимает 44,1кГц - 96кГц, 16-24бит.
I2S вход поддерживает 44,1-192кГц 16-32бит так же возможно подать на I2S вход многоканальный TDM поток.
Плата не требует ни каких внешних защит для динамиков. Мозги платы отслеживают постоянку по выходу каждого канала, и при её присутствии отключают канал, тем самым предотвращая появление постоянки на динамике. Светодиод начинает моргать сигнализируя что, в каком то из трёх каналов сработала защита от постоянки. Постоянку можно поймать при неправильной настройке проекта в сигма студио.
Щелчков при включении выключении питания нету.
Сигнал спдиф можно подавать в любой последовательности щелчков тоже нету.
Благодаря очень высококачественному ASRC в АДАУ нет необходимости поддерживать единую сетку частот источника сигнала и АДАУ.
SPDIF вход АДАУ1452 принимает 44,1кГц - 96кГц, 16-24бит.
I2S вход поддерживает 44,1-192кГц 16-32бит так же возможно подать на I2S вход многоканальный TDM поток.
-
mtz_fish
- Почетный пользователь
- Сообщения: 160
- Стаж: 3 года 1 месяц
- Репутация: 26
- Откуда: Минск
- Аудио система: ГИ 18х5гдш4, транзисторный усилитель АВ класса - "Лимит".
Re: Трёхканальный 100Вт ШИМ ЦАП с DSP ADAU1452.
Здорово, очень интересное решение.
-
mserg
- Почетный пользователь
- Сообщения: 56
- Стаж: 1 год 9 месяцев
- Репутация: 18
- Откуда: Dnipro
- Аудио система: Monitor Audio BR2 / Stereo PTERO v1.03 / Edifier R2750DB
Re: Трёхканальный 100Вт ШИМ ЦАП с DSP ADAU1452.
В стерео варианте подключение как реализовать?
-
uriy
- Магистр электроники
- Сообщения: 1429
- Стаж: 2 года 6 месяцев
- Репутация: 432
- Откуда: Ukraine
- Аудио система: Цифраактив
Re: Трёхканальный 100Вт ШИМ ЦАП с DSP ADAU1452.
Вопрос мне не понятен.
Если вы подаёте на плату сигнал по спдиф то он в себе содержит два канала, левый и правый, далее уже вы принимаете решение что с ними делать в дсп. На приведённой ранее картинке проекта в сигма студио, чисто для примера реализован стерео усилитель с третьим НЧ каналом для саба, на канал 0 выведен левый канал, на канал 1 выведен правый канал, а на канал 16 выведена сумма левого и правого канала с обрезкой частот выше 100Гц. Присмотритесь к картинкам в проекте, они там интуитивно понятны.
Эта плата реализована на основании более ранней разработки viewtopic.php?f=58&t=1803#p33114
Т.е. данная трёхканальная 100Вт версия ЦАПа довольно хорошо держит всю полосу частот, но максимальный результат из АС можно выжать только если сделать из неё цифроактив.
Если вы хотите на основании этих плат делать цифроактивную трёхполосную АС, или двухполоску плюс саб, то нужно использовать две таких платы, и для передачи сигнала от одной платы к другой, используется передатчик спдиф сигнала, в дсп есть функция транзита спдиф сигнала т.е. в итоге обе платы будут получать одинаковый стерео спдиф, и уже далее внутри проекта сигма студио вы выбираете тот канал, который вам нужен для данной АС. Кстати в папке с проектами, которую я прикрепил ранее, есть базовый проект деления полос с помощью КИХ фильтров т.е. деление полос без изменения фазы сигнала на частоте раздела полос, что очень сильно облегчает сведение трёхполоски, ради интереса скачайте сигма студио https://www.analog.com/en/resources/eva ... e-overview и откройте проекты которые я прикрепил, мощность этого дсп в плане обработки звука очень велика, с его помощью можно любую старую многополосную хай фай колонку вывести на принципиально новый уровень, если есть микрофон и желание.
Ниже краткое введение в работу в сигма студио на русском.
https://parkaudio.ua/DOCz/module/genera ... dio_UM.pdf
Сигма студио и дсп1452 очен сильные вещи с помощью которых можно творить чудеса со звуком.
Ниже результат одного из моего эксперимента получения сверх линейной АЧХ трёхполсоки в точке прослушивания с ровной фазой.
Обратите внимание на размерность шкалы по оси у. А это степ респонз в точке прослушивания.
Если вы подаёте на плату сигнал по спдиф то он в себе содержит два канала, левый и правый, далее уже вы принимаете решение что с ними делать в дсп. На приведённой ранее картинке проекта в сигма студио, чисто для примера реализован стерео усилитель с третьим НЧ каналом для саба, на канал 0 выведен левый канал, на канал 1 выведен правый канал, а на канал 16 выведена сумма левого и правого канала с обрезкой частот выше 100Гц. Присмотритесь к картинкам в проекте, они там интуитивно понятны.
Эта плата реализована на основании более ранней разработки viewtopic.php?f=58&t=1803#p33114
Т.е. данная трёхканальная 100Вт версия ЦАПа довольно хорошо держит всю полосу частот, но максимальный результат из АС можно выжать только если сделать из неё цифроактив.
Если вы хотите на основании этих плат делать цифроактивную трёхполосную АС, или двухполоску плюс саб, то нужно использовать две таких платы, и для передачи сигнала от одной платы к другой, используется передатчик спдиф сигнала, в дсп есть функция транзита спдиф сигнала т.е. в итоге обе платы будут получать одинаковый стерео спдиф, и уже далее внутри проекта сигма студио вы выбираете тот канал, который вам нужен для данной АС. Кстати в папке с проектами, которую я прикрепил ранее, есть базовый проект деления полос с помощью КИХ фильтров т.е. деление полос без изменения фазы сигнала на частоте раздела полос, что очень сильно облегчает сведение трёхполоски, ради интереса скачайте сигма студио https://www.analog.com/en/resources/eva ... e-overview и откройте проекты которые я прикрепил, мощность этого дсп в плане обработки звука очень велика, с его помощью можно любую старую многополосную хай фай колонку вывести на принципиально новый уровень, если есть микрофон и желание.
Ниже краткое введение в работу в сигма студио на русском.
https://parkaudio.ua/DOCz/module/genera ... dio_UM.pdf
Сигма студио и дсп1452 очен сильные вещи с помощью которых можно творить чудеса со звуком.
Ниже результат одного из моего эксперимента получения сверх линейной АЧХ трёхполсоки в точке прослушивания с ровной фазой.
Обратите внимание на размерность шкалы по оси у. А это степ респонз в точке прослушивания.
-
mserg
- Почетный пользователь
- Сообщения: 56
- Стаж: 1 год 9 месяцев
- Репутация: 18
- Откуда: Dnipro
- Аудио система: Monitor Audio BR2 / Stereo PTERO v1.03 / Edifier R2750DB
Re: Трёхканальный 100Вт ШИМ ЦАП с DSP ADAU1452.
Собственно это я хотел услышатьuriy писал(а): ↑22 апр 2024, 10:49
Если вы хотите на основании этих плат делать цифроактивную трёхполосную АС, или двухполоску плюс саб, то нужно использовать две таких платы, и для передачи сигнала от одной платы к другой, используется передатчик спдиф сигнала, в дсп есть функция транзита спдиф сигнала т.е. в итоге обе платы будут получать одинаковый стерео спдиф, и уже далее внутри проекта сигма студио вы выбираете тот канал, который вам нужен для данной АС. Кстати в папке с проектами, которую я прикрепил ранее, есть базовый проект деления полос с помощью КИХ фильтров т.е. деление полос без изменения фазы сигнала на частоте раздела полос, что очень сильно облегчает сведение трёхполоски, ради интереса скачайте сигма студио https://www.analog.com/en/resources/eva ... e-overview и откройте проекты которые я прикрепил, мощность этого дсп в плане обработки звука очень велика, с его помощью можно любую старую многополосную хай фай колонку вывести на принципиально новый уровень, если есть микрофон и желание.
-
uriy
- Магистр электроники
- Сообщения: 1429
- Стаж: 2 года 6 месяцев
- Репутация: 432
- Откуда: Ukraine
- Аудио система: Цифраактив
Re: Трёхканальный 100Вт ШИМ ЦАП с DSP ADAU1452.
Думаю так будет наглядней.
-
uriy
- Магистр электроники
- Сообщения: 1429
- Стаж: 2 года 6 месяцев
- Репутация: 432
- Откуда: Ukraine
- Аудио система: Цифраактив
Re: Трёхканальный 100Вт ШИМ ЦАП с DSP ADAU1452.
Попался мне на глаза проект в сигма студио в котором имитировали работу лампового усилителя. Что мне понравилось в том проекте, так это возможность регулировать уровень вносимых искажений. Я настроил возможность регулировки искажений от 0,005% до 15% с помощью внешнего потенциометра.
Уровень установленных искажений практически стабилен при изменении частоты.
Уровень искажений растёт с уменьшением уровня сигнала.
Чётные гармоники преобладают над нечётными гармониками.
Уровень установленных искажений практически стабилен при изменении частоты.
Уровень искажений растёт с уменьшением уровня сигнала.
Чётные гармоники преобладают над нечётными гармониками.
Последний раз редактировалось uriy 26 апр 2024, 21:51, всего редактировалось 1 раз.
-
uriy
- Магистр электроники
- Сообщения: 1429
- Стаж: 2 года 6 месяцев
- Репутация: 432
- Откуда: Ukraine
- Аудио система: Цифраактив
Re: Трёхканальный 100Вт ШИМ ЦАП с DSP ADAU1452.
Проект в сигма студио кому интерсено.
-
uriy
- Магистр электроники
- Сообщения: 1429
- Стаж: 2 года 6 месяцев
- Репутация: 432
- Откуда: Ukraine
- Аудио система: Цифраактив
Re: Трёхканальный 100Вт ШИМ ЦАП с DSP ADAU1452.
Для тех кто не любит КИХ кроссоверы, но хочет поиметь ровную фазу, я реализовал в сигма студио субтрактивный кроссовер на базе фильтра Баттерворта четвёртого порядка, по сути принцип реализации такого фильтра достаточно прост, и в место Баттерворта можно поставить любой другой БИХ фильтр с другим порядком среза. Так как сигма студио позволяет сразу увидеть получаемую АЧХ кроссовера, то подобрать оптимальные задержки и крутизну среза не составляет особого труда.
Для проверки линейности фазы такого кроссовера в железе, я сделал измерения суммы трёх полос этого фильтра и получил вот такой степ респонз который чётко показывает что фаза по всем трём полосам линейна.
Файл субтрактивного кроссовера в сигма студио.
Для проверки линейности фазы такого кроссовера в железе, я сделал измерения суммы трёх полос этого фильтра и получил вот такой степ респонз который чётко показывает что фаза по всем трём полосам линейна.
Файл субтрактивного кроссовера в сигма студио.
- Вложения
-
- 3Way subtractive.rar
- (29.47 КБ) 231 скачивание
-
uriy
- Магистр электроники
- Сообщения: 1429
- Стаж: 2 года 6 месяцев
- Репутация: 432
- Откуда: Ukraine
- Аудио система: Цифраактив
Re: Трёхканальный 100Вт ШИМ ЦАП с DSP ADAU1452.
Эти платы закончились и больше делаться не будут. Реализована следующая ревизия подобного подхода с чуть лучшими показателями.
Подробности здесь viewtopic.php?p=36541#p36541
Подробности здесь viewtopic.php?p=36541#p36541