Темы в форуме

      Youtube        TikTok       Инстаграм     ☝ Спонсировать           Правила форума   




TPA3255 Stereo PurePath™ Ultra-HD. PFFB.

Аватара пользователя
lexey
Самоделкин
Сообщения: 273
Стаж: 4 года
Репутация: 221
Откуда: Усть-Каменогорск
Аудио система: :
ЦАП: SMSL SU-9 PRO es9039pro
Усилитель: 3_065р ULTRA
Акустика: Проект xrk971

TPA3255 Stereo PurePath™ Ultra-HD. PFFB.

Сообщение lexey »

Здравствуйте!
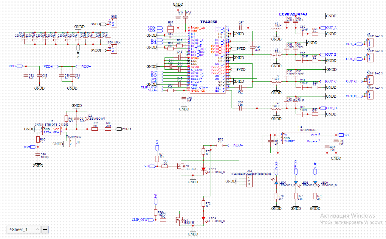
Я решил таки заняться усилителем на микросхеме TPA3255. Понимаю что тема не нова, на каждом форуме есть ветки с ее обсуждением. По этому думаю у меня не возникнет больших проблем с моим вариантом реализации микросхемы. Нечего нового я не придумал, что то из даташита, большая часть с веги (DrModd), что то один хороший человек посоветовал, помог.
На плате будет преобразователь однополярного напряжения в двухполярное, по схеме от Юрия, посмотрим что из этого выйдет в моем исполнении. Обязательно ООС. Плата будет исключительно в стерео варианте. Микросхема размещается с низу платы, для непосредственного теплоотвода на днище корпуса. При использовании невысоких конденсаторов по питанию, можно применять более низкие корпуса.
Я пионер и по этому буду рад совету, замечанию.
Первые варианты работы.

Часть схемы, все стандартно. Остальное пока в работе.
3255.png
Немного разводки. Плата получается большой, примерно 100х130мм. Меньше пока не умею))
3255_2d_1.png
3255_2d_1.png (158.68 КБ) 6676 просмотров
3255_2d_2.png
3255_2d_2.png (95.76 КБ) 6676 просмотров
Весь мир - Варкрафт, а ты в нём Мурлок.
Аватара пользователя
lexey
Самоделкин
Сообщения: 273
Стаж: 4 года
Репутация: 221
Откуда: Усть-Каменогорск
Аудио система: :
ЦАП: SMSL SU-9 PRO es9039pro
Усилитель: 3_065р ULTRA
Акустика: Проект xrk971

Re: TPA3255 Stereo PurePath™ Ultra-HD. PFFB.

Сообщение lexey »

В LC фильтре будут применяться промышленная индуктивность, размеры мужские. С WIMA заморачиваться не стал, и выбор пал на ECWFA2J474J. В магазине кончились на 1uF этой же серии, пришлось разместить по 2шт, по этом пара не влезла красиво в ряд. Может найду что то другое и поправлю.
3255_3d_1.png
3255_3d_1.png (209.16 КБ) 6675 просмотров
Весь мир - Варкрафт, а ты в нём Мурлок.
Аватара пользователя
PJK
Друзья v-mire.net
Сообщения: 784
Стаж: 4 года 8 месяцев
Репутация: 317
Откуда: Earth
Аудио система: Патефон

Re: TPA3255 Stereo PurePath™ Ultra-HD. PFFB.

Сообщение PJK »

lexey писал(а): 20 мар 2023, 16:15 В LC фильтре будут применяться промышленная индуктивность, размеры мужские. С WIMA заморачиваться не стал, и выбор пал на ECWFA2J474J. В магазине кончились на 1uF этой же серии, пришлось разместить по 2шт, по этом пара не влезла красиво в ряд. Может найду что то другое и поправлю.

3255_3d_1.png
Полипропилен - оригинал. Проверено.
https://sl.aliexpress.ru/p?key=9qalwup
Rus3d
Почетный пользователь
Сообщения: 90
Стаж: 3 года 5 месяцев
Репутация: 42
Откуда: Россия
Аудио система: Усилитель BRZHIFI APTX Power Amplifier 2.0

Re: TPA3255 Stereo PurePath™ Ultra-HD. PFFB.

Сообщение Rus3d »

Интересно конечно, я понял это пока макет. Интересно как будет дело со звуком.
Ждем результатов
Snik0
Новичок
Сообщения: 9
Стаж: 3 года 6 месяцев
Репутация: 0
Откуда: Россия
Аудио система: 35ас-001

Re: TPA3255 Stereo PurePath™ Ultra-HD. PFFB.

Сообщение Snik0 »

А изготовление платы где будете заказывать? компоненты там же со сборкой или их отдельно и сами собираете?
Аватара пользователя
lexey
Самоделкин
Сообщения: 273
Стаж: 4 года
Репутация: 221
Откуда: Усть-Каменогорск
Аудио система: :
ЦАП: SMSL SU-9 PRO es9039pro
Усилитель: 3_065р ULTRA
Акустика: Проект xrk971

Re: TPA3255 Stereo PurePath™ Ultra-HD. PFFB.

Сообщение lexey »

Snik0 писал(а): 27 мар 2023, 20:01 А изготовление платы где будете заказывать? компоненты там же со сборкой или их отдельно и сами собираете?
Первые платы буду собирать сам, нужно будет посмотреть на работу. Что-то менять, крутить. Как отладим, можно и в производства отдать.
ПП уже заказал, как и всё компоненты. Думаю на RIFA и останоалюсь в LC фильтр, вменяемый размер и цена.
Не решил что в цобеля поставить, есть выход на wima mkp2. Не уверен стоит ли с ней заморачиваться или просто поставить COG. Будет плата, можно будет то и другое попробовать.
Весь мир - Варкрафт, а ты в нём Мурлок.
drmodd
Гуру электроники☆☆☆☆
Сообщения: 182
Стаж: 4 года 11 месяцев
Репутация: 92
Откуда: Москва
Аудио система: E70 Velvet, SuperGaN, PTERO, Focal Chorus 726, MA Bronze, N-Acoustic.

Re: TPA3255 Stereo PurePath™ Ultra-HD. PFFB.

Сообщение drmodd »

https://www.lcsc.com/product-detail/_KYET-_C841198.html
Тут неплохие полипропиленовые конденсаторы, небольшие, но емкость 0,5 мкф.
Как кстати успехи?
Аватара пользователя
lexey
Самоделкин
Сообщения: 273
Стаж: 4 года
Репутация: 221
Откуда: Усть-Каменогорск
Аудио система: :
ЦАП: SMSL SU-9 PRO es9039pro
Усилитель: 3_065р ULTRA
Акустика: Проект xrk971

Re: TPA3255 Stereo PurePath™ Ultra-HD. PFFB.

Сообщение lexey »

drmodd писал(а): 04 апр 2023, 16:42 https://www.lcsc.com/product-detail/_KYET-_C841198.html
Тут неплохие полипропиленовые конденсаторы, небольшие, но емкость 0,5 мкф.
Как кстати успехи?
Спасибо за наводку😉

Дела, тут нечего нового. Жду когда приедут платы с JLCPCB , на это уйдёт примерно месяц. Да и остальная всё рассыпуха в пути. На руках только чипы, глядя на их крошечный размер, сложно поверить что они могут иметь такой большой потенциал по мощности.
Как это наверное бывает у многих, стали появляться другие идеи и решения после того как уже оформлен заказ😅 . А именно, решил отказаться от двух электролитов по питанию, все-таки хочу влесть в размер 10х10см.
Так же увидел что люди разделяют землю узлов, применяют для этого индуктивность, несложно и не дорого, можно было бы применить. Хотя это наверное больше (как любит говорить один мой товарищ) для изделий с претензиями🌝
IMG_20230405_180248.jpg
Весь мир - Варкрафт, а ты в нём Мурлок.
drmodd
Гуру электроники☆☆☆☆
Сообщения: 182
Стаж: 4 года 11 месяцев
Репутация: 92
Откуда: Москва
Аудио система: E70 Velvet, SuperGaN, PTERO, Focal Chorus 726, MA Bronze, N-Acoustic.

Re: TPA3255 Stereo PurePath™ Ultra-HD. PFFB.

Сообщение drmodd »

А у тебя плата 4 слоя?
Аватара пользователя
lexey
Самоделкин
Сообщения: 273
Стаж: 4 года
Репутация: 221
Откуда: Усть-Каменогорск
Аудио система: :
ЦАП: SMSL SU-9 PRO es9039pro
Усилитель: 3_065р ULTRA
Акустика: Проект xrk971

Re: TPA3255 Stereo PurePath™ Ultra-HD. PFFB.

Сообщение lexey »

drmodd писал(а): 09 апр 2023, 09:04 А у тебя плата 4 слоя?
Нет, 2 слоя.
Закажу еще один вариант платы. В нем мне удалось собрать вместе LC фильтры. Также уменьшить размер платы до 100х113мм.
Этот вариант платы лишится двух электролитов по питанию и клемма питания будет ближе располагаться к микросхеме.
Из тревожного, выводы индукции будут находится на значительном рассеянии от микросхемы и при том каждая на разном.
В конце недели отправлю гербер на производство, к этому моменту что ни будь еще поправлю.
tpa40.png
tpa40.png (178.26 КБ) 5938 просмотров
tpa3.png
tpa3.png (164.22 КБ) 5938 просмотров
Весь мир - Варкрафт, а ты в нём Мурлок.
Аватара пользователя
lexey
Самоделкин
Сообщения: 273
Стаж: 4 года
Репутация: 221
Откуда: Усть-Каменогорск
Аудио система: :
ЦАП: SMSL SU-9 PRO es9039pro
Усилитель: 3_065р ULTRA
Акустика: Проект xrk971

Re: TPA3255 Stereo PurePath™ Ultra-HD. PFFB.

Сообщение lexey »

Получил платы. Сразу выявились минусы разводки печатной платы наспех) Плюс питания и земля стали одним целым. После нескольких надрезов плохое место было найдено и тем же ножом вырезано.
1684853357835.jpg
1684853411202.jpg
Плату собрал, завелась сразу. Единственное пришлось добавить линейный стабилизатор для питании микросхемы.
Так же планирую поставить стабилизаторы на питание оу, встал вопрос выбора линейных стабилизаторов. Хочется что-то компактное, места на плате остается мало, по этому хочу монтировать на нижнюю сторону платы. Заглядываюсь на lm317 b 337 в soic 8 корпусе. Может кто то может посоветовать другие стабы? Время летит, может что-то интереснее изобрели за вменяемые деньги а я "деревня")
1684804845547.jpg
Весь мир - Варкрафт, а ты в нём Мурлок.
Аватара пользователя
lexey
Самоделкин
Сообщения: 273
Стаж: 4 года
Репутация: 221
Откуда: Усть-Каменогорск
Аудио система: :
ЦАП: SMSL SU-9 PRO es9039pro
Усилитель: 3_065р ULTRA
Акустика: Проект xrk971

Re: TPA3255 Stereo PurePath™ Ultra-HD. PFFB.

Сообщение lexey »

Есть еще нюансы которые хочу исправить.
1. Есть небольшой хлопок в акустики при включении питания усилителя.
2. Есть хлопок в акустики чуть погромче при выключении питания усилителя.
3. 1е и 2е на одном из каналов проявляется более выражено.
4. При включенном PFFB, акустика играет тише. Может не баг а фича?))

Замеров пока не делал, время пока не позволяет.
1684804845515.jpg
1684804845526.jpg
1684804845531.jpg
Весь мир - Варкрафт, а ты в нём Мурлок.
Аватара пользователя
Alex
Site Admin
Сообщения: 4152
Стаж: 14 лет 1 месяц
Репутация: 2705
Откуда: Kiev
Аудио система: www.is.gd/l0dt3T
Контактная информация:

Re: TPA3255 Stereo PurePath™ Ultra-HD. PFFB.

Сообщение Alex »

Поздравляю!
Аватара пользователя
Justas*
Гуру электроники☆☆☆☆
Сообщения: 2320
Стаж: 4 года 2 месяца
Репутация: 1261
Откуда: Украина
Аудио система: viewtopic.php?p=17721#p17721

Re: TPA3255 Stereo PurePath™ Ultra-HD. PFFB.

Сообщение Justas* »

1. Есть небольшой хлопок в акустики при включении питания усилителя.
Ставьте схему защиты АС с задержкой включения.
4. При включенном PFFB, акустика играет тише. Может не баг а фича?))
И не баг и не фича. PFFB как и любая ООС, снижает Кус.
Так же планирую поставить стабилизаторы на питание оу, встал вопрос выбора линейных стабилизаторов. Хочется что-то компактное, места на плате остается мало, по этому хочу монтировать на нижнюю сторону платы. Заглядываюсь на lm317 b 337 в soic 8 корпусе. Может кто то может посоветовать другие стабы? Время летит, может что-то интереснее изобрели за вменяемые деньги а я "деревня")
Много чего наизобретали.
LDO, с малым падением напряжения
Ultra Low Noise, с малым шумом
Самопальный параллельный, быстрый
Для Ваших применений, достаточно lm317,337
Аватара пользователя
Justas*
Гуру электроники☆☆☆☆
Сообщения: 2320
Стаж: 4 года 2 месяца
Репутация: 1261
Откуда: Украина
Аудио система: viewtopic.php?p=17721#p17721

Re: TPA3255 Stereo PurePath™ Ultra-HD. PFFB.

Сообщение Justas* »

Почему чип с низу? Охлаждение плохое и плата будет сильно нагреваться.
У 3255 в отличии от 3250, нормальный Thermal Pad под установку радиатора.
Аватара пользователя
lgedmitry
Гуру электроники☆☆☆☆
Сообщения: 1575
Стаж: 6 лет 5 месяцев
Репутация: 273
Откуда: Рыбинск
Аудио система: Самоделки на MA12070, MA12070P, Heybrook HB3, Wharfedale Diamond 12.2

Re: TPA3255 Stereo PurePath™ Ultra-HD. PFFB.

Сообщение lgedmitry »

Justas* писал(а): 23 май 2023, 20:46 Почему чип с низу? Охлаждение плохое и плата будет сильно нагреваться.
У 3255 в отличии от 3250, нормальный Thermal Pad под установку радиатора.
А мне думается - почти идеальное решение:
а) охлаждаем силовой чип через терможевачку об дно корпуса усилителя, подобрав высоту стоек, на которых плата крепится. Эффективность охлаждения получается вполне себе хорошая. Лучше, чем если небольшой радиаторчик на чип приделать.
б) максимально приближаем на плате большие электролиты к силовой микросхеме. (если электролиты и радиатор с одной и той же стороны будут - шибко их приблизить не выйдет)
Аватара пользователя
lexey
Самоделкин
Сообщения: 273
Стаж: 4 года
Репутация: 221
Откуда: Усть-Каменогорск
Аудио система: :
ЦАП: SMSL SU-9 PRO es9039pro
Усилитель: 3_065р ULTRA
Акустика: Проект xrk971

Re: TPA3255 Stereo PurePath™ Ultra-HD. PFFB.

Сообщение lexey »

Justas* писал(а): 23 май 2023, 20:46 Почему чип с низу? Охлаждение плохое и плата будет сильно нагреваться.
У 3255 в отличии от 3250, нормальный Thermal Pad под установку радиатора.
Я не хотел искать радиаторы, к тому же он украдет место на плате а она и так у меня большая получилась.
А с раскройкой листового металла у меня всё хорошо) нарисую переходную пластину 3мм в размер всей платы.
Но если будет критично то буду думать о расположении чипа сверху платы.
Весь мир - Варкрафт, а ты в нём Мурлок.
Аватара пользователя
lexey
Самоделкин
Сообщения: 273
Стаж: 4 года
Репутация: 221
Откуда: Усть-Каменогорск
Аудио система: :
ЦАП: SMSL SU-9 PRO es9039pro
Усилитель: 3_065р ULTRA
Акустика: Проект xrk971

Re: TPA3255 Stereo PurePath™ Ultra-HD. PFFB.

Сообщение lexey »

lgedmitry писал(а): 24 май 2023, 01:06
Justas* писал(а): 23 май 2023, 20:46 Почему чип с низу? Охлаждение плохое и плата будет сильно нагреваться.
У 3255 в отличии от 3250, нормальный Thermal Pad под установку радиатора.
А мне думается - почти идеальное решение:
а) охлаждаем силовой чип через терможевачку об дно корпуса усилителя, подобрав высоту стоек, на которых плата крепится. Эффективность охлаждения получается вполне себе хорошая. Лучше, чем если небольшой радиаторчик на чип приделать.
б) максимально приближаем на плате большие электролиты к силовой микросхеме. (если электролиты и радиатор с одной и той же стороны будут - шибко их приблизить не выйдет)
Электролиты да хотел как можно ближе к чипу, хотя на этой плате их 6ть и получается последние не так и близко расположены к чипу. По этому откажусь от концепции низкой платы и поставлю 4 больших.
Весь мир - Варкрафт, а ты в нём Мурлок.
Аватара пользователя
Dysindich
Гуру электроники☆☆☆☆
Сообщения: 900
Стаж: 4 года 10 месяцев
Репутация: 220
Откуда: Liege, Belgium
Аудио система: Onkyo Integra M-506 / Technics sb -m1000/ Lynx D-78-Lynx P05 / Sony NW-WM1A /Koss Porta pro/ Zidoo Neo Alpha /Clone N-Core

Re: TPA3255 Stereo PurePath™ Ultra-HD. PFFB.

Сообщение Dysindich »

lgedmitry писал(а): 24 май 2023, 01:06
А мне думается - почти идеальное решение:
а) охлаждаем силовой чип через терможевачку об дно корпуса усилителя, подобрав высоту стоек, на которых плата крепится. Эффективность охлаждения получается вполне себе хорошая. Лучше, чем если небольшой радиаторчик на чип приделать.
Аналогичные мысли. Расположение чипа снизу - наилучшее, с точки зрения обеспечения эффективного отвода тепла, так как позволяет использовать радиатор , практически любой площади, не нарушая теплового режима других элементов, не расходуя полезного пространства платы, и способствует оптимизации трассировки цепей питания (расположения кондеек).
If you are a pilot, then you are already not shit!
Аватара пользователя
Justas*
Гуру электроники☆☆☆☆
Сообщения: 2320
Стаж: 4 года 2 месяца
Репутация: 1261
Откуда: Украина
Аудио система: viewtopic.php?p=17721#p17721

Re: TPA3255 Stereo PurePath™ Ultra-HD. PFFB.

Сообщение Justas* »

lgedmitry писал(а): 24 май 2023, 01:06 А мне думается - почти идеальное решение:
а) охлаждаем силовой чип через терможевачку об дно корпуса усилителя, подобрав высоту стоек, на которых плата крепится. Эффективность охлаждения получается вполне себе хорошая. Лучше, чем если небольшой радиаторчик на чип приделать.
Использовать дно корпуса в качестве радиатора, почти идеальное решение. Почти...
Терможвачка не идеал. Всё таки лучше термопаста и медная пластина, по высоте стоек.
Ну и гораздо эффективней не на дно, а на верхнюю крышку
https://www.aliexpress.com/item/1005004 ... OYPZvo9VvI
На нижней, вентотверстия.
lexey писал(а): 24 май 2023, 03:31 Электролиты да хотел как можно ближе к чипу, хотя на этой плате их 6ть и получается последние не так и близко расположены к чипу. По этому откажусь от концепции низкой платы и поставлю 4 больших.
Если не получается поставить выводы большой банки вплотную к чипу, есть такая хитрость.
Неросредственно возле чипа ставится мелкий по размеру конденсатор (330-680 мкФ),после него основные банки.
SergNova
Сообщения: 2
Стаж: 2 года 5 месяцев
Репутация: 0
Откуда: Киев
Аудио система: четыре полосы кх фильтр на ПК

Re: TPA3255 Stereo PurePath™ Ultra-HD. PFFB.

Сообщение SergNova »

Добрый день! тоже свою плату развел , довольно наворочено. но ставил индуктивности из распыленного железа материал 2 и потому маленький размер платы. а вы поставили большие на феррите. этот вариант лучше? если да то почему?
Аватара пользователя
lexey
Самоделкин
Сообщения: 273
Стаж: 4 года
Репутация: 221
Откуда: Усть-Каменогорск
Аудио система: :
ЦАП: SMSL SU-9 PRO es9039pro
Усилитель: 3_065р ULTRA
Акустика: Проект xrk971

Re: TPA3255 Stereo PurePath™ Ultra-HD. PFFB.

Сообщение lexey »

SergNova писал(а): 24 июн 2023, 17:22 Добрый день! тоже свою плату развел , довольно наворочено. но ставил индуктивности из распыленного железа материал 2 и потому маленький размер платы. а вы поставили большие на феррите. этот вариант лучше? если да то почему?
Здравствуйте!
Честно не знаю какой лучше. Ставил себе задачу собрать, включить. А потом уже проверять, замерять и экспериментировать. По этому применил ту индукцию что была на тот момент под рукой.
Также проверить серик что мне дал Юрий.
Всё заработало но мощности нет. На 40вт 4 Ом на два канала, усилитель выдаёт ошибку. Так же если нагрузить только один канал, усилитель выдаёт ошибку на 80вт.
Поставил стабилизаторы на ОУ, lm317 и lm337. И ещё один lm317 на питание gvdd и vdd. Не помогло.
Подключал другой модуль оу из чипдипа (RDC) тот что Сэр PJK в своей ветке про ТРА3255 дорабатывал . Мой тоже доработан. Не помогло.
Стал грешить на Сепик, вместо него подключил другой БП +-15в. Результат тот же.
Если решу эту проблему, можно будет поэкспериментировать с индукцией)
IMG_20230628_221259.jpg
Весь мир - Варкрафт, а ты в нём Мурлок.
Аватара пользователя
lexey
Самоделкин
Сообщения: 273
Стаж: 4 года
Репутация: 221
Откуда: Усть-Каменогорск
Аудио система: :
ЦАП: SMSL SU-9 PRO es9039pro
Усилитель: 3_065р ULTRA
Акустика: Проект xrk971

Re: TPA3255 Stereo PurePath™ Ultra-HD. PFFB.

Сообщение lexey »

Сколько я не бился с первым прототипом но проблему так и не смог найти. Думаю дело в плохой разводке платы.
Черной плате пора на покой, я позже вернусь к этому проекту. Уделю больше времени и сил.
1.jpg
Думал что не отмытый флюс под чипом как-то влияет на работу платы. Решил отмыть, купил ультразвуковую ванну и чистящее средство "SOLINS". Решил что более высокая температура и довольно продолжительная мойка даст наилучший эффект :D

https://youtube.com/shorts/WMZ_ID7FswE?feature=share

ps После такой мойки она даже запустилась :lol:
Весь мир - Варкрафт, а ты в нём Мурлок.
Аватара пользователя
lexey
Самоделкин
Сообщения: 273
Стаж: 4 года
Репутация: 221
Откуда: Усть-Каменогорск
Аудио система: :
ЦАП: SMSL SU-9 PRO es9039pro
Усилитель: 3_065р ULTRA
Акустика: Проект xrk971

Re: TPA3255 Stereo PurePath™ Ultra-HD. PFFB.

Сообщение lexey »

После неудачи решил развесть плату поменьше, с однополярным питанием оу. Так же в новой плате решил использовать индукцию поменьше.
На проект потратил гораздо больше времени и провел работу над ошибками проектирования. От концепции с нижним расположением чипа не отказался. Так же осталось на месте расположение индукции и емкостей по питанию. Такое расположение позволило мне расположить как можно больше дорожек на верхней части платы.
4.jpg
Совсем избежать разводки с нижней части платы не получилось, но на мой взгляд у меня получилось не плохо.
3.jpg
2.jpg
Весь мир - Варкрафт, а ты в нём Мурлок.
Аватара пользователя
lexey
Самоделкин
Сообщения: 273
Стаж: 4 года
Репутация: 221
Откуда: Усть-Каменогорск
Аудио система: :
ЦАП: SMSL SU-9 PRO es9039pro
Усилитель: 3_065р ULTRA
Акустика: Проект xrk971

Re: TPA3255 Stereo PurePath™ Ultra-HD. PFFB.

Сообщение lexey »

Деталей хватит на 4 платы, буду использовать две разных индуктивности и емкости по питанию.
Пайка смд деталей утомляет уже после первого собранного усилителя :)
6.jpg
5.jpg
В качестве оу выбрал ne5532. Я довольно много встречал отзывов что он неплохо "звучит" в усилителях на 3255. Можно конечно поставить что-то "крутое", но и цена полезет вверх если все ставить самое топовое.
Весь мир - Варкрафт, а ты в нём Мурлок.
Аватара пользователя
lexey
Самоделкин
Сообщения: 273
Стаж: 4 года
Репутация: 221
Откуда: Усть-Каменогорск
Аудио система: :
ЦАП: SMSL SU-9 PRO es9039pro
Усилитель: 3_065р ULTRA
Акустика: Проект xrk971

Re: TPA3255 Stereo PurePath™ Ultra-HD. PFFB.

Сообщение lexey »

Стал вопрос выбора понижающего DC DC преобразователя до 15 вольт. Нечего умнее не придумал и взял lm5007 за основу. На сайте TI есть что то на подобие онлайн калькулятора который и дал мне схему, набор компонентов и их номиналы для самостоятельной сборки преобразователя.
Надпись на пп не соответствует действительности)
Надпись на пп не соответствует действительности)
9.jpg
Весь мир - Варкрафт, а ты в нём Мурлок.
Аватара пользователя
lexey
Самоделкин
Сообщения: 273
Стаж: 4 года
Репутация: 221
Откуда: Усть-Каменогорск
Аудио система: :
ЦАП: SMSL SU-9 PRO es9039pro
Усилитель: 3_065р ULTRA
Акустика: Проект xrk971

Re: TPA3255 Stereo PurePath™ Ultra-HD. PFFB.

Сообщение lexey »

Для охлаждения чипа буду использовать две алюминиевые пластины толщиной 3мм. Одна маленькая переходная, в ней отверстия сквозные, без резьбы. Вторая основная с ушами для крепления к чему либо. На ней все отверстия с резьбой m3. Таким образом винты проходят насквозь маленькую пластину и вкручиваются в большую, тем самым зажимается маленькая пластина между чипом и основной пластиной.
1697201499529.jpg
1697204080808.jpg
Весь мир - Варкрафт, а ты в нём Мурлок.
Аватара пользователя
lexey
Самоделкин
Сообщения: 273
Стаж: 4 года
Репутация: 221
Откуда: Усть-Каменогорск
Аудио система: :
ЦАП: SMSL SU-9 PRO es9039pro
Усилитель: 3_065р ULTRA
Акустика: Проект xrk971

Re: TPA3255 Stereo PurePath™ Ultra-HD. PFFB.

Сообщение lexey »

И вот усилитель собран.
1697201426760.jpg
1697204140233.jpg
Нужно не забыть развернуть dc dc конвертор, а то он выходит за пределы платы своим дросселем.
Нужно не забыть развернуть dc dc конвертор, а то он выходит за пределы платы своим дросселем.
Весь мир - Варкрафт, а ты в нём Мурлок.
Аватара пользователя
lexey
Самоделкин
Сообщения: 273
Стаж: 4 года
Репутация: 221
Откуда: Усть-Каменогорск
Аудио система: :
ЦАП: SMSL SU-9 PRO es9039pro
Усилитель: 3_065р ULTRA
Акустика: Проект xrk971

Re: TPA3255 Stereo PurePath™ Ultra-HD. PFFB.

Сообщение lexey »

Замер мощности.
БП ЕРР-500-48
1 Килогерц
нагрузка 4 Ом

До искажения синусойды получилось снять 220ватт х2
1697201862342.jpg
Максимально что у меня получилось в таких условиях это 251ватт х2
1697201993502.jpg
Других замеров не делал, пока не умею. Возможно получится кому ни будь поопытнее отправить на тест.
Весь мир - Варкрафт, а ты в нём Мурлок.
Sid
Постоянный житель
Сообщения: 370
Стаж: 4 года 6 месяцев
Репутация: 121
Откуда: Украина
Аудио система: JLH1969, ELAC BS 192, Fostex FE126EN

Re: TPA3255 Stereo PurePath™ Ultra-HD. PFFB.

Сообщение Sid »

Прошу прощения за оффтоп: "всегда хотел знать, но боялся спросить". Толщина медной подложки и ток. Исходя из народного правила "1 кв.мм - 10 Ампер", получается, что для нормального пропускания тока DC, например, в 5 Ампер, при стандартной толщине медного слоя в 0,035 мм, ширина силовой дорожки должна составлять 14,2 мм. Понятно, что ещё и длина важна, но, тем не менее, такая ширина силовых дорожек практически не встречается: 4,5,6 мм, но никак не 14,2 мм. В чём здесь дело?
Ответить

Вернуться в «Аудио усилители»