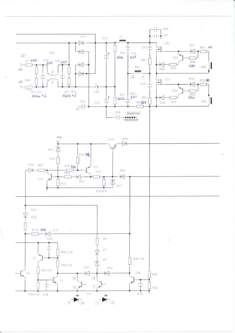
День добрый! Данный блок питания, при включении в розетку не запускается. Дежурка в норме. С25 220мкф 50в Я его менял. Там пара транзисторов Т14 и Т7 И пара резисторов по 2.2МОм Делают как раз 24 вольта из 300 со входа. А этот кондер эту "дежурку" стабилизирует. Думал дежурка не стабильна.
Странная особенность - Тыкаю щупами в Транзистор T11 и блок питания запускается. Все напряжения выдаёт. Значит микросхема TL494 исправна. Транзистор этот менял, не помогло. Даже резистор, как костыль припаивал, не помогло. Кто-то может такой блок чинил?
Темы в форуме
Новые сообщения
-
04-дек Использование шаговых двигателей в аудиоустройствах
-
28-ноя Портативная зарядная станция BLUETTI EB3A
-
27-ноя Резервное питание квартиры от Alex
-
28-авг Есть ли в этом "наборе" полезные для звука конденсаторы?
-
30-июн FNIRSI DPS-150 – Мини Лабораторный Блок Питания на 30V 5A
-
29-июн Паяльник мечта радиолюбителя FNIRSI DWS-200
-
26-июн Amazon удалил все мои книги с kindle 10
-
05-июн 74LVC
-
20-май Блок питания для аудио L_SMPS 200_32SR от Sous
-
09-май Резонансные блоки питания \LLC\
-
23-апр Детали для нашего хобби
-
15-апр USB 2.0 изолятор ADuM3165
-
04-мар Ламповый усилитель Class A, для наушников
-
21-фев Очки для пайки всякой мелочи
-
20-фев Как отличить настоящие транзисторы от поддельных?
Новые темы
-
10-окт конденсаторы для лампового усилителя
-
05-сен Использование шаговых двигателей в аудиоустройствах
-
27-авг Есть ли в этом "наборе" полезные для звука конденсаторы?
-
18-июн Amazon удалил все мои книги с kindle 10
-
01-июн 74LVC
-
30-апр Резервное питание квартиры от Alex
-
19-мар USB 2.0 изолятор ADuM3165
-
02-мар PP на EL34 супертріод
-
18-фев Блок питания для аудио L_SMPS 200_32SR от Sous
-
03-дек Вопросы по ТВЗ 60 ВТ EI96 * 45
-
04-ноя Підібрати аналог транзистору
-
30-окт FNIRSI DPS-150 – Мини Лабораторный Блок Питания на 30V 5A
-
11-сен Японский трансформатор Toyozumi SD21-015KB
-
05-сен Как снять лоток CD?
-
03-сен QUAD 405 Klone - постоянка на выходе
Youtube
TikTok
Инстаграм
☝ Спонсировать
Правила форума
Блок пинания Hypex 400A180 нужен совет по ремонту.
Модератор: LinuxManiac
-
Magnus
- Постоянный житель
- Сообщения: 273
- Стаж: 2 года 5 месяцев
- Репутация: 69
- Откуда: Урал
- Аудио система: Denon avr x3400, Focal chorus 826V, MS Sound Purifi 3.065
Re: Блок пинания Hypex 400A180 нужен совет по ремонту.
Отвечу сам же. Сменил C25. Оказалось не хватало стабильности из-за него. Слегка подрос esr и этого хватало, чтобы БП не стартовал. Я 2 месяца с ним бился. Менял мелкие транзисторы, а помог один латинос в Ютюб.
-
Sous
- Разработчик
- Сообщения: 1411
- Стаж: 5 лет 4 месяца
- Репутация: 1232
- Откуда: Ивано-Франковск
- Аудио система: DX3pro
Focal horus716
S_Audio stereo AMP 2_061
Re: Блок пинания Hypex 400A180 нужен совет по ремонту.
приколько.
такие неисправности фиг найдешь.
такие неисправности фиг найдешь.