Темы в форуме

      Youtube        TikTok       Инстаграм     ☝ Спонсировать           Правила форума   




странный кроссовер

Материалы, технологии, навыки.

Модератор: LinuxManiac

Ответить
Аватара пользователя
barinov2000
Пользователь
Сообщения: 41
Стаж: 1 год 11 месяцев
Репутация: 13
Откуда: Австралия
Аудио система: Marantz PM6005 усилитель
Полочники JVC Wood Cone от старого мини, напольники Mirage Omni 350
DAC iBasso DC03 (в паре с ноутбуком на Linux и macOS или мобильным)
Yamaha KX-W232 двухкассетник (ностальгический)
Наушники AKG K-92
Стриминг: Qobuz

странный кроссовер

Сообщение barinov2000 »

Привет
У меня два динамика центральных 8ом 100Вт,  которые я использую как стерео пару.
С большинством усилителей играют, а на Technics SU-X120 при включении просто гудят громко, как при перегрузке микрофона. :o

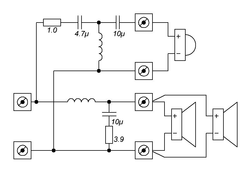
Вот такой у них интересный кроссовер. На дросселях и вуферах не указан параметр к сожалению.


Можно как-to это вылечить?
Спасибо

П.С. Плюс на других усилках 100Гц выпирает, и дело не в помещении. :roll:

Не знаю, как удалить сообщение.
Наверное просто продам их.
Извините за напрасное беспокойство.
Вложения
crss.jpg
crss.jpg (34.47 КБ) 9418 просмотров
2024-02-11 17.26.54.jpg
2024-02-11 17.26.37.jpg
Последний раз редактировалось barinov2000 11 фев 2024, 11:45, всего редактировалось 2 раза.
Аватара пользователя
barinov2000
Пользователь
Сообщения: 41
Стаж: 1 год 11 месяцев
Репутация: 13
Откуда: Австралия
Аудио система: Marantz PM6005 усилитель
Полочники JVC Wood Cone от старого мини, напольники Mirage Omni 350
DAC iBasso DC03 (в паре с ноутбуком на Linux и macOS или мобильным)
Yamaha KX-W232 двухкассетник (ностальгический)
Наушники AKG K-92
Стриминг: Qobuz

Re: странный кроссовер

Сообщение barinov2000 »

еще одно фото
Вложения
2024-02-11 17.26.42.jpg
mr. Dream
Гуру электроники☆☆☆☆
Сообщения: 133
Стаж: 3 года 2 месяца
Репутация: 108
Откуда: Ternopil
Аудио система: Class D amplifier / own development

Re: странный кроссовер

Сообщение mr. Dream »

Якось дивно ви змалювали схему :) Не може ВЧ йти послідовно через дросель, а НЧ через конденсатор 10мкФ
Аватара пользователя
Igorvolikov
Постоянный житель
Сообщения: 256
Стаж: 3 года 3 месяца
Репутация: 86
Откуда: Киев
Аудио система: Thorens TD 321 + SME Series 3 + Shure V15 IV + Jico SAS b + Kora 3T + Dual ES9038 + Audiolab 8000P + Canton Ergo 670 DC

Re: странный кроссовер

Сообщение Igorvolikov »

У вас в схеме ошибка.

Там на мидбасы 1-й порядок + цобель.
На ВЧ - третий.

Стандартный кроссовер. Ничего необычного.
Аватара пользователя
Justas*
Гуру электроники☆☆☆☆
Сообщения: 2318
Стаж: 4 года 2 месяца
Репутация: 1260
Откуда: Украина
Аудио система: viewtopic.php?p=17721#p17721

Re: странный кроссовер

Сообщение Justas* »

Действительно, ничего странного нет.
На ВЧ всё правильно, на НЧ исправил
схема.jpg
схема.jpg (35.99 КБ) 9332 просмотра
Вот так более удобоваримо
Схема_2.JPG
Нормальный кросс, если сравнивать с теми где одна деталь - конденсатор на ВЧ
И хулители катушек на железе вкупе с электролитами, не обижены :D
Аватара пользователя
barinov2000
Пользователь
Сообщения: 41
Стаж: 1 год 11 месяцев
Репутация: 13
Откуда: Австралия
Аудио система: Marantz PM6005 усилитель
Полочники JVC Wood Cone от старого мини, напольники Mirage Omni 350
DAC iBasso DC03 (в паре с ноутбуком на Linux и macOS или мобильным)
Yamaha KX-W232 двухкассетник (ностальгический)
Наушники AKG K-92
Стриминг: Qobuz

Re: странный кроссовер

Сообщение barinov2000 »

Спасибо всем за ответы, и что поправили мои ошибки. Да, действительно, все на месте :)
Ответить

Вернуться в «Мастерская»