Темы в форуме
Новые сообщения
-
22-янв Класс D унизил АВ и лампы!
-
18-янв Как прогресс продавливает аудиофилов
-
15-янв Буфер на лампах от LinuxManiac
-
15-янв Какой класс усилителя вы предпочитаете? (голосование)
-
31-дек В каком качестве вы предпочитаете слушать музыку?
-
26-дек Hi-res звук на YouTube каков реальный битрейт
-
26-дек Kef LS60 vs Kef r5 meta
-
12-дек Мой путь в аудио
-
07-дек Покажи свою аудиосистему!
-
20-ноя На какой громкости слушать музыку правильно?
Новые темы
-
25-дек Kef LS60 vs Kef r5 meta
-
11-дек Мой путь в аудио
-
09-дек Какой класс усилителя вы предпочитаете? (голосование)
-
24-ноя Hi-res звук на YouTube каков реальный битрейт
-
19-ноя Выболр цапа бу 20-30к
-
04-ноя Класс D унизил АВ и лампы!
-
03-ноя Испортился 3.5 джек выход на пк за ночь с усилком.
-
19-окт Выбор усилителя и напольных колонок
-
30-авг На какой громкости слушать музыку правильно?
-
08-июн ЦАПи і підсилювачі з низькими спотвореннями <-80 dB не мають сен...
DAC на TDA1541A
Модератор: LinuxManiac
-
ivan2024
- Пользователь
- Сообщения: 11
- Стаж: 2 года
- Репутация: 0
- Откуда: Новокузнецк
- Аудио система: TDA1541A -> TPA3116 D2 (DC24V) & NAD D 3020 -> Crysler Living Audio Ce2-aIII, Technics Speaker System SC-1550N
Re: DAC на TDA1541A
Решил ничего никуда не подавать ни на какой MUTE, просто поставил после всего этого дела предварительный усилитель (купил собранную плату на BM2118 (вот эту: https://masterkit.ru/shop/1334378 ), запитал от 6В её). Работает. Но шумит как не в себя между треками (т.е. в паузах), также какие-то проблемы при поднятии громкости (какие-то помехи на СЧ пролезают иногда). Схема полная есть, я не в курсе, как вставлять её в сообщения, чтобы потом разглядеть хоть что-нибудь можно было (она огромная просто, на рисунке только самый конец её виден (это плата модуля DAC усилителя Philips DFA-888)). Заказал ещё несколько ОУ с Алика (может, они шуметь меньше будут и помехи на СЧ-ВЧ исчезнут). В общем, спасибо за советы, буду дальше возиться. Раньше сигнал с платы DAC шёл в усилитель, но он поломался. Думаю, можно удалить весь этот флуд, если он не относится к обсуждаемому в теме ЦАП (просто не знал, куда написать (месяц целый без музыки просидел почти, пока разобрался, куда чего там подключить, чтоб запело)). Сейчас не особо фонтан, конечно (шумит очень в паузах и громкость не поднять), но хоть на средней громкости можно послушать.
- lgedmitry
- Гуру электроники☆☆☆☆
- Сообщения: 1605
- Стаж: 6 лет 6 месяцев
- Репутация: 281
- Откуда: Рыбинск
- Аудио система: .
Re: DAC на TDA1541A
Мне думается, чтобы слушать шумы ОУ, надо его заставить работать с очень слабыми сигналами. В ЦАПе таких сигналов вроде б и нет. Значит, шумы у Вас не от самого ОУ исходят, и заменой оного не излечатся.
ЗЫ. А вообще, ретро-ЦАП - это очень приятная вещь. Не знаю, как ваш 1541, у меня на АД1865 сделано. Очень даже душевно играет. Если кому плата нужна - могу поделиться. Только там MAXii шить надо
ЗЫ. А вообще, ретро-ЦАП - это очень приятная вещь. Не знаю, как ваш 1541, у меня на АД1865 сделано. Очень даже душевно играет. Если кому плата нужна - могу поделиться. Только там MAXii шить надо
Аудиофил
-
ivan2024
- Пользователь
- Сообщения: 11
- Стаж: 2 года
- Репутация: 0
- Откуда: Новокузнецк
- Аудио система: TDA1541A -> TPA3116 D2 (DC24V) & NAD D 3020 -> Crysler Living Audio Ce2-aIII, Technics Speaker System SC-1550N
Re: DAC на TDA1541A
Играет замечательно (это я ещё 13 лет назад оценил (правда, тогда с двумя коронами слушал, а этот обычный, безгрейдовый)). А с этим новым предом играет просто на порядок лучше, чем с его "родным" ОУ 2068DD (и каскадом транзисторов после), если 24 Вольта хорошо стабилизированных скормить ему (а вот если поменьше подать, то играет... как консервная банка (режет третью справа октаву на фортепиано (Legato Link какой-то напоминает), а вместо баса -- бубнёж неразборчивый).lgedmitry писал(а): 02 апр 2024, 17:33 ЗЫ. А вообще, ретро-ЦАП - это очень приятная вещь. Не знаю, как ваш 1541, у меня на АД1865 сделано. Очень даже душевно играет.
Шумы да, исходят от усилителя TPA3116 (нечем его заменить, сколько раз уже пробовал (видать, мои древнющие колонки -- слишком уж сложная НЧ-нагрузка для современных усилков, какой ни поставишь -- хрень вместо баса какая-то (хоть за $1000, хоть за не знаю даже, в чём проблема (может, катушка гигантская их сбивает всех с толку, но результат просто ужас -- тухляк, а не звук, не могут они контролировать басовик этот адовый))). Если кто знает, как TPA3116 от шумов можно вылечить, не задев ничего остального -- напишите в ЛС, был очень признателен. А ещё шумы исходят вот от этой штуковины, видимо: https://aliexpress.ru/item/400003658939 ... 678bhVfOCN . Это делитель аудиосигнала ("аудиодистрибьютор"). Вынужден его использовать для организации биампинга, т.к. на этот TPA3116 нельзя просто параллельно отправить с AUX`a сигнал (он вырубается сразу). Там внутри кроме конденсаторов и внешнего питания 9В нет ничего, но шумит даже на холостом ходу так, что мама не горюй. Не знаю, как это лечить. Когда сигнал есть, то не слышно. Но в паузах из рупора ад просто исходит (т.к. пока тоже висит на этом же TPA3116 (я ему ещё весь кроссовер перелопатил, половину запчастей повыкинул нафиг оттуда (звук стал на голову лучше (но шум тоже... на голову примерно (но оно того стоило -- японцы явно при финальной сборке Crysler CE-2aIII экспортной версии (которая без триампинга) принесли в жертву звук, чтобы добиться суперровнющей АЧХ (сейчас небо и земля прям по сравненью с тем, что было с завода (я ещё пищалку ленточную вместо ихней родной поставил, которая постоянно мимо кассы работала, хоть закрути ей все потенциометры во все стороны -- вечно на своей волне постоянно)))))).
Готовое изделие уже в смысле плата? Или травлёный голый текстолит?lgedmitry писал(а): 02 апр 2024, 17:33 Если кому плата нужна - могу поделиться. Только там MAXii шить надо
- lgedmitry
- Гуру электроники☆☆☆☆
- Сообщения: 1605
- Стаж: 6 лет 6 месяцев
- Репутация: 281
- Откуда: Рыбинск
- Аудио система: .
Re: DAC на TDA1541A
травлёный текстолит. Не голый, под красной паяльной маскойivan2024 писал(а): 03 апр 2024, 23:28
Готовое изделие уже в смысле плата? Или травлёный голый текстолит?
Китайцы ж по одной плате не делают, вот у меня и осталось их. Отдам забесплатно, только пересылку оплатите
Аудиофил
-
ivan2024
- Пользователь
- Сообщения: 11
- Стаж: 2 года
- Репутация: 0
- Откуда: Новокузнецк
- Аудио система: TDA1541A -> TPA3116 D2 (DC24V) & NAD D 3020 -> Crysler Living Audio Ce2-aIII, Technics Speaker System SC-1550N
Re: DAC на TDA1541A
Блин. Как говорится, невероятно, но факт: шумит таки операционник. Поставил просто вместо LM324M ради эксперимента сегодня другой ОУ на XR1075 (вот этот: https://masterkit.ru/shop/2537353 ) . Звук просто отвратительный (странные НЧ, странные СЧ-ВЧ (не знаю, че там не так с ними, просто ненастоящие)), однако... шум исчез СОВСЕМ (то есть прямо ПОЛНОСТЬЮ)! Уж пробовал заземлять LM324M. Ничего не помогает от шумов. Если ладонь к нему подносишь, то уже с сантиметров 10-ти шум увеличивается (особенно если к потенциометру палец приближать). Что делать, не знаю, в общем.lgedmitry писал(а): 02 апр 2024, 17:33 Мне думается, чтобы слушать шумы ОУ, надо его заставить работать с очень слабыми сигналами. В ЦАПе таких сигналов вроде б и нет. Значит, шумы у Вас не от самого ОУ исходят, и заменой оного не излечатся.
-
ivan2024
- Пользователь
- Сообщения: 11
- Стаж: 2 года
- Репутация: 0
- Откуда: Новокузнецк
- Аудио система: TDA1541A -> TPA3116 D2 (DC24V) & NAD D 3020 -> Crysler Living Audio Ce2-aIII, Technics Speaker System SC-1550N
Re: DAC на TDA1541A
Всё. Вроде решил проблему. Оказывается, сам этот потенциометр, который на плате ОУ расположен (корпус его в смысле), тоже землить отдельно надо (собственно, он и так землится автоматически, когда гайкой за него прикручиваешь плату к корпусу, но тем не менее (для моих хилых мозгов это реально была просто таки сверхзадача)). Божественная ТИШИНА прям (даже уже не верится, блин)))).
-
ivan2024
- Пользователь
- Сообщения: 11
- Стаж: 2 года
- Репутация: 0
- Откуда: Новокузнецк
- Аудио система: TDA1541A -> TPA3116 D2 (DC24V) & NAD D 3020 -> Crysler Living Audio Ce2-aIII, Technics Speaker System SC-1550N
Re: DAC на TDA1541A
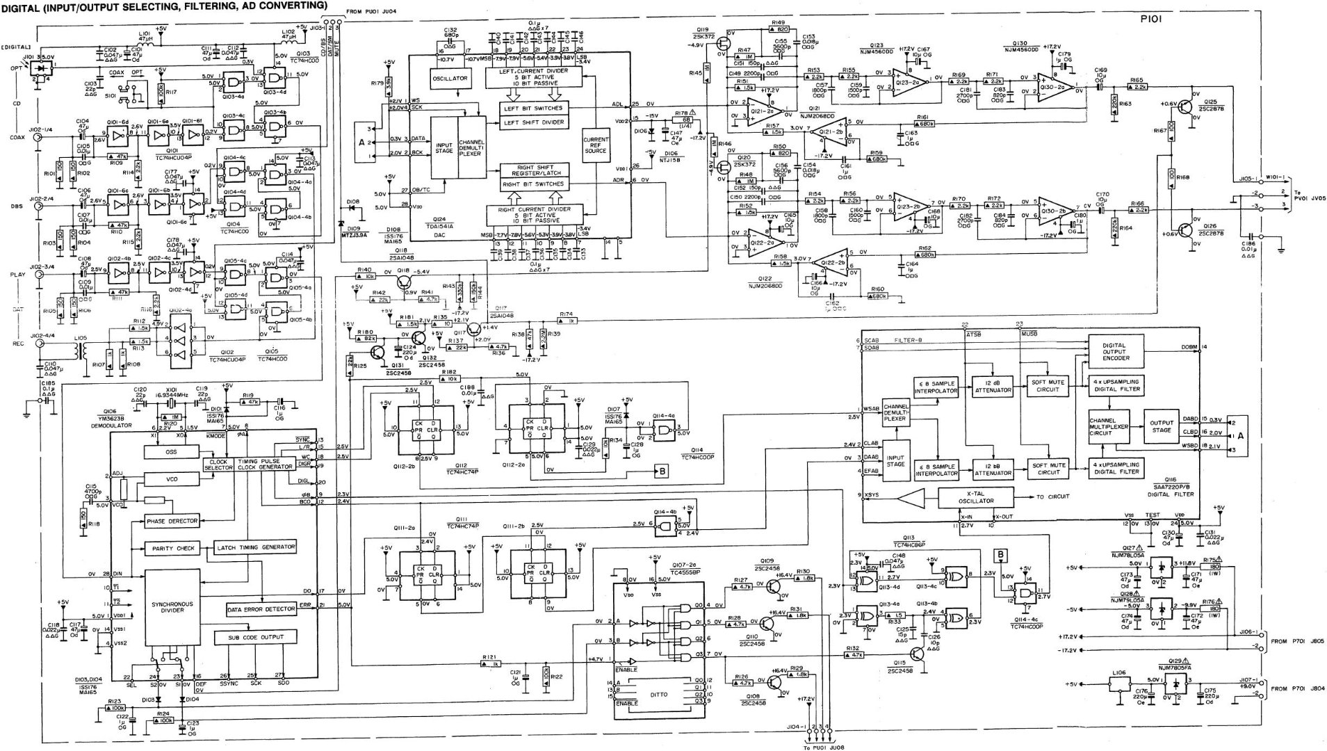
Блин. Проблема с MUTE (точнее, с тем, что туда подавать) всё же, похоже, таки имеет место быть. Сидел ночью слушал музыку, заметил, что начал по-тихой вздуваться кондёр платы блока питания, который раздаёт питания (не только на плату DAC, а ещё на штук 10 плат дополнительно). И из него стал вытекать электролит. Удалил. Произошли интересные вещи: значения напряжений, которые в плату ЦАП заходят, стали именно теми, что на схеме нарисованы (до этого (т.е. когда всё пело и плясало даже с отсоединённым MUTE), значение 9В было не 9В, как на схеме указано, а выше (сколько именно, я не помню))). Этот MUTE идёт с платы процессора LC6554H, я не малейшего представления не имею, как он запрограммирован (в смысле, что можно с ним сделать, чтобы он подавал то, что нужно). Проверять методом "научного тыка", сколько вольт на MUTE подать (+6В, -6В?), как-то страшно без точного уточнения, не вызовет ли это повреждения платы, на которой расположен ЦАП. Попробовал сейчас загрузить схему платы ЦАП целиком. Вроде бы, загрузилась с достаточным качеством, чтобы можно было разглядеть, что нарисовано.
Есть вариант получше (перерисовывал для себя, чтобы разобраться), но на нём буквы не видать, если сюда загружаю.
В общем, опять сижу без музыки нормальной. Слушаю опять временно TDA1543 NOS. Пальто, конечно, не то, что эта TDA1541A (если кратко... все как будто расслабились и халтурят (и барабанщики, и басисты (и вокал "механический" малость какой-то местами))). Не так, чтоб прямо криминал, но... 1541A Филипс гораздо веселей. Гораздо.
В общем, помогите таки разобраться мне с этим MUTE, кто хорошо разбирается в схемотехнике. Что ему, блин, скормить, чтоб не убить плату DAC гарантированно.
В общем, помогите таки разобраться мне с этим MUTE, кто хорошо разбирается в схемотехнике. Что ему, блин, скормить, чтоб не убить плату DAC гарантированно.
-
ivan2024
- Пользователь
- Сообщения: 11
- Стаж: 2 года
- Репутация: 0
- Откуда: Новокузнецк
- Аудио система: TDA1541A -> TPA3116 D2 (DC24V) & NAD D 3020 -> Crysler Living Audio Ce2-aIII, Technics Speaker System SC-1550N
Re: DAC на TDA1541A
Блин... Тут такое дело... Даже не знаю, как сказать... TDA1543 NOS... Короче, я бы затруднился сказать, что всё-таки играет лучше, этот Филипс (в смысле этот модуль DAC его на TDA1541A) или вот этот голый NOS TDA1543x4 (ничего почти нет на плате, один голый кристалл же и пара конденсаторов (с резисторами)):
Абсолютно другой звук. Просто ничего общего, блин. Я б не сказал бы, что он хуже. Но и чтоб лучше не сказал. Просто небо и земля прям. Не так уж много вещей у меня есть в коллекции, где этот 41A однозначно одержит прям абсолютную победу над TDA1543. Там, где драйва надо столько, что кашу маслом не испортишь, как говорится. Где он (и что ли "масштабность" (или как там это всё называется)) заходит лучше, чем всё остальное. Вот, например: https://www.youtube.com/watch?v=tN072UZsP1s . Он как будто красит звук чутка что ли всё-таки, 41-ый этот (бас как будто как ножом срезает, например, вот здесь: https://www.youtube.com/watch?v=JaAWdljhD5o . Просто делает это адски красиво. Залипательно получается. Это так фильтры работают что ль цифровые? К очень многим мелким деталюшкам даже эта хреновина на TDA1543 за $25 долларов (с пересылом с Китая), чувствуется, что как будто относится много бережнее (и у неё звук весь такой... "душевненький" прямо чутка, расслабляющий (что ни скорми ей, без разницы)).
Придётся, видимо, 2 ЦАПа оставлять себе всё-таки.
Придётся, видимо, 2 ЦАПа оставлять себе всё-таки.
-
ivan2024
- Пользователь
- Сообщения: 11
- Стаж: 2 года
- Репутация: 0
- Откуда: Новокузнецк
- Аудио система: TDA1541A -> TPA3116 D2 (DC24V) & NAD D 3020 -> Crysler Living Audio Ce2-aIII, Technics Speaker System SC-1550N
Re: DAC на TDA1541A
починил
-
Noctis
- Почетный пользователь
- Сообщения: 115
- Стаж: 2 года 7 месяцев
- Репутация: 21
- Откуда: VRN
- Аудио система: Много всего
Re: DAC на TDA1541A
Ничего хорошего в чипах филипса нет. Даташит это подтверждает. Окрас в звучании присутствует (ну это на любителя). За последние пару лет у меня перебывало куча цапов дома и удавалось послушать в др местах интересующие меня аппараты. Вчера запустил легендарные PCM1702, есть аппарат на 63 чипах, на AD1862 которые считаются лучшими в мире аудио. 1543 еще кое как играет, а 41 - вообще муть, а денег за них хотят просто нереально. Я расцениваю их как паршивые мультибиты. У них даже 16бит настоящих нет, о чем тут можно говорить? Нормальные современные - резистивные сборки на R-2R матрице (есть фирмы разные) ну или самому собрать что то из вышеперечисленного если мультибит хочется или купить что то из эпохи 90х (были достойные аппараты). Мне Сабра еще нравится, но ее нужно уметь "готовить" иначе она дико ярчит и слушать сложно - быстро устаешь. Кто говорит что TDA круто, тот просто ничего лучше не слышал!
-
ms142
- Постоянный житель
- Сообщения: 395
- Стаж: 5 лет 1 месяц
- Репутация: 74
- Откуда: Киев
- Аудио система: ONKEN на триаксиалах LAFAYETTE 99-0020W
клон NCore v3 + предварь (diy)
Wadia 121 + ЛБП
Eweat D20
Popcorn C200 + SL + ЛБП
Re: DAC на TDA1541A
Сказал - как отрезал.
Ну ясное дело, зачем верить своим ушам, если есть даташит?Даташит это подтверждает.
1543-е гавно оказывается как-то играет?1543 еще кое как играет, а 41 - вообще муть,
А может кто-то не умеет готовить 1541?Кто говорит что TDA круто, тот просто ничего лучше не слышал!
Тот факт, что на сегодняшний день есть (создано) много хороших мультибитов (и не только) нисколько не умаляет достоинств революционного для своего времени 1541 (и, кстати, 1540
- PJK
- Друзья v-mire.net
- Сообщения: 784
- Стаж: 4 года 9 месяцев
- Репутация: 317
- Откуда: Earth
- Аудио система: Патефон
Re: DAC на TDA1541A
В таких "заключениях" много пустословия. А на вкус и цвет - все фломастеры разные.Noctis писал(а): 23 апр 2024, 23:57 Ничего хорошего в чипах филипса нет. Даташит это подтверждает. Окрас в звучании присутствует (ну это на любителя). За последние пару лет у меня перебывало куча цапов дома и удавалось послушать в др местах интересующие меня аппараты. Вчера запустил легендарные PCM1702, есть аппарат на 63 чипах, на AD1862 которые считаются лучшими в мире аудио. 1543 еще кое как играет, а 41 - вообще муть, а денег за них хотят просто нереально. Я расцениваю их как паршивые мультибиты. У них даже 16бит настоящих нет, о чем тут можно говорить? Нормальные современные - резистивные сборки на R-2R матрице (есть фирмы разные) ну или самому собрать что то из вышеперечисленного если мультибит хочется или купить что то из эпохи 90х (были достойные аппараты). Мне Сабра еще нравится, но ее нужно уметь "готовить" иначе она дико ярчит и слушать сложно - быстро устаешь. Кто говорит что TDA круто, тот просто ничего лучше не слышал!
-
Noctis
- Почетный пользователь
- Сообщения: 115
- Стаж: 2 года 7 месяцев
- Репутация: 21
- Откуда: VRN
- Аудио система: Много всего
Re: DAC на TDA1541A
Да, я слушал 1543 в Мск с ламповым питанием и выхлопом. Играло довольно таки приятно по меломански. У меня другие ценности в звуке.ms142 писал(а): 24 апр 2024, 08:391543-е гавно оказывается как-то играет?1543 еще кое как играет, а 41 - вообще муть,
Тот факт, что на сегодняшний день есть (создано) много хороших мультибитов (и не только) нисколько не умаляет достоинств революционного для своего времени 1541 (и, кстати, 1540). При правильной реализации этот ЦАП находит очень много своих поклонников.
Люди давно насоздавали себе выдуманных кумиров и живут в сереотипах по сей день. Скажем так для нетребовательного пользователя - пойдет. Высокой достоверности с этих микрух все равно не получить, ну а меломанство мне как то неинтересно.