Темы в форуме

Резонансные блоки питания \LLC\

Все об электронной технике и радиодеталях

Модератор: LinuxManiac

mezo
Сообщения: 3
Стаж: 1 год 7 месяцев
Репутация: 1
Откуда: Пятигорск
Аудио система: Усилитель CREEK A52 реплика, Rod Red Audio двойной моно на МА12070, акустика на последовательных фильтрах ВВК musician F2.
DAC Meichin Audio \индивидуальный проект от китайского аудио разработчика\

Резонансные блоки питания \LLC\

Сообщение mezo »

Тема данных блоков питания не нова и вносить, что то новое в данной тематике нет смысла! Но! Извечный вопрос, где найти хороший блок питания для усилителя, с минимальным шумом...
Вот здесь и многие разработчики впадают в ступор. На самом деле, те кто хоть раз слушал резонансный блок питания в связке с усилителем звуковой частоты весьма удивлены и достойно описывают влияние LLC блоков питания на звук.
Но вот ведь вопрос, где купить LLC блок питания. К сожалению мы всегда узко мыслим и смотрим и не видим под ногами, то что уже давно применяется только в другой области радиоэлектроники)).
Блок питания с LED телевизоров FSP205-3E01 прошу любить и жаловать. И им подобный, легко находится по очень специфичной форме катушки силового транса -с разделенными обмотками как на фото.
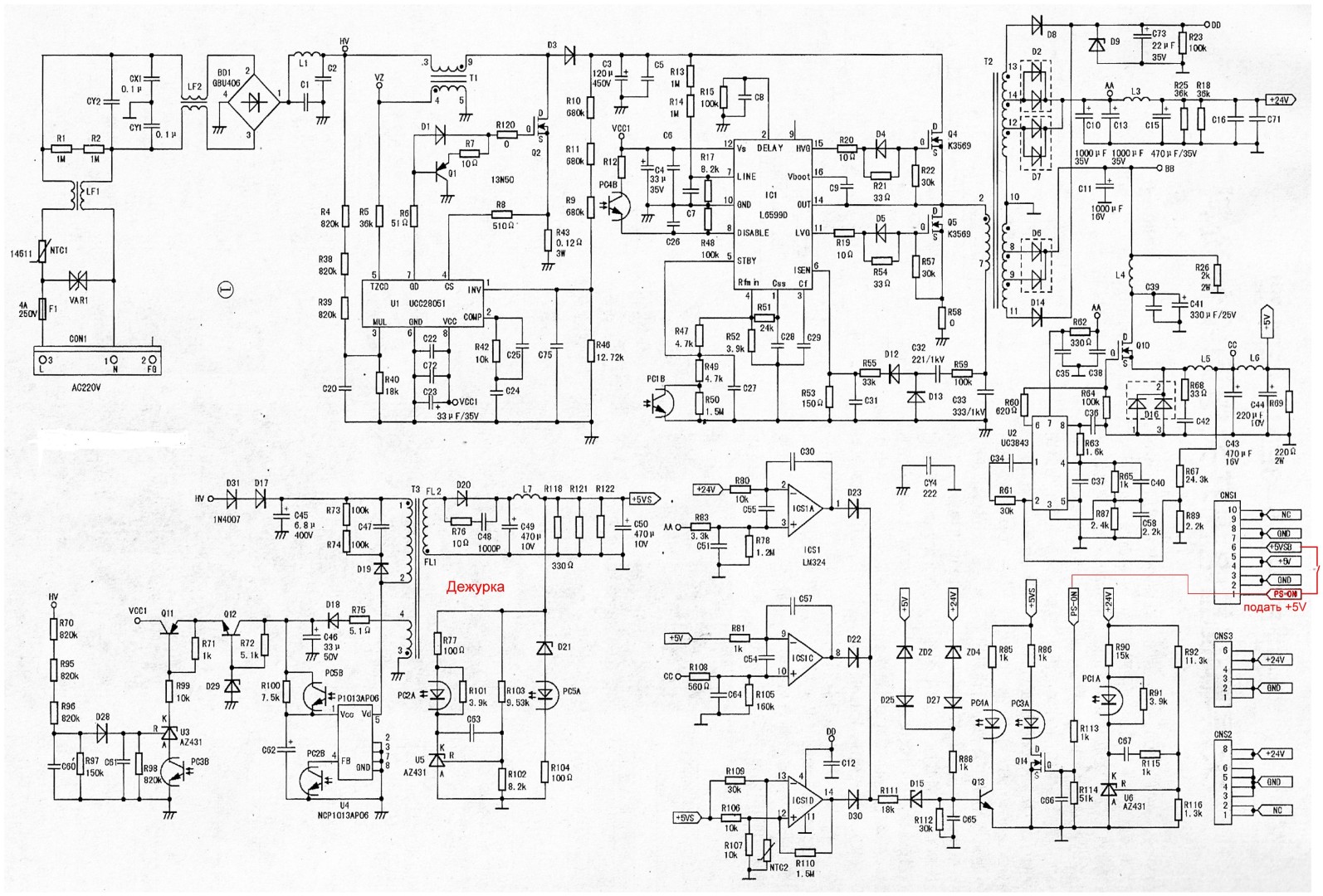
Схема блока питания и дистанционного включения.
Итак показываю путь куда смотреть и где брать LLC блоки питания причем по настолько смешной цене, что ни кто ни когда это не подозревал 15 юаней.
Это б\у блоки питания, я их покупаю на таобао, именно по этой цене, даже меньше, иногда есть вздутые кондеры, которые просто меняю на новые, блоки все приходят кондиционными-в рабочем состоянии. Имеется адская защита от КЗ,
Стандартно для нужд используется 24В 6А, поднимаю вольтаж до 27В. Данные блоки использую в лабораторном блоке питания работают успешно уже эдак лет 5 ,а то и поболее. Шумы настолько маленькие, что говорить о них смысла нет.
Полагаю подобные блоки питания можно найти в радиомастерских по ремонту LED телеков. Не стоит искать точно такие блоки, ищите налоги по форме транса.
Я пробовал данный LLC блок питания для питания усилителя на МА12070 результаты впечатляющие....
Какой минус у данного LLC блока питания -это размеры...слегка большие, но если встраивать в стандартный корпус усилителя AB класса, то две платы легко встраиваются.
Нагрева как такового можно сказать - нет!
Для DIY разработчиков это один из самых удачных блоков питания.
Всем удачи!
Вложения
аналогичный блок питания MEGMEET MLT199FL-J REV:1.1​​​​​​​
аналогичный блок питания MEGMEET MLT199FL-J REV:1.1​​​​​​​
стоимость на таобао
стоимость на таобао
фото блока питания и разделенных обмоток транса
фото блока питания и разделенных обмоток транса
Буфер обмена01.jpg (21.19 КБ) 13478 просмотров
mezo
Сообщения: 3
Стаж: 1 год 7 месяцев
Репутация: 1
Откуда: Пятигорск
Аудио система: Усилитель CREEK A52 реплика, Rod Red Audio двойной моно на МА12070, акустика на последовательных фильтрах ВВК musician F2.
DAC Meichin Audio \индивидуальный проект от китайского аудио разработчика\

Re: Резонансные блоки питания \LLC\

Сообщение mezo »

схема запуска
Вложения
схема запуска.JPG
Аватара пользователя
Dj Maxim Slim
Почетный пользователь
Сообщения: 187
Стаж: 4 года 2 месяца
Репутация: 46
Откуда: Харьков
Аудио система: Студийные мониторы

Re: Резонансные блоки питания \LLC\

Сообщение Dj Maxim Slim »

Лучше дай герберфайл.
mezo
Сообщения: 3
Стаж: 1 год 7 месяцев
Репутация: 1
Откуда: Пятигорск
Аудио система: Усилитель CREEK A52 реплика, Rod Red Audio двойной моно на МА12070, акустика на последовательных фильтрах ВВК musician F2.
DAC Meichin Audio \индивидуальный проект от китайского аудио разработчика\

Re: Резонансные блоки питания \LLC\

Сообщение mezo »

Dj Maxim Slim писал(а): 06 июл 2024, 20:12 Лучше дай герберфайл.
Это готовый китайский блок LLC, я их не произвожу....с этим вопросом следует к китайским производителям обращаться.
Аватара пользователя
emon
Почетный пользователь
Сообщения: 170
Стаж: 4 года 8 месяцев
Репутация: 70
Откуда: Irpin
Аудио система: DSC 2.6 + DSD'it + Lundahl LL1527XL
KT77 Gold Lion + Mullard ECF80 + Lundahl LL1663
Акустика Heco Celan Revolution 3 Espresso Veneer, sony ss-f6000p
Усилитель Игнатьева V3.

Re: Резонансные блоки питания \LLC\

Сообщение emon »

я збирав резонансників 10 штук і так жодного і не зумів налаштувати. зібрані плати валяються в тумбочці.
купив smps400a180 і радію.
звук доречі кращий з резонансником.
Sous
Разработчик
Сообщения: 1438
Стаж: 5 лет 6 месяцев
Репутация: 1250
Откуда: Ивано-Франковск
Аудио система: DX3pro
Focal horus716
S_Audio stereo AMP 2_061

Re: Резонансные блоки питания \LLC\

Сообщение Sous »

МНого приборов надо, и еще больше времени на хороший блок
Аватара пользователя
emon
Почетный пользователь
Сообщения: 170
Стаж: 4 года 8 месяцев
Репутация: 70
Откуда: Irpin
Аудио система: DSC 2.6 + DSD'it + Lundahl LL1527XL
KT77 Gold Lion + Mullard ECF80 + Lundahl LL1663
Акустика Heco Celan Revolution 3 Espresso Veneer, sony ss-f6000p
Усилитель Игнатьева V3.

Re: Резонансные блоки питания \LLC\

Сообщение emon »

в моем случае он просто стартовал раз в день. так и не разобрался почему так. вроде как не хватало стартового напряжения
uriy
Магистр электроники
Сообщения: 1536
Стаж: 2 года 9 месяцев
Репутация: 478
Откуда: Ukraine
Аудио система: Цифраактив

Re: Резонансные блоки питания \LLC\

Сообщение uriy »

emon писал(а): 16 июл 2024, 16:18 в моем случае он просто стартовал раз в день. так и не разобрался почему так. вроде как не хватало стартового напряжения
А вы на какой микросхеме их собирали?
Аватара пользователя
emon
Почетный пользователь
Сообщения: 170
Стаж: 4 года 8 месяцев
Репутация: 70
Откуда: Irpin
Аудио система: DSC 2.6 + DSD'it + Lundahl LL1527XL
KT77 Gold Lion + Mullard ECF80 + Lundahl LL1663
Акустика Heco Celan Revolution 3 Espresso Veneer, sony ss-f6000p
Усилитель Игнатьева V3.

Re: Резонансные блоки питания \LLC\

Сообщение emon »

IRS27952
uriy
Магистр электроники
Сообщения: 1536
Стаж: 2 года 9 месяцев
Репутация: 478
Откуда: Ukraine
Аудио система: Цифраактив

Re: Резонансные блоки питания \LLC\

Сообщение uriy »

emon писал(а): 17 июл 2024, 06:51IRS27952
Нормальная микросхема, я на ней собирал БП, стартуют нормально если соблюсти пару моментов.
Как я понимаю вы собирали схему без дежурного питания?
Если так, то проблема уверенного старта может быть связана с двумя основными причинам, первая причина слишком большая ёмкость на вторичке транса. Вторая причина не оптимальное время софт старта. Если покажите свою схему с номиналами, мне будет легче понять основную причину неуверенного старта. Есть третья причина, уход микросхемы в защиту по току, но она как бы связана с первыми двумя.
Аватара пользователя
emon
Почетный пользователь
Сообщения: 170
Стаж: 4 года 8 месяцев
Репутация: 70
Откуда: Irpin
Аудио система: DSC 2.6 + DSD'it + Lundahl LL1527XL
KT77 Gold Lion + Mullard ECF80 + Lundahl LL1663
Акустика Heco Celan Revolution 3 Espresso Veneer, sony ss-f6000p
Усилитель Игнатьева V3.

Re: Резонансные блоки питания \LLC\

Сообщение emon »

uriy
Магистр электроники
Сообщения: 1536
Стаж: 2 года 9 месяцев
Репутация: 478
Откуда: Ukraine
Аудио система: Цифраактив

Re: Резонансные блоки питания \LLC\

Сообщение uriy »

Вы трансформатор один к одному повторили?
Вы пробовали увеличивать номинал С6 до 100мкФ? Параллельно можно увеличить номинал Css до 47мкФ
Аватара пользователя
emon
Почетный пользователь
Сообщения: 170
Стаж: 4 года 8 месяцев
Репутация: 70
Откуда: Irpin
Аудио система: DSC 2.6 + DSD'it + Lundahl LL1527XL
KT77 Gold Lion + Mullard ECF80 + Lundahl LL1663
Акустика Heco Celan Revolution 3 Espresso Veneer, sony ss-f6000p
Усилитель Игнатьева V3.

Re: Резонансные блоки питания \LLC\

Сообщение emon »

Честно, я уже забыл что с ними делал.
При подаче 15 вольт с ЛБП - стартовал отлично.
Я готов выслать их Вам и заплатить чтоб Вы сделали правильно :)
uriy
Магистр электроники
Сообщения: 1536
Стаж: 2 года 9 месяцев
Репутация: 478
Откуда: Ukraine
Аудио система: Цифраактив

Re: Резонансные блоки питания \LLC\

Сообщение uriy »

У меня нет времени заниматься такими вещами. Как я понимаю увеличение номинала конденсатора С6 должно помочь.
У вас осциллограф есть?
Аватара пользователя
emon
Почетный пользователь
Сообщения: 170
Стаж: 4 года 8 месяцев
Репутация: 70
Откуда: Irpin
Аудио система: DSC 2.6 + DSD'it + Lundahl LL1527XL
KT77 Gold Lion + Mullard ECF80 + Lundahl LL1663
Акустика Heco Celan Revolution 3 Espresso Veneer, sony ss-f6000p
Усилитель Игнатьева V3.

Re: Резонансные блоки питания \LLC\

Сообщение emon »

Есть
Я щас далеко от них, вернусь домой и свяжусь с Вами. Спасибо.
uriy
Магистр электроники
Сообщения: 1536
Стаж: 2 года 9 месяцев
Репутация: 478
Откуда: Ukraine
Аудио система: Цифраактив

Re: Резонансные блоки питания \LLC\

Сообщение uriy »

emon писал(а): 17 июл 2024, 13:33 Есть
Эт хорошо. Это сильно облегчит настройку резонансника. Там по сути всё просто если не лесть в дебри. Резонансным конденсатором подгоняется частота либо самой частотой заходят в резонанс LLC контура. Это зависит от частоты малой нагрузки.
Sous
Разработчик
Сообщения: 1438
Стаж: 5 лет 6 месяцев
Репутация: 1250
Откуда: Ивано-Франковск
Аудио система: DX3pro
Focal horus716
S_Audio stereo AMP 2_061

Re: Резонансные блоки питания \LLC\

Сообщение Sous »

Собрал свой вариант с доп дросселем.
Основная проблема была с схемой стабилизации на TL431 ;)
Трансформатор намотан обычным проводом без секционирования, добавлен доп дроссель 33мкГн.
Греется только диод выпрямителя, да и то на мощностях 100Вт +
Вложения
RESO ETD29.png
Sous
Разработчик
Сообщения: 1438
Стаж: 5 лет 6 месяцев
Репутация: 1250
Откуда: Ивано-Франковск
Аудио система: DX3pro
Focal horus716
S_Audio stereo AMP 2_061

Re: Резонансные блоки питания \LLC\

Сообщение Sous »

Короче, очень капризная штука выходит. Хоть спалить мне не удалось ни один экземпляр
Без цепи ОС все отлично работает, но стоит подключить оптопару - как начинается свистопляска. Не выходит ввести схему регулировки в линейный режим. То ли неподходящая оптопара, толи схема кривая. :?
Запас регулировки примерно 25%, 220к-80к.достаточно мало, очень точно нужно сделать трансформатор. Плюс еще у меня часто проблемы с возбуждением схемы ОС на звуковой частоте.
uriy
Магистр электроники
Сообщения: 1536
Стаж: 2 года 9 месяцев
Репутация: 478
Откуда: Ukraine
Аудио система: Цифраактив

Re: Резонансные блоки питания \LLC\

Сообщение uriy »

Sous писал(а): 28 авг 2024, 20:49 Трансформатор намотан обычным проводом без секционирования, добавлен доп дроссель 33мкГн.
У вас трансформатор с воздушным зазором или без? Это похоже важно для ООС.
Действительно ООС в резонансниках это самая геморройная штука. Но тем не менее, мне удалось получить стабилизацию на мощностях 400Вт, на большие мощностя я не ходил за ненадобностью. Но у меняя нет доп индуктивности, подозреваю именно она вносит свои коррективы в стабильность ООС.
Sous
Разработчик
Сообщения: 1438
Стаж: 5 лет 6 месяцев
Репутация: 1250
Откуда: Ивано-Франковск
Аудио система: DX3pro
Focal horus716
S_Audio stereo AMP 2_061

Re: Резонансные блоки питания \LLC\

Сообщение Sous »

С зазором, конечно.
Без цепи ОС, когда только Rfmin установлен и цепь плавного пуска- все работает идеально. Микросхема сама поддерживает ZVS. Ключи вообще не греются, защита отрабатывает корректно. Нужно поэкспериментировать
uriy
Магистр электроники
Сообщения: 1536
Стаж: 2 года 9 месяцев
Репутация: 478
Откуда: Ukraine
Аудио система: Цифраактив

Re: Резонансные блоки питания \LLC\

Сообщение uriy »

Sous писал(а): 30 авг 2024, 12:18 С зазором, конечно.
Без цепи ОС, когда только Rfmin установлен и цепь плавного пуска- все работает идеально.
Как мне помнится при Rfmin на выходе БП должно быть максимальное напряжение. Т.е. вы должны видеть увеличение напряжения на выходе БП при уменьшение частоты. Если вы уменьшая частоту с 200кГц до 80кГц видите рост напряжения, а потом провал то вы вышли из области регулировки, и само собой при таком раскладе ООС будет работать паскудно. На выходе БП должна быть нагрузка эквивалентная мощности на х.х УНЧ.
Sous писал(а): 30 авг 2024, 12:18 Микросхема сама поддерживает ZVS. Ключи вообще не греются, защита отрабатывает корректно.
Если у вас отключена ООС то микросхема ни чего не может поддерживать, вы просто видите некую слабую "авто стабилизацию" резонансного контура.

И да, у меня диапазон частот 200кГц-50кГц, при максимальной нагрузке частота у меня падает до 50кГц, а нагрузка у меня как я уже говорил всего 400Вт. В режиме малой нагрузки частота крутится около 180кГц, греется и трансформатор и немного греются ключи. :D
Screenshot_2.png
Screenshot_2.png (35.7 КБ) 11186 просмотров
Sous
Разработчик
Сообщения: 1438
Стаж: 5 лет 6 месяцев
Репутация: 1250
Откуда: Ивано-Франковск
Аудио система: DX3pro
Focal horus716
S_Audio stereo AMP 2_061

Re: Резонансные блоки питания \LLC\

Сообщение Sous »

Я использую l6699, там есть контроль zvs через датчик напряжения на средней точкее ключей. Потому и брал ее.
В целом, сегодня вроде все настроил, просто нужно ответственно подходить к выбору номиналов. Ну и с дросселем диапазон регулировки чуть поменьше.

Закажу свежую партию плат с исправлениями и будет понятно.
Позже покажу. Спасибо

Теперь играюсь с пакетным режимом. Хочу, чтобы он отключался при 4вт +. Тоже задача со звездочкой.
Sous
Разработчик
Сообщения: 1438
Стаж: 5 лет 6 месяцев
Репутация: 1250
Откуда: Ивано-Франковск
Аудио система: DX3pro
Focal horus716
S_Audio stereo AMP 2_061

Re: Резонансные блоки питания \LLC\

Сообщение Sous »

Вот так получилось.
КПД на 100Вт 90,5%
Потребление на ХХ с отключеным BURST 2.8Вт

Осциллограммы сняты на мощности 30Вт
Напряжение на затворе нижнего ключа и на средней точке ключей:
SDS00068.png
SDS00068.png (31.64 КБ) 10183 просмотра
Напряжение на трансформаторе:
В момент закрывания выходных диодов (? наверно) происхдит вот такая бяка на трансформаторе. Не пойму, как с этим бороться. Хотя вроде как не мешает ничему, но все же.
SDS00067.png
SDS00067.png (30.38 КБ) 10183 просмотра
Пульсации по выходу
SDS00066.png
SDS00066.png (89.91 КБ) 10183 просмотра
Sous
Разработчик
Сообщения: 1438
Стаж: 5 лет 6 месяцев
Репутация: 1250
Откуда: Ивано-Франковск
Аудио система: DX3pro
Focal horus716
S_Audio stereo AMP 2_061

Re: Резонансные блоки питания \LLC\

Сообщение Sous »

на 100Вт и на 200 Вт все становится печальнее на вид.
100Вт
SDS00069.png
SDS00069.png (34.12 КБ) 10182 просмотра
200Вт
SDS00070.png
SDS00070.png (37.33 КБ) 10182 просмотра
Sous
Разработчик
Сообщения: 1438
Стаж: 5 лет 6 месяцев
Репутация: 1250
Откуда: Ивано-Франковск
Аудио система: DX3pro
Focal horus716
S_Audio stereo AMP 2_061

Re: Резонансные блоки питания \LLC\

Сообщение Sous »

Похоже, что нужно чуть поднять КТР
Для 31.4В получилось первичная 32витка, вторичная 2х6
uriy
Магистр электроники
Сообщения: 1536
Стаж: 2 года 9 месяцев
Репутация: 478
Откуда: Ukraine
Аудио система: Цифраактив

Re: Резонансные блоки питания \LLC\

Сообщение uriy »

Sous писал(а): 13 сен 2024, 18:59 В момент закрывания выходных диодов (? наверно) происхдит вот такая бяка на трансформаторе. Не пойму, как с этим бороться. Хотя вроде как не мешает ничему, но все же.
Просто когда выходной диод перестаёт проводить ток нагрузки, то трансформатор как бы "весит в воздухе" и происходят свободные колебания между ёмкостью выходного диода и индуктивностью рассеивания трансформатора,тут следует понимать то, что ток в нагрузку через диод проходит не на протяжении всего полу периода. Т.е. когда закроется открытый ключ и откроется следующий ключ, то ток нагрузки через выходной диод уже не проходит, чем достигается более быстрое и лёгкое полное закрытие выходного диода.
В данном случае, более важно напряжение на средней точке ключей, следует следить что бы при максимальной нагрузке ключи находились в ПНН и не вываливались из него, это главнее чем напряжение на самом трансформаторе. Вы можете изменить частоту настройки контура и уменьшить время болтанки напряжения на первичке транса, но это может привести к нарушению режима ПНН при повышенном входном напряжении и малой нагрузке, если вы уверенно находитесь в ПНН при максимальном входном напряжении и малом токе нагрузке, ровно так же как при минимально допустимом входном напряжении и максимальной нагрузке, то я бы туда не лез, и так нормально.
uriy
Магистр электроники
Сообщения: 1536
Стаж: 2 года 9 месяцев
Репутация: 478
Откуда: Ukraine
Аудио система: Цифраактив

Re: Резонансные блоки питания \LLC\

Сообщение uriy »

Sous писал(а): 13 сен 2024, 18:59 Пульсации по выходу
Если на 30Вт в нагрузке вы имеете 180мВ 100Гц пульсации, то это сильно похоже на то, что ООС плохо работает. Проверьте пульсацию на входе БП т.е. на входных конденсаторах, а потом с учётом Ктр пересчитайте её уровень во вторичку, зная уровень пульсации без оос, легко узнать насколько глубока оос в данном случае.
Sous
Разработчик
Сообщения: 1438
Стаж: 5 лет 6 месяцев
Репутация: 1250
Откуда: Ивано-Франковск
Аудио система: DX3pro
Focal horus716
S_Audio stereo AMP 2_061

Re: Резонансные блоки питания \LLC\

Сообщение Sous »

Н там 30мв RMS пульсация, не так уж и много
uriy
Магистр электроники
Сообщения: 1536
Стаж: 2 года 9 месяцев
Репутация: 478
Откуда: Ukraine
Аудио система: Цифраактив

Re: Резонансные блоки питания \LLC\

Сообщение uriy »

Sous писал(а): 13 сен 2024, 21:14 Н там 30мв RMS пульсация, не так уж и много
Когда говорят о уровне пульсаций, то как бы по умолчанию речь идёт о значении пик ту пик. В обыкновенном АТХ БП на его выходе пульсация 100Гц пик ту пик менее 10мВ.
Sous
Разработчик
Сообщения: 1438
Стаж: 5 лет 6 месяцев
Репутация: 1250
Откуда: Ивано-Франковск
Аудио система: DX3pro
Focal horus716
S_Audio stereo AMP 2_061

Re: Резонансные блоки питания \LLC\

Сообщение Sous »

Спасибо за разъяснение
чуть покрутил ОС 431 - получилось 100мВ. Лучше не выходит пока.
Поиграюсь еще немного.
Чуть поднял частоту рез, чтобы был запас регулирования, получилось 70мВ p-p
Дальше уже в следующей итерации платы и трансформатора.
Последний раз редактировалось Sous 14 сен 2024, 14:45, всего редактировалось 1 раз.
Ответить

Вернуться в «Электронная техника и детали»