Темы в форуме

Света ушла, но обещала вернуться. Блэкаут!

Флейм на любые, темы.
Sous
Разработчик
Сообщения: 1435
Стаж: 5 лет 6 месяцев
Репутация: 1247
Откуда: Ивано-Франковск
Аудио система: DX3pro
Focal horus716
S_Audio stereo AMP 2_061

Re: Света ушла, но обещала вернуться. Блэкаут!

Сообщение Sous »

мой инвертор , заказан 16 ноября так и не приехал. Последний трек 16 декабря "ожидание вылета"
Вчера оформил спор, жду возврата.
Не повезло или нет пока не ясно
Аватара пользователя
Justas*
Гуру электроники☆☆☆☆
Сообщения: 2415
Стаж: 4 года 4 месяца
Репутация: 1328
Откуда: Украина
Аудио система: viewtopic.php?p=17721#p17721

Re: Света ушла, но обещала вернуться. Блэкаут!

Сообщение Justas* »

Я LiFePO4 12/100 заказал 10 июля, приплыл 20 октября. 100 дней. Сроки поддержки Али прошли, но китаец в переписке зуб давал что получу. Оказался честный.
Сделал монструозную зарядную станцию :D Пока (тьфу-тьфу) не возникало надобности использовать.
Панорама.jpg
Аватара пользователя
Alex
Site Admin
Сообщения: 4200
Стаж: 14 лет 2 месяца
Репутация: 2776
Откуда: Kiev
Аудио система: www.is.gd/l0dt3T
Контактная информация:

Re: Света ушла, но обещала вернуться. Блэкаут!

Сообщение Alex »

ого круто! Вот это я понимаю станция, а что внутри интересного?
Аватара пользователя
Justas*
Гуру электроники☆☆☆☆
Сообщения: 2415
Стаж: 4 года 4 месяца
Репутация: 1328
Откуда: Украина
Аудио система: viewtopic.php?p=17721#p17721

Re: Света ушла, но обещала вернуться. Блэкаут!

Сообщение Justas* »

ЗC.jpg
Внутри почти всё готовое китайское.
Инвертор 3 кВт, зарядное до 60А (с рег. тока и напряжения), USB модуль быстрой зарядки, кулонметр с кольцевым индукционным датчиком.
Последний, кроме всего прочего, после калибровки с успехом заменяет брехливые вольтметры-ваттметры-амперметры инвертора и зарядного.
В процессе, выявилась неприятная особенность зарядного устройства (как всегда у китайцев :mrgreen: ). При отключении сети, он кушает от АКБ 0,12А.
Пришлось на минусовую шину поставить двунаправленный ключ. Дополнительно появился автомат отключения по зарядному току (регулируемый).
Собрал ещё АВР (пока в макете) для «убийственной» схемы «кабель вилка-вилка». Это когда при отключении света выключают автомат ввода, а инвертор соединяют с домовой сетью через розетку таким кабелем. Для забывчивых, итог таких действий всегда печальный.
Макет полностью работоспособный, но в связи с неиспользованием зарядной станции, пока не установлен.
При этом, розетки инвертора не используются. Для питания зарядного и передачи напруги от инвертора, используется один сетевой кабель.
В эл. щитке находящемся на лестничной площадке, дополнительно установил контактор и датчик напряжения. Плата управления с ещё одним контактором, будут находиться внутри зар. станции. Связь между устройствами, по свободным жилам интернетовского FTP кабеля проходящего через эл. щиток.
Аватара пользователя
Alex
Site Admin
Сообщения: 4200
Стаж: 14 лет 2 месяца
Репутация: 2776
Откуда: Kiev
Аудио система: www.is.gd/l0dt3T
Контактная информация:

Re: Света ушла, но обещала вернуться. Блэкаут!

Сообщение Alex »

Отлично сденлано. А очень тяжелая? Может туда еще колеса?
Аватара пользователя
Justas*
Гуру электроники☆☆☆☆
Сообщения: 2415
Стаж: 4 года 4 месяца
Репутация: 1328
Откуда: Украина
Аудио система: viewtopic.php?p=17721#p17721

Re: Света ушла, но обещала вернуться. Блэкаут!

Сообщение Justas* »

Взвесил - 16,8 кГ. Силы ещё малость осталось, пока обойдусь без колёс. :D
Да и тягать его нет необходимости. Стоит в пустующей детской, возле розетки. Через неё и выдача напряжения на всю домовую электросеть (кроме электро плиты).
Аватара пользователя
Alex
Site Admin
Сообщения: 4200
Стаж: 14 лет 2 месяца
Репутация: 2776
Откуда: Kiev
Аудио система: www.is.gd/l0dt3T
Контактная информация:

Re: Света ушла, но обещала вернуться. Блэкаут!

Сообщение Alex »

Must PV18-3224VPM II 24V 3.2kW.jpg

Переделал свою систему резервного питания квартиры, тема здесь Резервное питание квартиры от Alex
Аватара пользователя
Alex
Site Admin
Сообщения: 4200
Стаж: 14 лет 2 месяца
Репутация: 2776
Откуда: Kiev
Аудио система: www.is.gd/l0dt3T
Контактная информация:

Re: Света ушла, но обещала вернуться. Блэкаут!

Сообщение Alex »

Докупил себе генератор Konner&Sohnen KS 2000iG S, работает как на бензине так и на газу, (балон купил GUTGAS Ragasco ExtraLight XLT-26.6), думаю лишним не будет. Зима близко.

IMG_7234.jpeg
iguana64
Почетный пользователь
Сообщения: 163
Стаж: 3 года
Репутация: 39
Откуда: Под Киевом
Аудио система: В процессе становления...

Re: Света ушла, но обещала вернуться. Блэкаут!

Сообщение iguana64 »

Поскольку этой зимой высока вероятность что может уйти шляться не только Света но и Газя, для аварийного обогрева квартиры купил автономный дизельный обогреватель.
17611390147692881972817162996881.jpg
Не реклама
Пусть лучше будет и не понадобится, чем наоборот.Как видно из названия, работает на дизтопливе. Питание 12 вольт или адаптер 220/12. Минус конструкции- выхлопная труба ф24 мм должна быть выведена на улицу. Что-то придумаем в случае чего. Заодно на всякий пожарный приобрел углекислотный огнетушитель ;)
Аватара пользователя
Igorvolikov
Постоянный житель
Сообщения: 266
Стаж: 3 года 5 месяцев
Репутация: 94
Откуда: Киев
Аудио система: Thorens TD 321 + SME Series 3 + Shure V15 IV + Jico SAS b + Kora 3T + Dual ES9038 + Audiolab 8000P + Canton Ergo 670 DC

Re: Света ушла, но обещала вернуться. Блэкаут!

Сообщение Igorvolikov »

Друзья!
Нужен совет.

Есть роутер - Микротик HAP AC-2. Питается от павербанка через обычный шнурочек с Rozetka за 100+- гривен. Но при таком питании ведет себя не очень стабильно, а если хорошо нагрузить Wi-Fi 5ghz - вообще перезагружается. При работе от штатного БП (12v 1A) такого не наблюдается.

Естественно подозреваю, что виновник - шнурок на 12 вольт. Читал про подобные - большинство 0,5 ампера тянут и не более.

Собственно вопрос - возможно существует платка Step-Up или готовый шнурок проверенный, который способен 12v 1A (а лучше 1,5) выдать?
Посоветуйте плз.
XIAN
Гуру АС
Сообщения: 1032
Стаж: 5 лет 1 месяц
Репутация: 413
Откуда: Киев
Аудио система: DIY

Re: Света ушла, но обещала вернуться. Блэкаут!

Сообщение XIAN »

Igorvolikov писал(а): 02 ноя 2025, 16:00 Есть роутер - Микротик HAP AC-2
Він приймає до 30В, якщо повербанк видасть, я би взяв кабель на 20В, типу такого.
Але досвіду з такими шнурками нема, якщо що, тільки з мікротами різних моделей.
Аватара пользователя
Igorvolikov
Постоянный житель
Сообщения: 266
Стаж: 3 года 5 месяцев
Репутация: 94
Откуда: Киев
Аудио система: Thorens TD 321 + SME Series 3 + Shure V15 IV + Jico SAS b + Kora 3T + Dual ES9038 + Audiolab 8000P + Canton Ergo 670 DC

Re: Света ушла, но обещала вернуться. Блэкаут!

Сообщение Igorvolikov »

XIAN писал(а): 02 ноя 2025, 19:34
Igorvolikov писал(а): 02 ноя 2025, 16:00 Есть роутер - Микротик HAP AC-2
Він приймає до 30В, якщо повербанк видасть, я би взяв кабель на 20В, типу такого.
Але досвіду з такими шнурками нема, якщо що, тільки з мікротами різних моделей.
Да, он принимает до 30, но по ссылке (судя по описанию) просто кабель, он без повышающего преобразователя.
ПС
Ктати о микротах - раньше там же стоял 951 и проблем даже с этим кабелем не было. Этот видимо более прожорливый.
А дальше еще хуже будет ))) Будет замена на 962 с SFP.
XIAN
Гуру АС
Сообщения: 1032
Стаж: 5 лет 1 месяц
Репутация: 413
Откуда: Киев
Аудио система: DIY

Re: Света ушла, но обещала вернуться. Блэкаут!

Сообщение XIAN »

Igorvolikov писал(а): 02 ноя 2025, 20:34 Да, он принимает до 30, но по ссылке (судя по описанию) просто кабель, он без повышающего преобразователя.
Кабель через протокол Power Delivery узгоджує з павербанком напругу 20В, але павер банк має цей режим підтримувати, щоб це працювало.
Аватара пользователя
Igorvolikov
Постоянный житель
Сообщения: 266
Стаж: 3 года 5 месяцев
Репутация: 94
Откуда: Киев
Аудио система: Thorens TD 321 + SME Series 3 + Shure V15 IV + Jico SAS b + Kora 3T + Dual ES9038 + Audiolab 8000P + Canton Ergo 670 DC

Re: Света ушла, но обещала вернуться. Блэкаут!

Сообщение Igorvolikov »

XIAN писал(а): 02 ноя 2025, 20:58
Igorvolikov писал(а): 02 ноя 2025, 20:34 Да, он принимает до 30, но по ссылке (судя по описанию) просто кабель, он без повышающего преобразователя.
Кабель через протокол Power Delivery узгоджує з павербанком напругу 20В, але павер банк має цей режим підтримувати, щоб це працювало.
Понял. Получается кабель с тригером.
Не думаю, что там банк с такими возможностями, но нужно проверить.
Аватара пользователя
Alex
Site Admin
Сообщения: 4200
Стаж: 14 лет 2 месяца
Репутация: 2776
Откуда: Kiev
Аудио система: www.is.gd/l0dt3T
Контактная информация:

Re: Света ушла, но обещала вернуться. Блэкаут!

Сообщение Alex »

Сейчас однако у нас уже стало весело. Свет дают 4 часа в сутки, то есть 20 часов света нет, 4 часа есть. По 2 часа интервалами. Но я вам скажу, генератор плюс резервное питание, и никаких проблем не вижу. Нас не сломать :)

IMG_8493.png
IMG_8493.png (76.91 КБ) 74 просмотра
Аватара пользователя
Justas*
Гуру электроники☆☆☆☆
Сообщения: 2415
Стаж: 4 года 4 месяца
Репутация: 1328
Откуда: Украина
Аудио система: viewtopic.php?p=17721#p17721

Re: Света ушла, но обещала вернуться. Блэкаут!

Сообщение Justas* »

Жесть! Ещё и гололёд снова :x
photo_2026-02-07_10-16-20.jpg
photo_2026-02-07_10-16-20.jpg (14.65 КБ) 95 просмотров
Аватара пользователя
Justas*
Гуру электроники☆☆☆☆
Сообщения: 2415
Стаж: 4 года 4 месяца
Репутация: 1328
Откуда: Украина
Аудио система: viewtopic.php?p=17721#p17721

Re: Света ушла, но обещала вернуться. Блэкаут!

Сообщение Justas* »

Мне последнее время приносят на ремонт сгоревшие инверторы. Горят они по одной и той же причине, сетевое напряжение встретилось с выходом инвертора. Существует такой убийца этих устройств, как «вилка-вилка». Это когда розетка инвертора соединяется с розеткой домовой сети. Естественно, для этого этого нужно предварительно отключить автомат (пакетник) в электрощитке.
Но делать это периодически забывают, и результат не заставляет себя ждать.
У нас в основном старые панельные пяти-девятиэтажки с электрощитком на лестничной площадке.
В нём пакетник и 3 автомата, после которых напруга идёт в квартиру по трём линиям.
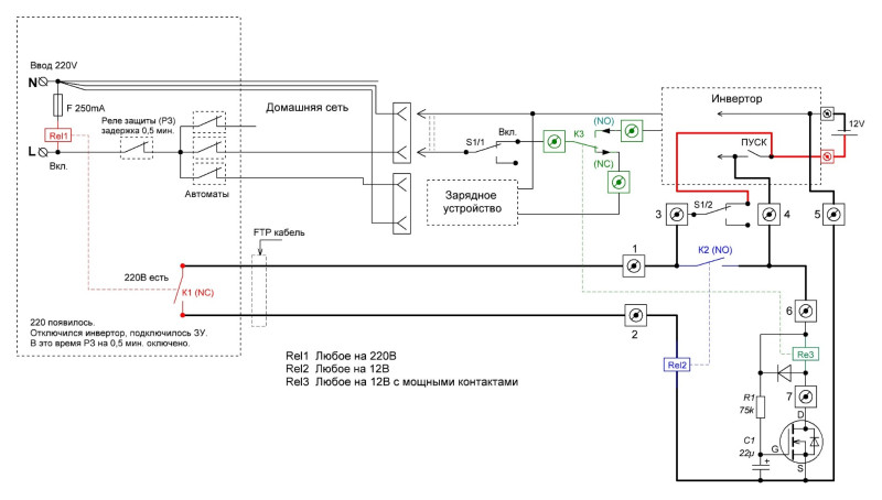
Чтобы упростить себе жизнь, сделал приспособу для автоматического включения инвертора при пропадании света и автоматического выключения после его появления, с последующим подключением зарядного к АКБ.
Основа, это реле переменного тока на 220В (датчик наличия/отсутствия напруги на вводе) и реле защиты (РЗ) с задержкой включения. «Зубр» или китайский аналог.
Соединение контактов датчика с устройством, через 2 свободные пары интернетовского FTP кабеля, проходящего в квартиру рядом с электрощитком.
Авт. выключение.JPG

Принцип работы.
При отключении света контакты РЗ размыкаются.
Rel1 отключено и через нормально замкнутые контакты К1, подаёт +12В на Rel2, которое контактами К2 замыкает кнопку «пуск» и подаёт +12В на Rel3.
Rel3 через 5сек подключает своими контактами К3 выход инвертора (вышедшего за 5 сек на режим) к домовой сети. Задержку в 5 сек делает реле времени на полевике.
При появлении света, контакты РЗ разомкнуты в течении 0,5 мин (домовая сеть не соединяется с вводом).
Rel1 включается, контакты К1 размыкаются, отключается Rel2, контакты К2 размыкает кнопку «пуск» - выключается инвертор.
Также отключается Rel3, его контакты К3 переключают зарядное устройство на домовую сеть.
Через 0,5 мин РЗ подключит ввод к домовой сети, начнётся зарядка АКБ.
При перегорании обмотки сетевого реле или обрыве FTP кабеля, случайного включения инвертора не произойдёт. Типа дополнительная защита.
Дальше уже по желанию. Я сделал ещё отключалку зарядного устройства по окончании зарядки.
Отключение происходит при падении зарядного тока до определённой величины. Для АКБ 100А/ч установил 5А. Заряжаю 20А, если время поджимает, то 50-60А.
У нас пока отключают не так жёстко как в Киеве. Хватает и за компом посидеть и ТВ глянуть и кофеварку включить. Ну и холодильник естественно.
Вот только он тяжело переносит если свет вырубился когда он работал и через короткое время его снова пытаются включить.
Купил к нему такой
девайс


Автоматы.jpg
Платы.jpg
uriy
Магистр электроники
Сообщения: 1535
Стаж: 2 года 9 месяцев
Репутация: 478
Откуда: Ukraine
Аудио система: Цифраактив

Re: Света ушла, но обещала вернуться. Блэкаут!

Сообщение uriy »

Justas* писал(а): Сегодня, 00:27 Это когда розетка инвертора соединяется с розеткой домовой сети. Естественно, для этого этого нужно предварительно отключить автомат (пакетник) в электрощитке.
Но делать это периодически забывают, и результат не заставляет себя ждать.
Если не выключить автоматы на вводе, то инвертор будет питать всех потребителей которые сидят на этой фазе т.е. он просто уйдёт в защиту по перегрузке. Вероятней всего, люди выключают автомат когда включают инвертор, а вот когда появляется свет они забывают выключить инвертор из розетки прежде чем включит автомат....
uriy
Магистр электроники
Сообщения: 1535
Стаж: 2 года 9 месяцев
Репутация: 478
Откуда: Ukraine
Аудио система: Цифраактив

Re: Света ушла, но обещала вернуться. Блэкаут!

Сообщение uriy »

Alex писал(а): Вчера, 10:04 Но я вам скажу, генератор плюс резервное питание, и никаких проблем не вижу. Нас не сломать :)
Генератор сильно шумный? На балконе будет доставать, или нет?
Ответить

Вернуться в «Флейм»