Значит так: накал елок и входных ламп посадил на землю. +40В ничего не дали (как и земля). ФИ получают на накал +150В (диодов уже нет). В результате к существующему шелесту добавился еле слышимый фон в НЧ динамике. Фон это известно, это порядок.
Темы в форуме
Новые сообщения
-
07-дек Усилитель на модулях PTERO TAS5342
-
07-дек SMSL PA-X
-
06-дек Черырехканальный усилитель D класса Douk Audio G7
-
01-дек Усилитель для наушников на TPA6120 с Алиэкспресс
-
01-дек Усилитель D класса на базе плат 2_062 S_AUDIO от Alex
-
28-ноя Усилитель звука D класса Clone purifi Hb 3.064 ULTRA
-
19-ноя Двухтактный на лампах EL34 в триодном включении
-
19-ноя МА12070. Прекрасная фрау, с которой мало кто дружит
-
18-ноя Клон nСore от Юрия Игнатьева 400 Вт (2_051_LITE)
-
15-ноя Усилитель Беслика А.И на Германиевых транзисторах v3.01
-
10-ноя Усилитель JLH 1969
-
09-ноя Немного самодельных усилителей
-
08-ноя Все про лампу гу 15
-
06-ноя Апгрейд усилителя для наушников Douk Audio U3
-
06-ноя Интересный усилитель AIYIMA A80 TPA3255 PFFB
Новые темы
-
05-дек SMSL PA-X
-
02-дек Черырехканальный усилитель D класса Douk Audio G7
-
23-ноя Усилитель для наушников на TPA6120 с Алиэкспресс
-
04-ноя Все про лампу гу 15
-
02-ноя Немного самодельных усилителей
-
30-окт Апгрейд усилителя для наушников Douk Audio U3
-
29-окт Усилитель Ampapa D1 HPF 300Wx2
-
12-окт Усилитель Беслика А.И на Германиевых транзисторах v3.01
-
21-сен Snail II
-
15-сен Регулятор тембра
-
12-сен Усилитель, работающий от пульта ТВ.
-
08-сен Класс Д с классическим БП
-
07-сен Як звучить підсилювач на мс. STK407-090B?
-
31-авг Нужен стерео усилитель под заказ (хай енд)
-
29-авг Винтаж в помойку?
Youtube
TikTok
Инстаграм
☝ Спонсировать
Правила форума
Двухтактный на лампах EL34 в триодном включении
- m-shara
- Почетный спонсор
- Сообщения: 1166
- Стаж: 2 года 11 месяцев
- Репутация: 203
- Откуда: Латвия
- Аудио система: JVC TD-V662, Kenwood KX-880HX,
PP 6Н8С+EL34 20W
Акустика: Sony SS-G1 MK2
SONY WH-1000XM4,AKG K514, ATH-AVC500,
Звуковая: Focusrite 2i4
Re: Двухтактный на лампах EL34 в триодном включении
-
Николаевич
- Почетный пользователь
- Сообщения: 64
- Стаж: 10 месяцев
- Репутация: 10
- Откуда: Кропивницкий
- Аудио система: усилитель EL803 - 6с33с акустика - Tannoy Turnberry GR LE
Re: Двухтактный на лампах EL34 в триодном включении
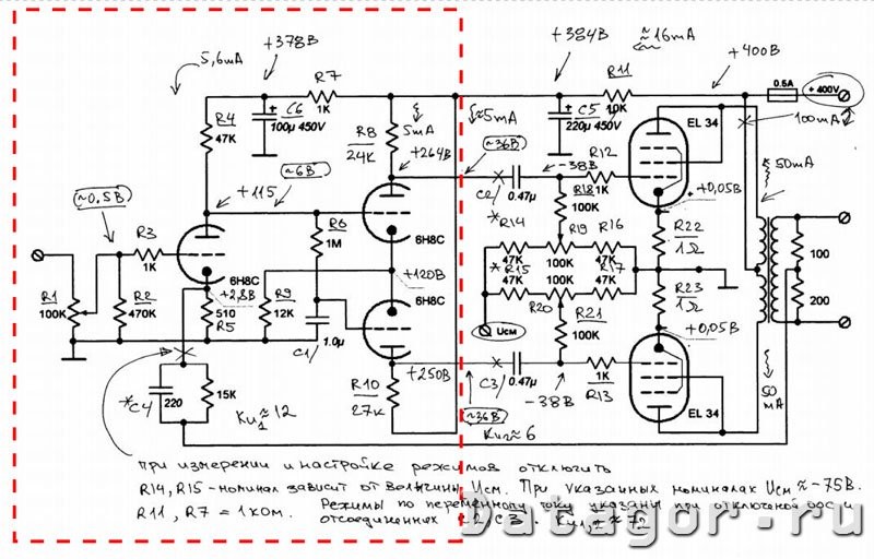
- пленка шунтирует только нч шумы. а керамика вч. в блоках питания ламповых ум. при нынешних помехах очень желательно с эл. конденсатором ставить пленочные 10-0.1 мкф и керамику 0033 - 2200 при не оптимальном монтаже помогает.. но не настаиваю..Justas* писал(а): 27 мар 2025, 13:11И ?
- m-shara
- Почетный спонсор
- Сообщения: 1166
- Стаж: 2 года 11 месяцев
- Репутация: 203
- Откуда: Латвия
- Аудио система: JVC TD-V662, Kenwood KX-880HX,
PP 6Н8С+EL34 20W
Акустика: Sony SS-G1 MK2
SONY WH-1000XM4,AKG K514, ATH-AVC500,
Звуковая: Focusrite 2i4
Re: Двухтактный на лампах EL34 в триодном включении
Вопрос фона решился подсоединением входной земли к корпусной.
-
sub
- Почетный пользователь
- Сообщения: 56
- Стаж: 3 года 1 месяц
- Репутация: 64
- Откуда: Киев
- Аудио система: Tube Amplifier SE 6V1P + 6P36S
JLH 1969
JLH 2003
FX-Audio - FX502S PRO
MB Quart 1000
Sony SS G3
ЦАП: SMSL DO100
Re: Двухтактный на лампах EL34 в триодном включении
Поздравляю!
Остался рывок с АЧХ)
- m-shara
- Почетный спонсор
- Сообщения: 1166
- Стаж: 2 года 11 месяцев
- Репутация: 203
- Откуда: Латвия
- Аудио система: JVC TD-V662, Kenwood KX-880HX,
PP 6Н8С+EL34 20W
Акустика: Sony SS-G1 MK2
SONY WH-1000XM4,AKG K514, ATH-AVC500,
Звуковая: Focusrite 2i4
Re: Двухтактный на лампах EL34 в триодном включении
Спасибо! Последние переключения накала тоже возымели действие. Если прокатит схема что предложил Justas то и вообще будет конец монтажным работам. Коэф. гармоник как я предполагаю настраивается токами выходных ламп, а эти регулировки доступны снаружи.
---------------------------
Послушал на своем сравнительном "стенде"
- m-shara
- Почетный спонсор
- Сообщения: 1166
- Стаж: 2 года 11 месяцев
- Репутация: 203
- Откуда: Латвия
- Аудио система: JVC TD-V662, Kenwood KX-880HX,
PP 6Н8С+EL34 20W
Акустика: Sony SS-G1 MK2
SONY WH-1000XM4,AKG K514, ATH-AVC500,
Звуковая: Focusrite 2i4
Re: Двухтактный на лампах EL34 в триодном включении
Включил УЛ режим. Мощнось подскочила до 19Вт, но на АЧХ не влияет никак. При УЛ режиме ООС можно вводить?
- LinuxManiac
- Добрейший модератор
- Сообщения: 1214
- Стаж: 6 лет 8 месяцев
- Репутация: 780
- Откуда: Киев
- Контактная информация:
-
gelert
- Гуру электроники☆☆☆☆
- Сообщения: 322
- Стаж: 3 года 3 месяца
- Репутация: 110
- Откуда: Горлівка Донецької обл
- Аудио система: homemade
Re: Двухтактный на лампах EL34 в триодном включении
І ось тут ми побачимо реальну ачх.
- m-shara
- Почетный спонсор
- Сообщения: 1166
- Стаж: 2 года 11 месяцев
- Репутация: 203
- Откуда: Латвия
- Аудио система: JVC TD-V662, Kenwood KX-880HX,
PP 6Н8С+EL34 20W
Акустика: Sony SS-G1 MK2
SONY WH-1000XM4,AKG K514, ATH-AVC500,
Звуковая: Focusrite 2i4
Re: Двухтактный на лампах EL34 в триодном включении
Величина оос задається резистором оос і величиною катодного. А для чого ще подільник напруги на виході? Це ще збільшує оос?
-
gelert
- Гуру электроники☆☆☆☆
- Сообщения: 322
- Стаж: 3 года 3 месяца
- Репутация: 110
- Откуда: Горлівка Донецької обл
- Аудио система: homemade
Re: Двухтактный на лампах EL34 в триодном включении
На яку схему ви посилаєтесь? Бо я вже заблукав.
- m-shara
- Почетный спонсор
- Сообщения: 1166
- Стаж: 2 года 11 месяцев
- Репутация: 203
- Откуда: Латвия
- Аудио система: JVC TD-V662, Kenwood KX-880HX,
PP 6Н8С+EL34 20W
Акустика: Sony SS-G1 MK2
SONY WH-1000XM4,AKG K514, ATH-AVC500,
Звуковая: Focusrite 2i4
Re: Двухтактный на лампах EL34 в триодном включении
Звичайно на схему "Шишидо".download/file.php?id=11233
-
gelert
- Гуру электроники☆☆☆☆
- Сообщения: 322
- Стаж: 3 года 3 месяца
- Репутация: 110
- Откуда: Горлівка Донецької обл
- Аудио система: homemade
Re: Двухтактный на лампах EL34 в триодном включении
Зрозуміло. Цей подільник зменшує глибину НЗЗ, бо в ланцюг потрапляє з вторинної обмотки тільки частина сигналу, в даному випадку приблизно 0,6 від поточного значення. На додаток цей дільник здійснює початкове постійне навантаження, що є корисним для схеми взагалі. Можливі випадки втрати навантаження (відрив дроту тощо), в двотактній схемі це може викликати перенапруження в первинній обмотці завдяки самоіндукції і пробій первинної обмотки. Для запобігання цьому превентивно підвантажують вихід і якомога ближче і надійніше до обмотки трансформатора, або шунтують первинні напів обмотки розрядниками.
- m-shara
- Почетный спонсор
- Сообщения: 1166
- Стаж: 2 года 11 месяцев
- Репутация: 203
- Откуда: Латвия
- Аудио система: JVC TD-V662, Kenwood KX-880HX,
PP 6Н8С+EL34 20W
Акустика: Sony SS-G1 MK2
SONY WH-1000XM4,AKG K514, ATH-AVC500,
Звуковая: Focusrite 2i4
Re: Двухтактный на лампах EL34 в триодном включении
Запустил один канал с предложенной схемой коррекции АЧХ. До 10 кГц -прямая, по 14 кГц- подъем на 2 дБ и спуск обратно к 0, после 14 кГц к 18-ти - спад на 3 дБ. Но даже это не главное - по мере увеличения частоты уменьшается мощность при увеличении искажений. Мощность падает в несколько раз. Я считаю дальнейшую игру с коррекцией кривых трансформаторов бесполезной.Justas* писал(а): 24 мар 2025, 11:16 Так это и есть схема ООС Шишидовского усилителя, R1, C1, R2 – катодный. Она кстати, тоже частотнозависимая, с увеличением ООС на ВЧ (С4 на схеме). На графике синяя кривая.
ООС.png
Я к ней добавил C2, R3, которые рассчитаны так, чтобы скомпенсировать снижение АЧХ на ВЧ Вашего усилителя. Коричневая кривая.
Если усиление с ООС падает ниже плинтуса, значит общий Кус Вашего усилителя, гораздо ниже Шишидовского. Уменьшите общую глубину ООС уменьшением (увеличением) одного из резисторов делителя на вторичке.
- m-shara
- Почетный спонсор
- Сообщения: 1166
- Стаж: 2 года 11 месяцев
- Репутация: 203
- Откуда: Латвия
- Аудио система: JVC TD-V662, Kenwood KX-880HX,
PP 6Н8С+EL34 20W
Акустика: Sony SS-G1 MK2
SONY WH-1000XM4,AKG K514, ATH-AVC500,
Звуковая: Focusrite 2i4
Re: Двухтактный на лампах EL34 в триодном включении
І що, 300 Ом досить? Мені здається що і 30 Ом буде легким навантаженням.gelert писал(а): 31 мар 2025, 17:23 На додаток цей дільник здійснює початкове постійне навантаження, що є корисним для схеми взагалі.
-
gelert
- Гуру электроники☆☆☆☆
- Сообщения: 322
- Стаж: 3 года 3 месяца
- Репутация: 110
- Откуда: Горлівка Донецької обл
- Аудио система: homemade
Re: Двухтактный на лампах EL34 в триодном включении
300 Ом то можна і зменшити, але це вже не нескінченність.
Невже транс настільки кривий? Нібито показники непогані.
Невже транс настільки кривий? Нібито показники непогані.
-
sub
- Почетный пользователь
- Сообщения: 56
- Стаж: 3 года 1 месяц
- Репутация: 64
- Откуда: Киев
- Аудио система: Tube Amplifier SE 6V1P + 6P36S
JLH 1969
JLH 2003
FX-Audio - FX502S PRO
MB Quart 1000
Sony SS G3
ЦАП: SMSL DO100
Re: Двухтактный на лампах EL34 в триодном включении
Така сама думкаgelert писал(а): 01 апр 2025, 12:00 300 Ом то можна і зменшити, але це вже не нескінченність.
Невже транс настільки кривий? Нібито показники непогані.
транс може бути кривим, але щоб настільки......
на мою думку, десь закралась помилка, або в збірці, або в налаштуваннях
бо дуже схоже що утворився фільтр ВЧ і він ріже АЧХ
бо НЗЗ як раз віпрацьовує згідно задуму і схемі - від піднімає ВЧ, до межі зрізу, а мав піднімати і далі до 20кГц і вище
рекомендую уважно передивитись збірку,
таке враження що у вас працює фільтр ВЧ із частотою зрізу 14кГц (начеб-то на такій межі у вас починається спад)
- m-shara
- Почетный спонсор
- Сообщения: 1166
- Стаж: 2 года 11 месяцев
- Репутация: 203
- Откуда: Латвия
- Аудио система: JVC TD-V662, Kenwood KX-880HX,
PP 6Н8С+EL34 20W
Акустика: Sony SS-G1 MK2
SONY WH-1000XM4,AKG K514, ATH-AVC500,
Звуковая: Focusrite 2i4
Re: Двухтактный на лампах EL34 в триодном включении
Спад починається із 4 кГц. НЗЗ підняв частоту до 14 кГц. Прийду додому провірю чи все правильно. Єдина деталь що може привести до такого результату, це резистор 150 кОм через який подається зміщення. Може я там нахімічив?sub писал(а): 01 апр 2025, 14:32Така сама думка
транс може бути кривим, але щоб настільки......
на мою думку, десь закралась помилка, або в збірці, або в налаштуваннях
бо дуже схоже що утворився фільтр ВЧ і він ріже АЧХ
бо НЗЗ як раз віпрацьовує згідно задуму і схемі - від піднімає ВЧ, до межі зрізу, а мав піднімати і далі до 20кГц і вище
рекомендую уважно передивитись збірку,
таке враження що у вас працює фільтр ВЧ із частотою зрізу 14кГц (начеб-то на такій межі у вас починається спад)
ПС: Провірив єдину ділянку де можливо помилитися і замість 150 ком поставити 15. Але все гаразд. Сітки елок відносно землі мають близько 160 ком. Прогнав частоту на виключеному УНЧ. Подавав на анод (5) ФІ а знімав з сітки елки (5). АЧХ при рівні сигнала 7,7 В від 1кгц до 200кгц, без втрат.
- m-shara
- Почетный спонсор
- Сообщения: 1166
- Стаж: 2 года 11 месяцев
- Репутация: 203
- Откуда: Латвия
- Аудио система: JVC TD-V662, Kenwood KX-880HX,
PP 6Н8С+EL34 20W
Акустика: Sony SS-G1 MK2
SONY WH-1000XM4,AKG K514, ATH-AVC500,
Звуковая: Focusrite 2i4
Re: Двухтактный на лампах EL34 в триодном включении
В мене виникла думка. А що як перевести вихідні каскади в режим автозміщення? (для провірки). Чи з цією схемою це неможливо? Можливо пан Дмитро підкаже? Та заодно і порадить якої величини ставити катодні резистори?
- m-shara
- Почетный спонсор
- Сообщения: 1166
- Стаж: 2 года 11 месяцев
- Репутация: 203
- Откуда: Латвия
- Аудио система: JVC TD-V662, Kenwood KX-880HX,
PP 6Н8С+EL34 20W
Акустика: Sony SS-G1 MK2
SONY WH-1000XM4,AKG K514, ATH-AVC500,
Звуковая: Focusrite 2i4
Re: Двухтактный на лампах EL34 в триодном включении
Еще один вопрос возник: а нельзя ли проверить ТВЗ, подав частоту с генератора но наоборот, на выход. А снимать сигнал со входной обмотки. Может кто то пробовал?
-
sub
- Почетный пользователь
- Сообщения: 56
- Стаж: 3 года 1 месяц
- Репутация: 64
- Откуда: Киев
- Аудио система: Tube Amplifier SE 6V1P + 6P36S
JLH 1969
JLH 2003
FX-Audio - FX502S PRO
MB Quart 1000
Sony SS G3
ЦАП: SMSL DO100
Re: Двухтактный на лампах EL34 в триодном включении
У вас є можливість зробити заміри міжобмоточної ємності?m-shara писал(а): 02 апр 2025, 16:54 Еще один вопрос возник: а нельзя ли проверить ТВЗ, подав частоту с генератора но наоборот, на выход. А снимать сигнал со входной обмотки. Может кто то пробовал?
- m-shara
- Почетный спонсор
- Сообщения: 1166
- Стаж: 2 года 11 месяцев
- Репутация: 203
- Откуда: Латвия
- Аудио система: JVC TD-V662, Kenwood KX-880HX,
PP 6Н8С+EL34 20W
Акустика: Sony SS-G1 MK2
SONY WH-1000XM4,AKG K514, ATH-AVC500,
Звуковая: Focusrite 2i4
Re: Двухтактный на лампах EL34 в триодном включении
Якщо дасте посилання на схему і формулу, то прилади в мене є. Я думаю що там крім вольтметра, амперметра ( двох тестерів) та генератора більш нічого і не потрібно.
-----------------------------------
Що цікаво що при підключених міжблочних проводах появився добре чутний в паузах фон. Він моментально зникає при виключенні, отже наводки від трансформатора або земляні петлі. Але зараз в мене перерва. Як буде все гаразд то думаю що треба трохи переробити монтаж. Тим більше що зараз все добре видно.
- LinuxManiac
- Добрейший модератор
- Сообщения: 1214
- Стаж: 6 лет 8 месяцев
- Репутация: 780
- Откуда: Киев
- Контактная информация:
Re: Двухтактный на лампах EL34 в триодном включении
Сообщение про ламповый звук вынесено в новую тему
viewtopic.php?t=2350
viewtopic.php?t=2350
050-246-3341; Viber: 068-362-3497
-
sub
- Почетный пользователь
- Сообщения: 56
- Стаж: 3 года 1 месяц
- Репутация: 64
- Откуда: Киев
- Аудио система: Tube Amplifier SE 6V1P + 6P36S
JLH 1969
JLH 2003
FX-Audio - FX502S PRO
MB Quart 1000
Sony SS G3
ЦАП: SMSL DO100
Re: Двухтактный на лампах EL34 в триодном включении
Самий простий і доступний спосіб - LC-метром, щупи до двох анодів первинної обмоткиm-shara писал(а): 02 апр 2025, 20:14
Якщо дасте посилання на схему і формулу, то прилади в мене є. Я думаю що там крім вольтметра, амперметра ( двох тестерів) та генератора більш нічого і не потрібно.
-----------------------------------
Складніше, і не факт що точніше - резонансний спосіб, потрібно трохи заморочитись але з наяними у вас приладами можна
Потрібен генератор + осцилограф (резонансний метод)+невеликий дроссель з відомою індуктивністю
Кроки:
Увімкни генератор сигналів (синусоїда 10 кГц – 500 кГц).
Потрібно підключи послідовно:
1) Невеликий відомий індуктивний дросель (L)
2) Первинну обмотку трансформатора ( анод-анод)
3) заміряти напругу на дроселі осцилографом.
4) Змінюєте частоту генератора до резонансу (максимум напруги на дроселі).
Обчисли міжвиткову ємність за формулою:
С = 1 / ((2 * π * f)² *L)
де:
C — міжвиткова ємність (в фарадах),
f — частота резонансу (в герцах),
L — індуктивність (в Генрі)
І так само було б добре знати реальне Ra
Ra−a=R (нагрузки) ×N(коефф трансформації) ^2 (в квадраті)
Тобто якщо навантаження 8 Ом
Ra-a=8 хN^2
Знаючи реальний С можна розуміти чи винен трансформатор (він має бути якумога менший)
Чим вон абільша, тим більший завал ВЧ
Цікаво побачити ваші результати замірів
- m-shara
- Почетный спонсор
- Сообщения: 1166
- Стаж: 2 года 11 месяцев
- Репутация: 203
- Откуда: Латвия
- Аудио система: JVC TD-V662, Kenwood KX-880HX,
PP 6Н8С+EL34 20W
Акустика: Sony SS-G1 MK2
SONY WH-1000XM4,AKG K514, ATH-AVC500,
Звуковая: Focusrite 2i4
Re: Двухтактный на лампах EL34 в триодном включении
Невеликий дросель це скільки? mH, uH чи долі генрі? Чи є якісь границі тої допустимої ємності? А так, буде, скажем 20nF, чи то добре чи погано як взнати?
Якщо взяти ось цю інформацію, то получається 12к
Ra-a=8 хN^2 N=155,4/11,3=13,75; (8*13,75)^2=12100. Я подивився на те, що опори анодних обмоток фактично одинакові, то секціювання принаймні по схемі 1/4-1/2-1/4 мало б бути.
Якщо взяти ось цю інформацію, то получається 12к
Ra-a=8 хN^2 N=155,4/11,3=13,75; (8*13,75)^2=12100. Я подивився на те, що опори анодних обмоток фактично одинакові, то секціювання принаймні по схемі 1/4-1/2-1/4 мало б бути.
Последний раз редактировалось m-shara 04 апр 2025, 21:42, всего редактировалось 1 раз.
-
sub
- Почетный пользователь
- Сообщения: 56
- Стаж: 3 года 1 месяц
- Репутация: 64
- Откуда: Киев
- Аудио система: Tube Amplifier SE 6V1P + 6P36S
JLH 1969
JLH 2003
FX-Audio - FX502S PRO
MB Quart 1000
Sony SS G3
ЦАП: SMSL DO100
Re: Двухтактный на лампах EL34 в триодном включении
Дросель індуктивність якого вам точно відомаm-shara писал(а): 04 апр 2025, 21:31 Невеликий дросель це скільки? mH, uH чи долі генрі? Чи є якісь границі тої допустимої ємності? А так, буде, скажем 20nF, чи то добре чи погано як взнати?
Можу помилитися, читав давно
Вважається гарним показником (відомі виробники) менше
1000 пФ
Добрий показник
2000 пФ
Навіть 7000-9000 пФ дають добрі результати
Цікаво ваші результати
-
sub
- Почетный пользователь
- Сообщения: 56
- Стаж: 3 года 1 месяц
- Репутация: 64
- Откуда: Киев
- Аудио система: Tube Amplifier SE 6V1P + 6P36S
JLH 1969
JLH 2003
FX-Audio - FX502S PRO
MB Quart 1000
Sony SS G3
ЦАП: SMSL DO100
Re: Двухтактный на лампах EL34 в триодном включении
Raa= 8 x 13,75 x 13,75 =1512,5m-shara писал(а): 04 апр 2025, 21:31 Якщо взяти ось цю інформацію, то получається 12к
Ra-a=8 хN^2 N=155,4/11,3=13,75; (8*13,75)^2=12100.
ТВЗ_вых_напр-1.jpg
У вас Raa на 8 ом виходить 1,5 к
Згідно результатів ваших замірів
якщо це вірно - це дуже низький показник і лампа не узгоджена з трансформатором
Якщо у вас EL 34 то для класу А бажано 5-6 к
Для класу АВ 3,5-4,5 К
-
gelert
- Гуру электроники☆☆☆☆
- Сообщения: 322
- Стаж: 3 года 3 месяца
- Репутация: 110
- Откуда: Горлівка Донецької обл
- Аудио система: homemade
Re: Двухтактный на лампах EL34 в триодном включении
!_____________________________8*(13,75)^2=1512,5
- m-shara
- Почетный спонсор
- Сообщения: 1166
- Стаж: 2 года 11 месяцев
- Репутация: 203
- Откуда: Латвия
- Аудио система: JVC TD-V662, Kenwood KX-880HX,
PP 6Н8С+EL34 20W
Акустика: Sony SS-G1 MK2
SONY WH-1000XM4,AKG K514, ATH-AVC500,
Звуковая: Focusrite 2i4
Re: Двухтактный на лампах EL34 в триодном включении
Я напевно неправильно порахував. Потрібно для цілої анодної обмотки? Тоді і вийде 6к.sub писал(а): 04 апр 2025, 22:24Raa= 8 x 13,75 x 13,75 =1512,5m-shara писал(а): 04 апр 2025, 21:31 Якщо взяти ось цю інформацію, то получається 12к
Ra-a=8 хN^2 N=155,4/11,3=13,75; (8*13,75)^2=12100.
ТВЗ_вых_напр-1.jpg
У вас Raa на 8 ом виходить 1,5 к
Згідно результатів ваших замірів
якщо це вірно - це дуже низький показник і лампа не узгоджена з трансформатором
Якщо у вас EL 34 то для класу А бажано 5-6 к
Для класу АВ 3,5-4,5 К
- m-shara
- Почетный спонсор
- Сообщения: 1166
- Стаж: 2 года 11 месяцев
- Репутация: 203
- Откуда: Латвия
- Аудио система: JVC TD-V662, Kenwood KX-880HX,
PP 6Н8С+EL34 20W
Акустика: Sony SS-G1 MK2
SONY WH-1000XM4,AKG K514, ATH-AVC500,
Звуковая: Focusrite 2i4
Re: Двухтактный на лампах EL34 в триодном включении
С = 1 / ((2 * π * f)² *L)
де:
C — міжвиткова ємність (в фарадах),
f — частота резонансу (в герцах),
L — індуктивність (в Генрі)
C= 1/((2*3.14*17300)²*0,00482=20 nF
Правда, ємність міряв вдома китайським LC-метром. Буде поправка.
де:
C — міжвиткова ємність (в фарадах),
f — частота резонансу (в герцах),
L — індуктивність (в Генрі)
C= 1/((2*3.14*17300)²*0,00482=20 nF
Правда, ємність міряв вдома китайським LC-метром. Буде поправка.
- m-shara
- Почетный спонсор
- Сообщения: 1166
- Стаж: 2 года 11 месяцев
- Репутация: 203
- Откуда: Латвия
- Аудио система: JVC TD-V662, Kenwood KX-880HX,
PP 6Н8С+EL34 20W
Акустика: Sony SS-G1 MK2
SONY WH-1000XM4,AKG K514, ATH-AVC500,
Звуковая: Focusrite 2i4
Re: Двухтактный на лампах EL34 в триодном включении
Що скажете про такий англійський трансформатор?
https://www.thatsaudio.co.uk/product/hi ... p-v78a01f/
Можете не казати, в європейську Латвію європейці не шлють.
https://www.thatsaudio.co.uk/product/hi ... p-v78a01f/
Можете не казати, в європейську Латвію європейці не шлють.
Последний раз редактировалось m-shara 05 апр 2025, 12:40, всего редактировалось 1 раз.