Темы в форуме
Новые сообщения
-
17-окт Двухтактный на лампах EL34 в триодном включении
-
17-окт Усилитель Беслика А.И на Германиевых транзисторах v3.01
-
16-окт Усилитель D класса на базе плат 2_062 S_AUDIO от Alex
-
16-окт Усилитель на плате PTERO REV 1_03 TAS5342A cборка от Alex
-
15-окт Помощь в подборе усилителя.
-
14-окт Усилитель звука D класса Clone purifi Hb 3.064 ULTRA
-
14-окт JLH 1969 Vintage Style
-
14-окт МА12070. Прекрасная фрау, с которой мало кто дружит
-
09-окт Однотактный на 6П45С в триодном/ультралинейном включении
-
04-окт Интересный усилитель AIYIMA A80 TPA3255 PFFB
-
23-сен AIYIMA A80 - нестабільна робота оптичного входу Toslink
-
18-сен Усилитель, работающий от пульта ТВ.
-
16-сен Регулятор тембра
-
14-сен А не собрать ли мне Hi-END? На Clone purifi 3.065 ULTRA
-
10-сен Як звучить підсилювач на мс. STK407-090B?
Новые темы
-
12-окт Усилитель Беслика А.И на Германиевых транзисторах v3.01
-
21-сен Snail II
-
15-сен Регулятор тембра
-
12-сен Усилитель, работающий от пульта ТВ.
-
08-сен Класс Д с классическим БП
-
07-сен Як звучить підсилювач на мс. STK407-090B?
-
31-авг Нужен стерео усилитель под заказ (хай енд)
-
29-авг Винтаж в помойку?
-
28-авг Помощь в подборе усилителя.
-
18-авг Усилитель D класса на базе плат 2_062 S_AUDIO от Alex
-
12-авг Триодные ламповые усилители
-
06-авг Fosi Audio GR70 ламповый усилитель для наушников Класс A
-
26-июл Однотактный на Г811
-
23-июл Двухтактный на 6Н13С с фазоинвертором на двойном пентоде
-
21-июл Усилитель Wangine Wsa-120
Наш youtube
Наш инстаграм
☝ Сказать спасибо!
Правила форума
TPA3255 Stereo PurePath™ Ultra-HD. PFFB.
- lexey
- Самоделкин
- Сообщения: 269
- Стаж: 3 года 11 месяцев
- Репутация: 220
- Откуда: Усть-Каменогорск
- Аудио система: :
ЦАП: SMSL SU-9 PRO es9039pro
Усилитель: 3_065р ULTRA
Акустика: Проект xrk971
Re: TPA3255 Stereo PurePath™ Ultra-HD. PFFB.
250+8020 4/1
2,5Вт+2,5Вт ИМИ 18к+19к
Весь мир - Варкрафт, а ты в нём Мурлок.
- lexey
- Самоделкин
- Сообщения: 269
- Стаж: 3 года 11 месяцев
- Репутация: 220
- Откуда: Усть-Каменогорск
- Аудио система: :
ЦАП: SMSL SU-9 PRO es9039pro
Усилитель: 3_065р ULTRA
Акустика: Проект xrk971
Re: TPA3255 Stereo PurePath™ Ultra-HD. PFFB.
Осталось две платы, если кто-то хочет приобрести, пишите в лс

Весь мир - Варкрафт, а ты в нём Мурлок.
-
- Пользователь
- Сообщения: 48
- Стаж: 2 года 3 месяца
- Репутация: 8
- Откуда: Алтайский край
- Аудио система: Мак мини, ресивер пионер, акустика mcd908
Re: TPA3255 Stereo PurePath™ Ultra-HD. PFFB.
А стоило ли вообще замарачиваться с этой платой если на Али куча готовых решений например тот же fosi audio v3 - готовая плата со сменой оп. усилителей, в корпусе уже. Или чисто для себя вы решили по эксперементировать?
- lexey
- Самоделкин
- Сообщения: 269
- Стаж: 3 года 11 месяцев
- Репутация: 220
- Откуда: Усть-Каменогорск
- Аудио система: :
ЦАП: SMSL SU-9 PRO es9039pro
Усилитель: 3_065р ULTRA
Акустика: Проект xrk971
Re: TPA3255 Stereo PurePath™ Ultra-HD. PFFB.
Fosi audio в корпусе и с БП ещё и дешевле будет
Я бывает собираю мощники для одного человека. У него своя фирма по подключению, организации аудио в домах. И клиен всегда воротит носом когда узнают что в усилителе есть алиэкспресс и обращаются к мне в последнюю очередь из-за этого. Тогда я собирал на платах Юрия 1_02, но БП был с Али.
Для мощника в котором все будет сделано мной остаётся вопрос только с БП. Этим сейчас занимаюсь.
А про плату, я знаю какие компоненты в ней стоят, не самые дешевые, нормального качества. И самое главное как она сделана, какие компоненты за что отвечают. В связи с этим я могу чинить изделие сам, давать на него гарантию. Не ломиться в тех поддержку Али, не говорить на разных языках с продавцом. Я не в коем случае не хочу сказать что изделия fosi плохие.
Так как при заказе плат большего количества на заводе цена производства становится ниже. Можно попробовать излишки реализовывать. Наверняка найдутся DIYщики которые захотят собрать себе ум на моих платах. Тут конечно Али сново возьмёт ценой, я находил платы за 18 долларов с доставкой
Посмотрим.
В планах сделать ещё моно платы.

Я бывает собираю мощники для одного человека. У него своя фирма по подключению, организации аудио в домах. И клиен всегда воротит носом когда узнают что в усилителе есть алиэкспресс и обращаются к мне в последнюю очередь из-за этого. Тогда я собирал на платах Юрия 1_02, но БП был с Али.
Для мощника в котором все будет сделано мной остаётся вопрос только с БП. Этим сейчас занимаюсь.
А про плату, я знаю какие компоненты в ней стоят, не самые дешевые, нормального качества. И самое главное как она сделана, какие компоненты за что отвечают. В связи с этим я могу чинить изделие сам, давать на него гарантию. Не ломиться в тех поддержку Али, не говорить на разных языках с продавцом. Я не в коем случае не хочу сказать что изделия fosi плохие.
Так как при заказе плат большего количества на заводе цена производства становится ниже. Можно попробовать излишки реализовывать. Наверняка найдутся DIYщики которые захотят собрать себе ум на моих платах. Тут конечно Али сново возьмёт ценой, я находил платы за 18 долларов с доставкой

Посмотрим.
В планах сделать ещё моно платы.
Весь мир - Варкрафт, а ты в нём Мурлок.
-
- Пользователь
- Сообщения: 48
- Стаж: 2 года 3 месяца
- Репутация: 8
- Откуда: Алтайский край
- Аудио система: Мак мини, ресивер пионер, акустика mcd908
Re: TPA3255 Stereo PurePath™ Ultra-HD. PFFB.
Возьмите два уся от того же fosi v3 извлеките из корпуса платы для вас дешевле будет там комплектуха нормальная уже стоит,оформите в один корпус вместе с тем же народным llc500 только однополярным либо мейнвел, обьедените вход на каждой плате суматором и получиться усь для вашего знакомого с выходом bi-amp
- но уже не Китай т. к. идея и сборка ваша , только без гемора по разводке и пайки платы. Можно ещё Никита прикрутить за место родных регуляторов



- Justas*
- Гуру электроники☆☆☆☆
- Сообщения: 2217
- Стаж: 4 года
- Репутация: 1245
- Откуда: Украина
- Аудио система: viewtopic.php?p=17721#p17721
Re: TPA3255 Stereo PurePath™ Ultra-HD. PFFB.
Собранный их «кубиков» с Али девайс, не даёт той радости и чувства удовлетворения от собранного собственноручно.
Хотя (если не брать откровенный хлам), китайские изделия имеют превосходные параметры и собраны на довольно приличной комплектухе.
Если уж брать Китай на TPA3255, то лучше O-NOORUS D1 . Немного дороже но…
Индикатор, пульт, отключаемый темброблок, выход на саб с встроенным ФНЧ и наконец то PFFB!
Хотя (если не брать откровенный хлам), китайские изделия имеют превосходные параметры и собраны на довольно приличной комплектухе.
Если уж брать Китай на TPA3255, то лучше O-NOORUS D1 . Немного дороже но…
Индикатор, пульт, отключаемый темброблок, выход на саб с встроенным ФНЧ и наконец то PFFB!
-
- Пользователь
- Сообщения: 27
- Стаж: 5 лет 1 месяц
- Репутация: 1
- Откуда: Волгоград
- Аудио система: Revox B226 Signature, Lynx P-05, Threshold Stasis 2, Trio LS-505
Re: TPA3255 Stereo PurePath™ Ultra-HD. PFFB.
Тоже стал счастливым обладателем этой платы. Что хочу сказать: отличный усилитель! Звучит, как говорится, "искаропки", никаких прогревов, прогонов, настроек, собрал (Ну как собрал: подключил БП, вход и акустику) и слушай. Звук замечательный, очень быстрый, живой, разборчивость инструментов отличная, стерео, объем - все отлично! Всеядный, не жанровый, играет все от блек метала до Кая Метова 
Звук очень залипательный, эмоции музыки передает великолепно, ну и за счет малых искажений все время хочется навалить побольше громкости, такая ручка "кайф" получается
А как он драм-н-бейс лупит, сказка 
Одним словом спасибо Алексею за такую замечательную конструкцию и дальнейших творческих успехов!
P.S. Фото макетки не публикую из гуманных соображений
Как упакую в корпус, так обязательно покажу.

Звук очень залипательный, эмоции музыки передает великолепно, ну и за счет малых искажений все время хочется навалить побольше громкости, такая ручка "кайф" получается


Одним словом спасибо Алексею за такую замечательную конструкцию и дальнейших творческих успехов!
P.S. Фото макетки не публикую из гуманных соображений

- lexey
- Самоделкин
- Сообщения: 269
- Стаж: 3 года 11 месяцев
- Репутация: 220
- Откуда: Усть-Каменогорск
- Аудио система: :
ЦАП: SMSL SU-9 PRO es9039pro
Усилитель: 3_065р ULTRA
Акустика: Проект xrk971
Re: TPA3255 Stereo PurePath™ Ultra-HD. PFFB.
Большое спасибо за обратную связь
Это очень важно для меня. Для того чтобы я понимал в правильном ли направлении я двигаюсь.

Это очень важно для меня. Для того чтобы я понимал в правильном ли направлении я двигаюсь.
Весь мир - Варкрафт, а ты в нём Мурлок.
- lexey
- Самоделкин
- Сообщения: 269
- Стаж: 3 года 11 месяцев
- Репутация: 220
- Откуда: Усть-Каменогорск
- Аудио система: :
ЦАП: SMSL SU-9 PRO es9039pro
Усилитель: 3_065р ULTRA
Акустика: Проект xrk971
-
- Разработчик
- Сообщения: 1397
- Стаж: 5 лет 2 месяца
- Репутация: 1225
- Откуда: Ивано-Франковск
- Аудио система: DX3pro
Focal horus716
S_Audio stereo AMP 2_061
Re: TPA3255 Stereo PurePath™ Ultra-HD. PFFB.
Чуть позже измерю, плата еще у меня.
-
- Пользователь
- Сообщения: 27
- Стаж: 2 года 2 месяца
- Репутация: 5
- Откуда: г.Донецк
- Аудио система: Система №1:
1. Фронт : Beyma 8G-40 + fountek neocd3.5
2. Сабвуфер БП4 MAG m1270R
3. Поканалка ВП2006, LM3886. Управление - 6ти-канальный аудио процессор DCX2496 С интегрированным - селектором цифровых входов, лестничным РГ Никитина каждого канала, управление с ДУ, либо штатным энкодером.
Система №2
1. Audiotrak prodigy HD2
2. ТБ Матюшкина
3. РГ Никитина
4. TPA3255 с обратной связью
5. S90 реставрированные
Re: TPA3255 Stereo PurePath™ Ultra-HD. PFFB.
Что в них превосходного, комплектуха? Хорошо если сам чип оригинал, остальное 80% - перемаркеры ноунеймы, дохлые катушки - из-за чего растут искажения , т.к. ООС не глубокая. Сравните спектры платы с данной темы и китайцев, что Alex тестировал. Если лень смотреть, разница - 20дБ
https://www.youtube.com/watch?v=3SCfCzCnd20&t=532s
https://www.youtube.com/watch?v=w9lP5WQQVc0&t=678s
Нормальные варианты у них почему-то сняты с производства, либо неоправданно дорогие https://aliexpress.ru/item/100500478426 ... 0475078706
- Justas*
- Гуру электроники☆☆☆☆
- Сообщения: 2217
- Стаж: 4 года
- Репутация: 1245
- Откуда: Украина
- Аудио система: viewtopic.php?p=17721#p17721
Re: TPA3255 Stereo PurePath™ Ultra-HD. PFFB.
Вы хотите увидеть в полностью законченном изделии за 44 и 54$, Блек Гейты и высококачественные катушки?
Впрочем, не смотря на отсутствие оных , тот же Fosi Audio V3 по измерениям Alex, имеет TND 0,0048% что вполне согласуется с даташитом на TPA3255
И как с этим связать: «Хорошо если сам чип оригинал, остальное 80% - перемаркеры ноунеймы, дохлые катушки»?
Где то 0,0012%.Действительно есть разница, но в 12 дБ. В любом случае прогресс.
И Вам не кажется, что не корректно сравнивать усилители на 3255 с PFFB и без неё?
PFFB в первую очередь предназначена для линеаризации ФНЧ с «дохлыми катушками».
Поэтому я и рекомендовал приглядеться к O-NOORUS D1 TPA3255 PFFB.
Говоря что «китайские изделия имеют превосходные параметры и собраны на довольно приличной комплектухе», я имел ввиду не только усилители. У Alex есть обзоры 50$ ЦАП.
Несмотря на не «фирменную» комплектуху, параметры действительно превосходные, можно сказать запредельные.
PS
Являясь сторонником DIY и различного рода апгрейдов, я не крошу батон на усилитель lexey.
Отличный усилитель, из TPA3255 выжато всё что можно.

Впрочем, не смотря на отсутствие оных , тот же Fosi Audio V3 по измерениям Alex, имеет TND 0,0048% что вполне согласуется с даташитом на TPA3255
И как с этим связать: «Хорошо если сам чип оригинал, остальное 80% - перемаркеры ноунеймы, дохлые катушки»?
Посмотрел , не смотря на лень.Сравните спектры платы с данной темы и китайцев, что Alex тестировал. Если лень смотреть, разница - 20дБ

В этих усилителях вообще нет ООС после катушки (PFFB).…дохлые катушки - из-за чего растут искажения , т.к. ООС не глубокая.
И Вам не кажется, что не корректно сравнивать усилители на 3255 с PFFB и без неё?
PFFB в первую очередь предназначена для линеаризации ФНЧ с «дохлыми катушками».
Поэтому я и рекомендовал приглядеться к O-NOORUS D1 TPA3255 PFFB.
Говоря что «китайские изделия имеют превосходные параметры и собраны на довольно приличной комплектухе», я имел ввиду не только усилители. У Alex есть обзоры 50$ ЦАП.
Несмотря на не «фирменную» комплектуху, параметры действительно превосходные, можно сказать запредельные.
PS
Являясь сторонником DIY и различного рода апгрейдов, я не крошу батон на усилитель lexey.
Отличный усилитель, из TPA3255 выжато всё что можно.
-
- Пользователь
- Сообщения: 27
- Стаж: 2 года 2 месяца
- Репутация: 5
- Откуда: г.Донецк
- Аудио система: Система №1:
1. Фронт : Beyma 8G-40 + fountek neocd3.5
2. Сабвуфер БП4 MAG m1270R
3. Поканалка ВП2006, LM3886. Управление - 6ти-канальный аудио процессор DCX2496 С интегрированным - селектором цифровых входов, лестничным РГ Никитина каждого канала, управление с ДУ, либо штатным энкодером.
Система №2
1. Audiotrak prodigy HD2
2. ТБ Матюшкина
3. РГ Никитина
4. TPA3255 с обратной связью
5. S90 реставрированные
Re: TPA3255 Stereo PurePath™ Ultra-HD. PFFB.
Я одного не понимаю, почему большинство производителей в принципе забили на PFFB, это же никак не удорожает конструкцию, все элементы копеечные.
У меня вот по сабжу вопрос, может где либо обсуждался - правильно ли третью ногу дросселей заземлять? Ведь это дополнительная магнитная связь между собой. И по частоте несущей, при 600кГц - TPA3255 с уверенностью держит 48v/4 ом ? Либо что-то придется снизить?
У меня вот по сабжу вопрос, может где либо обсуждался - правильно ли третью ногу дросселей заземлять? Ведь это дополнительная магнитная связь между собой. И по частоте несущей, при 600кГц - TPA3255 с уверенностью держит 48v/4 ом ? Либо что-то придется снизить?
Последний раз редактировалось Jekson 24 июн 2024, 19:18, всего редактировалось 1 раз.
- lexey
- Самоделкин
- Сообщения: 269
- Стаж: 3 года 11 месяцев
- Репутация: 220
- Откуда: Усть-Каменогорск
- Аудио система: :
ЦАП: SMSL SU-9 PRO es9039pro
Усилитель: 3_065р ULTRA
Акустика: Проект xrk971
Re: TPA3255 Stereo PurePath™ Ultra-HD. PFFB.
Думаю третья нога на таком дросселе нужна исключительно для того чтобы он надежно был закреплен на печатной плате
Я только так и использую плату. "600кГц - TPA3255 с уверенностью держит 48v/4 ом"

Весь мир - Варкрафт, а ты в нём Мурлок.
- Justas*
- Гуру электроники☆☆☆☆
- Сообщения: 2217
- Стаж: 4 года
- Репутация: 1245
- Откуда: Украина
- Аудио система: viewtopic.php?p=17721#p17721
Re: TPA3255 Stereo PurePath™ Ultra-HD. PFFB.
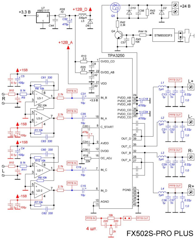
PFFB капризная штука и при плохой трассировке и фиг знает чего то ещё, может глючить. Столкнулся с такой проблемой при апгрейде FX502S-PRO.
Переходной процесс при включении, может приводить к ПОС, перегрузке чипа и отключении с выдачей сигнала Fault (не всегда).
-
- Пользователь
- Сообщения: 27
- Стаж: 2 года 2 месяца
- Репутация: 5
- Откуда: г.Донецк
- Аудио система: Система №1:
1. Фронт : Beyma 8G-40 + fountek neocd3.5
2. Сабвуфер БП4 MAG m1270R
3. Поканалка ВП2006, LM3886. Управление - 6ти-канальный аудио процессор DCX2496 С интегрированным - селектором цифровых входов, лестничным РГ Никитина каждого канала, управление с ДУ, либо штатным энкодером.
Система №2
1. Audiotrak prodigy HD2
2. ТБ Матюшкина
3. РГ Никитина
4. TPA3255 с обратной связью
5. S90 реставрированные
Re: TPA3255 Stereo PurePath™ Ultra-HD. PFFB.
Justas , да - есть такое дело. Но дело не в трассировке. Я мучил ЧипДиповский модуль https://www.chipdip.ru/product/rdc2-003 ... -one-epcos, без PFFB - нет переходного процесса при вкл/выкл. Довесив PFFB без ОУ - он вообще не включался, срабатывала защита (FAUL). Буферизировав входы ОУ все наладилось, единственный нюанс - переходной процесс при выключении. От чего он не разбирался, скорее всего на выходах ОУ идет перекос. Как от него избавиться - можно спросить у DrModd, в своих реализациях он решил данный вопрос, только не помню как именно...вроде правильными стабами
- Justas*
- Гуру электроники☆☆☆☆
- Сообщения: 2217
- Стаж: 4 года
- Репутация: 1245
- Откуда: Украина
- Аудио система: viewtopic.php?p=17721#p17721
Re: TPA3255 Stereo PurePath™ Ultra-HD. PFFB.
В FX-Audio - FX502S PRO есть буферы, они же преобразуют небалансный сигнал в балансный.
В теме я писал как устранил проблему.
В теме я писал как устранил проблему.
Завёл данные выходного фильтра совместно с PFFB в симулятор. Оказалось, что мал запас по фазе. Переходной процесс доводит фазу до -180°, с последующим самовозбуждением. Косвенно об этом говорится в разделе Stability Analysis, PDF «TPA324x and TPA325x Post-Filter Feedback», но не пишется как устранить.
Немного увеличил глубину ООС на ВЧ, скорректировав ёмкость конденсаторов C_fb_out, усилитель стал устойчив в любой конфигурации.
- Justas*
- Гуру электроники☆☆☆☆
- Сообщения: 2217
- Стаж: 4 года
- Репутация: 1245
- Откуда: Украина
- Аудио система: viewtopic.php?p=17721#p17721
Re: TPA3255 Stereo PurePath™ Ultra-HD. PFFB.
А китайцы двухполяркой не заморачиваются
Я сразу сделал двухполярку , но без корректировки C_fb_out, FAULT при включении был через раз.
В PFFB есть зависимость от параметров ФНЧ ( в котором не только LC) и нагрузки

Я сразу сделал двухполярку , но без корректировки C_fb_out, FAULT при включении был через раз.
В PFFB есть зависимость от параметров ФНЧ ( в котором не только LC) и нагрузки
-
- Новичок
- Сообщения: 5
- Стаж: 1 год 6 месяцев
- Репутация: 0
- Откуда: shanghai
- Аудио система: Heco Aurora 700 full 5.1 set + Yamaha V4A :JBL A130 + JBL A100P + Junson JTA50
Re: TPA3255 Stereo PurePath™ Ultra-HD. PFFB.
D1 — биполярный источник питания.
- lexey
- Самоделкин
- Сообщения: 269
- Стаж: 3 года 11 месяцев
- Репутация: 220
- Откуда: Усть-Каменогорск
- Аудио система: :
ЦАП: SMSL SU-9 PRO es9039pro
Усилитель: 3_065р ULTRA
Акустика: Проект xrk971
Re: TPA3255 Stereo PurePath™ Ultra-HD. PFFB.
Планирую сделать плату с виртуальной средней точкой как на PTERO. Посмотрим что получится.
Весь мир - Варкрафт, а ты в нём Мурлок.
- lgedmitry
- Гуру электроники☆☆☆☆
- Сообщения: 1514
- Стаж: 6 лет 3 месяца
- Репутация: 263
- Откуда: Рыбинск
- Аудио система: Самоделки на MA12070, MA12070P, Heybrook HB3, Wharfedale Diamond 12.2
Re: TPA3255 Stereo PurePath™ Ultra-HD. PFFB.
ну вот, не прошло и полгода... А может и прошло уже (с тех пор, как начал строить)

- Alex
- Site Admin
- Сообщения: 4081
- Стаж: 13 лет 11 месяцев
- Репутация: 2632
- Откуда: Kiev
- Аудио система: www.is.gd/l0dt3T
- Контактная информация:
Re: TPA3255 Stereo PurePath™ Ultra-HD. PFFB.
Красиво, поздравляю!
- lexey
- Самоделкин
- Сообщения: 269
- Стаж: 3 года 11 месяцев
- Репутация: 220
- Откуда: Усть-Каменогорск
- Аудио система: :
ЦАП: SMSL SU-9 PRO es9039pro
Усилитель: 3_065р ULTRA
Акустика: Проект xrk971
Re: TPA3255 Stereo PurePath™ Ultra-HD. PFFB.
Здорово получило!
Приятное чувство когда с твоей платой сделали усилитель
Приятное чувство когда с твоей платой сделали усилитель

Весь мир - Варкрафт, а ты в нём Мурлок.
- lgedmitry
- Гуру электроники☆☆☆☆
- Сообщения: 1514
- Стаж: 6 лет 3 месяца
- Репутация: 263
- Откуда: Рыбинск
- Аудио система: Самоделки на MA12070, MA12070P, Heybrook HB3, Wharfedale Diamond 12.2
Re: TPA3255 Stereo PurePath™ Ultra-HD. PFFB.

- lexey
- Самоделкин
- Сообщения: 269
- Стаж: 3 года 11 месяцев
- Репутация: 220
- Откуда: Усть-Каменогорск
- Аудио система: :
ЦАП: SMSL SU-9 PRO es9039pro
Усилитель: 3_065р ULTRA
Акустика: Проект xrk971
Re: TPA3255 Stereo PurePath™ Ultra-HD. PFFB.
Пришли новые платы.
Из нового.
Развел моно плату, PBTL включением.
Также пришли новые стерео платы. Из изменений, на стерео и моно плате ОУ теперь запитываются двуполярным питанием, минус электролиты в схеме ОУ. Теперь в роле стабилизаторов аналоговом питании выступают низко шумящие TPS7A4901 и TPS7A3001. Цифровую часть питает 7812.
Из неудобного, на платах нет не каких DC-DC конверторов, платы теперь нуждаются в доп питании +/-15. Но вроде не страшно, на Алиэкспрес есть нужные предложения
Думаю через неделю соберу.
На заводе заказал пластинки в размер, выглядят симпатично. Тонкие, 1.6мм, но и не планировалось их использовать как основное охлаждение.
Из нового.
Развел моно плату, PBTL включением.
Также пришли новые стерео платы. Из изменений, на стерео и моно плате ОУ теперь запитываются двуполярным питанием, минус электролиты в схеме ОУ. Теперь в роле стабилизаторов аналоговом питании выступают низко шумящие TPS7A4901 и TPS7A3001. Цифровую часть питает 7812.
Из неудобного, на платах нет не каких DC-DC конверторов, платы теперь нуждаются в доп питании +/-15. Но вроде не страшно, на Алиэкспрес есть нужные предложения

Думаю через неделю соберу.
На заводе заказал пластинки в размер, выглядят симпатично. Тонкие, 1.6мм, но и не планировалось их использовать как основное охлаждение.
Весь мир - Варкрафт, а ты в нём Мурлок.
- lexey
- Самоделкин
- Сообщения: 269
- Стаж: 3 года 11 месяцев
- Репутация: 220
- Откуда: Усть-Каменогорск
- Аудио система: :
ЦАП: SMSL SU-9 PRO es9039pro
Усилитель: 3_065р ULTRA
Акустика: Проект xrk971
Re: TPA3255 Stereo PurePath™ Ultra-HD. PFFB.
До моно версии дошли первыми руки. Так как испытывал к ней больший интерес.
Было интересно посмотреть какую мощность смогу получить из своего девайса.
В схеме нет нечего необычного, архив прилеплю в сообщении.
Пробовал подключать народный LLC500. Работает нормально, но иногда он не запускается. Возможно такие же были конфликты у этого бп и с платами 3.06х от Юрия.
LLC500 я переделывал в однополярный и в общем при нагрузке у него проседает выходное напряжение. С 48 да 44в. Не пойдёт.
Пробовал так же и с БП от Юрия SMSL600 +/-48. Нагружал одно плече, он проседал поменьше, но все же. Не пойдет.
*БП Юрия и не должен работать в таком режиме. Я записывал видео на что способен его БП;)
Приобрел БП помощнее, однополярный на 48в. В закромах нашел двуполярный БП +/-15 для подключения доп питания.
Накинул охлад чуть побольше. Пластины что заказывал на JLCPCB не подходят на роль полноценного радиатора. Как переходная деталь для удобства монтажа, да. Хотя я слушал ум с ней около 20м на малой громкости, ошибка не появлялась, но пластина была очень горячей. Не хорошо.
Замерил мощность на 4Ом нагрузке, питание 48в.
До среза синуса получилось примерно 300вт
Максимум что смог получить при таком питании, 430вт.
Результатом полностью доволен:)
Платы и компоненты для сборки есть. Цена за моно плату 65$. Если что то не устроит, то верну деньги после возврата платы
Было интересно посмотреть какую мощность смогу получить из своего девайса.
В схеме нет нечего необычного, архив прилеплю в сообщении.
Пробовал подключать народный LLC500. Работает нормально, но иногда он не запускается. Возможно такие же были конфликты у этого бп и с платами 3.06х от Юрия.
LLC500 я переделывал в однополярный и в общем при нагрузке у него проседает выходное напряжение. С 48 да 44в. Не пойдёт.
Пробовал так же и с БП от Юрия SMSL600 +/-48. Нагружал одно плече, он проседал поменьше, но все же. Не пойдет.
*БП Юрия и не должен работать в таком режиме. Я записывал видео на что способен его БП;)
Приобрел БП помощнее, однополярный на 48в. В закромах нашел двуполярный БП +/-15 для подключения доп питания.
Накинул охлад чуть побольше. Пластины что заказывал на JLCPCB не подходят на роль полноценного радиатора. Как переходная деталь для удобства монтажа, да. Хотя я слушал ум с ней около 20м на малой громкости, ошибка не появлялась, но пластина была очень горячей. Не хорошо.
Замерил мощность на 4Ом нагрузке, питание 48в.
До среза синуса получилось примерно 300вт
Максимум что смог получить при таком питании, 430вт.
Результатом полностью доволен:)
Платы и компоненты для сборки есть. Цена за моно плату 65$. Если что то не устроит, то верну деньги после возврата платы

Последний раз редактировалось lexey 21 ноя 2024, 16:57, всего редактировалось 1 раз.
Весь мир - Варкрафт, а ты в нём Мурлок.
-
- Сообщения: 1
- Стаж: 10 месяцев
- Репутация: 0
- Откуда: Москва
- Аудио система: Пока что ни на чем на старой aiwa nsx-575
Re: TPA3255 Stereo PurePath™ Ultra-HD. PFFB.
Добрый вечер, не могли бы поделиться исходными файлами и схемой для самостоятельного изготовления?