Спасибо
Темы в форуме
Новые сообщения
-
06-фев Двухтактный на лампах EL34 в триодном включении
-
06-фев Усилитель D класса на базе плат 2_062 S_AUDIO от Alex
-
02-фев Усилитель звука D класса Clone purifi Hb 3.064 ULTRA
-
02-фев SMSL AO300 PRO — DAC + усилитель мощности + усилитель для наушников
-
31-янв Ламповый усилитель на 6Н9С KT88
-
26-янв Усилитель JLH 1969
-
24-янв Интересный усилитель AIYIMA A80 TPA3255 PFFB
-
23-янв Ламповый усилитель для наушников HiFiMAN Edition XS
-
23-янв Ламповий Однотакт (SE)
-
23-янв Собираем усилитель TPA3255 2x260W 2Ch Class D
Новые темы
-
22-янв Ламповый усилитель для наушников HiFiMAN Edition XS
-
11-янв Список схем ламповых двухтактных усилителей для наушников
-
07-янв SMSL AO300 PRO — DAC + усилитель мощности + усилитель для наушников
-
05-янв Ламповий Однотакт (SE)
-
31-дек Ламповый усилитель против D класса.
-
17-дек Ваш самый дорогой усилителль мощности
-
05-дек SMSL PA-X
-
02-дек Черырехканальный усилитель D класса Douk Audio G7
-
23-ноя Усилитель для наушников на TPA6120 с Алиэкспресс
-
04-ноя Все про лампу гу 15
Свежая версия инвертора (индекс 1_02) 150Вт/4Ом
-
alexarz
- Пользователь
- Сообщения: 27
- Стаж: 2 года 10 месяцев
- Репутация: 13
- Откуда: Арзамас
- Аудио система: Источник - Eversolo DMP A8
ЦАП Dеnаfriрs Роntus II 15th
РГ по схеме Никитина от antecom
УНЧ Technics SE-A100
АС Sony SS 8150
В запасе
Источник - малинка 4 со шляпой TZT Ustars audio R19, с Moode
ЦАП - Charm Audio DAC 2.5
УНЧ - Clone Purifi 2.061.P
Re: Свежая версия инвертора (индекс 2_061) 150Вт/4Ом
В связи с этим подскажите, есть ли смысл убрать выходные разъемы на плате и подпаивать провода прямо к площадкам платы? Здесь кто-то писал, что контакты разъема со временем окисляются, так ли это, и насколько это критично? Кто-нибудь замеры проводил?
-
Sous
- Разработчик
- Сообщения: 1434
- Стаж: 5 лет 6 месяцев
- Репутация: 1247
- Откуда: Ивано-Франковск
- Аудио система: DX3pro
Focal horus716
S_Audio stereo AMP 2_061
Re: Свежая версия инвертора (индекс 2_061) 150Вт/4Ом
если усилитель прямо возле акустики, и в ней нет никаких коннекторов, провода короткие и толстые, то можно, на практически результативность невысокая. В качестве пуризма
-
philoret
- Почетный пользователь
- Сообщения: 66
- Стаж: 3 года
- Репутация: 11
- Откуда: Валенсия, Испания
- Аудио система: Yamaha WXA-50 + Elac DebutReference DBR62
Re: Свежая версия инвертора (индекс 2_061) 150Вт/4Ом
Уважаемые форумчане, кто знает, подскажите пожалуйста. На приложенном фото потенциометр якобы ALPS. Похоже на правду?
К тому же имеет сопротивление 8.5 кОм вместо 10.
-
drmodd
- Гуру электроники☆☆☆☆
- Сообщения: 184
- Стаж: 5 лет 1 месяц
- Репутация: 99
- Откуда: Москва
- Аудио система: E70 Velvet, SuperGaN, PTERO, Focal Chorus 726, MA Bronze, N-Acoustic.
Re: Свежая версия инвертора (индекс 2_061) 150Вт/4Ом
Китайцы мастерски подделывают эти альпсы, и говорят, что лучше оригинала.
-
philoret
- Почетный пользователь
- Сообщения: 66
- Стаж: 3 года
- Репутация: 11
- Откуда: Валенсия, Испания
- Аудио система: Yamaha WXA-50 + Elac DebutReference DBR62
Re: Свежая версия инвертора (индекс 2_061) 150Вт/4Ом
Понятно значит точно "оригинал"
.
А это вообще можно использовать (я про сопротивление 8,5 вместо 10 кОм)? Если по-новой закажу там тоже будет 8,5? Или это мне неудачный вариант попался?
Китаец в магазине говорит что допуск 20% это нормально. На сайте оригинала тоже указано, что допуск 20%.
https://tech.alpsalpine.com/e/products/ ... 7112A00B9/
А это вообще можно использовать (я про сопротивление 8,5 вместо 10 кОм)? Если по-новой закажу там тоже будет 8,5? Или это мне неудачный вариант попался?
Китаец в магазине говорит что допуск 20% это нормально. На сайте оригинала тоже указано, что допуск 20%.
https://tech.alpsalpine.com/e/products/ ... 7112A00B9/
Последний раз редактировалось philoret 09 апр 2023, 12:14, всего редактировалось 1 раз.
-
philoret
- Почетный пользователь
- Сообщения: 66
- Стаж: 3 года
- Репутация: 11
- Откуда: Валенсия, Испания
- Аудио система: Yamaha WXA-50 + Elac DebutReference DBR62
Re: Свежая версия инвертора (индекс 2_061) 150Вт/4Ом
Ещё блок питания пришел -60/+60....
У него не распаяна часть схемы, похоже это была защита какая то.
У него разница между плечами 1 вольт. Насколько это критично для усилителя?
Попытался измерить пульсации, кажется 50 мВ показал, на частоте 52 Гц. Хз насколько эти измерения корректны.
У него разница между плечами 1 вольт. Насколько это критично для усилителя?
Попытался измерить пульсации, кажется 50 мВ показал, на частоте 52 Гц. Хз насколько эти измерения корректны.
-
philoret
- Почетный пользователь
- Сообщения: 66
- Стаж: 3 года
- Репутация: 11
- Откуда: Валенсия, Испания
- Аудио система: Yamaha WXA-50 + Elac DebutReference DBR62
Re: Свежая версия инвертора (индекс 2_061) 150Вт/4Ом
А вы можете подсказать, сопротивления 8.5 кОм достаточно, чтобы уровень громкости был равен 0 (в колонках тишина)?drmodd писал(а): 09 апр 2023, 08:58 Китайцы мастерски подделывают эти альпсы, и говорят, что лучше оригинала.
Планирую, что платы будут работать с питанием +/-60В, входной сигнал 2В.
-
alexarz
- Пользователь
- Сообщения: 27
- Стаж: 2 года 10 месяцев
- Репутация: 13
- Откуда: Арзамас
- Аудио система: Источник - Eversolo DMP A8
ЦАП Dеnаfriрs Роntus II 15th
РГ по схеме Никитина от antecom
УНЧ Technics SE-A100
АС Sony SS 8150
В запасе
Источник - малинка 4 со шляпой TZT Ustars audio R19, с Moode
ЦАП - Charm Audio DAC 2.5
УНЧ - Clone Purifi 2.061.P
Re: Свежая версия инвертора (индекс 2_061) 150Вт/4Ом
Уровень громкости 0 будет с любым сопротивлением при крайнем положении движка, когда он на общий провод замыкается. А номинал потенциометра влияет только на входное сопротивление.philoret писал(а): 09 апр 2023, 13:31
А вы можете подсказать, сопротивления 8.5 кОм достаточно, чтобы уровень громкости был равен 0 (в колонках тишина)?
Планирую, что платы будут работать с питанием +/-60В, входной сигнал 2В.
-
philoret
- Почетный пользователь
- Сообщения: 66
- Стаж: 3 года
- Репутация: 11
- Откуда: Валенсия, Испания
- Аудио система: Yamaha WXA-50 + Elac DebutReference DBR62
Re: Свежая версия инвертора (индекс 2_061) 150Вт/4Ом
Понятно, спасибо за разъяснение. Я думал наоборот схема работает.alexarz писал(а): 09 апр 2023, 21:33 Уровень громкости 0 будет с любым сопротивлением при крайнем положении движка, когда он на общий провод замыкается. А номинал потенциометра влияет только на входное сопротивление.
-
makstex
- Почетный пользователь
- Сообщения: 127
- Стаж: 5 лет 4 месяца
- Репутация: 11
- Откуда: Тольятти
- Аудио система: RX-V2600, Paradigm 11v4, Atom v5, MiniMonitor v5, Topping d50s, su-9n, raw-mda1, v2.051, v2.052, v2.053, v3.06, v3.065, v3.13
Re: Свежая версия инвертора (индекс 2_061) 150Вт/4Ом
+-60 и на выходе кондюки на 63В?!
Круто, ну хоть не как у меня 53В и кондёры на 50В.
Можете смело перепаивать, вздуются с вероятностью 98%.
-
Sous
- Разработчик
- Сообщения: 1434
- Стаж: 5 лет 6 месяцев
- Репутация: 1247
- Откуда: Ивано-Франковск
- Аудио система: DX3pro
Focal horus716
S_Audio stereo AMP 2_061
Re: Свежая версия инвертора (индекс 2_061) 150Вт/4Ом
Не слушайте, ничего не вздуется. 60В допустимое напряжение
-
philoret
- Почетный пользователь
- Сообщения: 66
- Стаж: 3 года
- Репутация: 11
- Откуда: Валенсия, Испания
- Аудио система: Yamaha WXA-50 + Elac DebutReference DBR62
Re: Свежая версия инвертора (индекс 2_061) 150Вт/4Ом
В таком случае я правильно понимаю, что применяя потенциометр с номиналом 8,5 кОм теоретически на выходе громкость получу ниже, чем с потенциометром, номинал которого 10 кОм?alexarz писал(а): 09 апр 2023, 21:33 Уровень громкости 0 будет с любым сопротивлением при крайнем положении движка, когда он на общий провод замыкается. А номинал потенциометра влияет только на входное сопротивление.
Если это так - тогда не буду Китайцев драконить. Они стали мне уже предлагать замену на реплику с дискретным потенциометром. Тот, что я на фото приложил, судя по всему оригинальный ALPS (по разным признакам, в том числе и внутренней конструкции). Хотя может я неправильно трактую.
-
makstex
- Почетный пользователь
- Сообщения: 127
- Стаж: 5 лет 4 месяца
- Репутация: 11
- Откуда: Тольятти
- Аудио система: RX-V2600, Paradigm 11v4, Atom v5, MiniMonitor v5, Topping d50s, su-9n, raw-mda1, v2.051, v2.052, v2.053, v3.06, v3.065, v3.13
Re: Свежая версия инвертора (индекс 2_061) 150Вт/4Ом
Вчера поменял в двух 1.5кВт БП, всдутые 63В при напряжении БП +-53В.
Отработал чуть меньше года. Хотел провода поменять внутри, залез и пришлось менять не их.
Допуск есть в изначально нормальных производителях конденсаторов, а не в этом...
Про "народные" БП ничего не могу сказать, так как изначально и в 48В и в заказной на 53В они
мне поставили конденсаторы на 50В, рисковать не стал и сразу менял.
-
Sous
- Разработчик
- Сообщения: 1434
- Стаж: 5 лет 6 месяцев
- Репутация: 1247
- Откуда: Ивано-Франковск
- Аудио система: DX3pro
Focal horus716
S_Audio stereo AMP 2_061
Re: Свежая версия инвертора (индекс 2_061) 150Вт/4Ом
ну так там фиг знает что китайское,\а в усилителях панасоник лонг лайф.
-
makstex
- Почетный пользователь
- Сообщения: 127
- Стаж: 5 лет 4 месяца
- Репутация: 11
- Откуда: Тольятти
- Аудио система: RX-V2600, Paradigm 11v4, Atom v5, MiniMonitor v5, Topping d50s, su-9n, raw-mda1, v2.051, v2.052, v2.053, v3.06, v3.065, v3.13
Re: Свежая версия инвертора (индекс 2_061) 150Вт/4Ом
Так речь не про усилители, к ним вообще никаких претезийSous писал(а): 11 апр 2023, 11:15 ну так там фиг знает что китайское,\а в усилителях панасоник лонг лайф.
-
Sous
- Разработчик
- Сообщения: 1434
- Стаж: 5 лет 6 месяцев
- Репутация: 1247
- Откуда: Ивано-Франковск
- Аудио система: DX3pro
Focal horus716
S_Audio stereo AMP 2_061
Re: Свежая версия инвертора (индекс 2_061) 150Вт/4Ом
тогда пардоньте 
- JKS
- Почетный пользователь
- Сообщения: 139
- Стаж: 2 года 10 месяцев
- Репутация: 26
- Откуда: Старый Оскол
- Аудио система: Электроника 324-1
ТДС-4 «Старт»
Re: Свежая версия инвертора (индекс 2_061) 150Вт/4Ом
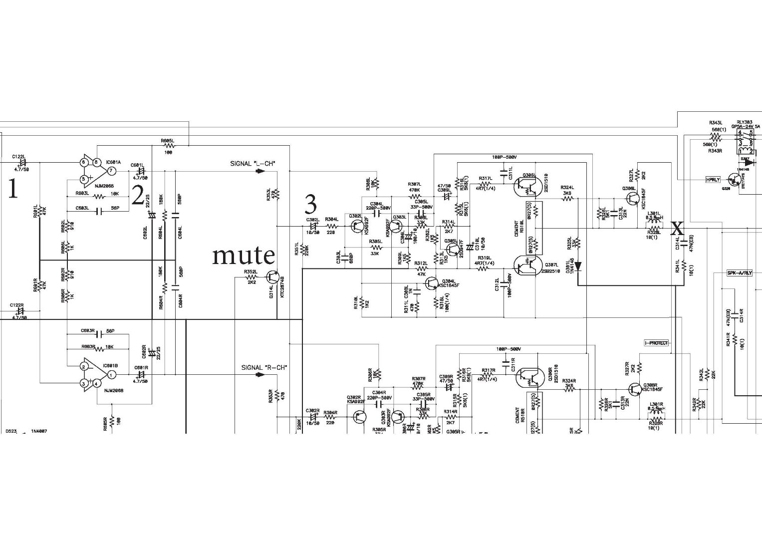
Послушал свой старенький приёмник (рессивер) через усилитель 1_021 purifi, звук интереснее, чем через родной. Подумалось заменить родной на 1_022 или ему подобный. Дилема начинается: откуда взять звук, оставлять ли 2068 операционник или из точки "1" лучше. Чтоб функция "mute" работала, то точка "3" скорее всего подходящая, тогда с "1" на ""2" перемычку и взять с "3"(?).
Питание на оконечниках не замерял пока. Если более 42В, 1_022 не подойдёт, какой тогда нужно с модулем purifi?
Питание на оконечниках не замерял пока. Если более 42В, 1_022 не подойдёт, какой тогда нужно с модулем purifi?
- Justas*
- Гуру электроники☆☆☆☆
- Сообщения: 2412
- Стаж: 4 года 4 месяца
- Репутация: 1328
- Откуда: Украина
- Аудио система: viewtopic.php?p=17721#p17721
Re: Свежая версия инвертора (индекс 2_061) 150Вт/4Ом
Зависит от нужного уровня выходного сигнала. Он в точке 3, в 6 раз выше чем в точке 1.
- JKS
- Почетный пользователь
- Сообщения: 139
- Стаж: 2 года 10 месяцев
- Репутация: 26
- Откуда: Старый Оскол
- Аудио система: Электроника 324-1
ТДС-4 «Старт»
Re: Свежая версия инвертора (индекс 2_061) 150Вт/4Ом
Спасибо. Я вот не понял как считать усиление на ОУ, на что 10кОм делить, входного сопр. не видно.Justas* писал(а): 15 апр 2023, 20:04 Зависит от нужного уровня выходного сигнала. Он в точке 3, в 6 раз выше чем в точке 1.
Не реагируйте на мои сообщения, пишу на форуме только Подшофе.
- Justas*
- Гуру электроники☆☆☆☆
- Сообщения: 2412
- Стаж: 4 года 4 месяца
- Репутация: 1328
- Откуда: Украина
- Аудио система: viewtopic.php?p=17721#p17721
Re: Свежая версия инвертора (индекс 2_061) 150Вт/4Ом
Кус (10к/1к+0,91к)+1
Rвх 47к (R601)
Rвх 47к (R601)
- JKS
- Почетный пользователь
- Сообщения: 139
- Стаж: 2 года 10 месяцев
- Репутация: 26
- Откуда: Старый Оскол
- Аудио система: Электроника 324-1
ТДС-4 «Старт»
Re: Свежая версия инвертора (индекс 2_061) 150Вт/4Ом
Ясно, спасибо. Значит ОУ оставляю.
Остался вопрос к Юрию: на +-45в питания и выше какой Purifi подойдёт? 2_061(Р) я полагаю или уже другие пошли?
Почитал переделку рессивера, усилитель оказался нормальным, всё остальное хреновое. Подумаю как переделать, чтоб приёмник работал, может РГ простой поставлю..
https://market.yandex.ru/user/retfbf8d9 ... mr/reviews
Вопросы закрыты.
Остался вопрос к Юрию: на +-45в питания и выше какой Purifi подойдёт? 2_061(Р) я полагаю или уже другие пошли?
Почитал переделку рессивера, усилитель оказался нормальным, всё остальное хреновое. Подумаю как переделать, чтоб приёмник работал, может РГ простой поставлю..
https://market.yandex.ru/user/retfbf8d9 ... mr/reviews
Вопросы закрыты.
Не реагируйте на мои сообщения, пишу на форуме только Подшофе.
-
Sous
- Разработчик
- Сообщения: 1434
- Стаж: 5 лет 6 месяцев
- Репутация: 1247
- Откуда: Ивано-Франковск
- Аудио система: DX3pro
Focal horus716
S_Audio stereo AMP 2_061
Re: Свежая версия инвертора (индекс 2_061) 150Вт/4Ом
для большего напряжения есть 2_061, и 3_06.
-
Sous
- Разработчик
- Сообщения: 1434
- Стаж: 5 лет 6 месяцев
- Репутация: 1247
- Откуда: Ивано-Франковск
- Аудио система: DX3pro
Focal horus716
S_Audio stereo AMP 2_061
Re: Свежая версия инвертора (индекс 2_061) 150Вт/4Ом
Получил свежую партию плат 1_02. Снова в наличии.
-
Sous
- Разработчик
- Сообщения: 1434
- Стаж: 5 лет 6 месяцев
- Репутация: 1247
- Откуда: Ивано-Франковск
- Аудио система: DX3pro
Focal horus716
S_Audio stereo AMP 2_061
Re: Свежая версия инвертора (индекс 2_061) 150Вт/4Ом
Просьба к модератору:
Переменуйте, пжст, тему топика. индекс 2_061 на 1_02, так как теперь платы называются 1_02, и получилась путаница с другой версией.
Переменуйте, пжст, тему топика. индекс 2_061 на 1_02, так как теперь платы называются 1_02, и получилась путаница с другой версией.
- Alex
- Site Admin
- Сообщения: 4199
- Стаж: 14 лет 2 месяца
- Репутация: 2776
- Откуда: Kiev
- Аудио система: www.is.gd/l0dt3T
- Контактная информация:
- JKS
- Почетный пользователь
- Сообщения: 139
- Стаж: 2 года 10 месяцев
- Репутация: 26
- Откуда: Старый Оскол
- Аудио система: Электроника 324-1
ТДС-4 «Старт»
Re: Свежая версия инвертора (индекс 1_02) 150Вт/4Ом
Добрый день всем.
Характеристики на низкоомную нагрузку впечатляют. А на нагрузку 1кОм будут такими же или ни кто не измерял?
Характеристики на низкоомную нагрузку впечатляют. А на нагрузку 1кОм будут такими же или ни кто не измерял?
Не реагируйте на мои сообщения, пишу на форуме только Подшофе.
-
Sous
- Разработчик
- Сообщения: 1434
- Стаж: 5 лет 6 месяцев
- Репутация: 1247
- Откуда: Ивано-Франковск
- Аудио система: DX3pro
Focal horus716
S_Audio stereo AMP 2_061
Re: Свежая версия инвертора (индекс 1_02) 150Вт/4Ом
То же самое будет в пределах незначительных отклонений.