Темы в форуме

      Наш youtube        Наш инстаграм     ☝ Сказать спасибо!           Правила форума   




Сверхлинейный усилитель мощности в классе А Lessy

Ответить
Аватара пользователя
RUS_D
Умелый
Сообщения: 168
Стаж: 3 года 11 месяцев
Репутация: 149
Откуда: Украина, Полтава
Аудио система: Плеер RuneAudio
ЦАП AH-D6 версия 2.х + несколько других
Проигрыватель Винила Lenco L75, DUAL1209, Fisher MT-M21, Вега unitra fonica g-600b
Усилитель Onkyo A-8830, Фоловер Андрэа Чиуфолли
Ламповые усилители РР на Rft El34 и 6П3C (кобра), РР на КТ88, РР на El84, SE на 6С41С, SE на 6П42П

Акустика ONKYO SC-370, GRUNDIG Box 1600b, IQ LADY- maxi
Контактная информация:

Сверхлинейный усилитель мощности в классе А Lessy

Сообщение RUS_D »

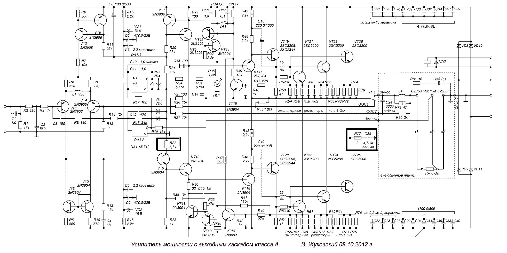
Тут такой темы не нашел. В интернете тоже очень мало инфы.
Решил выложить тут схему, может будут какая критика, предложения по улучшению :)
Может кто собирал, слушал или видел у кого то...
LESSY.jpg
изображение_viber_2021-10-11_23-51-28-733.jpg
Платы пока не распаял, потому можно внести некоторые изменения...

Обещанные характеристики:
Power output - 30 watts into 8 Ohms. THD - 0.000,1%. Supply voltage - 2х29 V
Аватара пользователя
IT-Prof
Помощник модератора
Сообщения: 756
Стаж: 9 лет 8 месяцев
Репутация: 177

Re: Сверхлинейный усилитель мощности в классе А Lessy

Сообщение IT-Prof »

Здесь пока сам не проверишь, ниче не узнаешь. Отзывов тех, кто собирал ее я также не нашел.
Аватара пользователя
lgedmitry
Гуру электроники☆☆☆☆
Сообщения: 1506
Стаж: 6 лет 2 месяца
Репутация: 262
Откуда: Рыбинск
Аудио система: Самоделки на MA12070, MA12070P, Heybrook HB3, Wharfedale Diamond 12.2

Re: Сверхлинейный усилитель мощности в классе А Lessy

Сообщение lgedmitry »

К Худу2003 дифкаскад прикрутили вместо быстродействующей токовой оос. Приборам такой подход точно понравится. Ушам - неизвестно
Аватара пользователя
RUS_D
Умелый
Сообщения: 168
Стаж: 3 года 11 месяцев
Репутация: 149
Откуда: Украина, Полтава
Аудио система: Плеер RuneAudio
ЦАП AH-D6 версия 2.х + несколько других
Проигрыватель Винила Lenco L75, DUAL1209, Fisher MT-M21, Вега unitra fonica g-600b
Усилитель Onkyo A-8830, Фоловер Андрэа Чиуфолли
Ламповые усилители РР на Rft El34 и 6П3C (кобра), РР на КТ88, РР на El84, SE на 6С41С, SE на 6П42П

Акустика ONKYO SC-370, GRUNDIG Box 1600b, IQ LADY- maxi
Контактная информация:

Re: Сверхлинейный усилитель мощности в классе А Lessy

Сообщение RUS_D »

Ну значит буду паять потихоньку Худа умощненного, но радиаторы ему хорошие придется прикручивать, там на 1 каскад до 1,5А ток
Итого на один канал до 4,5А тока :) что то я продешевил с трансом заказаным, там на обмотку указал 7А.

По итогам запуска отпишусь... Но эт не быстро. еще ламповики 2 доделать.
Ну и фолловер Чиуффоли ждет допаивания.. Что то я обложился этими усилками, как блохами.....
Аватара пользователя
osscar
Почетный пользователь
Сообщения: 100
Стаж: 4 года 7 месяцев
Репутация: 18
Откуда: Рига
Аудио система: Самодельные усилители: Leach amp, PASS AB100,F5, Hiraga Lemonstre, MF A1 clone, JLH 1969, LM3875, Whammy HPA, RN MARSH HPA, GU32 PP, 6C33C SE...и еще немного.
Акустика: Mission m34i, Mark Audio CHR 70, CHP 70.
Источники сигнала: SONY CDP XE900E, SONY S570ES, CA C500, Arcam Rdac, Spotify, Telefunken TS860 AT440MLa (переработан) ,OBH8 SE.

Re: Сверхлинейный усилитель мощности в классе А Lessy

Сообщение osscar »

1,5 А на транзистор - это 324 Вт в режиме класса A - это невозможно с + -29 В
Обмотка 7А на каждом плече подойдет(будет запас, потому что трансформатор тоже нагреется), так как для двухтактной схемы класса 30 Вт будет достаточно 1,5 A в на всех транзисторах на плече
Не нравится, что диоды на плате так близко к конденсаторам - диоды тоже нагреваются и места для радиаторов не так много.
Аватара пользователя
RUS_D
Умелый
Сообщения: 168
Стаж: 3 года 11 месяцев
Репутация: 149
Откуда: Украина, Полтава
Аудио система: Плеер RuneAudio
ЦАП AH-D6 версия 2.х + несколько других
Проигрыватель Винила Lenco L75, DUAL1209, Fisher MT-M21, Вега unitra fonica g-600b
Усилитель Onkyo A-8830, Фоловер Андрэа Чиуфолли
Ламповые усилители РР на Rft El34 и 6П3C (кобра), РР на КТ88, РР на El84, SE на 6С41С, SE на 6П42П

Акустика ONKYO SC-370, GRUNDIG Box 1600b, IQ LADY- maxi
Контактная информация:

Re: Сверхлинейный усилитель мощности в классе А Lessy

Сообщение RUS_D »

Спорить не буду - так как еще не собирал.. это инфа от разработчика и других участников форумов, но ей лет много, может что и напутали.
Соберу, настрою, отпишусь

вот цитаты с сайта иностранного где шло обсуждение этого усилителя
Thanks for the reply. Here is my version of this amplifier. Power output - 30 watts into 8 Ohms. THD - 0.000,1%. Supply voltage - 2х29 V.
For the sounds he was given the name "Lassie". It may seem complicated, but there*s not a single superfluous component.
DA1.1 - integrator servo, DA1.2 - compensator resistance cables acoustics systems(the voltage drop across the resistance of the cable from the nonlinear current acoustics contributes to 0.2% needless distortion), VT9VT13 - idle current regulator output transistors, VT12VT14VT16 - current protection.

Yes. This is a modified JLH. 1.5 A for each transistor of the output stage.
A real stove. Can omelets frying.


вот с другого сайта

По 1,2 А на прибор. Спектр можно сделать и лучше.
Цитата Сообщение от ***
Транзисторы 9 и 13 регулируют ток покоя выходных. Точнее одного транзистора нижнего плеча! ?,
Цитата Сообщение от **
Достаточно. Ток остальных будет с точностью 10% следовать этому току, это допустимо. Ток верхних транзисторов однозначно определяется током нижних.

Цитата Сообщение от ***
на кой там стоит R38= 1 Ом и еще раз на... он замкнут перемычкой.

Цитата Сообщение от **
УН и ВК должны землиться разными землями. Но при прохождении провода -Упит УН мимо провода эмиттеров ВК на него будут наводиться помехи и прикладываться к эмиттеру каскада с ОЭ. Тогда ставим 1 Ом для заворачивания помех в петле.

Цитата Сообщение от ***
Какие рекомендации по настройке?

Цитата Сообщение от **
Как и в ВВ:
собираем УН,
замыкаем петлю ООС,
смотрим режимы,
смотрим на работоспособность компенсатора и интегратора,
ставим по одному выходнику, подключаем к источнику питания с защитой (штатному БП с лампой в первичке транса), смотрим возбуды,
ставим все выходники, смотрим возбуды без сигнала, смотрим возбуды с сигналом, смотрим поведение в клипе,
подаём меандр, настраиваем по минимуму выбросов.


Радиатор на канал 7000-9000см кв.
изображение_viber_2021-11-09_14-45-21-755.jpg
Аватара пользователя
osscar
Почетный пользователь
Сообщения: 100
Стаж: 4 года 7 месяцев
Репутация: 18
Откуда: Рига
Аудио система: Самодельные усилители: Leach amp, PASS AB100,F5, Hiraga Lemonstre, MF A1 clone, JLH 1969, LM3875, Whammy HPA, RN MARSH HPA, GU32 PP, 6C33C SE...и еще немного.
Акустика: Mission m34i, Mark Audio CHR 70, CHP 70.
Источники сигнала: SONY CDP XE900E, SONY S570ES, CA C500, Arcam Rdac, Spotify, Telefunken TS860 AT440MLa (переработан) ,OBH8 SE.

Re: Сверхлинейный усилитель мощности в классе А Lessy

Сообщение osscar »

только сейчас я увидел странность выхлопа :lol:
но я все еще думаю, что это слишком много тока
Puzerey45
Сообщения: 1
Стаж: 1 год 11 месяцев
Репутация: 0
Откуда: Кривий Ріг
Аудио система: Никитина+, proac Studio 100

Re: Сверхлинейный усилитель мощности в классе А Lessy

Сообщение Puzerey45 »

Есть кто собрал усилитель?
Аватара пользователя
RUS_D
Умелый
Сообщения: 168
Стаж: 3 года 11 месяцев
Репутация: 149
Откуда: Украина, Полтава
Аудио система: Плеер RuneAudio
ЦАП AH-D6 версия 2.х + несколько других
Проигрыватель Винила Lenco L75, DUAL1209, Fisher MT-M21, Вега unitra fonica g-600b
Усилитель Onkyo A-8830, Фоловер Андрэа Чиуфолли
Ламповые усилители РР на Rft El34 и 6П3C (кобра), РР на КТ88, РР на El84, SE на 6С41С, SE на 6П42П

Акустика ONKYO SC-370, GRUNDIG Box 1600b, IQ LADY- maxi
Контактная информация:

Re: Сверхлинейный усилитель мощности в классе А Lessy

Сообщение RUS_D »

Платы и весь набор деталей лежат - ждут когда я смогу за них взяться :(
Время сейчас такое - немного не до паек :(
Аватара пользователя
billybons68
Пользователь
Сообщения: 22
Стаж: 3 года 7 месяцев
Репутация: 8
Откуда: Кривой Рог
Аудио система: Винил-
Technics SL1500;
Perpetum Ebner 2020L
Усилители -
Yamaha A1000
Dual CV1460
Technics SA-200
JLH-1969
CD-проигрыватель-
Sony CDP 561
Sony CDP 591
Philips CD 460
Philips CD 472
кассетник Technics RS-B565
Telefunken TC-450M
Акустика-
Magnat Vector 205
Elac 103

Re: Сверхлинейный усилитель мощности в классе А Lessy

Сообщение billybons68 »

RUS_D писал(а): 21 ноя 2021, 19:41 Тут такой темы не нашел. В интернете тоже очень мало инфы.
Решил выложить тут схему, может будут какая критика, предложения по улучшению :)
Может кто собирал, слушал или видел у кого то...

LESSY.jpg
изображение_viber_2021-10-11_23-51-28-733.jpg
Платы пока не распаял, потому можно внести некоторые изменения...

Обещанные характеристики:
Power output - 30 watts into 8 Ohms. THD - 0.000,1%. Supply voltage - 2х29 V
Також є такі плати,вже два роки лежать,товариш подарив,сказав " Може хоч ти його збереш " ;) Дуже мало інформаціі по ньому.Писали якийсь форум навіть був,але я шукав і не знайшов :?
Ответить

Вернуться в «Аудио усилители»