Темы в форуме
Новые сообщения
-
14-фев Варианты доработки и модерницации акустических систем.
-
11-фев (ГИ) Груповой Излучатель + ШП. Моя история и пояснения.
-
10-фев АС для спальної кімнати
-
31-янв 4-х полосная DIY АС. Нужен совет
-
11-янв Низкочастотная часть в акустике с ЭМОС
-
02-янв Цифровая корекция НЧ диапазона. Подводные камни.
-
30-дек DIY цифроактивная трёхполосная АС ближнего поля.
-
26-дек Акустика Активна, чи звичайна?
-
13-ноя Колонки DALI OBERON 9
-
11-ноя Компактые полочники на стол возле ПК.
Новые темы
-
28-фев Как отреставрировать динамик?
-
27-янв 4-х полосная DIY АС. Нужен совет
-
08-янв Низкочастотная часть в акустике с ЭМОС
-
30-дек Цифровая корекция НЧ диапазона. Подводные камни.
-
25-сен песок: нужно ли насыпать?
-
20-сен Help твиттура.
-
16-сен Компактые полочники на стол возле ПК.
-
08-сен Купить винтажную АС или новую?
-
08-сен Тест Cabasse Realto
-
30-авг Вопрос - сопротивление
Переделка ас под би-ампинг,Mission lx2,Rz840
-
audiomaniac3
- Постоянный житель
- Сообщения: 270
- Стаж: 3 года 6 месяцев
- Репутация: 22
- Откуда: Tallinn
- Аудио система: Tpa3255
Переделка ас под би-ампинг,Mission lx2,Rz840
Здравствуйте,помогите советом,являюсь обладателем,стерео колонок Mission lx 2 и ресивера Onkyo RZ840.
В один момент возникло желание проделать эксперимент и переделать колонки под би-ампинг, снял заднюю крышку и клеммы,через них пробросил провода и подключил динамики к усилителю в обход кроссовера.
На громкости чуть выше средней вч динамик издавал треск,причина видимо что ресивер к сожалению отправаляет всю полосу на динамики.
Попробовал снять два конденсатора с внутреннего кроссовера вместе около 15uf и подключил к вч динамику,треск пропал.Нч/сч динамик подключен на прямую.
Ощущение от таких манипуляций,звуки в фильмах,звонок старого телефона, дзыньканье посуды,вообщем практически все звенящие звуки ощущаются как будто происходят передо мной,очень естественно.
Однако поискав инфу про встроенные динамики,нашел что у вч динамика гораздо большая чувствительность: https://en.toutlehautparleur.com/dome-t ... -coil.html
92 децибела против предположительно 86 децебел у сч/нч динамика,к сожалению про него никакой информации я не нашел.
На данный момент разделил родной кроссовер на плате и подключил по биампигу колонки,к сожалению эффект реальности звенящих звуков пропал.
Так вот,хочу всё сделать по уму, заказал аудио карту чтобы померить хотя-бы приблизительно ачх,уж больно понравился звук с фильтром первого порядка на двух запаралеленных конденсаторах,но и не хочется терять звуки ниже 2800гц.
Вообщем проводил ли кто-то такие манипуляции с переделкой ас под биампинг и как выравниванли ачх и задержку звука?
В один момент возникло желание проделать эксперимент и переделать колонки под би-ампинг, снял заднюю крышку и клеммы,через них пробросил провода и подключил динамики к усилителю в обход кроссовера.
На громкости чуть выше средней вч динамик издавал треск,причина видимо что ресивер к сожалению отправаляет всю полосу на динамики.
Попробовал снять два конденсатора с внутреннего кроссовера вместе около 15uf и подключил к вч динамику,треск пропал.Нч/сч динамик подключен на прямую.
Ощущение от таких манипуляций,звуки в фильмах,звонок старого телефона, дзыньканье посуды,вообщем практически все звенящие звуки ощущаются как будто происходят передо мной,очень естественно.
Однако поискав инфу про встроенные динамики,нашел что у вч динамика гораздо большая чувствительность: https://en.toutlehautparleur.com/dome-t ... -coil.html
92 децибела против предположительно 86 децебел у сч/нч динамика,к сожалению про него никакой информации я не нашел.
На данный момент разделил родной кроссовер на плате и подключил по биампигу колонки,к сожалению эффект реальности звенящих звуков пропал.
Так вот,хочу всё сделать по уму, заказал аудио карту чтобы померить хотя-бы приблизительно ачх,уж больно понравился звук с фильтром первого порядка на двух запаралеленных конденсаторах,но и не хочется терять звуки ниже 2800гц.
Вообщем проводил ли кто-то такие манипуляции с переделкой ас под биампинг и как выравниванли ачх и задержку звука?
Re: Переделка ас под би-ампинг,Mission lx2,Rz840
Я бы в начале сделал замер АЧХ колонки нормальным микрофоном и звуковухой а потом дальше двигался.
-
audiomaniac3
- Постоянный житель
- Сообщения: 270
- Стаж: 3 года 6 месяцев
- Репутация: 22
- Откуда: Tallinn
- Аудио система: Tpa3255
Re: Переделка ас под би-ампинг,Mission lx2,Rz840
Верно,к сожалению лаптоп не видит микрофон который шел с ресивером,поэтому сейчас заказал аудиокарту с отдельным выходом.IT-Prof писал(а): 31 янв 2023, 13:08 Я бы quote=IT-Prof post_id=25253 time=1675163313 user_id=52]
Я бы в начале сделал замер АЧХ колонки нормальным микрофоном и звуковухой а потом дальше двигался.
Когда придет,попробую настроить чтобы на той громкости и точке которой я смотрю фильмы было относительно ровная ачх.
Конечно наличие встроенного параметрического эквалайзера упростило бы жизнь во много раз, ставь любые частоты на любой динамик,тогда можно было бы подключать любые колонки
на прямую,однако что имею то имею.
Надеюсь удасться их согласовать.
Re: Переделка ас под би-ампинг,Mission lx2,Rz840
Микрофон для замеров нужен типа Behringer ECM8000, обычный не подойдет.
-
audiomaniac3
- Постоянный житель
- Сообщения: 270
- Стаж: 3 года 6 месяцев
- Репутация: 22
- Откуда: Tallinn
- Аудио система: Tpa3255
Re: Переделка ас под би-ампинг,Mission lx2,Rz840
Можно уточнить, комплектный микрофон как на фото совсем не подходит?IT-Prof писал(а): 31 янв 2023, 14:06 Микрофон для замеров нужен типа Behringer ECM8000, обычный не подойдет.
Всё таки расчитывал на него,но если он никуда не годится попробую найти у кого одолжить микрофон для этого дела получше.
- Вложения
-
- 3970cas_grande.jpg (23.39 КБ) 2947 просмотров
- Justas*
- Гуру электроники☆☆☆☆
- Сообщения: 2438
- Стаж: 4 года 5 месяцев
- Репутация: 1340
- Откуда: Украина
- Аудио система: viewtopic.php?p=17721#p17721
Re: Переделка ас под би-ампинг,Mission lx2,Rz840
У меня бампинг, но не переделка. АС изготовлены с нуля.audiomaniac3 писал(а): 30 янв 2023, 23:32 Вообщем проводил ли кто-то такие манипуляции с переделкой ас под биампинг и как выравниванли ачх и задержку звука?
АЧХ и задержки выравниваются фильтрами. Измерение АФЧХ и задержек каждого динамика - симуляция фильтров (активных и пассивных) в CAD - изготовление фильтров – проверка АФЧХ АС.
Ваш метод я бы назвал варварским.
Пищалки OC25SC65-04 в Mission lx 2, имеют довольно высокую частоту резонанса - 1380 Гц.
Соответственно, 2-я гармоника ниже 3кГц имеет ужасающую величину. Поэтому изготовитель применил ФВЧ Linkwitz-Riley 4-го порядка, с частотой среза около 3кГц.
С таким фильтром (Fсреза 2654Гц) Вы будете слышать звуки герц до 300. Но АЧХ пищалки не позволит.Попробовал снять два конденсатора с внутреннего кроссовера вместе около 15uf и подключил к вч динамику,треск пропал.
уж больно понравился звук с фильтром первого порядка на двух запаралеленных конденсаторах,но и не хочется терять звуки ниже 2800гц.
Ну ещё бы! Подавление резонанса всего 6дБ (можно сказать вообще не давиться). И вот он, звон резонанса нехило сдобренный гармониками.Ощущение от таких манипуляций,звуки в фильмах,звонок старого телефона, дзыньканье посуды,вообщем практически все звенящие звуки ощущаются как будто происходят передо мной,очень естественно.
Если Вам нравятся такие дикие искажения, то видимо что то не так со слуховым восприятием.
В таких мидах, присутствует ярко выраженный пик на 4-6кГц, со всеми вытекающими.Нч/сч динамик подключен на прямую.
Если его не обрезать ФНЧ, то к искажениям пищалки добавятся искажения мида.
В Mission lx 2 судя по фото, довольно качественные фильтры сделанные с умом.
-
audiomaniac3
- Постоянный житель
- Сообщения: 270
- Стаж: 3 года 6 месяцев
- Репутация: 22
- Откуда: Tallinn
- Аудио система: Tpa3255
Re: Переделка ас под би-ампинг,Mission lx2,Rz840
Justas* писал(а): 01 фев 2023, 13:58audiomaniac3 писал(а): 30 янв 2023, 23:32 В Mission lx 2 судя по фото, довольно качественные фильтры сделанные с умом.
Тогда как лучше сделать,оставить биампинг с родным кроссовером?
-
audiomaniac3
- Постоянный житель
- Сообщения: 270
- Стаж: 3 года 6 месяцев
- Репутация: 22
- Откуда: Tallinn
- Аудио система: Tpa3255
Re: Переделка ас под би-ампинг,Mission lx2,Rz840
Еще интересно,что каких-то катастрофических падений качества звука, я не заметил при обходе кроссовера,возможно всё-таки ресивер, не отправляет всю полосу на динамики,с вариантом по биампингу с разделленым родным кроссовером ас звучат лучше чем по умолчанию.
- kovrigger
- Постоянный житель
- Сообщения: 427
- Стаж: 5 лет 3 месяца
- Репутация: 115
- Откуда: Украина, Киев
- Аудио система: NFJ&FX AUDIO 502S PRO, акустика "Фараон 2 Magico Mini" от HiFiCompass, ЦАП AH-D6+(авторский), звуковая карта Apogee Duet Firewire
Re: Переделка ас под би-ампинг,Mission lx2,Rz840
Для начала я бы посоветовал почитать литературку на эту тему, посмотреть видео всякие, форумы почитать чтобы понять что такое би-ампинг и нужен ли он вообще, чтобы послушать музыку.audiomaniac3 писал(а): 02 фев 2023, 00:49 Еще интересно,что каких-то катастрофических падений качества звука, я не заметил при обходе кроссовера,возможно всё-таки ресивер, не отправляет всю полосу на динамики,с вариантом по биампингу с разделленым родным кроссовером ас звучат лучше чем по умолчанию.
Естественно, с чего вдруг ресивер стал бы по одному каналу передавать отдельно 2 спектра?))audiomaniac3 писал(а): 30 янв 2023, 23:32 что ресивер к сожалению отправаляет всю полосу на динамики.
Для биампинга по идее нужно 2 ампинга (2 отдельных усилителя или 4 независимых канала), иначе какой в нем смысл? Один усилитель работает чисто на НЧ (мидбас, вуфер) второй - на ВЧ (твиттер). Подаваемый на них спектр частот уже должен быть порезан соответственно. Обычно это делают всякие DSP-модули или как-то программно в компе с выводом отдельно каналов ВЧ-НЧ. Я в этом не силен, потому как у меня классическая схема - исходник -ЦАП-усилитель-АС с пассивными фильтрами.
1. Слушайте Юстаса - он в теме.
2. Скорее всего инженеры Mission не дураки и сделали кроссовер более-менее правильно. Тем более колонки Ваши выиграли какой-то приз журнала WHAT Hi-Fi. http://www.hifinews.ru/reviews/details/952.htm
https://www.whathifi.com/mission/lx-2/review
3. Не стоит ждать "ВАУ" звука от полочников за 200 долларов и ресивера, заточенного под кино. У меня, к примеру, один мидбас столько стоит, а их у меня 2 + твиттеры под 400 уе каждый.
4. Можно погуглить на импортных форумах иногда трапляются темы доработки штатных кроссоверов - обычно там мелочь - убрать резистор 1 и емкость 2 поменять на такой-то номинал.
5. Хотите улучшить звук домашней системы - продайте эти колонки и купите что-то получше. Есть немало неплохих стоковых вариантов, которые удачно сделаны (та же YAMAHA NS 1000 + KEF+TANNOY+JBL+B&W+KLIPSH). Можно также ресивер Ваш поменять на нормальный усилитель, тот же JLH думаю будет интереснее или FX AUDIO 502S PRO -легенда наших дней))) Лампу можно также прикупить авторскую грамотно сделанную, если музыкальные предпочтения в сторону джаза, рока, блюза, фанка, RnB, кантри, соула, рокабилли, классики и тп.
6. Более взрослый звук от АС можно получить, заказав колонки опытным самодельщикам.
7. Шнуры (сетевые) и кабеля (межблочники, ЦАП, акустические) - нужны не от принтера и не от компьютера - очень существенно влияют на звук.
-
audiomaniac3
- Постоянный житель
- Сообщения: 270
- Стаж: 3 года 6 месяцев
- Репутация: 22
- Откуда: Tallinn
- Аудио система: Tpa3255
Re: Переделка ас под би-ампинг,Mission lx2,Rz840
4. Можно погуглить на импортных форумах иногда трапляются темы доработки штатных кроссоверов - обычно там мелочь - убрать резистор 1 и емкость 2 поменять на такой-то номинал.
[/quote]
Вот это интересный вариант,попробовать убрать резисторы,только тогда какого номимала конденсаторы ставить?
Сейчас ближайшее время покупать ничего не смогу
Но была идея взять Dali ikon 2.
[/quote]
Вот это интересный вариант,попробовать убрать резисторы,только тогда какого номимала конденсаторы ставить?
Сейчас ближайшее время покупать ничего не смогу
-
audiomaniac3
- Постоянный житель
- Сообщения: 270
- Стаж: 3 года 6 месяцев
- Репутация: 22
- Откуда: Tallinn
- Аудио система: Tpa3255
Re: Переделка ас под би-ампинг,Mission lx2,Rz840
Здравствуйте,а можете помочь разобраться с кроссовером? Я погуглил, на вч динамике стоит кроссовер третьего порядка,но как я понял он крутит фазу на 270 градусов,на НЧ динамике стоит кроссовер четвертого порядка, он крутит фазу на 360 градусов,тоесть получается динамики работают не синфазно,а с небольшой задержкой?Мне не понятен кроссовер на вч динамике,он получается рассчитан ка 12 ом, так как сам вч динамик по замерам 4.4 ома и если убирать резисторы,какой емкости ставить конденсаторы и катушку индуктивности,есть предположения?Justas* писал(а): 01 фев 2023, 13:58У меня бампинг, но не переделка. АС изготовлены с нуля.audiomaniac3 писал(а): 30 янв 2023, 23:32 Вообщем проводил ли кто-то такие манипуляции с переделкой ас под биампинг и как выравниванли ачх и задержку звука?
АЧХ и задержки выравниваются фильтрами. Измерение АФЧХ и задержек каждого динамика - симуляция фильтров (активных и пассивных) в CAD - изготовление фильтров – проверка АФЧХ АС.
Ваш метод я бы назвал варварским.
Пищалки OC25SC65-04 в Mission lx 2, имеют довольно высокую частоту резонанса - 1380 Гц.
Соответственно, 2-я гармоника ниже 3кГц имеет ужасающую величину.
THD.png
Поэтому изготовитель применил ФВЧ Linkwitz-Riley 4-го порядка, с частотой среза около 3кГц.С таким фильтром (Fсреза 2654Гц) Вы будете слышать звуки герц до 300. Но АЧХ пищалки не позволит.Попробовал снять два конденсатора с внутреннего кроссовера вместе около 15uf и подключил к вч динамику,треск пропал.
уж больно понравился звук с фильтром первого порядка на двух запаралеленных конденсаторах,но и не хочется терять звуки ниже 2800гц.Ну ещё бы! Подавление резонанса всего 6дБ (можно сказать вообще не давиться). И вот он, звон резонанса нехило сдобренный гармониками.Ощущение от таких манипуляций,звуки в фильмах,звонок старого телефона, дзыньканье посуды,вообщем практически все звенящие звуки ощущаются как будто происходят передо мной,очень естественно.
Если Вам нравятся такие дикие искажения, то видимо что то не так со слуховым восприятием.В таких мидах, присутствует ярко выраженный пик на 4-6кГц, со всеми вытекающими.Нч/сч динамик подключен на прямую.
Если его не обрезать ФНЧ, то к искажениям пищалки добавятся искажения мида.
В Mission lx 2 судя по фото, довольно качественные фильтры сделанные с умом.
- Justas*
- Гуру электроники☆☆☆☆
- Сообщения: 2438
- Стаж: 4 года 5 месяцев
- Репутация: 1340
- Откуда: Украина
- Аудио система: viewtopic.php?p=17721#p17721
Re: Переделка ас под би-ампинг,Mission lx2,Rz840
Сдвиг фаз на частоте раздела из за кроссовера и задержка отклика, разные вещи. Хотя последняя, при неправильном расчёте так же приводит к сдвигу.audiomaniac3 писал(а): 15 фев 2023, 00:10 Здравствуйте,а можете помочь разобраться с кроссовером? Я погуглил, на вч динамике стоит кроссовер третьего порядка,но как я понял он крутит фазу на 270 градусов,на НЧ динамике стоит кроссовер четвертого порядка, он крутит фазу на 360 градусов,тоесть получается динамики работают не синфазно,а с небольшой задержкой?
При расчёте кроссовера учитываются АФЧХ динамиков. Из за спадов АЧХ ниже (выше) определённой частоты, акустический порядок может быть 4-м, при использовании электрического 3-го и даже 2-го порядка.
Вам бы следовало зарисовать и выложить схему, дело 5-ти минут.
Я вот прикинул по фотографии (возможно, где то ошибся). ФВЧ 3-го порядка с L-Pad
ФНЧ 2-го порядка (с ограничением спада) + режектор. Режектор вероятно настроен на выброс мида, о котором я писал выше.
Как Вы определили, что он рассчитан ка 12 Ом?Мне не понятен кроссовер на вч динамике,он получается рассчитан ка 12 ом, так как сам вч динамик по замерам 4.4 ома и если убирать резисторы,какой емкости ставить конденсаторы и катушку индуктивности,есть предположения?
Обычно в комплекте динамиков для боле менее приличной АС, пищалка имеет чувствительность выше чем мид. Поэтому для выравнивания звукового давления, в ФВЧ ставиться последовательный резистор или L-Pad.
Ну а предложение одно. Ничего не трогать!
Зуд в руках при отсутствии знаний, приводит к печальным последствиям. Возможно, Вы уже подпалили катушки пищалок, включая их напрямую к усилителю.
Данные АС входили в десятку лучших, среди бюджетных.
Если так нравиться цыканье и скрежет, не лучше ли поставить темброблок. Или в программном плеере выкрутить ВЧ на всю катушку.
- Justas*
- Гуру электроники☆☆☆☆
- Сообщения: 2438
- Стаж: 4 года 5 месяцев
- Репутация: 1340
- Откуда: Украина
- Аудио система: viewtopic.php?p=17721#p17721
Re: Переделка ас под би-ампинг,Mission lx2,Rz840
ФВЧ возможно и так. По фото трудно определить.
-
audiomaniac3
- Постоянный житель
- Сообщения: 270
- Стаж: 3 года 6 месяцев
- Репутация: 22
- Откуда: Tallinn
- Аудио система: Tpa3255
Re: Переделка ас под би-ампинг,Mission lx2,Rz840
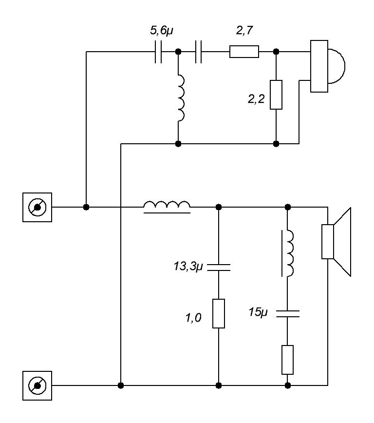
На вч динамик вот такая схема кроссовера,конденсатор-резистор-катушка-конденсатор-резистор
На НЧ динамике очень странный кроссовер,зачем в нем резисторы я не понимаю,но также вторая индуктивность идет на минус, а не на плюс.
-
audiomaniac3
- Постоянный житель
- Сообщения: 270
- Стаж: 3 года 6 месяцев
- Репутация: 22
- Откуда: Tallinn
- Аудио система: Tpa3255
Re: Переделка ас под би-ампинг,Mission lx2,Rz840
Вот чуть новее модель,но кроссовер практически одинаковый,динамики к счастью все целы ничего не спалил и не повредил
- Justas*
- Гуру электроники☆☆☆☆
- Сообщения: 2438
- Стаж: 4 года 5 месяцев
- Репутация: 1340
- Откуда: Украина
- Аудио система: viewtopic.php?p=17721#p17721
Re: Переделка ас под би-ампинг,Mission lx2,Rz840
Значит я угадал со второй попытки.audiomaniac3 писал(а): 15 фев 2023, 16:42 На вч динамик вот такая схема кроссовера,конденсатор-резистор-катушка-конденсатор-резистор
viewtopic.php?p=25541#p25541
Ничего странного нет. Стандартное решение. Резистор последовательно с конденсатором изменяет аппроксимацию фильтра и крутизну спада АЧХ.На НЧ динамике очень странный кроссовер,зачем в нем резисторы я не понимаю,но также вторая индуктивность идет на минус, а не на плюс.
В RLC режекторе, последовательность подключения элементов не имеет значения. Индуктивность может быть на минусе, на плюсе, так и между резистором и конденсатором. LC задают частоту режектора, а R его добротность.
Может и одинаковый, и что с того?audiomaniac3 писал(а): 15 фев 2023, 16:51 Вот чуть новее модель,но кроссовер практически одинаковый,динамики к счастью все целы ничего не спалил и не повредил
В целостности пищалок можно убедиться, только взглянув на звуковую катушку. Если она потемнела, то нет гарантии, что в будущем не сползут витки, или не будет межвиткового КЗ.
-
acrobot
- Почетный пользователь
- Сообщения: 94
- Стаж: 5 лет
- Репутация: 2
- Откуда: Беларусь\Витебск
- Аудио система: самопал
Re: Переделка ас под би-ампинг,Mission lx2,Rz840
Звук вам понравился даже с искажениями потому, что избавились из лишних звеньев в цепи. Это показывает как электролиты, сердечники в катушках, резисторы портят звук, хоть у тебя будет на графиках все лады. Потенциал динамиков даже в очень дорогих колонках не раскрывается из-за низкого качества компонентов фильтра. Мой совет - просто меняйте каждую деталь на более продвинутую того же номинала. Покупать микрафон и ЗК не надо, идти по долгому и кропотливому пути ''профессионалов'' в акустике тут тоже не обязательно.
Самый дорогой конденсатор у вас на ВЧ BENNIC, стоит на Али 10$ за 1 шт, что неплохо на фоне остального ширпотреба. Если экономить и не менять, то лучше его шунтировать качественным конденсатором 0.46 -0.68мкф и припаять чтобы направления надписей конденсаторов были в разные стороны. Керамические резисторы приносят муть в вч и однозначно менять. ВЧ звено фильтра самое чувствительное к звуку место, поэтому тут компоненты должны быть максимально хорошими. Поменяете их, услышите результат , на основе этого сделаете вывод нужно ли идти дальше.
Самый дорогой конденсатор у вас на ВЧ BENNIC, стоит на Али 10$ за 1 шт, что неплохо на фоне остального ширпотреба. Если экономить и не менять, то лучше его шунтировать качественным конденсатором 0.46 -0.68мкф и припаять чтобы направления надписей конденсаторов были в разные стороны. Керамические резисторы приносят муть в вч и однозначно менять. ВЧ звено фильтра самое чувствительное к звуку место, поэтому тут компоненты должны быть максимально хорошими. Поменяете их, услышите результат , на основе этого сделаете вывод нужно ли идти дальше.
- Justas*
- Гуру электроники☆☆☆☆
- Сообщения: 2438
- Стаж: 4 года 5 месяцев
- Репутация: 1340
- Откуда: Украина
- Аудио система: viewtopic.php?p=17721#p17721
Re: Переделка ас под би-ампинг,Mission lx2,Rz840
Во как. Оказывается, есть целая секта любителей искажений. Как говорится «на вкус и цвет, все фломастеры разные».acrobot писал(а): 16 фев 2023, 14:36 Звук вам понравился даже с искажениями потому, что избавились из лишних звеньев в цепи. Это показывает как электролиты, сердечники в катушках, резисторы портят звук, хоть у тебя будет на графиках все лады.
Предлагаю так же выкинуть «лишние звенья» как то электролиты, резисторы, из усилителя и источника. Там до трети можно безболезненно удалить, работать будет. Меньше лишних звеньев портящих звук – больше искажений – больше нравится звук.
Вы уже меняли компоненты в «очень дорогих колонках»?Потенциал динамиков даже в очень дорогих колонках не раскрывается из-за низкого качества компонентов фильтра. Мой совет - просто меняйте каждую деталь на более продвинутую того же номинала.
С чем я согласен, так это с этим:
Но в бюджетных Mission lx всё сбалансировано. Качество компонентов соответствует качеству динамиков.Керамические резисторы приносят муть в вч и однозначно менять. ВЧ звено фильтра самое чувствительное к звуку место, поэтому тут компоненты должны быть максимально хорошими.
Ну да, микрАфоном и симуляторами пользуются строящие из себя ''профессионалов''.Покупать микрафон и ЗК не надо, идти по долгому и кропотливому пути ''профессионалов'' в акустике тут тоже не обязательно.
Мы пойдём другим путём.
Продвинутость определим по ценнику на Али.Мой совет - просто меняйте каждую деталь на более продвинутую того же номинала.
BENNIC. 10$ за 1 шт – неплохо! А если за 1.6$, уже фигня?
https://www.aliexpress.com/item/1005002 ... nqGX9ORhjM
Или 3$
https://hificompass.com/ru/catalog/capa ... 6uf-250v-5
Кстати, на ВЧ 2 кондёра. Первый, электролит неполярный 33мкФ, шунтированный мелкой плёнкой. Всё по Вашим заветам.
Если экономить и не менять, то лучше его шунтировать качественным конденсатором 0.46 -0.68мкф и припаять чтобы направления надписей конденсаторов были в разные стороны.
Вот только боюсь, что с направлением надписей производитель лоханулся. Видимо поэтому, ТС звук не заходит.
PS
В 80-х годах прошлого века, было повальное увлечение делать АЧХ «улыбкой». НЧ и ВЧ темброблока выкручивались на всю катушку. «Бум» и «тс-с-с» на S90, в полный рост!
Но это не звук, а искусственные эффекты, которые кому то могут нравиться.Звуки в фильмах,звонок старого телефона, дзыньканье посуды,вообщем практически все звенящие звуки ощущаются как будто происходят передо мной
С появлением в продаже хороших динамиков и АС зарубежного производства, пришло осознание, каким должен быть звук.
Есть конечно и редкие экземпляры отечественных динамиков, которые неплохо звучат.
-
Essence
- Почетный пользователь
- Сообщения: 60
- Стаж: 3 года
- Репутация: 13
- Откуда: оттуда
- Аудио система: кого ебет
Re: Переделка ас под би-ампинг,Mission lx2,Rz840
Электролиты нужно менять на К77. Хотя уже они ищутся с трудом, раскусили люди. Ну и если быть дотошным, можно поменять резисторы в белой керамике (зная их трухлявую конструкцию) на проволочные самопальные намотанные безындукционно.
-
acrobot
- Почетный пользователь
- Сообщения: 94
- Стаж: 5 лет
- Репутация: 2
- Откуда: Беларусь\Витебск
- Аудио система: самопал
Re: Переделка ас под би-ампинг,Mission lx2,Rz840
Justas* »
-Тут человеку нравится звук несмотря на искажения, искажаете суть повествования.
-Менял в колонках за 2000$ там фильтр не сильно лучше этого, уверен к колонках дороже можно купить качественнее конденсаторы катушки и резисторы чем в стоке, совершенсву нет предела
-Каждый раз когда человек хочет улучшить свои колонки ему говорят купить новые потому что там все сбалансированно, в конечном итоге после переделки получается , что они очень не правы, уж сколько таких советчиков повидал.
-Измерить приблизительно АЧХ поможет смартфон, частоту раздела и уровень громкости динамиков, все делается легко особенно в биампинге. Но меняя одинаковые номиналы измерять нет необходимости. Даже ошибка в номиналах на слух очень невыразительна, зато разница в качестве компонентов сильно слышна.
-Именно рынок,особенно китайких комплекутющих, решает цену, иначе бы непревзойденно звучащие, к примеру ,Аудиофиллер, пользовались бы чудовищной популярностью. Шурудить весь интернет в поисках мнений по поводу одной детали дело неблагодарное. Поэтому мне проще ориентироваться по цене, а при 1.6$ цену доставки в регион надо тоже внимательно смотреть и тут не тема ценообразований Али. Приблизительно образно суть объяснил , а вам бы чем-нибудь помериться из поста в пост , найти изъян, высмеять, аргументы закончатся будете до орфографии докапываться, ну некрасиво.
-Производитель лоханулся не от направления электролита, а то что это электролит, досадно что такие мелочи нужно изжёвывать специалистам.
-Тут человеку нравится звук несмотря на искажения, искажаете суть повествования.
-Менял в колонках за 2000$ там фильтр не сильно лучше этого, уверен к колонках дороже можно купить качественнее конденсаторы катушки и резисторы чем в стоке, совершенсву нет предела
-Каждый раз когда человек хочет улучшить свои колонки ему говорят купить новые потому что там все сбалансированно, в конечном итоге после переделки получается , что они очень не правы, уж сколько таких советчиков повидал.
-Измерить приблизительно АЧХ поможет смартфон, частоту раздела и уровень громкости динамиков, все делается легко особенно в биампинге. Но меняя одинаковые номиналы измерять нет необходимости. Даже ошибка в номиналах на слух очень невыразительна, зато разница в качестве компонентов сильно слышна.
-Именно рынок,особенно китайких комплекутющих, решает цену, иначе бы непревзойденно звучащие, к примеру ,Аудиофиллер, пользовались бы чудовищной популярностью. Шурудить весь интернет в поисках мнений по поводу одной детали дело неблагодарное. Поэтому мне проще ориентироваться по цене, а при 1.6$ цену доставки в регион надо тоже внимательно смотреть и тут не тема ценообразований Али. Приблизительно образно суть объяснил , а вам бы чем-нибудь помериться из поста в пост , найти изъян, высмеять, аргументы закончатся будете до орфографии докапываться, ну некрасиво.
-Производитель лоханулся не от направления электролита, а то что это электролит, досадно что такие мелочи нужно изжёвывать специалистам.
Последний раз редактировалось acrobot 16 фев 2023, 23:44, всего редактировалось 1 раз.
- Justas*
- Гуру электроники☆☆☆☆
- Сообщения: 2438
- Стаж: 4 года 5 месяцев
- Репутация: 1340
- Откуда: Украина
- Аудио система: viewtopic.php?p=17721#p17721
Re: Переделка ас под би-ампинг,Mission lx2,Rz840
Вы меня прямо в краску вогнали. Согласен, до орфографии докапываться некрасиво.acrobot писал(а): 16 фев 2023, 20:46 Приблизительно образно суть объяснил человеку, а вам бы чем-нибудь помериться из поста в пост , найти изъян, высмеять, аргументы закончатся будете до орфографии докапываться, некрасиво.
Зато красиво с неким намёком писать:
Зачем брать в скобки, написали бы прямо - так называемых профессионалов.идти по долгому и кропотливому пути ''профессионалов'' в акустике тут тоже не обязательно.
Заодно объясните, чем я с Вами меряюсь «из поста в пост»?
Ну да ладно.
Какую суть Вы объяснили человеку? Что в бюджетной акустике нужно конденсаторы и катушки поменять на Duelund и Mundorf M-Coil? Так не в коня корм. Mission lx от этого лучше не зазвучит.
Ну разве что
припаять чтобы направления надписей конденсаторов были в разные стороны
Говоря о том что в них всё сбалансировано, я имел в виду стоимость (качество) динамиков и деталей фильтра.
Впрочем, ТС ничего этого не нужно. Главное чтобы посуда в треках правдоподобно звенела.
А для этого как оказалось, достаточно одного дешёвого конденсатора на ВЧ, и НЧ на прямую.человеку нравится звук несмотря на искажения
Путь самурая завершён.
После этогоизбавились из лишних звеньев в цепи
И что мы на смартфоне увидим? Кривую АЧХ (неизвестно что там стало с фазами) с горбом импеданса пищалки и пиком на миде. Плюс все комнатные отражения.-Измерить приблизительно АЧХ поможет смартфон
Но ведь нравиться!
-
acrobot
- Почетный пользователь
- Сообщения: 94
- Стаж: 5 лет
- Репутация: 2
- Откуда: Беларусь\Витебск
- Аудио система: самопал
Re: Переделка ас под би-ампинг,Mission lx2,Rz840
Кривая на смартфоне покажет полосу пропускания и громкость, больше и не нужно , и сами сказали идеально ровную АЧХ не сделаешь из-за комнаты, а фаза не так уж заметна на слух. К тому же мозг быстро привыкает к акустике комнаты и корректирует АЧХ так же как АЧХ наушников, поэтому -нравится. Вынуждаете писать эти простые истины специалистам, вынуждаете меня ставить кавычки, уж поймите простите ,говорю как есть.И что мы на смартфоне увидим? Кривую АЧХ (неизвестно что там стало с фазами) с горбом импеданса пищалки и пиком на миде. Плюс все комнатные отражения.
Но ведь нравиться!
- Justas*
- Гуру электроники☆☆☆☆
- Сообщения: 2438
- Стаж: 4 года 5 месяцев
- Репутация: 1340
- Откуда: Украина
- Аудио система: viewtopic.php?p=17721#p17721
Re: Переделка ас под би-ампинг,Mission lx2,Rz840
Эти истины не так просты, как Вам кажется. И я нигде не говорил, что ровную АЧХ не сделаешь из-за комнаты, а фаза не так уж заметна на слух.
Стремиться нужно к ровной АЧХ АС. Не зря у известных производителей акустики имеется безэховая камера. При наличии соответствующего микрофона (не смартфона) и программного обеспечения, можно проводить измерения без комнатных отражений в домашних условиях. Правда есть ограничения по НЧ, которые зависят от размеров комнаты. В комнате 18-20кв.м. с потолком 2,6м, от 300Гц и выше. Двухполоска сводится без проблем.
Есть куча способов для борьбы с комнатными отражениями. На СЧ-ВЧ, рассеиватели, поглотители. На НЧ, щиты Бекеши, режекторы и т.д.
Иначе к кривой АЧХ АС, добавиться кривизна комнаты со всеми вытекающими.
Минимальная фаза хороших АС, обычно ровная. Но это мало о чём говорит.
С кривым фильтром, возможно расхождение (не когерентность) фаз в зоне совместного излучения динамиков. При этом АЧХ на частоте раздела, может быть ровной. Представьте что у пищалки и мида, фазы в этой зоне разнесены на 30 - 90°. Получите порхающий между динамиками звук. Измерить фазу смартфоном также не получится.
С тем, что мозг быстро привыкает к акустике комнаты, согласен частично. Мой мозг никогда не привыкнет к бубнящим звукам стоячих волн или АС с повышенной добротностью. Поэтому у АС добротность оптимальная, а к стоякам применяю режекторы.
Но возможно, после длительного прослушивания некачественных АС в неблагоприятных условиях, мозг привыкает, принимая такой звук за эталон. И при переходе на приличные АС, кажется, что чего то не хватает.
Звонок телефона не такой яркий, посуда не так гремит, бас не такой раскатистый. Требуется время для понимания, что те звуки были не натуральны и потому прежние АС дерьмо, да и комната какая то бубнящая.
Вынужден писать эти простые истины специалистам.
Стремиться нужно к ровной АЧХ АС. Не зря у известных производителей акустики имеется безэховая камера. При наличии соответствующего микрофона (не смартфона) и программного обеспечения, можно проводить измерения без комнатных отражений в домашних условиях. Правда есть ограничения по НЧ, которые зависят от размеров комнаты. В комнате 18-20кв.м. с потолком 2,6м, от 300Гц и выше. Двухполоска сводится без проблем.
Есть куча способов для борьбы с комнатными отражениями. На СЧ-ВЧ, рассеиватели, поглотители. На НЧ, щиты Бекеши, режекторы и т.д.
Иначе к кривой АЧХ АС, добавиться кривизна комнаты со всеми вытекающими.
Минимальная фаза хороших АС, обычно ровная. Но это мало о чём говорит.
С кривым фильтром, возможно расхождение (не когерентность) фаз в зоне совместного излучения динамиков. При этом АЧХ на частоте раздела, может быть ровной. Представьте что у пищалки и мида, фазы в этой зоне разнесены на 30 - 90°. Получите порхающий между динамиками звук. Измерить фазу смартфоном также не получится.
С тем, что мозг быстро привыкает к акустике комнаты, согласен частично. Мой мозг никогда не привыкнет к бубнящим звукам стоячих волн или АС с повышенной добротностью. Поэтому у АС добротность оптимальная, а к стоякам применяю режекторы.
Но возможно, после длительного прослушивания некачественных АС в неблагоприятных условиях, мозг привыкает, принимая такой звук за эталон. И при переходе на приличные АС, кажется, что чего то не хватает.
Звонок телефона не такой яркий, посуда не так гремит, бас не такой раскатистый. Требуется время для понимания, что те звуки были не натуральны и потому прежние АС дерьмо, да и комната какая то бубнящая.
Вынужден писать эти простые истины специалистам.
-
acrobot
- Почетный пользователь
- Сообщения: 94
- Стаж: 5 лет
- Репутация: 2
- Откуда: Беларусь\Витебск
- Аудио система: самопал
Re: Переделка ас под би-ампинг,Mission lx2,Rz840
Мы всего лишь помогаем человеку переделать колонки. Я пишу как потратить минимум усилий и средств. А специальста в кавычках всегда видно , он пишет много букв о том как много знает чтобы никто не сомневался в его компитентности и по итогу советует купить новые колонки.
- Justas*
- Гуру электроники☆☆☆☆
- Сообщения: 2438
- Стаж: 4 года 5 месяцев
- Репутация: 1340
- Откуда: Украина
- Аудио система: viewtopic.php?p=17721#p17721
Re: Переделка ас под би-ампинг,Mission lx2,Rz840
У Вас какое то нездоровое отношение к компитентным специальстам в кавычках.
Давая советы, себя Вы к ним не относите?
Никто в этой теме не предлагал ТС купить новые колонки.
Рациональных предложений было два.
Первое от IT-Prof
Заменить все детали фильтра на более качественные, соответственно дорогие.
Что вступает в противоречие с высказыванием
Никто в этой теме не предлагал ТС купить новые колонки.
Рациональных предложений было два.
Первое от IT-Prof
Второе от меняЯ бы в начале сделал замер АЧХ колонки нормальным микрофоном и звуковухой а потом дальше двигался.
Ну и ВашеНичего не трогать! В Mission lx 2 судя по фото, довольно качественные фильтры сделанные с умом.
Заменить все детали фильтра на более качественные, соответственно дорогие.
Что вступает в противоречие с высказыванием
Аминь!Я пишу как потратить минимум усилий и средств.
-
audiomaniac3
- Постоянный житель
- Сообщения: 270
- Стаж: 3 года 6 месяцев
- Репутация: 22
- Откуда: Tallinn
- Аудио система: Tpa3255
Re: Переделка ас под би-ампинг,Mission lx2,Rz840
А можете помочь с каким номиналом резисторы ставить? На али нашел такие проволочныеJustas* писал(а): 17 фев 2023, 10:33 У Вас какое то нездоровое отношение к компитентным специальстам в кавычках.Давая советы, себя Вы к ним не относите?
Никто в этой теме не предлагал ТС купить новые колонки.
Рациональных предложений было два.
Первое от IT-ProfВторое от меняЯ бы в начале сделал замер АЧХ колонки нормальным микрофоном и звуковухой а потом дальше двигался.Ну и ВашеНичего не трогать! В Mission lx 2 судя по фото, довольно качественные фильтры сделанные с умом.
Заменить все детали фильтра на более качественные, соответственно дорогие.
Что вступает в противоречие с высказываниемАминь!Я пишу как потратить минимум усилий и средств.
- Justas*
- Гуру электроники☆☆☆☆
- Сообщения: 2438
- Стаж: 4 года 5 месяцев
- Репутация: 1340
- Откуда: Украина
- Аудио система: viewtopic.php?p=17721#p17721
Re: Переделка ас под би-ампинг,Mission lx2,Rz840
Номинал на проволочных (белые, цементные) написан.
Металло-оксидные лучше
https://www.rcscomponents.kiev.ua/catal ... entnyh/577
https://www.aliexpress.com/item/1005003 ... 7442090_10
Металло-оксидные лучше
https://www.rcscomponents.kiev.ua/catal ... entnyh/577
https://www.aliexpress.com/item/1005003 ... 7442090_10
-
Essence
- Почетный пользователь
- Сообщения: 60
- Стаж: 3 года
- Репутация: 13
- Откуда: оттуда
- Аудио система: кого ебет
Re: Переделка ас под би-ампинг,Mission lx2,Rz840
Самые лучшие резисторы проволочные, намотанные безиндуктивно. Нужен мост для точной подгонки. Для акустики шумность не при делах, но раз уж тебе посоветовали дорогие металлопленочные, то уж лучше поработать ручками. Номиналы резисторов в акустике небольшие.
- Justas*
- Гуру электроники☆☆☆☆
- Сообщения: 2438
- Стаж: 4 года 5 месяцев
- Репутация: 1340
- Откуда: Украина
- Аудио система: viewtopic.php?p=17721#p17721
Re: Переделка ас под би-ампинг,Mission lx2,Rz840
Как и мизерная индуктивность резистора в единицы Ом.
Согласен. Но к китайским цементным "кирпичам" это не относится.Самые лучшие резисторы проволочные, намотанные безиндуктивно.
но раз уж тебе посоветовали дорогие металлопленочные, то уж лучше поработать ручками. Нужен мост для точной подгонки.
Ещё нужен каркас, провод с высоким удельным сопротивлением и точечная сварка. Ну и руки не из ж...
Спасибо. Я лучше отдам 3 - 5 грн за металло-плёнку.
«Не умножай сущности сверх необходимого» (С)
-
audiomaniac3
- Постоянный житель
- Сообщения: 270
- Стаж: 3 года 6 месяцев
- Репутация: 22
- Откуда: Tallinn
- Аудио система: Tpa3255
Re: Переделка ас под би-ампинг,Mission lx2,Rz840
Замерил ачх микрофоном от ресивера,на месте где я слушаю музыку,увидел что идет завал после 10кгц.Justas* писал(а): 18 фев 2023, 10:20 Номинал на проволочных (белые, цементные) написан.
Металло-оксидные лучше
https://www.rcscomponents.kiev.ua/catal ... entnyh/577
https://www.aliexpress.com/item/1005003 ... 7442090_10
На счет резисторов такой вопрос,можно ли ставить вместо 5w,10w но с таким же сопротивлением?
Могли ли резисторы выйти из строя, так как замерив их мультиметром,прибор показал сопротивление больше,чем указано,возможно также мой мультиметр не совсем точный.