Темы в форуме
Новые сообщения
-
14-фев Варианты доработки и модерницации акустических систем.
-
11-фев (ГИ) Груповой Излучатель + ШП. Моя история и пояснения.
-
10-фев АС для спальної кімнати
-
31-янв 4-х полосная DIY АС. Нужен совет
-
11-янв Низкочастотная часть в акустике с ЭМОС
-
02-янв Цифровая корекция НЧ диапазона. Подводные камни.
-
30-дек DIY цифроактивная трёхполосная АС ближнего поля.
-
26-дек Акустика Активна, чи звичайна?
-
13-ноя Колонки DALI OBERON 9
-
11-ноя Компактые полочники на стол возле ПК.
Новые темы
-
28-фев Как отреставрировать динамик?
-
27-янв 4-х полосная DIY АС. Нужен совет
-
08-янв Низкочастотная часть в акустике с ЭМОС
-
30-дек Цифровая корекция НЧ диапазона. Подводные камни.
-
25-сен песок: нужно ли насыпать?
-
20-сен Help твиттура.
-
16-сен Компактые полочники на стол возле ПК.
-
08-сен Купить винтажную АС или новую?
-
08-сен Тест Cabasse Realto
-
30-авг Вопрос - сопротивление
Благаю. Не дайте загробити добрі колонки
- MAXER
- Почетный пользователь
- Сообщения: 74
- Стаж: 2 года 9 месяцев
- Репутация: 33
- Откуда: Київ
- Аудио система: Primare NP5 Prisma Mk II + BRZHIFI DC50 + LM 3886 двойное моно + Кливер 150АС-009 (копаний до половини)
Благаю. Не дайте загробити добрі колонки
Ось і настав час щось робити з моїми коханими Клівер 150 АС 009. Питання в тому, що мені вони подобаються. Але потрібний ремонт шпону. І сусід, сатаніст-аудіофіл, підштовхує на заміну кондерів на аудіо, виключення плати захисту, заміну дротів на аудіо. Все одно все нутрощі доведеться вийняти...
Та я загалом і не проти
Але що робити з внутрянкою? Надивився відео, хтось обезшумлює їх воїлом і сує штучну вату, хтось каже нічого не робіть будуть бубоніти. Але я не розумію середньо і високочастотний динамік у капсулі, чого він бубонітиме. Стільки нових знешумлювачів для авто з'явилося
Загалом я вирішив, я їх залишатиму, але хотілося б їх правильно вдосконалити не для галочки а за розумом.
Тим більше, я перший господар, динаміки в нормі без дефектів, зроблено у нас в Україні, чому б і не зберегти їм життя
Та я загалом і не проти
Але що робити з внутрянкою? Надивився відео, хтось обезшумлює їх воїлом і сує штучну вату, хтось каже нічого не робіть будуть бубоніти. Але я не розумію середньо і високочастотний динамік у капсулі, чого він бубонітиме. Стільки нових знешумлювачів для авто з'явилося
Загалом я вирішив, я їх залишатиму, але хотілося б їх правильно вдосконалити не для галочки а за розумом.
Тим більше, я перший господар, динаміки в нормі без дефектів, зроблено у нас в Україні, чому б і не зберегти їм життя
Re: Благаю. Не дайте загробити добрі колонки
Не чiпайте внутрянку, косметику i все.
- Justas*
- Гуру электроники☆☆☆☆
- Сообщения: 2438
- Стаж: 4 года 5 месяцев
- Репутация: 1340
- Откуда: Украина
- Аудио система: viewtopic.php?p=17721#p17721
Re: Благаю. Не дайте загробити добрі колонки
Подставки им нужны, это же полочники, хоть и крупные
- MAXER
- Почетный пользователь
- Сообщения: 74
- Стаж: 2 года 9 месяцев
- Репутация: 33
- Откуда: Київ
- Аудио система: Primare NP5 Prisma Mk II + BRZHIFI DC50 + LM 3886 двойное моно + Кливер 150АС-009 (копаний до половини)
Re: Благаю. Не дайте загробити добрі колонки
щодо поличників не зовсім впевнений, але я любитель, я можу помилятись. На скільки ви вважаєте правильним їх підняти від підлоги?
- Justas*
- Гуру электроники☆☆☆☆
- Сообщения: 2438
- Стаж: 4 года 5 месяцев
- Репутация: 1340
- Откуда: Украина
- Аудио система: viewtopic.php?p=17721#p17721
Re: Благаю. Не дайте загробити добрі колонки
Пищалки должны быть на уровне ушей
- MAXER
- Почетный пользователь
- Сообщения: 74
- Стаж: 2 года 9 месяцев
- Репутация: 33
- Откуда: Київ
- Аудио система: Primare NP5 Prisma Mk II + BRZHIFI DC50 + LM 3886 двойное моно + Кливер 150АС-009 (копаний до половини)
Re: Благаю. Не дайте загробити добрі колонки
Уточню питання, що робити із внутрішньою стороною корпусів?
- Justas*
- Гуру электроники☆☆☆☆
- Сообщения: 2438
- Стаж: 4 года 5 месяцев
- Репутация: 1340
- Откуда: Украина
- Аудио система: viewtopic.php?p=17721#p17721
Re: Благаю. Не дайте загробити добрі колонки
Какие у них проблемы, Вы же пишете
https://ldsound.info/150-as-009-kliver/
В фильтрах, судя по фото, бумага и лавсан.
Порекомендовал бы поставить полипропилен, хотя бы на ВЧ. Но для 10 ГДВ-4-16, это как мёртвому припарка.
Питання в тому, що мені вони подобаються.
Отделайте шпоном, поставьте на подставки. Их оказывается рекомендует и производительВ конструкции корпуса предусмотрены элементы, увеличивающие жесткость корпуса и снижающие амплитуды колебаний стенок — ребра жесткости и стяжки. Для уменьшения влияния на АЧХ звукового давления и качество звучания АС резонансов внутреннего объема корпус АС заполнен эффективным звукопоглощающим материалом АТМ-1.
https://ldsound.info/150-as-009-kliver/
В фильтрах, судя по фото, бумага и лавсан.
Порекомендовал бы поставить полипропилен, хотя бы на ВЧ. Но для 10 ГДВ-4-16, это как мёртвому припарка.
-
mtz_fish
- Постоянный житель
- Сообщения: 221
- Стаж: 3 года 5 месяцев
- Репутация: 48
- Откуда: Минск
- Аудио система: Самосборное 4х полосное с цифровым делением:)
Re: Благаю. Не дайте загробити добрі колонки
Ну тут правильно пишут, чтобы начать что-то делать, нужно понять какого эффекта хотите добиться.
Если уж так неймется фильтры модернезировать.
То по хорошему, для начала бы измерить ачх колонки, импеданс, если там все хорошо, можно попробовать кондеры на полипропилен заменить.
Если в местах сшивки полос обнаружатся дырки, то по хорошему нужно будет переизмерять импеданс, возможно параметры ТС, потом пересчитывать фильтры, вопрос стоит ли это все этого?
Войлок внутри корпуса штука хорошая, можно стенки обклеить, хуже не будет, только войлок от 10мм использовать.
Если уж так неймется фильтры модернезировать.
То по хорошему, для начала бы измерить ачх колонки, импеданс, если там все хорошо, можно попробовать кондеры на полипропилен заменить.
Если в местах сшивки полос обнаружатся дырки, то по хорошему нужно будет переизмерять импеданс, возможно параметры ТС, потом пересчитывать фильтры, вопрос стоит ли это все этого?
Войлок внутри корпуса штука хорошая, можно стенки обклеить, хуже не будет, только войлок от 10мм использовать.
- MAXER
- Почетный пользователь
- Сообщения: 74
- Стаж: 2 года 9 месяцев
- Репутация: 33
- Откуда: Київ
- Аудио система: Primare NP5 Prisma Mk II + BRZHIFI DC50 + LM 3886 двойное моно + Кливер 150АС-009 (копаний до половини)
Re: Благаю. Не дайте загробити добрі колонки
Жду подставки, пока простенькие. Для понимания разницы
Начинаю сбор кондеров, есть вопрос, может кто даст наколку на аудио (качественных) таких номиналов:
1мкф - 2шт
2,2 мкф - 2шт
3,9 мкф - 8 шт
10,0 мкф - 2 шт
20 мкф - 4 шт
30 мкф - 4 шт
ну а как соберу комплектуху, буду вынимать все на перепайку и отдам на шпонировку
Начинаю сбор кондеров, есть вопрос, может кто даст наколку на аудио (качественных) таких номиналов:
1мкф - 2шт
2,2 мкф - 2шт
3,9 мкф - 8 шт
10,0 мкф - 2 шт
20 мкф - 4 шт
30 мкф - 4 шт
ну а как соберу комплектуху, буду вынимать все на перепайку и отдам на шпонировку
-
mtz_fish
- Постоянный житель
- Сообщения: 221
- Стаж: 3 года 5 месяцев
- Репутация: 48
- Откуда: Минск
- Аудио система: Самосборное 4х полосное с цифровым делением:)
Re: Благаю. Не дайте загробити добрі колонки
Я ставил к73-11 и к78-34.
Особых притензий не было.
Особых притензий не было.
- Adam
- Постоянный житель
- Сообщения: 371
- Стаж: 3 года 7 месяцев
- Репутация: 128
- Откуда: Київ
- Аудио система: Rega Planet 2000, ЦАП Shiit Modi 3, Lenco 75, Электроника-017, SE 300В, SE EL84(pent), Triangle Mizis 108
Re: Благаю. Не дайте загробити добрі колонки
До 10 мкФ можна використати поліпропіленові Visaton. Непогане співвідношення ціна-якість. Десь тут https://smdua.in.ua/katalog/passivnye-e ... io-113514/, чи в інших місцях. Як варіaнт - радянський полістирол К71-4(5). Теж непогано.
20,30мкФ - це МБГО? Я би залишив як є.
20,30мкФ - це МБГО? Я би залишив як є.
- MAXER
- Почетный пользователь
- Сообщения: 74
- Стаж: 2 года 9 месяцев
- Репутация: 33
- Откуда: Київ
- Аудио система: Primare NP5 Prisma Mk II + BRZHIFI DC50 + LM 3886 двойное моно + Кливер 150АС-009 (копаний до половини)
Re: Благаю. Не дайте загробити добрі колонки
Приехали подставки, наблюдаю, надо пожить с ними...
- Dr.Somebody
- Постоянный житель
- Сообщения: 206
- Стаж: 4 года
- Репутация: 84
- Откуда: Ukraine, Kyiv
- Аудио система: Неважливо
Re: Благаю. Не дайте загробити добрі колонки
Рекомендую Jantzen cross cap, багатий вибір номіналів. Офіс-склад у них на м.Дарниця.MAXER писал(а): 23 май 2023, 14:36 Жду подставки, пока простенькие. Для понимания разницы
Начинаю сбор кондеров, есть вопрос, может кто даст наколку на аудио (качественных) таких номиналов:
1мкф - 2шт
2,2 мкф - 2шт
3,9 мкф - 8 шт
10,0 мкф - 2 шт
20 мкф - 4 шт
30 мкф - 4 шт
ну а как соберу комплектуху, буду вынимать все на перепайку и отдам на шпонировку
https://jantzen.com.ua/kondensatori-jan ... 1462618327
- MAXER
- Почетный пользователь
- Сообщения: 74
- Стаж: 2 года 9 месяцев
- Репутация: 33
- Откуда: Київ
- Аудио система: Primare NP5 Prisma Mk II + BRZHIFI DC50 + LM 3886 двойное моно + Кливер 150АС-009 (копаний до половини)
Re: Благаю. Не дайте загробити добрі колонки
Объясните пожалуйста простыми словами чайнику, в чем смысл данной замены? как должен измениться звук? Что не так со старыми бумажными? В чем принципиальная разница бумаги и полипропилена в фильтрах?
Может кто-то уже делал подобные модернизации и каков был эффект.
П.С. Все заказано, и боязно теперь))))
Может кто-то уже делал подобные модернизации и каков был эффект.
П.С. Все заказано, и боязно теперь))))
Re: Благаю. Не дайте загробити добрі колонки
Смисл в тому, що багато хто не відрізняє краще від "по іншому". І будь яке оновлення сприймається як ріст якості. Через те що навіть при однакових номіналах реальні параметри деталей будуть відрізнятись, частота настройки кросовера трохи сповзе. От враховуючи наскільки різні будуть номінали, з'явиться якась "різниця" в звуці.MAXER писал(а): 31 май 2023, 17:51 Объясните пожалуйста простыми словами чайнику, в чем смысл данной замены? как должен измениться звук?
Re: Благаю. Не дайте загробити добрі колонки
Якщо не секрет, який бюджет плануєте витратити на модернізацію АС?ну а как соберу комплектуху, буду вынимать все на перепайку и отдам на шпонировку
- MAXER
- Почетный пользователь
- Сообщения: 74
- Стаж: 2 года 9 месяцев
- Репутация: 33
- Откуда: Київ
- Аудио система: Primare NP5 Prisma Mk II + BRZHIFI DC50 + LM 3886 двойное моно + Кливер 150АС-009 (копаний до половини)
Re: Благаю. Не дайте загробити добрі колонки
потихоньку приезжают детали ...
бюджет... да как пойдет)))
бюджет... да как пойдет)))
- MAXER
- Почетный пользователь
- Сообщения: 74
- Стаж: 2 года 9 месяцев
- Репутация: 33
- Откуда: Київ
- Аудио система: Primare NP5 Prisma Mk II + BRZHIFI DC50 + LM 3886 двойное моно + Кливер 150АС-009 (копаний до половини)
Re: Благаю. Не дайте загробити добрі колонки
Схема
- Вложения
-
- схема фильтра кливер 150ас - 009.jpg (69.56 КБ) 2053 просмотра
- Justas*
- Гуру электроники☆☆☆☆
- Сообщения: 2438
- Стаж: 4 года 5 месяцев
- Репутация: 1340
- Откуда: Украина
- Аудио система: viewtopic.php?p=17721#p17721
Re: Благаю. Не дайте загробити добрі колонки
Однако!
Желаю что бы не получилось: "не в коня корм".
- MAXER
- Почетный пользователь
- Сообщения: 74
- Стаж: 2 года 9 месяцев
- Репутация: 33
- Откуда: Київ
- Аудио система: Primare NP5 Prisma Mk II + BRZHIFI DC50 + LM 3886 двойное моно + Кливер 150АС-009 (копаний до половини)
Re: Благаю. Не дайте загробити добрі колонки
Предлагаю приехать Вам и Алексу послушать до, а потом после. Ну и расскажите, чтобы другим наука была, думаю таких как я много
Последний раз редактировалось MAXER 01 июн 2023, 22:41, всего редактировалось 1 раз.
- MAXER
- Почетный пользователь
- Сообщения: 74
- Стаж: 2 года 9 месяцев
- Репутация: 33
- Откуда: Київ
- Аудио система: Primare NP5 Prisma Mk II + BRZHIFI DC50 + LM 3886 двойное моно + Кливер 150АС-009 (копаний до половини)
Re: Благаю. Не дайте загробити добрі колонки
Вы опытный человек в этом. Мне было бы за честь.
- MAXER
- Почетный пользователь
- Сообщения: 74
- Стаж: 2 года 9 месяцев
- Репутация: 33
- Откуда: Київ
- Аудио система: Primare NP5 Prisma Mk II + BRZHIFI DC50 + LM 3886 двойное моно + Кливер 150АС-009 (копаний до половини)
Re: Благаю. Не дайте загробити добрі колонки
Товарищ промерил кондеры, Солены идеальны, а вот янсены по 19 мкф, но в погрешность вписались (не знаю плохо это или хорошоююю)
- Justas*
- Гуру электроники☆☆☆☆
- Сообщения: 2438
- Стаж: 4 года 5 месяцев
- Репутация: 1340
- Откуда: Украина
- Аудио система: viewtopic.php?p=17721#p17721
Re: Благаю. Не дайте загробити добрі колонки
Спасибо за приглашение, но далековато. Хотя, в другое время и при других обстоятельствах, возможно и прокатился бы, в Киеве давно не был.
Кстати, в этой ветке кроме Вас, как минимум трое из Киева. Приглашайте.
Если уж так серьёзно взялись, то предложу сделать следующее:
Убрать полностью блок защиты и индикации. Навряд ли он пригодится в городской квартире.
Но дело в том, что питание этот блок берёт непосредственно с входных клемм АС, через однополупериодный выпрямитель.
Как такая дополнительной нелинейность влияет на параметры АС и сам усилитель, х.з. Но лучше отключить, что бы кошмары не мучили.
Схема без блока защиты здесь
https://ldsound.info/150-as-009-kliver/
После этого, привести в порядок мешанину из проводов, хотя бы ради эстетики. Провода в канале НЧ и от клемм до фильтра, желательно выполнить из более толстого провода.
PS
Переделайте пока одну колонку. Появиться возможность сравнить результат.
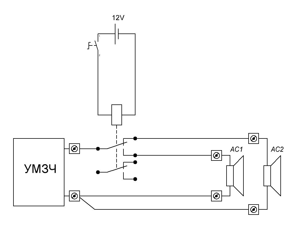
У Вас освободиться 4 реле РЭС-6. На одном можно сделать переключатель АС с дистанционным управлением. Для "слепого" прослушивания.
Переключение хоть мгновенное, хоть на сутки. Контакты реле запараллелить.
Кстати, в этой ветке кроме Вас, как минимум трое из Киева. Приглашайте.
Если уж так серьёзно взялись, то предложу сделать следующее:
Убрать полностью блок защиты и индикации. Навряд ли он пригодится в городской квартире.
Задумка может и правильная, такие (только без реле) ставились в определённые модификации S-30 и S-70.Схемы защиты и индикации настроены на срабатывание при подведении к АС реально музыкального сигнала пиковой мощности 75 – 100 Вт, что соответствует уровню звукового давления не менее 110 дБ. При установленной заглушке ЗАЩИТА схема срабатывает при пиках сигнала 300 – 350 Вт, что соответствует уровню звукового давления около 116 дБ. Первый режим обеспечивает максимальную надежность; второй – максимальный динамический диапазон и используется при испытаниях на максимальную кратковременную мощность.
Но дело в том, что питание этот блок берёт непосредственно с входных клемм АС, через однополупериодный выпрямитель.
Как такая дополнительной нелинейность влияет на параметры АС и сам усилитель, х.з. Но лучше отключить, что бы кошмары не мучили.
Схема без блока защиты здесь
https://ldsound.info/150-as-009-kliver/
После этого, привести в порядок мешанину из проводов, хотя бы ради эстетики. Провода в канале НЧ и от клемм до фильтра, желательно выполнить из более толстого провода.
PS
Переделайте пока одну колонку. Появиться возможность сравнить результат.
У Вас освободиться 4 реле РЭС-6. На одном можно сделать переключатель АС с дистанционным управлением. Для "слепого" прослушивания.
Переключение хоть мгновенное, хоть на сутки. Контакты реле запараллелить.
- MAXER
- Почетный пользователь
- Сообщения: 74
- Стаж: 2 года 9 месяцев
- Репутация: 33
- Откуда: Київ
- Аудио система: Primare NP5 Prisma Mk II + BRZHIFI DC50 + LM 3886 двойное моно + Кливер 150АС-009 (копаний до половини)
Re: Благаю. Не дайте загробити добрі колонки
именно по этому пути и буду идти, спасибо.
Киевлян с удовольствием приглашаю, пишите в личку))
Киевлян с удовольствием приглашаю, пишите в личку))
- MAXER
- Почетный пользователь
- Сообщения: 74
- Стаж: 2 года 9 месяцев
- Репутация: 33
- Откуда: Київ
- Аудио система: Primare NP5 Prisma Mk II + BRZHIFI DC50 + LM 3886 двойное моно + Кливер 150АС-009 (копаний до половини)
Re: Благаю. Не дайте загробити добрі колонки
По наставлению соседа, созвонился с магазином https://jantzen.com.ua/ на предмет обмена или выбора с прибором конденсаторов.
Они, без проблем согласились (было приятно).
Подъехал выбрал из того что есть с максимально близкими параметрами.
Ребята максимально помогли, если кому интересно, сообщили, что ждут новую партию кондесаторов (аудиофильских) какойто другой торговой марки (европейцы), немного интриги)))
Они, без проблем согласились (было приятно).
Подъехал выбрал из того что есть с максимально близкими параметрами.
Ребята максимально помогли, если кому интересно, сообщили, что ждут новую партию кондесаторов (аудиофильских) какойто другой торговой марки (европейцы), немного интриги)))
- MAXER
- Почетный пользователь
- Сообщения: 74
- Стаж: 2 года 9 месяцев
- Репутация: 33
- Откуда: Київ
- Аудио система: Primare NP5 Prisma Mk II + BRZHIFI DC50 + LM 3886 двойное моно + Кливер 150АС-009 (копаний до половини)
Re: Благаю. Не дайте загробити добрі колонки
перенес схему фильтра сюда чтобы не скакать
- Вложения
-
- фильтр кливер 150ас - 009.jpg (54.26 КБ) 2454 просмотра
- Justas*
- Гуру электроники☆☆☆☆
- Сообщения: 2438
- Стаж: 4 года 5 месяцев
- Репутация: 1340
- Откуда: Украина
- Аудио система: viewtopic.php?p=17721#p17721
Re: Благаю. Не дайте загробити добрі колонки
Замерьте потом ёмкость родных конденсаторов. Ради интереса. 
-
uriy
- Магистр электроники
- Сообщения: 1548
- Стаж: 2 года 9 месяцев
- Репутация: 486
- Откуда: Ukraine
- Аудио система: Цифраактив
Re: Благаю. Не дайте загробити добрі колонки
Мысли в слух.
Порой вот так читаешь проблематику того или иного компонента в системе и радуешься что уже сейчас появилась альтернатива в виде ДСП. Ни конденсаторов, ни индуктивностей в АС не надо. Хотя электролиты по питанию и в БП стоят, что опять же некоторым даёт широкое поле для деятельности.
А посмотрев на громоздкость пассивных фильтров в многополосках сразу понимаешь что усилителю бедняге приходится переваривать эту всю реактивность, что наталкивает на мысль что не каждый усь справляется с этим делом на ура. В общем, в подобных системах только на электрическом уровне так много взаимно зависимых элементов, что можно долго и нудно полировать систему с разным попеременным успехом. Благо что уже есть толковые ДСП, как же много проблем они решают одним махом....
Порой вот так читаешь проблематику того или иного компонента в системе и радуешься что уже сейчас появилась альтернатива в виде ДСП. Ни конденсаторов, ни индуктивностей в АС не надо. Хотя электролиты по питанию и в БП стоят, что опять же некоторым даёт широкое поле для деятельности.
- Justas*
- Гуру электроники☆☆☆☆
- Сообщения: 2438
- Стаж: 4 года 5 месяцев
- Репутация: 1340
- Откуда: Украина
- Аудио система: viewtopic.php?p=17721#p17721
Re: Благаю. Не дайте загробити добрі колонки
Озвучить какие будут возражения истинного аудиофила?
Я за свой крутейший стереусилитель почку заложил, а тут ещё 2 таких же нужно, придётся её и вовсе продавать.
Потом он узнает, что ЦАПы в DSP, в подмётки не годятся его ЦАПу с ламповым клоком, изготовленному известным цапостроителем.
Если есть возможность взять сигнал по I²C, то опять же, нужно заказывать ещё два таких ЦАПа.
Продажа выковырянных из пассивных фильтров голд-силвер дженсенов с мундорфами и катушек из монокристаллической меди, может лишь частично покрыть расходы.
А жизнь без почки и печени не позволит наслаждаться музыкой. Дилема…
Я за свой крутейший стереусилитель почку заложил, а тут ещё 2 таких же нужно, придётся её и вовсе продавать.
Потом он узнает, что ЦАПы в DSP, в подмётки не годятся его ЦАПу с ламповым клоком, изготовленному известным цапостроителем.
Если есть возможность взять сигнал по I²C, то опять же, нужно заказывать ещё два таких ЦАПа.
Продажа выковырянных из пассивных фильтров голд-силвер дженсенов с мундорфами и катушек из монокристаллической меди, может лишь частично покрыть расходы.
А жизнь без почки и печени не позволит наслаждаться музыкой. Дилема…