Темы в форуме

Ламповый усилитель на 6Н9С KT88

Аватара пользователя
RUS_D
Умелый
Сообщения: 189
Стаж: 4 года 5 месяцев
Репутация: 181
Откуда: Украина, Полтава
Аудио система: Плеер RuneAudio
ЦАП AH-D6 версия 2.х + несколько других
Проигрыватель Винила Lenco L75, DUAL1209, Fisher MT-M21, Вега unitra fonica g-600b
Усилитель Onkyo A-8830, Фоловер Андрэа Чиуфолли
Ламповые усилители РР на Rft El34 и 6П3C (кобра), РР на КТ88, РР на El84, SE на 6С41С, SE на 6П42П

Акустика ONKYO SC-370, GRUNDIG Box 1600b, IQ LADY- maxi
Контактная информация:

Ламповый усилитель на 6Н9С KT88

Сообщение RUS_D »

Конструкція вихідного дня.
Довго лежав корпус - думав що в ньго поселити :)
IMG_20230419_145538.jpg
IMG_20230421_211124.jpg
Так співпало що вихідні + поминальний я був вдома.
Щоб відволікти голову від мирських проблем, вирішив все таки взятися до цього корпусу.
Схему взяв покищо таку.....
shema.png
Але у мене трансформатор з анодною на 145в, тому БЖ з подвоєнням напруги.
Під нагрузкою будемо мати 350в анодної напруги.
Аватара пользователя
RUS_D
Умелый
Сообщения: 189
Стаж: 4 года 5 месяцев
Репутация: 181
Откуда: Украина, Полтава
Аудио система: Плеер RuneAudio
ЦАП AH-D6 версия 2.х + несколько других
Проигрыватель Винила Lenco L75, DUAL1209, Fisher MT-M21, Вега unitra fonica g-600b
Усилитель Onkyo A-8830, Фоловер Андрэа Чиуфолли
Ламповые усилители РР на Rft El34 и 6П3C (кобра), РР на КТ88, РР на El84, SE на 6С41С, SE на 6П42П

Акустика ONKYO SC-370, GRUNDIG Box 1600b, IQ LADY- maxi
Контактная информация:

Re: Ламповый усилитель на 6Н9С KT88

Сообщение RUS_D »

Результат 5-ти часової праці з "перекуром" на каву.
IMG_20230423_170334.jpg
IMG_20230425_170904.jpg
IMG_20230426_093216.jpg
Корпус поки по вигляду страшний - то від обклеяний маляркою та картоном - від пошкодження краски при роботі.
Залишилось впаяти вхідні та вихідні розєми (яких поки що не має)

Звук після первинної відстройки та прогріву сподобався - мясиситий такий.....
Ток КТ88 виставив в 60ма.
Аватара пользователя
LinuxManiac
Добрейший модератор
Сообщения: 1270
Стаж: 6 лет 11 месяцев
Репутация: 834
Откуда: Киев
Контактная информация:

Re: Ламповый усилитель на 6Н9С KT88

Сообщение LinuxManiac »

Вітаю вас!
Гарний задум, бездоганна схема та вдала реалізація.
А для чого сьома панелька?
050-246-3341; Viber: 068-362-3497
Аватара пользователя
RUS_D
Умелый
Сообщения: 189
Стаж: 4 года 5 месяцев
Репутация: 181
Откуда: Украина, Полтава
Аудио система: Плеер RuneAudio
ЦАП AH-D6 версия 2.х + несколько других
Проигрыватель Винила Lenco L75, DUAL1209, Fisher MT-M21, Вега unitra fonica g-600b
Усилитель Onkyo A-8830, Фоловер Андрэа Чиуфолли
Ламповые усилители РР на Rft El34 и 6П3C (кобра), РР на КТ88, РР на El84, SE на 6С41С, SE на 6П42П

Акустика ONKYO SC-370, GRUNDIG Box 1600b, IQ LADY- maxi
Контактная информация:

Re: Ламповый усилитель на 6Н9С KT88

Сообщение RUS_D »

7 панелька у мене спочатку була під Е88СС, як первинний драйвер, потім думав поставити 6Н8С на фазоінвертор.
Але при розкопках в тумбочці знайшов 2 гарні 6Н9C, тому схема змінилася :)
А в панельку поселю 6Е1П (мабуть)
Аватара пользователя
LinuxManiac
Добрейший модератор
Сообщения: 1270
Стаж: 6 лет 11 месяцев
Репутация: 834
Откуда: Киев
Контактная информация:

Re: Ламповый усилитель на 6Н9С KT88

Сообщение LinuxManiac »

Дякую.
050-246-3341; Viber: 068-362-3497
Аватара пользователя
RUS_D
Умелый
Сообщения: 189
Стаж: 4 года 5 месяцев
Репутация: 181
Откуда: Украина, Полтава
Аудио система: Плеер RuneAudio
ЦАП AH-D6 версия 2.х + несколько других
Проигрыватель Винила Lenco L75, DUAL1209, Fisher MT-M21, Вега unitra fonica g-600b
Усилитель Onkyo A-8830, Фоловер Андрэа Чиуфолли
Ламповые усилители РР на Rft El34 и 6П3C (кобра), РР на КТ88, РР на El84, SE на 6С41С, SE на 6П42П

Акустика ONKYO SC-370, GRUNDIG Box 1600b, IQ LADY- maxi
Контактная информация:

Re: Ламповый усилитель на 6Н9С KT88

Сообщение RUS_D »

Ну почти готово....
Осталось исправить досадную промашку - я забыл что для 6Е1П надо было панельку повернуть на 45 градусов :(
теперь уже когда дело дойдет до настройки после прогрева - переделаю все.. А это будет не скоро наверное...
IMG_20230428_154556.jpg
Аватара пользователя
RUS_D
Умелый
Сообщения: 189
Стаж: 4 года 5 месяцев
Репутация: 181
Откуда: Украина, Полтава
Аудио система: Плеер RuneAudio
ЦАП AH-D6 версия 2.х + несколько других
Проигрыватель Винила Lenco L75, DUAL1209, Fisher MT-M21, Вега unitra fonica g-600b
Усилитель Onkyo A-8830, Фоловер Андрэа Чиуфолли
Ламповые усилители РР на Rft El34 и 6П3C (кобра), РР на КТ88, РР на El84, SE на 6С41С, SE на 6П42П

Акустика ONKYO SC-370, GRUNDIG Box 1600b, IQ LADY- maxi
Контактная информация:

Re: Ламповый усилитель на 6Н9С KT88

Сообщение RUS_D »

Нарисовал тут по свободе карту для КТ88 для Л3-3, возможно комуто пригодится. Распечатывать на А4 (приношу извининее за красоту - рисовал в паинте :) )
KT88.jpg
Лампочку индикатора повернул
теперь я доволен усилителем.....
IMG_20230502_154752.jpg
Аватара пользователя
RUS_D
Умелый
Сообщения: 189
Стаж: 4 года 5 месяцев
Репутация: 181
Откуда: Украина, Полтава
Аудио система: Плеер RuneAudio
ЦАП AH-D6 версия 2.х + несколько других
Проигрыватель Винила Lenco L75, DUAL1209, Fisher MT-M21, Вега unitra fonica g-600b
Усилитель Onkyo A-8830, Фоловер Андрэа Чиуфолли
Ламповые усилители РР на Rft El34 и 6П3C (кобра), РР на КТ88, РР на El84, SE на 6С41С, SE на 6П42П

Акустика ONKYO SC-370, GRUNDIG Box 1600b, IQ LADY- maxi
Контактная информация:

Re: Ламповый усилитель на 6Н9С KT88

Сообщение RUS_D »

Невелика модернізація.
Заміна вихідних тороїдальних на заказні з Ш-образного заліза.
Силовий переїхав у підвал, добавив конденсатор поліпропіленовий 100мк*450в в анодне живлення.
Звук порадував.
20250209_163724.jpg
20250209_163122.jpg
20250209_170040.jpg
20250209_170018.jpg
20250209_170018.jpg (58.98 КБ) 2031 просмотр
20250209_142104.jpg
між вихідними трансформаторами стоїть дросель.
Аватара пользователя
RUS_D
Умелый
Сообщения: 189
Стаж: 4 года 5 месяцев
Репутация: 181
Откуда: Украина, Полтава
Аудио система: Плеер RuneAudio
ЦАП AH-D6 версия 2.х + несколько других
Проигрыватель Винила Lenco L75, DUAL1209, Fisher MT-M21, Вега unitra fonica g-600b
Усилитель Onkyo A-8830, Фоловер Андрэа Чиуфолли
Ламповые усилители РР на Rft El34 и 6П3C (кобра), РР на КТ88, РР на El84, SE на 6С41С, SE на 6П42П

Акустика ONKYO SC-370, GRUNDIG Box 1600b, IQ LADY- maxi
Контактная информация:

Re: Ламповый усилитель на 6Н9С KT88

Сообщение RUS_D »

618598749_25548041464818053_3342908899212177401_n.jpg
617603185_25548042728151260_6302087455266368656_n.jpg
617227899_25548040768151456_8124577641387812372_n.jpg
Отримав такий корпус підсилювача. (по центру при бажанні 4 лампи ставляться і октальні (6н9с/6н8с)

До нього замовлений такий силовий трансформатор на 235Вт
235В/320Вх0,38А, 50Вх0,25А, 6,4Вх5А, 6,4Вх5А, 6,5Вх2А, 12Вх2А
Сам підсилювач хочу зібрати також на таких трагсформаторах що вище виложив та КТ88
аот з схемою ніяк не можу вибрати - часу щоб посидіти та довго міркувати не має. (дома буваю дуже рідко, та й то по ночам, або іноді після наряду).

Тому прошу шановне панство покритикувати викоадені нижче схеми, та можливо щось підкинути своє.

Підсилювач хочу зібрати Собі - маю бажання його колись слухати, після закінчення всього того що у нас є в країні. (корпус такий з окремими ковпаками давно хотів)
Последний раз редактировалось RUS_D 26 янв 2026, 22:13, всего редактировалось 1 раз.
Аватара пользователя
RUS_D
Умелый
Сообщения: 189
Стаж: 4 года 5 месяцев
Репутация: 181
Откуда: Украина, Полтава
Аудио система: Плеер RuneAudio
ЦАП AH-D6 версия 2.х + несколько других
Проигрыватель Винила Lenco L75, DUAL1209, Fisher MT-M21, Вега unitra fonica g-600b
Усилитель Onkyo A-8830, Фоловер Андрэа Чиуфолли
Ламповые усилители РР на Rft El34 и 6П3C (кобра), РР на КТ88, РР на El84, SE на 6С41С, SE на 6П42П

Акустика ONKYO SC-370, GRUNDIG Box 1600b, IQ LADY- maxi
Контактная информация:

Re: Ламповый усилитель на 6Н9С KT88

Сообщение RUS_D »

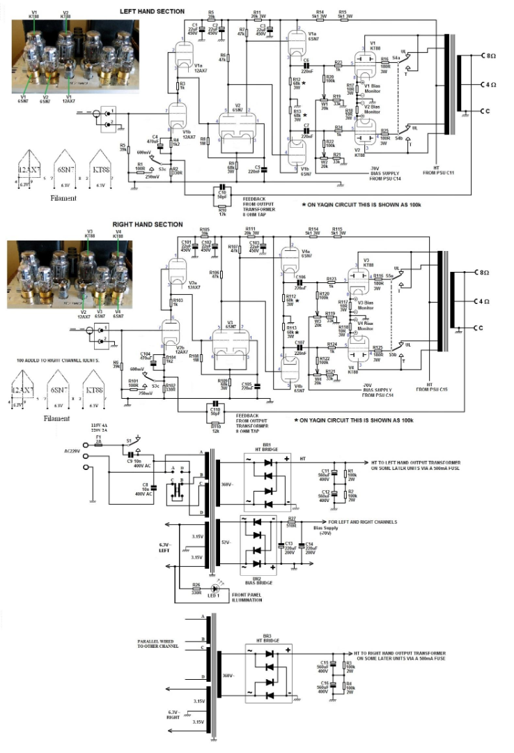
Трансформатори вихідні БЕЗ ультралінійного виводу.
196842001_-88.jpg
46940852.jpg
mess010pic02.jpg
image040.gif
image039.png
Аватара пользователя
LinuxManiac
Добрейший модератор
Сообщения: 1270
Стаж: 6 лет 11 месяцев
Репутация: 834
Откуда: Киев
Контактная информация:

Re: Ламповый усилитель на 6Н9С KT88

Сообщение LinuxManiac »

Так вихідний каскад планується пентодний чи у триодному включенні?
Анодне живлення випрямлятиметься кенотронами чи напівпровідниками?
050-246-3341; Viber: 068-362-3497
Аватара пользователя
RUS_D
Умелый
Сообщения: 189
Стаж: 4 года 5 месяцев
Репутация: 181
Откуда: Украина, Полтава
Аудио система: Плеер RuneAudio
ЦАП AH-D6 версия 2.х + несколько других
Проигрыватель Винила Lenco L75, DUAL1209, Fisher MT-M21, Вега unitra fonica g-600b
Усилитель Onkyo A-8830, Фоловер Андрэа Чиуфолли
Ламповые усилители РР на Rft El34 и 6П3C (кобра), РР на КТ88, РР на El84, SE на 6С41С, SE на 6П42П

Акустика ONKYO SC-370, GRUNDIG Box 1600b, IQ LADY- maxi
Контактная информация:

Re: Ламповый усилитель на 6Н9С KT88

Сообщение RUS_D »

Анодне живлення буде скоріше за все на ультрашвидких діодах, там після фільтра буде десь під 420-430в анодної напруги.
Вихідні каскади в Тріодах в А класі (трансформатор заказувався наскільки памятаю під таке включення - 4.0 кОм – 5.0 кОм: при напрузі близько 400-450в)
20250209_170018.jpg
20250209_170018.jpg (58.98 КБ) 1754 просмотра
При бажанні можна поставити реле, перемикач та регулятор для зміни напруги на сітках КТ88 при переводі у пентод, так сказати для експериментів зі звуком.
Думаю що все таки буду збирати з перемикачем Тріод/Пентод
Просто в цьому корпусі є місце аід 2 лампи на вході - тому стандартну схему, що висить у шапці теми збирати не хочу, бажано спробувати щось цікавіше.
Аватара пользователя
m-shara
Почетный спонсор
Сообщения: 1195
Стаж: 3 года 2 месяца
Репутация: 209
Откуда: Латвия
Аудио система: JVC TD-V662, Kenwood KX-880HX,
PP 6Н8С+EL34 20W
Акустика: Sony SS-G1 MK2
SONY WH-1000XM4,AKG K514, ATH-AVC500,
Звуковая: Focusrite 2i4

Re: Ламповый усилитель на 6Н9С KT88

Сообщение m-shara »

А трансформатор силовий заказували там же де і корпус?
Аватара пользователя
RUS_D
Умелый
Сообщения: 189
Стаж: 4 года 5 месяцев
Репутация: 181
Откуда: Украина, Полтава
Аудио система: Плеер RuneAudio
ЦАП AH-D6 версия 2.х + несколько других
Проигрыватель Винила Lenco L75, DUAL1209, Fisher MT-M21, Вега unitra fonica g-600b
Усилитель Onkyo A-8830, Фоловер Андрэа Чиуфолли
Ламповые усилители РР на Rft El34 и 6П3C (кобра), РР на КТ88, РР на El84, SE на 6С41С, SE на 6П42П

Акустика ONKYO SC-370, GRUNDIG Box 1600b, IQ LADY- maxi
Контактная информация:

Re: Ламповый усилитель на 6Н9С KT88

Сообщение RUS_D »

Так, у пана Ширшова
У нього можна заказати і вихідні на торах.
photo_2025-12-30_14-31-56.jpg
photo_2025-12-30_14-32-39.jpg
photo_2025-12-30_14-35-26.jpg
Розміри корпусу :)
Аватара пользователя
RUS_D
Умелый
Сообщения: 189
Стаж: 4 года 5 месяцев
Репутация: 181
Откуда: Украина, Полтава
Аудио система: Плеер RuneAudio
ЦАП AH-D6 версия 2.х + несколько других
Проигрыватель Винила Lenco L75, DUAL1209, Fisher MT-M21, Вега unitra fonica g-600b
Усилитель Onkyo A-8830, Фоловер Андрэа Чиуфолли
Ламповые усилители РР на Rft El34 и 6П3C (кобра), РР на КТ88, РР на El84, SE на 6С41С, SE на 6П42П

Акустика ONKYO SC-370, GRUNDIG Box 1600b, IQ LADY- maxi
Контактная информация:

Re: Ламповый усилитель на 6Н9С KT88

Сообщение RUS_D »

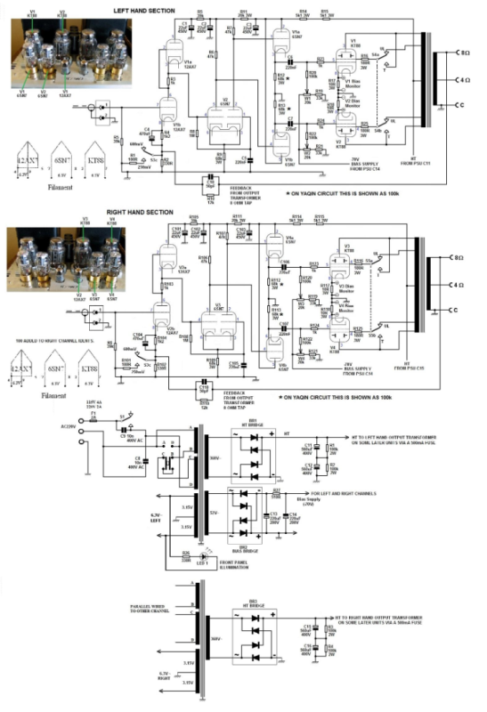
PP KT88.png
Ще одна схема (УСИЛИТЕЛЬ YAQIN MC-100B), правда вхідну лампу хібащо прийдеться ховати в середину корпуса - не хочеться сверлити отвори ше під 2 лампи
Аватара пользователя
RUS_D
Умелый
Сообщения: 189
Стаж: 4 года 5 месяцев
Репутация: 181
Откуда: Украина, Полтава
Аудио система: Плеер RuneAudio
ЦАП AH-D6 версия 2.х + несколько других
Проигрыватель Винила Lenco L75, DUAL1209, Fisher MT-M21, Вега unitra fonica g-600b
Усилитель Onkyo A-8830, Фоловер Андрэа Чиуфолли
Ламповые усилители РР на Rft El34 и 6П3C (кобра), РР на КТ88, РР на El84, SE на 6С41С, SE на 6П42П

Акустика ONKYO SC-370, GRUNDIG Box 1600b, IQ LADY- maxi
Контактная информация:

Re: Ламповый усилитель на 6Н9С KT88

Сообщение RUS_D »

Розкопка тумбочки виялила 4шт 6С5С та штук 8шт EF860 RFT з позолоченими ножками, 12AV7 Sylvania, ECF82, ECF81, ECC85, ECC83, ECC82, ECC81, 6BL8, 6П9, 6Ж6С, 6Ж3, 6Ж4, 6Н1П, 6Н2П, 6Н3П, 6Н6П, 6Н23П, 6С3П, 6С4П, 6Э5П, 6Э6П, 6Ф1П і кучка других з спадку СССР :)

Для драйверних хоч завибирайся :(
Хтось може дати відгуки по звуку тих ламп що самі виикористовували?
Та бажано їх робочі режими. Проводити лабораторку перебираючі всі варанти поки немає часу та можливорсті, а до весни є мрія все таки спаяти підсилювач.

А я поки так і неможу вибрати якуж схему почати збирати...
Николаевич
Почетный пользователь
Сообщения: 79
Стаж: 1 год 1 месяц
Репутация: 12
Откуда: Кропивницкий
Аудио система: усилитель EL803 - 6с33с акустика - Tannoy Turnberry GR LE

Re: Ламповый усилитель на 6Н9С KT88

Сообщение Николаевич »

а такі варіанти др-ра не розглядали ?
Вложения
к драйвер.rar
(457.65 КБ) 12 скачиваний
DVWCm.JPG
DVWCm.JPG (69.14 КБ) 1629 просмотров
original-6as7.png
Аватара пользователя
RUS_D
Умелый
Сообщения: 189
Стаж: 4 года 5 месяцев
Репутация: 181
Откуда: Украина, Полтава
Аудио система: Плеер RuneAudio
ЦАП AH-D6 версия 2.х + несколько других
Проигрыватель Винила Lenco L75, DUAL1209, Fisher MT-M21, Вега unitra fonica g-600b
Усилитель Onkyo A-8830, Фоловер Андрэа Чиуфолли
Ламповые усилители РР на Rft El34 и 6П3C (кобра), РР на КТ88, РР на El84, SE на 6С41С, SE на 6П42П

Акустика ONKYO SC-370, GRUNDIG Box 1600b, IQ LADY- maxi
Контактная информация:

Re: Ламповый усилитель на 6Н9С KT88

Сообщение RUS_D »

Схему МАИ подобную делал когдато - не понравилось звучание драйвера (возможно виновата сам 6Н2П).
А вот усилиители Уильямсона имеют много ламп и склонны к самовозбуждению на НЧ (2-5гц) и ВЧ (десятки-сотни килогерц) по отзывам в мировой паутине как и Выкипедии, да и ООС в 20 дБ смущают :( .
Да и 4 межкаскадных конденсатора смущают :) + у меня не намотаны УЛ отводы на выходниках, потому 100% Вильямсона я не соберу, разве что Псевдо-Вильямсона :)

Сижу мучаюсь выбором - чую буду проводдить эксперименты с схемами :(
Николаевич
Почетный пользователь
Сообщения: 79
Стаж: 1 год 1 месяц
Репутация: 12
Откуда: Кропивницкий
Аудио система: усилитель EL803 - 6с33с акустика - Tannoy Turnberry GR LE

Re: Ламповый усилитель на 6Н9С KT88

Сообщение Николаевич »

- Да и 4 межкаскадных конденсатора смущают -

товарища тоже поэтому он старается обходится без них..
Вложения
dccoupledamp.pdf
(639.22 КБ) 25 скачиваний
Аватара пользователя
LinuxManiac
Добрейший модератор
Сообщения: 1270
Стаж: 6 лет 11 месяцев
Репутация: 834
Откуда: Киев
Контактная информация:

Re: Ламповый усилитель на 6Н9С KT88

Сообщение LinuxManiac »

Я б спробував або добре перевірений часом "лонг-тейл" з безпосереднім зв'язком, як тут
viewtopic.php?t=2141
або комбінацію - тріод з достатньою величиною "мю" чи пентод у першому каскаді і фазоінвертор "концертіна" на тріоді (чи пентоді у тріодному включенні).
050-246-3341; Viber: 068-362-3497
Аватара пользователя
RUS_D
Умелый
Сообщения: 189
Стаж: 4 года 5 месяцев
Репутация: 181
Откуда: Украина, Полтава
Аудио система: Плеер RuneAudio
ЦАП AH-D6 версия 2.х + несколько других
Проигрыватель Винила Lenco L75, DUAL1209, Fisher MT-M21, Вега unitra fonica g-600b
Усилитель Onkyo A-8830, Фоловер Андрэа Чиуфолли
Ламповые усилители РР на Rft El34 и 6П3C (кобра), РР на КТ88, РР на El84, SE на 6С41С, SE на 6П42П

Акустика ONKYO SC-370, GRUNDIG Box 1600b, IQ LADY- maxi
Контактная информация:

Re: Ламповый усилитель на 6Н9С KT88

Сообщение RUS_D »

LinuxManiac писал(а): 31 янв 2026, 09:28 Я б спробував або добре перевірений часом "лонг-тейл" з безпосереднім зв'язком, як тут
viewtopic.php?t=2141
Дякую за підказку.
Я також дивився у сторону Dynaco ST-70, а ваша схема дуже на неї схожа.
ось його модифікація
ST-70A_mods_package.pdf
(1.57 МБ) 22 скачивания
1654397428068.jpeg
Мабуть візьму ваш драйверний та фазоінвертор, а на виході КТ88
Аватара пользователя
RUS_D
Умелый
Сообщения: 189
Стаж: 4 года 5 месяцев
Репутация: 181
Откуда: Украина, Полтава
Аудио система: Плеер RuneAudio
ЦАП AH-D6 версия 2.х + несколько других
Проигрыватель Винила Lenco L75, DUAL1209, Fisher MT-M21, Вега unitra fonica g-600b
Усилитель Onkyo A-8830, Фоловер Андрэа Чиуфолли
Ламповые усилители РР на Rft El34 и 6П3C (кобра), РР на КТ88, РР на El84, SE на 6С41С, SE на 6П42П

Акустика ONKYO SC-370, GRUNDIG Box 1600b, IQ LADY- maxi
Контактная информация:

Re: Ламповый усилитель на 6Н9С KT88

Сообщение RUS_D »

Прикинув схему по свободі, прошу зауваження....
Резистором заміннив дросель навмисно - хочу послухати БП в такому варіанті. (вернути дросель не проблема).
усилитель кт88.jpg
gelert
Гуру электроники☆☆☆☆
Сообщения: 334
Стаж: 3 года 6 месяцев
Репутация: 110
Откуда: Горлівка Донецької обл
Аудио система: homemade

Re: Ламповый усилитель на 6Н9С KT88

Сообщение gelert »

Фазоінвертор...
Аватара пользователя
RUS_D
Умелый
Сообщения: 189
Стаж: 4 года 5 месяцев
Репутация: 181
Откуда: Украина, Полтава
Аудио система: Плеер RuneAudio
ЦАП AH-D6 версия 2.х + несколько других
Проигрыватель Винила Lenco L75, DUAL1209, Fisher MT-M21, Вега unitra fonica g-600b
Усилитель Onkyo A-8830, Фоловер Андрэа Чиуфолли
Ламповые усилители РР на Rft El34 и 6П3C (кобра), РР на КТ88, РР на El84, SE на 6С41С, SE на 6П42П

Акустика ONKYO SC-370, GRUNDIG Box 1600b, IQ LADY- maxi
Контактная информация:

Re: Ламповый усилитель на 6Н9С KT88

Сообщение RUS_D »

А жо не так з фазоінвертором? Відсутність Мінусовоі напруги на резисторі катодів?
Процес пішов - торохи будучи вихідним попаяв, правда заживити паяльник прийшлось з інвертора, з напругою в 1 годину через 6 не дуже то попрацюєш.
KT88-1.jpg
KT88.jpg
PS резистор в анодній напрузі прийшлось тимчасово замінити на 15Ом, дросель великий не вліз під ковпак силового трансформатора.
А при 1к просадка напруги при тоці в 280 ма вийшла з 420 до 380в :(
gelert
Гуру электроники☆☆☆☆
Сообщения: 334
Стаж: 3 года 6 месяцев
Репутация: 110
Откуда: Горлівка Донецької обл
Аудио система: homemade

Re: Ламповый усилитель на 6Н9С KT88

Сообщение gelert »

Вибачаюсь. Не зауважив номінали резисторів. Безпосередній зв’язок не впав в око. На швидкоруч глянув — сітки за постоянною напругою в повітрі. Не туди, що ППС :oops: .
Аватара пользователя
RUS_D
Умелый
Сообщения: 189
Стаж: 4 года 5 месяцев
Репутация: 181
Откуда: Украина, Полтава
Аудио система: Плеер RuneAudio
ЦАП AH-D6 версия 2.х + несколько других
Проигрыватель Винила Lenco L75, DUAL1209, Fisher MT-M21, Вега unitra fonica g-600b
Усилитель Onkyo A-8830, Фоловер Андрэа Чиуфолли
Ламповые усилители РР на Rft El34 и 6П3C (кобра), РР на КТ88, РР на El84, SE на 6С41С, SE на 6П42П

Акустика ONKYO SC-370, GRUNDIG Box 1600b, IQ LADY- maxi
Контактная информация:

Re: Ламповый усилитель на 6Н9С KT88

Сообщение RUS_D »

Первинний запуск пройшов :)
20260222_193848.jpg
20260222_192528.jpg
ток ламп в тріоді 75ма, при переводі в тетрод - ток падає до 40.
Напруга анодного 385 (холостий 420в)- слабуватий трансформатор, треба міняти на більший :)

Але з нюансами - з КТ88 в режимі тетрода (пентодное включение) не працював ніколи :(
Тому вияснив уже при настройці, що друга сітка при великій вихідній потужності споживає великий струм - просадка при 1Кілоомі резистора з 320 до 240в і виникає спотворення звуку.
Тому треба робити для другої сітки КТ88 стабілізоване живлення :(
Але це вже буде не скоро :( :(

По звуку тріод / тетрод первинні враження такі.
Тріод - звук рівний, низкі яб сказав насичені, але можливий трохи підгужування на самих низьких (не впевнений)
Тетрод - звук більш динамічний (яскравий) контроль низьких частот кращий, вони більш насичені, але велику потужність поки не давав із за проблеми описаної вище.

Хтось мав таку проблему з пентодним / тетродним включенням??
як вирішували
Аватара пользователя
lgedmitry
Гуру электроники☆☆☆☆
Сообщения: 1639
Стаж: 6 лет 8 месяцев
Репутация: 294
Откуда: Рыбинск
Аудио система: .

Re: Ламповый усилитель на 6Н9С KT88

Сообщение lgedmitry »

наверное надо напряжение второй сетки понижать в тетроде. В триоде-то всё просто: экран никогда не поднимается выше анода (потому как соединены вместе). А в тетроде не так. И не всем вторым сеткам нравится выше анода быть.
Аудиофил
Николаевич
Почетный пользователь
Сообщения: 79
Стаж: 1 год 1 месяц
Репутация: 12
Откуда: Кропивницкий
Аудио система: усилитель EL803 - 6с33с акустика - Tannoy Turnberry GR LE

Re: Ламповый усилитель на 6Н9С KT88

Сообщение Николаевич »

- Тому треба робити для другої сітки КТ88 стабілізоване живлення -

- для мінуса теж бажано стабілізатор і парал обмоткам живлення реле діод або кер. emкість.
Аватара пользователя
RUS_D
Умелый
Сообщения: 189
Стаж: 4 года 5 месяцев
Репутация: 181
Откуда: Украина, Полтава
Аудио система: Плеер RuneAudio
ЦАП AH-D6 версия 2.х + несколько других
Проигрыватель Винила Lenco L75, DUAL1209, Fisher MT-M21, Вега unitra fonica g-600b
Усилитель Onkyo A-8830, Фоловер Андрэа Чиуфолли
Ламповые усилители РР на Rft El34 и 6П3C (кобра), РР на КТ88, РР на El84, SE на 6С41С, SE на 6П42П

Акустика ONKYO SC-370, GRUNDIG Box 1600b, IQ LADY- maxi
Контактная информация:

Re: Ламповый усилитель на 6Н9С KT88

Сообщение RUS_D »

Поки стаб в процесі... поставиви на сітку резистор в 3к + конденсатор за ним на 300*450V, ват до 15 просадки напруги на сітці не має :)
поки хай працює так - звук гарний.

А це фото зроблене в темноті :)
20260228_194122.jpg
20260228_193724.jpg
Аватара пользователя
RUS_D
Умелый
Сообщения: 189
Стаж: 4 года 5 месяцев
Репутация: 181
Откуда: Украина, Полтава
Аудио система: Плеер RuneAudio
ЦАП AH-D6 версия 2.х + несколько других
Проигрыватель Винила Lenco L75, DUAL1209, Fisher MT-M21, Вега unitra fonica g-600b
Усилитель Onkyo A-8830, Фоловер Андрэа Чиуфолли
Ламповые усилители РР на Rft El34 и 6П3C (кобра), РР на КТ88, РР на El84, SE на 6С41С, SE на 6П42П

Акустика ONKYO SC-370, GRUNDIG Box 1600b, IQ LADY- maxi
Контактная информация:

Re: Ламповый усилитель на 6Н9С KT88

Сообщение RUS_D »

Проведена лабораторка показала, що спроба поставити у сітку стабілітрон на 60в бажаного результату не дало :(
при великій гучності, знову спотворення звуку - знову вернувся до 1,5к + конденсатор на 47*450в.
А от при напрузі на сітці 250 при анодному 380в зовсім закрило лампу - ток катода з 70ма упав до 5 :)
Буду таки паяти стабілізатор типу такого
stab.jpg
stab.jpg (40.32 КБ) 158 просмотров
Добавив ще пару перемикачів - тепер маємо:
1. тріод / пентод
2. відключення катодного конденсатора на 1 лампі
3. підключення до катоду резистора 22к для ООС

Варіантів різного звуку аж 9 позицій :)
Ответить

Вернуться в «Аудио усилители»