Темы в форуме
Новые сообщения
-
17-окт Двухтактный на лампах EL34 в триодном включении
-
17-окт Усилитель Беслика А.И на Германиевых транзисторах v3.01
-
16-окт Усилитель D класса на базе плат 2_062 S_AUDIO от Alex
-
16-окт Усилитель на плате PTERO REV 1_03 TAS5342A cборка от Alex
-
15-окт Помощь в подборе усилителя.
-
14-окт Усилитель звука D класса Clone purifi Hb 3.064 ULTRA
-
14-окт JLH 1969 Vintage Style
-
14-окт МА12070. Прекрасная фрау, с которой мало кто дружит
-
09-окт Однотактный на 6П45С в триодном/ультралинейном включении
-
04-окт Интересный усилитель AIYIMA A80 TPA3255 PFFB
-
23-сен AIYIMA A80 - нестабільна робота оптичного входу Toslink
-
18-сен Усилитель, работающий от пульта ТВ.
-
16-сен Регулятор тембра
-
14-сен А не собрать ли мне Hi-END? На Clone purifi 3.065 ULTRA
-
10-сен Як звучить підсилювач на мс. STK407-090B?
Новые темы
-
12-окт Усилитель Беслика А.И на Германиевых транзисторах v3.01
-
21-сен Snail II
-
15-сен Регулятор тембра
-
12-сен Усилитель, работающий от пульта ТВ.
-
08-сен Класс Д с классическим БП
-
07-сен Як звучить підсилювач на мс. STK407-090B?
-
31-авг Нужен стерео усилитель под заказ (хай енд)
-
29-авг Винтаж в помойку?
-
28-авг Помощь в подборе усилителя.
-
18-авг Усилитель D класса на базе плат 2_062 S_AUDIO от Alex
-
12-авг Триодные ламповые усилители
-
06-авг Fosi Audio GR70 ламповый усилитель для наушников Класс A
-
26-июл Однотактный на Г811
-
23-июл Двухтактный на 6Н13С с фазоинвертором на двойном пентоде
-
21-июл Усилитель Wangine Wsa-120
Наш youtube
Наш инстаграм
☝ Сказать спасибо!
Правила форума
Двухтактный на лампах EL34 в триодном включении
- LinuxManiac
- Добрейший модератор
- Сообщения: 1195
- Стаж: 6 лет 7 месяцев
- Репутация: 774
- Откуда: Киев
- Контактная информация:
Двухтактный на лампах EL34 в триодном включении
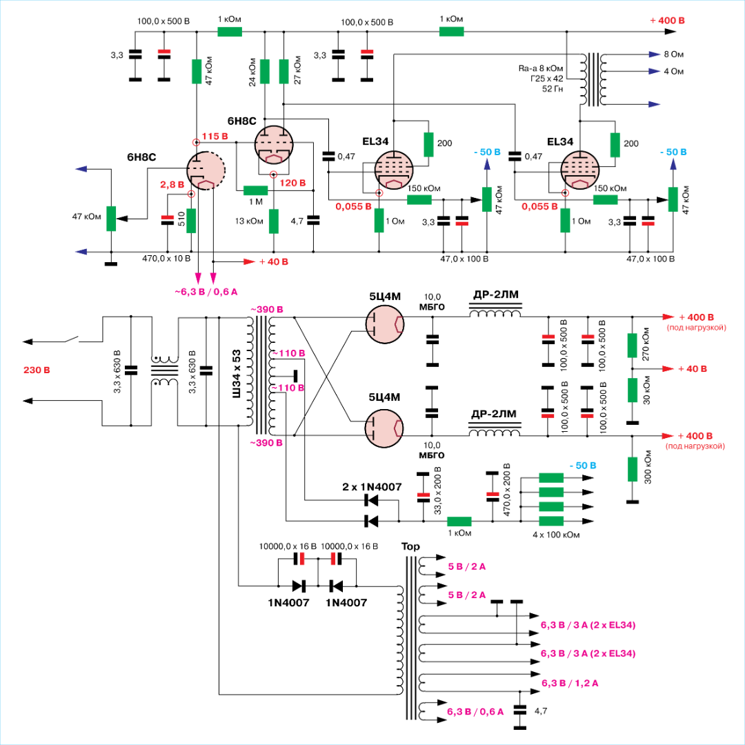
Довольно много лет назад возникала возможность недорого приобрести лампы EL34 от RFT, чем я воспользовался, хотя в то время конкретных планов у меня на них не было, а голова и руки были заняты разными делами, заботами и прочими проектами. Так и лежали они с тех пор в коробке.
И вот, хороший человек обратился с предложением сделать двухтактный ламповый усилитель.
Некоторое время я раздумывал, выбирая между ГУ-50 и EL34… «Победило» любопытство использовать вторые из них, поскольку на них я давно ничего не делал.
Схему выбрал хорошо себя зарекомендовавшую в моих прежних конструкциях: фазоинвертор «длинный хвост» (long-tail pair) на октальных триодах с непосредственной связью - концепция Нобуказу Шишидо (Nobukazu Shishido). Ограничения по корпусу обусловили трудности использования пентода в «хвосте» - общей катодной цепи (обеспечивается равенство номиналов анодных резисторов ламп фазоинвертора), поэтому обошелся чисто вариантом от Шишидо – с резистором относительно большого номинала в катодной цепи. Для выравнивания усиления ведущей и ведомой ламп резисторы анодных нагрузок при этом имеют разный номинал. Довольно высокое напряжение анодного питания позволило организовать непосредственную связь каскада предварительного усиления с фазоинвертором. Лампы выходного каскада в триодном включении с фиксированным смещением.
Их режим установлен относительно «щадящий» - с мощностью рассеяния на анодах 22 ватта.
Выходные трансформаторы изготовлены на Г-железе 0,35 мм. По 3 секции первичной и 3 секции вторичной обмотки на каждой из двух катушек.
Использованы отдельные силовые трансформаторы питания анодных цепей (Iх.х. = 29 мА) и накалов, раздельное анодное питание каналов, кенотронное выпрямление, фильтрация с использованием железных дросселей.
Сетевое питание поступает через фильтр на основе «встречного» дросселя. Питание трансформатора накала на тороидальном сердечнике организовано через фильтр постоянного тока.
Дорогостоящие пассивные элементы в конструкции не использовались. Разделительные конденсаторы К73-16. В питании – МБГО, SAMWHA и CBB21. Регулятор громкости – ALPS.
При включении усилителя напряжение на выходе блока питания достигает почти 500 вольт (затем понижаясь до указанной на схеме величины после прогрева ламп выходного каскада и их выхода на полный ток потребления), поэтому использованы конденсаторы на указанный вольтаж.
Макетирование показало хороший музыкальный потенциал конструкции, и был сделан усилитель.
Корпус был взят готовый. Порошковая покраска.
Слушал более двух недель, заодно выявляя возможные «детские болезни».
Звучание впечатлило. Уверенно могу утверждать всежанровость конструкции.
Иногда проявляющийся в мощных усилителях досадный эффект первого ватта здесь отсутствует.
Всем хорошего звука!
И вот, хороший человек обратился с предложением сделать двухтактный ламповый усилитель.
Некоторое время я раздумывал, выбирая между ГУ-50 и EL34… «Победило» любопытство использовать вторые из них, поскольку на них я давно ничего не делал.
Схему выбрал хорошо себя зарекомендовавшую в моих прежних конструкциях: фазоинвертор «длинный хвост» (long-tail pair) на октальных триодах с непосредственной связью - концепция Нобуказу Шишидо (Nobukazu Shishido). Ограничения по корпусу обусловили трудности использования пентода в «хвосте» - общей катодной цепи (обеспечивается равенство номиналов анодных резисторов ламп фазоинвертора), поэтому обошелся чисто вариантом от Шишидо – с резистором относительно большого номинала в катодной цепи. Для выравнивания усиления ведущей и ведомой ламп резисторы анодных нагрузок при этом имеют разный номинал. Довольно высокое напряжение анодного питания позволило организовать непосредственную связь каскада предварительного усиления с фазоинвертором. Лампы выходного каскада в триодном включении с фиксированным смещением.
Их режим установлен относительно «щадящий» - с мощностью рассеяния на анодах 22 ватта.
Выходные трансформаторы изготовлены на Г-железе 0,35 мм. По 3 секции первичной и 3 секции вторичной обмотки на каждой из двух катушек.
Использованы отдельные силовые трансформаторы питания анодных цепей (Iх.х. = 29 мА) и накалов, раздельное анодное питание каналов, кенотронное выпрямление, фильтрация с использованием железных дросселей.
Сетевое питание поступает через фильтр на основе «встречного» дросселя. Питание трансформатора накала на тороидальном сердечнике организовано через фильтр постоянного тока.
Дорогостоящие пассивные элементы в конструкции не использовались. Разделительные конденсаторы К73-16. В питании – МБГО, SAMWHA и CBB21. Регулятор громкости – ALPS.
При включении усилителя напряжение на выходе блока питания достигает почти 500 вольт (затем понижаясь до указанной на схеме величины после прогрева ламп выходного каскада и их выхода на полный ток потребления), поэтому использованы конденсаторы на указанный вольтаж.
Макетирование показало хороший музыкальный потенциал конструкции, и был сделан усилитель.
Корпус был взят готовый. Порошковая покраска.
Слушал более двух недель, заодно выявляя возможные «детские болезни».
Звучание впечатлило. Уверенно могу утверждать всежанровость конструкции.
Иногда проявляющийся в мощных усилителях досадный эффект первого ватта здесь отсутствует.
Всем хорошего звука!
050-246-3341; Viber: 068-362-3497
- LinuxManiac
- Добрейший модератор
- Сообщения: 1195
- Стаж: 6 лет 7 месяцев
- Репутация: 774
- Откуда: Киев
- Контактная информация:
Re: Двухтактный на лампах EL34 в триодном включении
В комплексе на новом месте.
С любезного разрешения автора фото.
С любезного разрешения автора фото.
050-246-3341; Viber: 068-362-3497
-
- Пользователь
- Сообщения: 15
- Стаж: 11 месяцев
- Репутация: 8
- Откуда: Харків UA
- Аудио система: Pioneer 5030 , NAD352, DENON DRW580,Raspberry Pi3+ es9038q2m
Re: Двухтактный на лампах EL34 в триодном включении
Интересная схема , два анодных на два канала на 5ц4м ( говорят они лучше звучал чем 5ц4с ,) но не понял пару моментов в ней
1) зачем на накал 6Н8С подавать постоянку +40в , что оно дает ? уменьшает фон в преде?
2) подключение ТОРа на накал через диоды 1N4007 и электролитические конденсаторы 10000х16в ,необычное подключение на мой взгляд .
А какая разводка внутри шасси ? интересно посмотреть бы.
Но смотрится красиво .
1) зачем на накал 6Н8С подавать постоянку +40в , что оно дает ? уменьшает фон в преде?
2) подключение ТОРа на накал через диоды 1N4007 и электролитические конденсаторы 10000х16в ,необычное подключение на мой взгляд .
А какая разводка внутри шасси ? интересно посмотреть бы.

- LinuxManiac
- Добрейший модератор
- Сообщения: 1195
- Стаж: 6 лет 7 месяцев
- Репутация: 774
- Откуда: Киев
- Контактная информация:
Re: Двухтактный на лампах EL34 в триодном включении
Спасибо за добрые слова.
Да, подача постоянного потенциала на накал обеспечивает устранение фона переменного тока.
Примененное подключение силового трансформатора на тороидальном сердечнике устраняет неблагоприятные эффекты (насыщение магнитопровода) про возможном появлении постоянной составляющей в сети электроснабжения.
Усилитель уже у хорошего человека, а раньше разводку внутри не фотографировал. Сделана она следующим образом. "Земляные" выводы двух первых после кенотронов конденсаторов соединены между собой короткой шиной 3 мм. К ней присоединены провода от остальных конденсаторов фильтра, источника смещения, источника постоянного напряжения для "поднятия" накалов и от катодных резисторов выходных каскадов. От этой шины протянута такая же шина к регулятору громкости. "По пути" к ней присиединены катодные цепи входных каскадов и "земляные" выводы конденсаторов развязки их анодного питания. От регулятора кромкости шина пртянута ко входным разъемам. Шина между конденсаторами фильтра соединена отдельным проводом с лепестком на корпусе.
Да, подача постоянного потенциала на накал обеспечивает устранение фона переменного тока.
Примененное подключение силового трансформатора на тороидальном сердечнике устраняет неблагоприятные эффекты (насыщение магнитопровода) про возможном появлении постоянной составляющей в сети электроснабжения.
Усилитель уже у хорошего человека, а раньше разводку внутри не фотографировал. Сделана она следующим образом. "Земляные" выводы двух первых после кенотронов конденсаторов соединены между собой короткой шиной 3 мм. К ней присоединены провода от остальных конденсаторов фильтра, источника смещения, источника постоянного напряжения для "поднятия" накалов и от катодных резисторов выходных каскадов. От этой шины протянута такая же шина к регулятору громкости. "По пути" к ней присиединены катодные цепи входных каскадов и "земляные" выводы конденсаторов развязки их анодного питания. От регулятора кромкости шина пртянута ко входным разъемам. Шина между конденсаторами фильтра соединена отдельным проводом с лепестком на корпусе.
050-246-3341; Viber: 068-362-3497
-
- Пользователь
- Сообщения: 15
- Стаж: 11 месяцев
- Репутация: 8
- Откуда: Харків UA
- Аудио система: Pioneer 5030 , NAD352, DENON DRW580,Raspberry Pi3+ es9038q2m
Re: Двухтактный на лампах EL34 в триодном включении
Еще раз добрый день , я тут пока новенький и это был мой первый пост ),
Ваш усилитель да красив , сам люблю черный цвет шасси )) кстати он из какого металла сделан ?
По поводу уменьшения фона , обычно обмотку\и накала с средней точкой делают (которая на землю садят), а такое решение как у вас впервые вижу , нужно взять на заметку ,
По поводу тора , я и сам люблю использовать их , но откуда "постоянка" в сети ? я понимаю что могут бытьв сети помехи (всплески) .но чтоб постоянно ..тяжело представить . То есть вот так цепочка (диод\электролит по первичке торра ) и есть для отсечения постоянки ? или чтото я не понял ? сорри если что )
Ваш усилитель да красив , сам люблю черный цвет шасси )) кстати он из какого металла сделан ?
По поводу уменьшения фона , обычно обмотку\и накала с средней точкой делают (которая на землю садят), а такое решение как у вас впервые вижу , нужно взять на заметку ,
По поводу тора , я и сам люблю использовать их , но откуда "постоянка" в сети ? я понимаю что могут бытьв сети помехи (всплески) .но чтоб постоянно ..тяжело представить . То есть вот так цепочка (диод\электролит по первичке торра ) и есть для отсечения постоянки ? или чтото я не понял ? сорри если что )
- LinuxManiac
- Добрейший модератор
- Сообщения: 1195
- Стаж: 6 лет 7 месяцев
- Репутация: 774
- Откуда: Киев
- Контактная информация:
Re: Двухтактный на лампах EL34 в триодном включении
Рады приветствовать вас на нашем Форуме.
Корпус из стали, порошковая покраска.
Схем организации цепей накала существует несколько, в том числе - названная вами.
Вот статья по этой теме:
https://www.radiolamps.ru/articles/theory/theory_2.html
Постоянная составляющая в сети электроснабжения эпизодически возможна. Причины этого - отдельная тема.
Корпус из стали, порошковая покраска.
Схем организации цепей накала существует несколько, в том числе - названная вами.
Вот статья по этой теме:
https://www.radiolamps.ru/articles/theory/theory_2.html
Постоянная составляющая в сети электроснабжения эпизодически возможна. Причины этого - отдельная тема.
050-246-3341; Viber: 068-362-3497
-
- Пользователь
- Сообщения: 15
- Стаж: 11 месяцев
- Репутация: 8
- Откуда: Харків UA
- Аудио система: Pioneer 5030 , NAD352, DENON DRW580,Raspberry Pi3+ es9038q2m
Re: Двухтактный на лампах EL34 в триодном включении
СПС за приветствие) , про разводку я спросил из за общей точки "земля" , она как раз очень помогает уменьшить наводки , ( во всяком случае я так делал ) . а что расскажете про свои выходники ? сами мотали или готовое решение уже было ? от них очень много е зависит по звуку . Спрашиваю просто ради любопытства 

- LinuxManiac
- Добрейший модератор
- Сообщения: 1195
- Стаж: 6 лет 7 месяцев
- Репутация: 774
- Откуда: Киев
- Контактная информация:
Re: Двухтактный на лампах EL34 в триодном включении
Выходные трансформаторы почти всегда наматываю сам.
Железо двухкатушечное Г25х42, окно 24х70 мм (по 12 мм для каждой катушки).
Первичная обмотка провод 0,25 (0,29 по лаку). На каждой катушке 3 секции. Секции соединены последовательно накрест межд укатушками.
Вторичная обмотка намотана в два провода 1,0 мм. 4 секции между секциями первичной, соединены последовательно накрест между катушками. Это для нагрузки 4 Ома. Для нагрузки 8 Ом поверх наружных секций первичной обмотки добавлены по одной секции проводом 1,3 мм. Эти две секции соединены последовтельно и подключены последовательно к остальным.
Железо двухкатушечное Г25х42, окно 24х70 мм (по 12 мм для каждой катушки).
Первичная обмотка провод 0,25 (0,29 по лаку). На каждой катушке 3 секции. Секции соединены последовательно накрест межд укатушками.
Вторичная обмотка намотана в два провода 1,0 мм. 4 секции между секциями первичной, соединены последовательно накрест между катушками. Это для нагрузки 4 Ома. Для нагрузки 8 Ом поверх наружных секций первичной обмотки добавлены по одной секции проводом 1,3 мм. Эти две секции соединены последовтельно и подключены последовательно к остальным.
050-246-3341; Viber: 068-362-3497
-
- Пользователь
- Сообщения: 15
- Стаж: 11 месяцев
- Репутация: 8
- Откуда: Харків UA
- Аудио система: Pioneer 5030 , NAD352, DENON DRW580,Raspberry Pi3+ es9038q2m
Re: Двухтактный на лампах EL34 в триодном включении
спс за ответы , было приятно пообщаться с Вами )
Удачи.
Удачи.
- m-shara
- Почетный спонсор
- Сообщения: 1152
- Стаж: 2 года 10 месяцев
- Репутация: 201
- Откуда: Латвия
- Аудио система: JVC TD-V662, Kenwood KX-880HX,
JLH 1969, УНЧ А-кл. 6Ж3+ГУ-50
Акустика: Sony SS-G1 MK2
AKG K514, ATH-AVC500,
Звуковая: Focusrite 2i4
Re: Двухтактный на лампах EL34 в триодном включении
Ви мене заразили лампами, в доброму розумінні цього слова!
Вибачайте, але трохи надокучатиму питаннями. (Я то, взагалі, маю освіту радіомеханіка
, тому із законом Ома і паяльниками дружу )
Я дивлюся на цю схему і руки чешуться почати новий проект. Бо саме таке захотілося повторити.
- Лампи 6Н8С якісь особливі, чи просто були у Вас?
- На яку потужність мають бути розраховані ТЗ? Для EL34 є готові трансформатори, тому прикидаю.
- Яка необхідність була в двох джерелах анодного живлення?
- Для чого використали окремий трансформатор для накалів ламп?
Мене все це і не тільки цікавить щоб можливо спростити конструкцію там, де це можливо без шкоди для основного, звуку.
Мені попав на очі ось такий корпус. Я думаю що доволі просторий. https://vi.aliexpress.com/item/10050068 ... ry_from%3A
А також ось такий трансформатор https://vi.aliexpress.com/item/10050072 ... ry_from%3A
ТЗ з такими параметрами підійшов би? Чи треба обовязково 8К?https://vi.aliexpress.com/item/10050020 ... ry_from%3A
Чи підійшов би, якщо використати кремнієві діоди?
І взагалі, щоб Ви рекомендували зібрати перше ніж розпочати щось робити?


Я дивлюся на цю схему і руки чешуться почати новий проект. Бо саме таке захотілося повторити.
- Лампи 6Н8С якісь особливі, чи просто були у Вас?
- На яку потужність мають бути розраховані ТЗ? Для EL34 є готові трансформатори, тому прикидаю.
- Яка необхідність була в двох джерелах анодного живлення?
- Для чого використали окремий трансформатор для накалів ламп?
Мене все це і не тільки цікавить щоб можливо спростити конструкцію там, де це можливо без шкоди для основного, звуку.
Мені попав на очі ось такий корпус. Я думаю що доволі просторий. https://vi.aliexpress.com/item/10050068 ... ry_from%3A
А також ось такий трансформатор https://vi.aliexpress.com/item/10050072 ... ry_from%3A
ТЗ з такими параметрами підійшов би? Чи треба обовязково 8К?https://vi.aliexpress.com/item/10050020 ... ry_from%3A
Чи підійшов би, якщо використати кремнієві діоди?
І взагалі, щоб Ви рекомендували зібрати перше ніж розпочати щось робити?
- LinuxManiac
- Добрейший модератор
- Сообщения: 1195
- Стаж: 6 лет 7 месяцев
- Репутация: 774
- Откуда: Киев
- Контактная информация:
Re: Двухтактный на лампах EL34 в триодном включении
Дуже радий вашій зацікавленості у лампах. Як кажуть - наших лав прибуло!
1. Лампи 6Н8С без особливостей, виробництва кінця 1960-х років.
2. Габаритна потужність вихідних трансформаторів приблизно 140-150 ватт.
3. Два джерела анодного живлення забезпечують меншу проникність сигналів між каналами а також можливість використати менш потужні та менш габаритні 2 кенотрони 5Ц4С або 5Ц4М замість одного, скажімо 5Ц3С або 5U4G.
4. Окремий трансформатор накалу ламп використаний суто з причини недостатньої потужності основого трансформатора і недостатнього розміру вікна його середчника (не поміщалися усі обмотки за умови заданої індукції не вище 0,9-1 Тл).
Силовий трансформатор за посиланням доречний.
Що ж стосується рекомендацій, то це варто обговорити докладніше. Якщо не проти, зателефонуйте мені у Вайбер або через Скайп (номер та нік у підписі під повідомленням).
1. Лампи 6Н8С без особливостей, виробництва кінця 1960-х років.
2. Габаритна потужність вихідних трансформаторів приблизно 140-150 ватт.
3. Два джерела анодного живлення забезпечують меншу проникність сигналів між каналами а також можливість використати менш потужні та менш габаритні 2 кенотрони 5Ц4С або 5Ц4М замість одного, скажімо 5Ц3С або 5U4G.
4. Окремий трансформатор накалу ламп використаний суто з причини недостатньої потужності основого трансформатора і недостатнього розміру вікна його середчника (не поміщалися усі обмотки за умови заданої індукції не вище 0,9-1 Тл).
Силовий трансформатор за посиланням доречний.
Що ж стосується рекомендацій, то це варто обговорити докладніше. Якщо не проти, зателефонуйте мені у Вайбер або через Скайп (номер та нік у підписі під повідомленням).
050-246-3341; Viber: 068-362-3497
- m-shara
- Почетный спонсор
- Сообщения: 1152
- Стаж: 2 года 10 месяцев
- Репутация: 201
- Откуда: Латвия
- Аудио система: JVC TD-V662, Kenwood KX-880HX,
JLH 1969, УНЧ А-кл. 6Ж3+ГУ-50
Акустика: Sony SS-G1 MK2
AKG K514, ATH-AVC500,
Звуковая: Focusrite 2i4
Re: Двухтактный на лампах EL34 в триодном включении
Дуже вдячний, що відгукнулися! І за контакти особливо. Я ними скористаюся як у мене сформується розуміння всього того що буде необхідне.
А поки що в загальному придивляюсь до схеми, та до деталей. І бачу, що можна значно спростити, і зменшити кількість ламп та заліза.
Розкажіть, будь ласка, що то за "ефект першого вата"? Погано звучить на малій гучності?
І ще: панельки всіх ламп одинакові? Як їхня якість з аліекспрес?
А поки що в загальному придивляюсь до схеми, та до деталей. І бачу, що можна значно спростити, і зменшити кількість ламп та заліза.
Розкажіть, будь ласка, що то за "ефект першого вата"? Погано звучить на малій гучності?
І ще: панельки всіх ламп одинакові? Як їхня якість з аліекспрес?
- LinuxManiac
- Добрейший модератор
- Сообщения: 1195
- Стаж: 6 лет 7 месяцев
- Репутация: 774
- Откуда: Киев
- Контактная информация:
Re: Двухтактный на лампах EL34 в триодном включении
Так, цей ефект іноді притаманний потужним підсилювачам - бракує детальності звуку на малих потужностях.
Щодо панельок - досі майже завжди використовую стару (навіть до того використану) радянську октальну кераміку. С Алі кілька разів купував панельки для непоширених типів цоколів (чотири-, пятитштирькові лампи, локтальні на 9 ніжок). Все виявилося нормально.
050-246-3341; Viber: 068-362-3497
- m-shara
- Почетный спонсор
- Сообщения: 1152
- Стаж: 2 года 10 месяцев
- Репутация: 201
- Откуда: Латвия
- Аудио система: JVC TD-V662, Kenwood KX-880HX,
JLH 1969, УНЧ А-кл. 6Ж3+ГУ-50
Акустика: Sony SS-G1 MK2
AKG K514, ATH-AVC500,
Звуковая: Focusrite 2i4
Re: Двухтактный на лампах EL34 в триодном включении
Вирішив і в цьому місяці кинути в копилку цього підсилювача деяку копійку - заказав з eBay 4 підібраних лампи 6Н8С. Військової прийомки, десь аж з 1970-го. З України. Це те, що по любому можна використати.
Виникло питання.
В Вашому підсилювачі використано залізо в ТЗ з великим поперечним перерізом. Тобто габаритна потужність набагато більша від реальної. Це для звукових трансформаторів не шкодить? Якщо , наприклад, є схема на 10 Вт то можна сміливо брати трансформатор на 50?
Виникло питання.
В Вашому підсилювачі використано залізо в ТЗ з великим поперечним перерізом. Тобто габаритна потужність набагато більша від реальної. Це для звукових трансформаторів не шкодить? Якщо , наприклад, є схема на 10 Вт то можна сміливо брати трансформатор на 50?
- LinuxManiac
- Добрейший модератор
- Сообщения: 1195
- Стаж: 6 лет 7 месяцев
- Репутация: 774
- Откуда: Киев
- Контактная информация:
Re: Двухтактный на лампах EL34 в триодном включении
У звукових трансформаторах габаритна потужність ПОВИННА бути набагато більшою за реальну. Якщо ж ні, то неможливо забезпечити необхідну індуктивність первинної обмотки при прийнятних величинах її активного опору.
Не вдаючись до глибин теорії, для однотактних тріодних вихідних каскадів гарним співвідношенням є приблизно 20 : 1, а для двохтактних - 10 : 1. Для пентодних/тетродних вихідних каскадів - обидва вдівічі менші (10 : 1 та 5 : 1, відповідно). Ще більше співвідношення деякою мірою доцільне, але не безмежно, оскільки починають більше проявлятися різні небажані ефекти в трансформаторах.
Не вдаючись до глибин теорії, для однотактних тріодних вихідних каскадів гарним співвідношенням є приблизно 20 : 1, а для двохтактних - 10 : 1. Для пентодних/тетродних вихідних каскадів - обидва вдівічі менші (10 : 1 та 5 : 1, відповідно). Ще більше співвідношення деякою мірою доцільне, але не безмежно, оскільки починають більше проявлятися різні небажані ефекти в трансформаторах.
050-246-3341; Viber: 068-362-3497
- m-shara
- Почетный спонсор
- Сообщения: 1152
- Стаж: 2 года 10 месяцев
- Репутация: 201
- Откуда: Латвия
- Аудио система: JVC TD-V662, Kenwood KX-880HX,
JLH 1969, УНЧ А-кл. 6Ж3+ГУ-50
Акустика: Sony SS-G1 MK2
AKG K514, ATH-AVC500,
Звуковая: Focusrite 2i4
Re: Двухтактный на лампах EL34 в триодном включении
Роздивився схему і не зрозумія як балансувати вихідний каскад.
- LinuxManiac
- Добрейший модератор
- Сообщения: 1195
- Стаж: 6 лет 7 месяцев
- Репутация: 774
- Откуда: Киев
- Контактная информация:
Re: Двухтактный на лампах EL34 в триодном включении
Балансується встановленням однакових за величиною струмів спокою обох ламп. Застосоване фіксоване зміщення від джерела негативної напруги -50 вольт. Підстроювальними резисторами 47 кОм у ланцюгах зміщення керуючих сіток досягти однакового падіння напруги 0,055 вольта на катодних резисторах (позначено на схемі), що відповідає струму спокою кожної лампи 55 мА.
050-246-3341; Viber: 068-362-3497
- m-shara
- Почетный спонсор
- Сообщения: 1152
- Стаж: 2 года 10 месяцев
- Репутация: 201
- Откуда: Латвия
- Аудио система: JVC TD-V662, Kenwood KX-880HX,
JLH 1969, УНЧ А-кл. 6Ж3+ГУ-50
Акустика: Sony SS-G1 MK2
AKG K514, ATH-AVC500,
Звуковая: Focusrite 2i4
Re: Двухтактный на лампах EL34 в триодном включении
Може не зовсім в тему, але запитаю тут: а що то за "схема Манакова" ? Я в багатьох місцях зустрічав цей вислів, як буцім то якась класика. І ось в одній темі я побачив стару публікацію з цією схемою. Ось вона, щоб краще було пояснювати. Чим вона така відома?
Мені здається, що лампа 6Н8С не гірше працювала б в цій схемі. І як я розумію, вами використана схема має більшу чутливість?
Мені здається, що лампа 6Н8С не гірше працювала б в цій схемі. І як я розумію, вами використана схема має більшу чутливість?
-
- Почетный пользователь
- Сообщения: 56
- Стаж: 3 года
- Репутация: 64
- Откуда: Киев
- Аудио система: Tube Amplifier SE 6V1P + 6P36S
JLH 1969
JLH 2003
FX-Audio - FX502S PRO
MB Quart 1000
Sony SS G3
ЦАП: SMSL DO100
Re: Двухтактный на лампах EL34 в триодном включении
Чудова схема
Я збирав, результатом був надзвичайно вражений
І регулювання не важке
Виставити все за номіналами і результатом будете вражені
На мою думку, 6Н8С легко розкачає, тільки потрібно узгодити її обвʼязку
Я збирав, результатом був надзвичайно вражений
І регулювання не важке
Виставити все за номіналами і результатом будете вражені
На мою думку, 6Н8С легко розкачає, тільки потрібно узгодити її обвʼязку
- m-shara
- Почетный спонсор
- Сообщения: 1152
- Стаж: 2 года 10 месяцев
- Репутация: 201
- Откуда: Латвия
- Аудио система: JVC TD-V662, Kenwood KX-880HX,
JLH 1969, УНЧ А-кл. 6Ж3+ГУ-50
Акустика: Sony SS-G1 MK2
AKG K514, ATH-AVC500,
Звуковая: Focusrite 2i4
Re: Двухтактный на лампах EL34 в триодном включении
Мене цікавить в чому фішка тої "схеми". Бо і однотактний і двотактний, і так і сяк і все по схемі Манакова.
- LinuxManiac
- Добрейший модератор
- Сообщения: 1195
- Стаж: 6 лет 7 месяцев
- Репутация: 774
- Откуда: Киев
- Контактная информация:
Re: Двухтактный на лампах EL34 в триодном включении
Підсилення лампи 6Н8С становить приблизно 15-17, чого абсолютно недостатньо для "розгойдування" вихідного каскаду на лампах 6П3С у тріодному включенні, адже їм потрібна амплітуда приблизно 35 вольт. З цим добре справляється лампа 6Н9С.
Анатолій Йосипович Манаков розробив згадувану схему на прохання нашого співвітчизника і мого друга Олександра Шевченка. Завдання полягало у можливості використання вихідних трансформаторів від лампових магнітофонів "Дніпро" або радіол "Симіонія".
Схему вирізняє розумна нескладність, використання доступних деталей та детально описана автором методика налагодження.
Тому схема підходить (і я завжди її рекомендую) людям для виготовлення ними першого двотактного лампового підсилювача.
Автор схеми також надав рекомендації з виготовлення більш якісних вихідних трансформаторів для цієї схеми на сердечниках ТС-180, ОСМ-0,25 та ОСМ-0,16.
А.Й. Манаков також запропонував ще декілька схем (на 6П13С, 6П45С, 2А3, 300В, тощо), які стали популярними після повторювання багатьма аматорами.
Анатолій Йосипович Манаков розробив згадувану схему на прохання нашого співвітчизника і мого друга Олександра Шевченка. Завдання полягало у можливості використання вихідних трансформаторів від лампових магнітофонів "Дніпро" або радіол "Симіонія".
Схему вирізняє розумна нескладність, використання доступних деталей та детально описана автором методика налагодження.
Тому схема підходить (і я завжди її рекомендую) людям для виготовлення ними першого двотактного лампового підсилювача.
Автор схеми також надав рекомендації з виготовлення більш якісних вихідних трансформаторів для цієї схеми на сердечниках ТС-180, ОСМ-0,25 та ОСМ-0,16.
А.Й. Манаков також запропонував ще декілька схем (на 6П13С, 6П45С, 2А3, 300В, тощо), які стали популярними після повторювання багатьма аматорами.
050-246-3341; Viber: 068-362-3497
- m-shara
- Почетный спонсор
- Сообщения: 1152
- Стаж: 2 года 10 месяцев
- Репутация: 201
- Откуда: Латвия
- Аудио система: JVC TD-V662, Kenwood KX-880HX,
JLH 1969, УНЧ А-кл. 6Ж3+ГУ-50
Акустика: Sony SS-G1 MK2
AKG K514, ATH-AVC500,
Звуковая: Focusrite 2i4
Re: Двухтактный на лампах EL34 в триодном включении
Якщо у Вами зробленому підсилювачі використано ось таке рішення :"поэтому обошелся чисто вариантом от Шишидо – с резистором относительно большого номинала в катодной цепи", то це і є придуманий Шишидо єлемент схеми. Значить А.Манаков, як правильний інженер, підігнав режим ламп під трансформатори. Тобто, якщо у мене немає подібних трансформаторів, то ці схеми не для мене?
- LinuxManiac
- Добрейший модератор
- Сообщения: 1195
- Стаж: 6 лет 7 месяцев
- Репутация: 774
- Откуда: Киев
- Контактная информация:
Re: Двухтактный на лампах EL34 в триодном включении
Для будь-якої схеми потрібні вихідні трансформатори з певним діапазоном параметрів. Причому (особливо для двохтактних підсилювачів) цей діапазон параметрів досить широкий. Нагадайте, будь ласка, параметри трансформаторів, які у вас є.
050-246-3341; Viber: 068-362-3497
- m-shara
- Почетный спонсор
- Сообщения: 1152
- Стаж: 2 года 10 месяцев
- Репутация: 201
- Откуда: Латвия
- Аудио система: JVC TD-V662, Kenwood KX-880HX,
JLH 1969, УНЧ А-кл. 6Ж3+ГУ-50
Акустика: Sony SS-G1 MK2
AKG K514, ATH-AVC500,
Звуковая: Focusrite 2i4
Re: Двухтактный на лампах EL34 в триодном включении
В готовому китайці 240 Ом і 11 Гн 7 см.кв., 3,5К і коеф.тр-ціі 20:1. А більше у мене нічого нема.LinuxManiac писал(а): ↑27 окт 2024, 20:25 Для будь-якої схеми потрібні вихідні трансформатори з певним діапазоном параметрів. Причому (особливо для двохтактних підсилювачів) цей діапазон параметрів досить широкий. Нагадайте, будь ласка, параметри трансформаторів, які у вас є.
- LinuxManiac
- Добрейший модератор
- Сообщения: 1195
- Стаж: 6 лет 7 месяцев
- Репутация: 774
- Откуда: Киев
- Контактная информация:
Re: Двухтактный на лампах EL34 в триодном включении
Потрібна величина коефіцієнта транформації. Первинну обмотку вмикаємо до мережі 220/230 вольт і швидко вимірюємо точні величина напруги на первинній і вторинній обмотках. Частка першої та другої величини є коефіцієнт трансформації. Також при цьому варто перевірити симетричність первинних напівобмоток - виміряти напругу на кожній з них.
050-246-3341; Viber: 068-362-3497
- m-shara
- Почетный спонсор
- Сообщения: 1152
- Стаж: 2 года 10 месяцев
- Репутация: 201
- Откуда: Латвия
- Аудио система: JVC TD-V662, Kenwood KX-880HX,
JLH 1969, УНЧ А-кл. 6Ж3+ГУ-50
Акустика: Sony SS-G1 MK2
AKG K514, ATH-AVC500,
Звуковая: Focusrite 2i4
Re: Двухтактный на лампах EL34 в триодном включении
Я писав про ті трансформатори що використані в однопівперіодному підсилювачі. Для цієї схеми Ви самі мотали, це зрозуміло. А по яких параметрах орієнтуватися для покупки готових тр-рів? Я ще не збираюся купувати, скоріше будуть лампи. Але приглянутися не помішало б.LinuxManiac писал(а): ↑27 окт 2024, 20:58 Потрібна величина коефіцієнта транформації. Первинну обмотку вмикаємо до мережі 220/230 вольт і швидко вимірюємо точні величина напруги на первинній і вторинній обмотках. Частка першої та другої величини є коефіцієнт трансформації. Також при цьому варто перевірити симетричність первинних напівобмоток - виміряти напругу на кожній з них.
Ось такого хватило б? Чи треба менший?
https://www.aliexpress.com/item/1005007 ... cification
40W new model: high-fidelity push-pull output transformer (6p3p (6L6) EL34)
A new generation of output transformer developed with 6p3p tube characteristics, using high-fidelity fever winding. The following is a detailed introduction.
Equipped with two impedances of 5K-6.6K for customer selection
Skeleton: 86x40 tongue width 2.8 stacked 4.0, using black shielding cover with high frequency wax and vacuum paint! Final push-pull amplifier tube: "6p3px2 (6L6x2) EL34X2
Output power: P2=40W(B+=300v)
Primary impedance: Raa=5kΩ --6.6KΩ (choose 1 from 2 impedances)
Skeleton:EI 86X40
Iron core: Nippon Steel (Z11 0.35 audio special film, magnetic flux 16000 Gauss, new imported original film
Secondary impedance: R2=0-4Ω-8Ω If 16Ω is required, it can be customized for a fee
Screen flow of two electron tubes: Ip=110mA (single tube Ip55mA) (This model can pass a maximum DC 150MA single tube)
Frequency response: 20-55KHZ range +- 1db
Transformer efficiency: N=0.9
Inductance: higher than 120H
Volume measurements: length 86x width 88x height 76mm
Weight of a pair: 4KG (without packaging)
- m-shara
- Почетный спонсор
- Сообщения: 1152
- Стаж: 2 года 10 месяцев
- Репутация: 201
- Откуда: Латвия
- Аудио система: JVC TD-V662, Kenwood KX-880HX,
JLH 1969, УНЧ А-кл. 6Ж3+ГУ-50
Акустика: Sony SS-G1 MK2
AKG K514, ATH-AVC500,
Звуковая: Focusrite 2i4
Re: Двухтактный на лампах EL34 в триодном включении
Ну, я вже побачив що "Primary impedance: Raa=5kΩ --6.6KΩ" а потрібно 8К.
- на яку потужність має бути тр-р (можливо важливий переріз осердя)
- чи важливий активний опір
- індуктивність
та інші важливі параметри які обовязково мають співпадати.
Чи досить ствердження що трансформатор призначений для ламп EL34?
- на яку потужність має бути тр-р (можливо важливий переріз осердя)
- чи важливий активний опір
- індуктивність
та інші важливі параметри які обовязково мають співпадати.
Чи досить ствердження що трансформатор призначений для ламп EL34?
- LinuxManiac
- Добрейший модератор
- Сообщения: 1195
- Стаж: 6 лет 7 месяцев
- Репутация: 774
- Откуда: Киев
- Контактная информация:
Re: Двухтактный на лампах EL34 в триодном включении
Добрий вечір.
Трансформатори за посиланням підходять для обох схем, однак для схеми А.Й. Манакова на 6П3С потрібно буде збільшити струми спокою ламп вихідного каскаду до 55 мА при напрузі анодного живлення 360-370 вольт.
Вказана потужність 40 ватт - це "китайські" вати, тому ці трансформатори не будуть завеликими для обох схем.
Опір первинної обмотки є критичним у випадку ламп вихідного каскаду із низьким внутрішнім опором та великим типовим струмом спокою (6С41С, 6С33С тощо), для ламп 6П3С та EL34 у тріодному ключенні це не вартий уваги показник.
Індуктивність первинної обмотки для вихідного каскаду на лампах 6П3С та EL34 бажана 30 Гн і більше, тож трансформатори за посиланням цілком доречні.
Трансформатори за посиланням підходять для обох схем, однак для схеми А.Й. Манакова на 6П3С потрібно буде збільшити струми спокою ламп вихідного каскаду до 55 мА при напрузі анодного живлення 360-370 вольт.
Вказана потужність 40 ватт - це "китайські" вати, тому ці трансформатори не будуть завеликими для обох схем.
Опір первинної обмотки є критичним у випадку ламп вихідного каскаду із низьким внутрішнім опором та великим типовим струмом спокою (6С41С, 6С33С тощо), для ламп 6П3С та EL34 у тріодному ключенні це не вартий уваги показник.
Індуктивність первинної обмотки для вихідного каскаду на лампах 6П3С та EL34 бажана 30 Гн і більше, тож трансформатори за посиланням цілком доречні.
050-246-3341; Viber: 068-362-3497
- m-shara
- Почетный спонсор
- Сообщения: 1152
- Стаж: 2 года 10 месяцев
- Репутация: 201
- Откуда: Латвия
- Аудио система: JVC TD-V662, Kenwood KX-880HX,
JLH 1969, УНЧ А-кл. 6Ж3+ГУ-50
Акустика: Sony SS-G1 MK2
AKG K514, ATH-AVC500,
Звуковая: Focusrite 2i4
Re: Двухтактный на лампах EL34 в триодном включении
Добрий вечір.
Хочу спитати про 8-ми штиркові октальні панельки. Ось такі. Або подібні. Звернув увагу що їх треба прикручувати зовні на шасі. Чи можна повернути те металічне кільце так, щоб прикрутити знизу а зверху виглядала тільки шапочка болтика? А виглядало гніздо тільки керамічною частиною. І які з них кращі. Позолочені - залужені оловом; 1-й чи 3-й тип контактів?
Хочу спитати про 8-ми штиркові октальні панельки. Ось такі. Або подібні. Звернув увагу що їх треба прикручувати зовні на шасі. Чи можна повернути те металічне кільце так, щоб прикрутити знизу а зверху виглядала тільки шапочка болтика? А виглядало гніздо тільки керамічною частиною. І які з них кращі. Позолочені - залужені оловом; 1-й чи 3-й тип контактів?
-
- Почетный пользователь
- Сообщения: 56
- Стаж: 3 года
- Репутация: 64
- Откуда: Киев
- Аудио система: Tube Amplifier SE 6V1P + 6P36S
JLH 1969
JLH 2003
FX-Audio - FX502S PRO
MB Quart 1000
Sony SS G3
ЦАП: SMSL DO100
Re: Двухтактный на лампах EL34 в триодном включении
Я так робивm-shara писал(а): ↑28 окт 2024, 20:46 Добрий вечір.
Хочу спитати про 8-ми штиркові октальні панельки. Ось такі. Або подібні. Звернув увагу що їх треба прикручувати зовні на шасі. Чи можна повернути те металічне кільце так, щоб прикрутити знизу а зверху виглядала тільки шапочка болтика? А виглядало гніздо тільки керамічною частиною. І які з них кращі. Позолочені - залужені оловом; 1-й чи 3-й тип контактів?
Проблем не було