Темы в форуме
Новые сообщения
-
30-окт Усилитель Беслика А.И на Германиевых транзисторах v3.01
-
29-окт Усилитель Ampapa D1 HPF 300Wx2
-
17-окт Двухтактный на лампах EL34 в триодном включении
-
16-окт Усилитель D класса на базе плат 2_062 S_AUDIO от Alex
-
16-окт Усилитель на плате PTERO REV 1_03 TAS5342A cборка от Alex
-
15-окт Помощь в подборе усилителя.
-
14-окт Усилитель звука D класса Clone purifi Hb 3.064 ULTRA
-
14-окт JLH 1969 Vintage Style
-
14-окт МА12070. Прекрасная фрау, с которой мало кто дружит
-
09-окт Однотактный на 6П45С в триодном/ультралинейном включении
-
04-окт Интересный усилитель AIYIMA A80 TPA3255 PFFB
-
23-сен AIYIMA A80 - нестабільна робота оптичного входу Toslink
-
18-сен Усилитель, работающий от пульта ТВ.
-
16-сен Регулятор тембра
-
14-сен А не собрать ли мне Hi-END? На Clone purifi 3.065 ULTRA
Новые темы
-
29-окт Усилитель Ampapa D1 HPF 300Wx2
-
12-окт Усилитель Беслика А.И на Германиевых транзисторах v3.01
-
21-сен Snail II
-
15-сен Регулятор тембра
-
12-сен Усилитель, работающий от пульта ТВ.
-
08-сен Класс Д с классическим БП
-
07-сен Як звучить підсилювач на мс. STK407-090B?
-
31-авг Нужен стерео усилитель под заказ (хай енд)
-
29-авг Винтаж в помойку?
-
28-авг Помощь в подборе усилителя.
-
18-авг Усилитель D класса на базе плат 2_062 S_AUDIO от Alex
-
12-авг Триодные ламповые усилители
-
06-авг Fosi Audio GR70 ламповый усилитель для наушников Класс A
-
26-июл Однотактный на Г811
-
23-июл Двухтактный на 6Н13С с фазоинвертором на двойном пентоде
Наш youtube
Наш инстаграм
☝ Сказать спасибо!
Правила форума
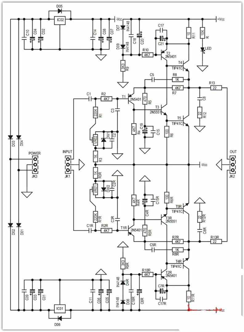
Усилитель JLH 2003 для наушников
- Alex
- Site Admin
- Сообщения: 4083
- Стаж: 13 лет 11 месяцев
- Репутация: 2640
- Откуда: Kiev
- Аудио система: www.is.gd/l0dt3T
- Контактная информация:
Re: Усилитель JLH 2003 для наушников
Отличная АЧХ 
- Justas*
- Гуру электроники☆☆☆☆
- Сообщения: 2243
- Стаж: 4 года 1 месяц
- Репутация: 1252
- Откуда: Украина
- Аудио система: viewtopic.php?p=17721#p17721
Re: Усилитель JLH 2003 для наушников
Главное при этом, устойчивость усилителя, чтобы возбуда не было. А раз нет, то измеряемые параметры только улучшаться. АЧХ отличная.
-
vadim_phones
- Пользователь
- Сообщения: 30
- Стаж: 3 года 11 месяцев
- Репутация: 7
- Откуда: Херсон
- Аудио система: ATDAC 8A - HA Overture - Beyer Amiron Home
Re: Усилитель JLH 2003 для наушников
Китайцы предлагают обновлённый вариант платы:
_https://www.aliexpress.com/item/32781309188.htm ... 9769%22%7D
никто не собирал такой?
_https://www.aliexpress.com/item/32781309188.htm ... 9769%22%7D
никто не собирал такой?
-
vadim_phones
- Пользователь
- Сообщения: 30
- Стаж: 3 года 11 месяцев
- Репутация: 7
- Откуда: Херсон
- Аудио система: ATDAC 8A - HA Overture - Beyer Amiron Home
Re: Усилитель JLH 2003 для наушников
Подключил. На выходе стабилизатора + / - 12 В.
Постоянку под нагрузкой выставил пару мВ.
Измерил RMAA - АЧХ ужас, остальное тоже не фонтан.
Что проверить?
7812 и 7912 еле теплые, а TIP41 вообще комнатной температуры
РГ убирал, регулировал через панель ЗК, результат такой же.
Постоянку под нагрузкой выставил пару мВ.
Измерил RMAA - АЧХ ужас, остальное тоже не фонтан.
Что проверить?
7812 и 7912 еле теплые, а TIP41 вообще комнатной температуры
РГ убирал, регулировал через панель ЗК, результат такой же.
- Вложения
-
- JLH2003.7z
- (32.05 КБ) 170 скачиваний
-
vadim_phones
- Пользователь
- Сообщения: 30
- Стаж: 3 года 11 месяцев
- Репутация: 7
- Откуда: Херсон
- Аудио система: ATDAC 8A - HA Overture - Beyer Amiron Home
Re: Усилитель JLH 2003 для наушников
В новой схеме помимо других транзисторов (2n5401, 2n5551) есть изменения по номиналам элементов.
Нумерацию укажу как в старой схеме :
R1: было - 5,1 Ома , стало - 10 Ом
R7: было - 2,2 Ома , стало - 22 Ом
C9: было - 33 нФ , стало - 100 нФ (R15 без изменений)
Без нагрузки ток через R1 около 2,5 мА.
Нумерацию укажу как в старой схеме :
R1: было - 5,1 Ома , стало - 10 Ом
R7: было - 2,2 Ома , стало - 22 Ом
C9: было - 33 нФ , стало - 100 нФ (R15 без изменений)
Без нагрузки ток через R1 около 2,5 мА.
- Alex
- Site Admin
- Сообщения: 4083
- Стаж: 13 лет 11 месяцев
- Репутация: 2640
- Откуда: Kiev
- Аудио система: www.is.gd/l0dt3T
- Контактная информация:
Re: Усилитель JLH 2003 для наушников
Что -то совсем характеристики плохие.
-
vadim_phones
- Пользователь
- Сообщения: 30
- Стаж: 3 года 11 месяцев
- Репутация: 7
- Откуда: Херсон
- Аудио система: ATDAC 8A - HA Overture - Beyer Amiron Home
Re: Усилитель JLH 2003 для наушников
Китайцы что то намудрили в новой плате, т.к. уже перед базой первого транзистора идёт завал АЧХ. Транзисторы выпаял и прозвонил - ОК.
- Justas*
- Гуру электроники☆☆☆☆
- Сообщения: 2243
- Стаж: 4 года 1 месяц
- Репутация: 1252
- Откуда: Украина
- Аудио система: viewtopic.php?p=17721#p17721
Re: Усилитель JLH 2003 для наушников
Возможно проблема с измерением. Судя по графику АЧХ, мал FFT (БПФ), всего 5 точек на октаву. Хотя может быть в RMAA так и есть. Я этой прогой не пользуюсь, в Спектре выставляю 96 точек.
По графикам THD и IMD, можно предположить перегрузку входа ЗК.
По графикам THD и IMD, можно предположить перегрузку входа ЗК.
-
vadim_phones
- Пользователь
- Сообщения: 30
- Стаж: 3 года 11 месяцев
- Репутация: 7
- Откуда: Херсон
- Аудио система: ATDAC 8A - HA Overture - Beyer Amiron Home
Re: Усилитель JLH 2003 для наушников
Т.к. старый вариант платы у людей работает, то наверное проще заменить элементы - поставить транзисторы 2n2907, 2n2222, эл.лит. доустановить параллельно стабилитрону, R1 заменить на 5 ом и т.д. Само собой C23 плюсом на землю. Схема с первого поста соответствует на 100% платам, которые получали с алишки? В какой проге можно проверить схему, чтобы а АЧХ и другие косяки были видны?
- Alex
- Site Admin
- Сообщения: 4083
- Стаж: 13 лет 11 месяцев
- Репутация: 2640
- Откуда: Kiev
- Аудио система: www.is.gd/l0dt3T
- Контактная информация:
Re: Усилитель JLH 2003 для наушников
Прога правильная RMAA, как вы делаете замеры? Действительно похоже на перегруз сигнала.
-
vadim_phones
- Пользователь
- Сообщения: 30
- Стаж: 3 года 11 месяцев
- Репутация: 7
- Откуда: Херсон
- Аудио система: ATDAC 8A - HA Overture - Beyer Amiron Home
Re: Усилитель JLH 2003 для наушников
РГ не очень плавно регулирует уровень, там в начале чуть крутанул и уже 6 V на выходе уся. Потом делал регулировку дополнительно в панели карты выставив - 10 дБ на входе ЗК, но результаты так и остались плохими. Прибор показывает наличие 50 Гц на выходе уся до 500 мВ
Почитываю https://www.diyaudio.com/community/thre ... mp.159202/
головняка там хватает
Почитываю https://www.diyaudio.com/community/thre ... mp.159202/
головняка там хватает