Пожалуй всё на этом. Тонкий тюнинг заканчиваю. Результат выкладываю. Насколько это кино с телефона напоминает реальность - трудно сказать. Могу сказать, что то, что на телефон записалось, мне нравится меньше, чем то, что на самом деле слышно.
Темы в форуме
Новые сообщения
-
16-янв Усилитель D класса на базе плат 2_062 S_AUDIO от Alex
-
16-янв Ламповий Однотакт (SE)
-
16-янв Усилитель JLH 1969
-
15-янв Все про лампу гу 15
-
14-янв Не делайте эти ошибки при покупке Б/У(винтажного) усилителя звука
-
14-янв SMSL AO300 PRO — DAC + усилитель мощности + усилитель для наушников
-
12-янв Список схем ламповых двухтактных усилителей для наушников
-
12-янв Усилитель звука D класса Clone purifi Hb 3.064 ULTRA
-
10-янв Двухтактный на лампах EL34 в триодном включении
-
10-янв Ламповый усилитель против D класса.
Новые темы
-
11-янв Список схем ламповых двухтактных усилителей для наушников
-
07-янв SMSL AO300 PRO — DAC + усилитель мощности + усилитель для наушников
-
05-янв Ламповий Однотакт (SE)
-
31-дек Ламповый усилитель против D класса.
-
17-дек Ваш самый дорогой усилителль мощности
-
05-дек SMSL PA-X
-
02-дек Черырехканальный усилитель D класса Douk Audio G7
-
23-ноя Усилитель для наушников на TPA6120 с Алиэкспресс
-
04-ноя Все про лампу гу 15
-
02-ноя Немного самодельных усилителей
МА12070. Прекрасная фрау, с которой мало кто дружит
- lgedmitry
- Гуру электроники☆☆☆☆
- Сообщения: 1600
- Стаж: 6 лет 6 месяцев
- Репутация: 281
- Откуда: Рыбинск
- Аудио система: Самоделки на MA12070, MA12070P, Heybrook HB3, Wharfedale Diamond 12.2
Re: МА12070. Прекрасная фрау, с которой мало кто дружит
Пожалуй всё на этом. Тонкий тюнинг заканчиваю. Результат выкладываю. Насколько это кино с телефона напоминает реальность - трудно сказать. Могу сказать, что то, что на телефон записалось, мне нравится меньше, чем то, что на самом деле слышно.
- lgedmitry
- Гуру электроники☆☆☆☆
- Сообщения: 1600
- Стаж: 6 лет 6 месяцев
- Репутация: 281
- Откуда: Рыбинск
- Аудио система: Самоделки на MA12070, MA12070P, Heybrook HB3, Wharfedale Diamond 12.2
Re: МА12070. Прекрасная фрау, с которой мало кто дружит
заснял референсное видео для сравнения. Все те же действующие лица, но усилитель на TPA3255.
По-моему, тут всё ясно: TPA3255_PFFB - нормальный такой заурядный усилитель, а вот MA12070 демонстрирует какую-то филигранную работу
И это при том ещё, что усилитель на 3255 не содержит преда, кроме "стандартного" для него фазоинвертора на 5532. Ну и регулятор громкости им. Никитина.
А 12070 работает через пред на NJW1194, обладающей не самыми лучшими в своём классе параметрами
По-моему, тут всё ясно: TPA3255_PFFB - нормальный такой заурядный усилитель, а вот MA12070 демонстрирует какую-то филигранную работу
И это при том ещё, что усилитель на 3255 не содержит преда, кроме "стандартного" для него фазоинвертора на 5532. Ну и регулятор громкости им. Никитина.
А 12070 работает через пред на NJW1194, обладающей не самыми лучшими в своём классе параметрами
- Justas*
- Гуру электроники☆☆☆☆
- Сообщения: 2368
- Стаж: 4 года 3 месяца
- Репутация: 1292
- Откуда: Украина
- Аудио система: viewtopic.php?p=17721#p17721
Re: МА12070. Прекрасная фрау, с которой мало кто дружит
Что то у Вас TPA3255_PFFB, ни о чём. Верхняя середина аж звенит.
Вы АЧХ на реальной нагрузке снимали ?
Вы АЧХ на реальной нагрузке снимали ?
- lgedmitry
- Гуру электроники☆☆☆☆
- Сообщения: 1600
- Стаж: 6 лет 6 месяцев
- Репутация: 281
- Откуда: Рыбинск
- Аудио система: Самоделки на MA12070, MA12070P, Heybrook HB3, Wharfedale Diamond 12.2
Re: МА12070. Прекрасная фрау, с которой мало кто дружит
АЧХ не снимал, сниму на днях. А так, у меня когда на телефон снимаю, всегда верх шибче получается, чем в реале. У МА12070 тоже верх в реале поменьшеJustas* писал(а): 23 май 2025, 13:57 Что то у Вас TPA3255_PFFB, ни о чём. Верхняя середина аж звенит.
Вы АЧХ на реальной нагрузке снимали ?
- Justas*
- Гуру электроники☆☆☆☆
- Сообщения: 2368
- Стаж: 4 года 3 месяца
- Репутация: 1292
- Откуда: Украина
- Аудио система: viewtopic.php?p=17721#p17721
Re: МА12070. Прекрасная фрау, с которой мало кто дружит
Т.к. у меня есть усилок на TPA3250_PFFB, то я заинтересовался совсем никаким звуком Вашей версии TPA3255_PFFB.
Отлично понимаю что запись на телефон (пробовал), совсем не то что в живую. Но в качестве сравнения двух усилителей в одинаковых условиях, худо-бедно сойдёт.
Удивило, что даже на телефонной записи, разница в звуке слышна с первых нот.
Проанализировал оба трека Условия для сравнения конечно не идеальные, точной фиксации телефона не было, т.к. он держался в руках. Соответственно, расстояния до АС по всем трём плоскостям менялось.
А на такой близкой дистанции от АС, это очень существенно.
Но в общем то очевидно, что с 3-х кГц уровень TPA, на 4-6дБ выше чем у MA.
Вот он, слышимый мной тембральный перекос на верхней середине.
Почему так, несколько вариантов.
1. TPA действительно имеет больший подъём ВЧ на АЧХ
2. Подъём на ВЧ имеет сама АС, поэтому TPA с нормальной АЧХ ярчит, а MA имеет спад на ВЧ, и в итоге всё ровно.
3. При записи TPA, микрофон был немного выше (ближе к ВЧ чем к миду).
В общем, нужна более корректная запись, с микрофоном на штативе.
И на расстоянии больше метра.
На меньших расстояниях, будет значительный тембральный перекос. Впрочем, это зависит от того, на какое расстояние сводились АС.
В корректности спектров записей, можете не сомневаться. Я этот метод неоднократно проверял.
Три записи одного трека (или его куска) сделанные через лупбек, совпадают до долей дБ.
Эти же записи через штатно стоящие микрофонон и АС, тоже идеально совпадают. Могут быть незначительные всплески на частотах комнатных стояков в шумной комнате.
Кстати, синяя кривая это спектрограмма оригинала (лупбек). Тот же кусок трека длительностью 59 сек. Кривая (чтобы не мешать) специально смещена по шкале дБ.
PS
Моё мнение Вы надеюсь знаете.
Усилители с одинаковой АЧХ и соответствующими искажениями, звучат практически неотличимо.
Ну разве что в области НЧ по известным причинам, могут быть отличия в звуке.
Но в Ваших записях, НЧ отсутствуют.
PPS
У меня одно время возникла дилемма, что поставить на СЧ+ВЧ секцию (пассив, в отличии от НЧ и саба).
Из всех имеющихся усилителей осталось 2 кандидата, JLH-2003 и перекопанный вдоль и поперёк усилок на TPA3250_PFFB. В обоих удифильские компоненты, кондёры, резисторы.
В JLH два тора, двухполярка, подобранные транзисторы и ни одного межкаскадного конденсатора, даже на входе. Да, классы диаметрально разные, А и D.
Переключение усилков дистанционное, с пульта.
Три вечера я слушал, выискивая разницу, затем друга пригласил (коллегу по работе и хобби).
Ну нет различий. Уже часа 2 слушаем и тут слышу, TPA на ВЧ вроде попрозрачней играет.
А он, нет такого, а вот у JLH вроде мидбас поплотней.
И тут мне понятно стало, я ему этот усилок разрекламировал, он уже пафосные детали купил и корпус крутой.
А я последнее время с TPA возился.
В итоге, победил TPA. Не потому что звук лучше, а потому что жрёт, греется и весит меньше.
А тут 2 усилка класса D. Нужно искать где собака порылась
Отлично понимаю что запись на телефон (пробовал), совсем не то что в живую. Но в качестве сравнения двух усилителей в одинаковых условиях, худо-бедно сойдёт.
Удивило, что даже на телефонной записи, разница в звуке слышна с первых нот.
Проанализировал оба трека Условия для сравнения конечно не идеальные, точной фиксации телефона не было, т.к. он держался в руках. Соответственно, расстояния до АС по всем трём плоскостям менялось.
А на такой близкой дистанции от АС, это очень существенно.
Но в общем то очевидно, что с 3-х кГц уровень TPA, на 4-6дБ выше чем у MA.
Вот он, слышимый мной тембральный перекос на верхней середине.
Почему так, несколько вариантов.
1. TPA действительно имеет больший подъём ВЧ на АЧХ
2. Подъём на ВЧ имеет сама АС, поэтому TPA с нормальной АЧХ ярчит, а MA имеет спад на ВЧ, и в итоге всё ровно.
3. При записи TPA, микрофон был немного выше (ближе к ВЧ чем к миду).
В общем, нужна более корректная запись, с микрофоном на штативе.
И на расстоянии больше метра.
На меньших расстояниях, будет значительный тембральный перекос. Впрочем, это зависит от того, на какое расстояние сводились АС.
В корректности спектров записей, можете не сомневаться. Я этот метод неоднократно проверял.
Три записи одного трека (или его куска) сделанные через лупбек, совпадают до долей дБ.
Эти же записи через штатно стоящие микрофонон и АС, тоже идеально совпадают. Могут быть незначительные всплески на частотах комнатных стояков в шумной комнате.
Кстати, синяя кривая это спектрограмма оригинала (лупбек). Тот же кусок трека длительностью 59 сек. Кривая (чтобы не мешать) специально смещена по шкале дБ.
PS
Моё мнение Вы надеюсь знаете.
Усилители с одинаковой АЧХ и соответствующими искажениями, звучат практически неотличимо.
Ну разве что в области НЧ по известным причинам, могут быть отличия в звуке.
Но в Ваших записях, НЧ отсутствуют.
PPS
У меня одно время возникла дилемма, что поставить на СЧ+ВЧ секцию (пассив, в отличии от НЧ и саба).
Из всех имеющихся усилителей осталось 2 кандидата, JLH-2003 и перекопанный вдоль и поперёк усилок на TPA3250_PFFB. В обоих удифильские компоненты, кондёры, резисторы.
В JLH два тора, двухполярка, подобранные транзисторы и ни одного межкаскадного конденсатора, даже на входе. Да, классы диаметрально разные, А и D.
Переключение усилков дистанционное, с пульта.
Три вечера я слушал, выискивая разницу, затем друга пригласил (коллегу по работе и хобби).
Ну нет различий. Уже часа 2 слушаем и тут слышу, TPA на ВЧ вроде попрозрачней играет.
А он, нет такого, а вот у JLH вроде мидбас поплотней.
И тут мне понятно стало, я ему этот усилок разрекламировал, он уже пафосные детали купил и корпус крутой.
А я последнее время с TPA возился.
В итоге, победил TPA. Не потому что звук лучше, а потому что жрёт, греется и весит меньше.
А тут 2 усилка класса D. Нужно искать где собака порылась
-
uriy
- Магистр электроники
- Сообщения: 1500
- Стаж: 2 года 8 месяцев
- Репутация: 454
- Откуда: Ukraine
- Аудио система: Цифраактив
Re: МА12070. Прекрасная фрау, с которой мало кто дружит
Думаю тут стоит уточнить - с одинаковой АЧХ на реальной нагрузке, а не на резисторе.Justas* писал(а): 23 май 2025, 19:20 PS
Моё мнение Вы надеюсь знаете.
Усилители с одинаковой АЧХ и соответствующими искажениями, звучат практически неотличимо.
- lgedmitry
- Гуру электроники☆☆☆☆
- Сообщения: 1600
- Стаж: 6 лет 6 месяцев
- Репутация: 281
- Откуда: Рыбинск
- Аудио система: Самоделки на MA12070, MA12070P, Heybrook HB3, Wharfedale Diamond 12.2
Re: МА12070. Прекрасная фрау, с которой мало кто дружит
Вот я тоже примерно так думаю: АЧХ-АЧХой, но кроме неё есть ещё контроль АС. Демпфирование, будь оно неладно. ТРА3255 демпфирует АС через фильтр нижних частот с довольно большой тау. А МА12070 демпфирует через одну-единственную кадушку 3.3 микрогенри. Тау тут меньше минимум на порядок, я думаю. А может и на два. Отсюда и имеем какое-то необыкновенное звучание. Недостижимое ни для JLH2003, ни для ТРА3255. (Да, я ещё несколько времени убил на подбор бутерброда конденсаторов в БП, который не размазывает звук). Вот и получилось нечто не совсем обыкновенное. Ну а АЧХ для меня пока ещё где-то в перспективе. Возможно когда-нибудь займусь. Возьму себе измерительный микрофон, ДСП, и заболею новой болезнью - АЧХманией. Пока меня ей не накрывало.uriy писал(а): 23 май 2025, 19:31 Думаю тут стоит уточнить - с одинаковой АЧХ на реальной нагрузке, а не на резисторе.
- lgedmitry
- Гуру электроники☆☆☆☆
- Сообщения: 1600
- Стаж: 6 лет 6 месяцев
- Репутация: 281
- Откуда: Рыбинск
- Аудио система: Самоделки на MA12070, MA12070P, Heybrook HB3, Wharfedale Diamond 12.2
Re: МА12070. Прекрасная фрау, с которой мало кто дружит
зы. Там у меня ещё в питании 3255 твёрдотельные электролиты стоят (ну не было у меня ничего подходящего размера на 50 Вольт, чтоб в блок питания вместо штатных влезли. Штатные там совсем не удифильские). Для МА, где питание 24 Вольта, мягкотельные электролиты 470*35 диаметром 1см нашлись легко. Может это ещё твёрдотельники лепту свою в ВЧ-окрас вносят
Есть вроде б nichicon PW(M) 390*50 диаметром 1 см. Можно попробовать такие купить на алишке и запаять в БП
Есть вроде б nichicon PW(M) 390*50 диаметром 1 см. Можно попробовать такие купить на алишке и запаять в БП
-
uriy
- Магистр электроники
- Сообщения: 1500
- Стаж: 2 года 8 месяцев
- Репутация: 454
- Откуда: Ukraine
- Аудио система: Цифраактив
Re: МА12070. Прекрасная фрау, с которой мало кто дружит
У ТРА обычно индуктивность в плече стоит 10мкГн, так что не может идти и речи о тау на порядки. И если захотеть, то вы так же можете на ТРА поставить индуктивность 3,3мкГн и убрать конденсатор из ФНЧ в ТРА. В общем там можно с ФНЧ играться так же как и в МА.lgedmitry писал(а): 23 май 2025, 21:47
Вот я тоже примерно так думаю: АЧХ-АЧХой, но кроме неё есть ещё контроль АС. Демпфирование, будь оно неладно. ТРА3255 демпфирует АС через фильтр нижних частот с довольно большой тау. А МА12070 демпфирует через одну-единственную кадушку 3.3 микрогенри. Тау тут меньше минимум на порядок, я думаю. А может и на два. Отсюда и имеем какое-то необыкновенное звучание.
Покуда вы не сделаете измерения выхода усилителя, можно гадать долго и нудно что там на что влияет. Да, Кд влияет на НЧ диапазон но его влияние будет так же видно и на АЧХ в НЧ диапазоне на реальной нагрузке.
- lgedmitry
- Гуру электроники☆☆☆☆
- Сообщения: 1600
- Стаж: 6 лет 6 месяцев
- Репутация: 281
- Откуда: Рыбинск
- Аудио система: Самоделки на MA12070, MA12070P, Heybrook HB3, Wharfedale Diamond 12.2
Re: МА12070. Прекрасная фрау, с которой мало кто дружит
Я б не рискнул: У МА размах ШИМа на выходе 1/2 напряжения питания, которое 24 Вольта. Итого 12 Вольт. А У ТРА - всё питание, которое у меня 36 Вольт. Импульсы по 36 Вольт подавать на ВЧ динамики что-то не очень хочется.uriy писал(а): 23 май 2025, 22:04
И если захотеть, то вы так же можете на ТРА поставить индуктивность 3,3мкГн и убрать конденсатор из ФНЧ в ТРА. В общем там можно с ФНЧ играться так же как и в МА.
Последний раз редактировалось lgedmitry 23 май 2025, 22:21, всего редактировалось 2 раза.
- lgedmitry
- Гуру электроники☆☆☆☆
- Сообщения: 1600
- Стаж: 6 лет 6 месяцев
- Репутация: 281
- Откуда: Рыбинск
- Аудио система: Самоделки на MA12070, MA12070P, Heybrook HB3, Wharfedale Diamond 12.2
Re: МА12070. Прекрасная фрау, с которой мало кто дружит
на НЧ это хорошо видно, да. Стоит только переключить у МА power mode profile c 1 на любой другой, где контроль слабже - так индикатор клиппинга начинает моргать там, где в mode1 он ещё не мигает.uriy писал(а): 23 май 2025, 22:04 Да, Кд влияет на НЧ диапазон но его влияние будет так же видно и на АЧХ в НЧ диапазоне на реальной нагрузке.
- Justas*
- Гуру электроники☆☆☆☆
- Сообщения: 2368
- Стаж: 4 года 3 месяца
- Репутация: 1292
- Откуда: Украина
- Аудио система: viewtopic.php?p=17721#p17721
Re: МА12070. Прекрасная фрау, с которой мало кто дружит
Да причём тут эта тау. В пассивном ФНЧ АС может стоять катуха на 4,7мГн и конденсатор 60мкФ (2-й порядок 350Гц).lgedmitry писал(а): 23 май 2025, 21:47Вот я тоже примерно так думаю: АЧХ-АЧХой, но кроме неё есть ещё контроль АС. Демпфирование, будь оно неладно. ТРА3255 демпфирует АС через фильтр нижних частот с довольно большой тау.uriy писал(а): 23 май 2025, 19:31 Думаю тут стоит уточнить - с одинаковой АЧХ на реальной нагрузке, а не на резисторе.
Нужно смотреть на активное сопротивление выходного дросселя (как правило 10мкГн). По постоянному току и на НЧ оно составляет сотые и даже тысячные доли Ома (в хороших дросселях). Растёт конечно с частотой, на 20кГц 1,2 Ом, но там КД уже не важен, а для СЧ ВЧ динамиков даже полезно.
Да и по поводу нужности суперКД у меня есть сомнения.
Писал уже
Понятно что Rвых > 10% от Re, НЧ динамику на пользу не пойдёт. Но даже в моём JLH2003, оно составляет 0,04 Ом (1% от Re 4 Ом). Возможно немного больше, т.к. измерял дополнительным усилком с тоже ненулевым Rвых.
Я считаю, что добротность АС и выбор АО, гораздо важнее в плане демпфирования. И если Qtc выше единицы, то электрическое демпфирование слабо поможет. В ФИ, на частоте настройки порта, любое демпфирование резко падает, а ниже настройки практически отсутствует. Поэтому и применяют ФВЧ (сабсоник) чтобы диффузор не улетел. Страдает ГВЗ, но что делать, за халявную прибавку на НЧ нужно платить.
В Ваших записях, рассуждать о демпфировании на НЧ не серьёзно. Их практически нет и это слышно. Спад начинается от 100Гц. Я вот для сравнения, совместил оригинал трека с записями на 1 кГц. Смотрите. Если интересно, синяя кривая, это АЧХ вашей АС + комната + микрофон. Что из них вносит больший вклад в эту кривизну, неизвестно. Но как правило, даже плохонькие микрофоны имеют довольно ровную АЧХ до 5кГц. Кривая получена в REW математически, из усреднённых АЧХ DA+TPA (чёрная пунктирная) и АЧХ оригинала (красная кривая).
Нужно учесть, что эта АЧХ для точки микрофона, с которой Вы делали запись. С метра или места прослушивания, картина будет другая.
Жизнь заставитНу а АЧХ для меня пока ещё где-то в перспективе. Возможно когда-нибудь займусь. Возьму себе измерительный микрофон, ДСП, и заболею новой болезнью - АЧХманией. Пока меня ей не накрывало.
-
uriy
- Магистр электроники
- Сообщения: 1500
- Стаж: 2 года 8 месяцев
- Репутация: 454
- Откуда: Ukraine
- Аудио система: Цифраактив
Re: МА12070. Прекрасная фрау, с которой мало кто дружит
Эт точно. Но обычно то уси сравнивают на готовой серийной АС т.е. АС разрабатывают отдельно от уся, а усь разрабатывают отдельно от АС.Justas* писал(а): 24 май 2025, 00:27 Я считаю, что добротность АС и выбор АО, гораздо важнее в плане демпфирования.
Полагаю где бы не начинался спад SPL у НЧ динамика, а Кд влияет на весь диапазон частот который воспроизводит этот динамик.Justas* писал(а): 24 май 2025, 00:27 В Ваших записях, рассуждать о демпфировании на НЧ не серьёзно. Их практически нет и это слышно. Спад начинается от 100Гц.
При этом всём, Кд уся обычно находят на частоте 1кГц нагрузочным резистором, а НЧ динамик обычно там уже не работает или не гоняет большие реактивные токи. По честному Кд нужно определять не на 1кГц, а от 10Гц до 1кГц и не резистором, а реальным втекающим током в усилитель, и тогда может быть будет куда виднее что не все уси способны "всасывать" реактивные токи так же хорошо как подразумевает полученный расчётный Кд на резисторе. Как не крути, а в Д классе что, что, а сразу хорошо слышен именно контроль НЧ динамика по сравнению со среднестатистическим АВшником. Ну, а за контроль НЧ динамика отвечает полное выходное сопротивление уся, ну и конечно активное сопротивление соединительных проводов и фильтров ограничивают влияние Кд на НЧ динамик, но если мы слышим разницу на НЧ у двух усей, значит Кд усей разный и АЧХ на клеммах усей будет разная.
Всё, теперь отпетым аудиофилам придётся скрывать от Вас не только АЧХ своих АС, но и записи своих любимых АС, Вы их на чистую воду выводите с пол пинка.Justas* писал(а): 24 май 2025, 00:27
Если интересно, синяя кривая, это АЧХ вашей АС + комната + микрофон.
Это я не в сторону лжедмитрия, это я в целом об аудиофилах которые намеренно скрывают кривые "красочные" АЧХ свои АС.
- lgedmitry
- Гуру электроники☆☆☆☆
- Сообщения: 1600
- Стаж: 6 лет 6 месяцев
- Репутация: 281
- Откуда: Рыбинск
- Аудио система: Самоделки на MA12070, MA12070P, Heybrook HB3, Wharfedale Diamond 12.2
Re: МА12070. Прекрасная фрау, с которой мало кто дружит
Притом, что тот ФНЧ, что внутри АС, ВЧ динамика не касается особо. А тот, что на выходе уся, на него влияет, и ещё как.Justas* писал(а): 24 май 2025, 00:27
Да причём тут эта тау. В пассивном ФНЧ АС может стоять катуха на 4,7мГн и конденсатор 60мкФ (2-й порядок 350Гц).
- lgedmitry
- Гуру электроники☆☆☆☆
- Сообщения: 1600
- Стаж: 6 лет 6 месяцев
- Репутация: 281
- Откуда: Рыбинск
- Аудио система: Самоделки на MA12070, MA12070P, Heybrook HB3, Wharfedale Diamond 12.2
Re: МА12070. Прекрасная фрау, с которой мало кто дружит
а мне-то скрывать нЕчего. Аудиофила из меня не получится, а что АЧХ реальных комнат очень страшные - я и раньше знал. И именно поэтому дал референсное видео с ТРА3255, чтоб комнату исключить, оставить только разницу в звучании чипов. (Да, накосячил малость. Наверняка, когда поменяю конденсаторы в БП 3255 с твёрдых на мягкие, разницы в АЧХ станет меньше. Спасибо, что указали).uriy писал(а): 24 май 2025, 01:18
Это я не в сторону лжедмитрия, это я в целом об аудиофилах которые намеренно скрывают кривые "красочные" АЧХ свои АС.
- lgedmitry
- Гуру электроники☆☆☆☆
- Сообщения: 1600
- Стаж: 6 лет 6 месяцев
- Репутация: 281
- Откуда: Рыбинск
- Аудио система: Самоделки на MA12070, MA12070P, Heybrook HB3, Wharfedale Diamond 12.2
Re: МА12070. Прекрасная фрау, с которой мало кто дружит
заказал ничиконы 330*50В. Больше ничего потребного диаметром 1 см не увидел...
- Justas*
- Гуру электроники☆☆☆☆
- Сообщения: 2368
- Стаж: 4 года 3 месяца
- Репутация: 1292
- Откуда: Украина
- Аудио система: viewtopic.php?p=17721#p17721
Re: МА12070. Прекрасная фрау, с которой мало кто дружит
Да, есть небольшая проблема у ФВЧ усилка на ВЧ. Но она больше надумана.lgedmitry писал(а): 24 май 2025, 07:38Притом, что тот ФНЧ, что внутри АС, ВЧ динамика не касается особо. А тот, что на выходе уся, на него влияет, и ещё как.Justas* писал(а): 24 май 2025, 00:27 Да причём тут эта тау. В пассивном ФНЧ АС может стоять катуха на 4,7мГн и конденсатор 60мкФ (2-й порядок 350Гц).
Лично мне, глубоко-пурпурно что происходит выше 14кГц. Ну разве что интермоды создаваемые выше 14, с какой то вероятностью могут проникнуть в то что ниже 14-ти.
А для ушей слышащих 20кГц, элементарно настроить LC контур под конкретный импеданс АС.
Вот семейство АЧХ усилка, с LC настроеным на работу с нагрузкой 6 Ом
+0,4 и -1дБ на 20кГц ничто, по сравнению с ̶м̶и̶р̶о̶в̶о̶й̶ ̶р̶е̶в̶о̶л̶ю̶ц̶и̶е̶й̶ комнатными отражениями.
Неправильную и правильную настройку можно посмотреть здесь
Хотите увидеть АЧХ на реальной и резистивной нагрузке?
Их есть у меня: Вверху АЧХ, внизу импеданс АС на СЧ-ВЧ. Видно что АЧХ повторяет кривую импеданса.
Это с PFFB. +0,1дБ на 3кГц и -0,3дБ на 20кГц. RMAA бы выставил оценку «отлично».
- Justas*
- Гуру электроники☆☆☆☆
- Сообщения: 2368
- Стаж: 4 года 3 месяца
- Репутация: 1292
- Откуда: Украина
- Аудио система: viewtopic.php?p=17721#p17721
Re: МА12070. Прекрасная фрау, с которой мало кто дружит
Теоретически Кд влияет на весь диапазон, но в какой мере? Я бы даже не до 1кГц определял, а к примеру до 100-200Гц.uriy писал(а): 24 май 2025, 01:18 Полагаю где бы не начинался спад SPL у НЧ динамика, а Кд влияет на весь диапазон частот который воспроизводит этот динамик.
При этом всём, Кд уся обычно находят на частоте 1кГц нагрузочным резистором, а НЧ динамик обычно там уже не работает или не гоняет большие реактивные токи. По честному Кд нужно определять не на 1кГц, а от 10Гц до 1кГц и не резистором, а реальным втекающим током в усилитель, и тогда может быть будет куда виднее что не все уси способны "всасывать" реактивные токи так же хорошо как подразумевает полученный расчётный Кд на резисторе.
Считаю, что Кд важен на больших амплитудах колебаний диффузора. Колебания (при том же звуковом давлении) начинают заметно увеличиваться при подходе к НЧ и достигают максимальной амплитуды на резонансе НЧ динамика. А на резонансе (и вблизи его) бОльшую роль играет демпфирование определяемое параметрами TS (Qtc).
СЧ и ВЧ динамикам, работающим вне резонанса, этот Кд до лампочки. В пассивных фильтрах стоят резисторы 1-10 Ом ограничивающие их чувствительность, и ничего. ИТУН для них в некоторых случаях даже полезен, снижаются интермоды.
Как не крути, а в Д классе что, что, а сразу хорошо слышен именно контроль НЧ динамика по сравнению со среднестатистическим АВшником.
Подтверждаю. Пробовал на НЧ (с активной фильтрацией), D и АВ на 3886, разница есть.
Как говорят аудифилы, у D точный звук. Но на мой вкус он слишком сухой, у АВ более жирный и вкусный.
Вкус фломастеров для всех разный. И тогда снова встаёт вопрос, а так ли важен Кд для конкретного человека и конкретной АС?
Я не Сталкер, к аудиофилам толерантно отношусь, как и к радужным.Всё, теперь отпетым аудиофилам придётся скрывать от Вас не только АЧХ своих АС, но и записи своих любимых АС, Вы их на чистую воду выводите с пол пинка.![]()
Лишь бы на прайдах не внедряли в неокрепшие уши свои лозунги и не советовали «сменить систему, сходить к лору»
Re: МА12070. Прекрасная фрау, с которой мало кто дружит
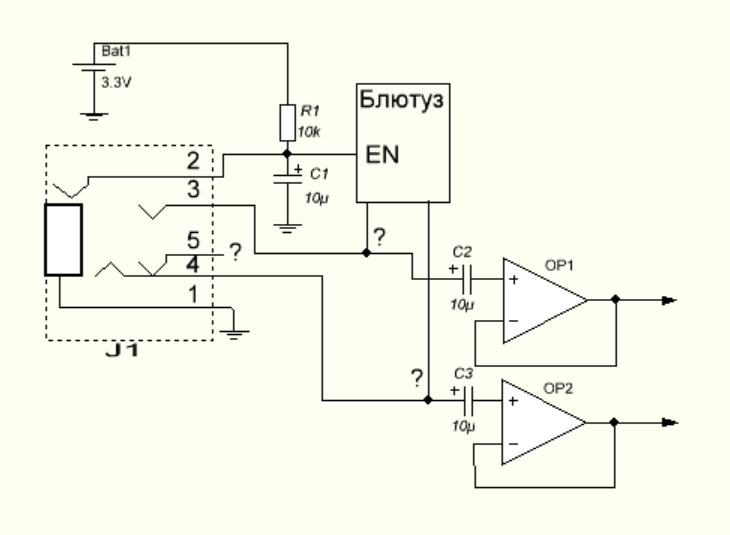
Уважаемые, может кто научит, как разъединить aux и Bluetooth. Имею ввиду, чтобы вынести это дело на переключатель. Сейчас так: штекер воткнул - Bluetooth отключился, и наоборот.
Вопрос об этом усилителе -
https://www.aliexpress.com/item/1005008021067527.html
Вопрос об этом усилителе -
https://www.aliexpress.com/item/1005008021067527.html
-
uriy
- Магистр электроники
- Сообщения: 1500
- Стаж: 2 года 8 месяцев
- Репутация: 454
- Откуда: Ukraine
- Аудио система: Цифраактив
Re: МА12070. Прекрасная фрау, с которой мало кто дружит
Внимательно рассмотрите как устроена аух мама, там есть два контакта которые размыкаются (или замыкаются) когда вставлен штекер, их нужно убрать из мамы и вывести провода с места припайки этих контактов на переключатель.kerman писал(а): 12 окт 2025, 23:38 Уважаемые, может кто научит, как разъединить aux и Bluetooth. Имею ввиду, чтобы вынести это дело на переключатель. Сейчас так: штекер воткнул - Bluetooth отключился, и наоборот.
Вопрос об этом усилителе -
https://www.aliexpress.com/item/1005008021067527.html
Re: МА12070. Прекрасная фрау, с которой мало кто дружит
Да, по умолчанию контакты 6-2 и 3-4 замкнуты, а при втыкании штекера размыкаются, что и отключает Bluetooth. Я было пробовал замыкать их пинцетом при воткнутом штекере, но ничего, Bluetooth это не включило. Может обе пары надо замыкать?
Вы говорите 'контакты надо убрать из мамы' - это имеется ввиду буквально те контакты удалить? Боюсь, что тогда AUX может не работать.
Благодарю! Буду еще пробовать.
Разъем PJ-327A во вложении
Вы говорите 'контакты надо убрать из мамы' - это имеется ввиду буквально те контакты удалить? Боюсь, что тогда AUX может не работать.
Благодарю! Буду еще пробовать.
Разъем PJ-327A во вложении
- Вложения
-
- PJ-327A сxема.jpg (75.83 КБ) 1347 просмотров
-
uriy
- Магистр электроники
- Сообщения: 1500
- Стаж: 2 года 8 месяцев
- Репутация: 454
- Откуда: Ukraine
- Аудио система: Цифраактив
Re: МА12070. Прекрасная фрау, с которой мало кто дружит
У вас есть чем измерить напряжение?
Какое напряжение на выводах 6-4 когда работает блютуз? Потом вставите штекер и скажите какое напряжение между выводами 3-6 и 3-4.
Предположительно да, придётся вынуть контакты 4 и 6 из мамы или убрать их контакт с печатной платой, и на эти места на плате припаять пару проводов, но для начала нужно точно понять как формируют сигнал управления для блютуз модуля.kerman писал(а): 13 окт 2025, 00:26 Вы говорите 'контакты надо убрать из мамы' - это имеется ввиду буквально те контакты удалить?
Re: МА12070. Прекрасная фрау, с которой мало кто дружит
Да, есть тестер, завтра постараюсь все замерить и ничего не испортить )uriy писал(а): 13 окт 2025, 01:09 У вас есть чем измерить напряжение?
Какое напряжение на выводах 6-4 когда работает блютуз? Потом вставите штекер и скажите какое напряжение между выводами 3-6 и 3-4.
Спасибо
Re: МА12070. Прекрасная фрау, с которой мало кто дружит
Извиняюсь за безтолковость, кажется не ту схему разъема дал. Вот на этой иная нумерация контактов.
Разъем PJ-327A во вложении
Завтра еще прям с платы сделаю его фото
- Вложения
-
- PJ-327A.jpg (10.5 КБ) 1328 просмотров
-
- PJ-327A .jpg (71.76 КБ) 1328 просмотров
-
uriy
- Магистр электроники
- Сообщения: 1500
- Стаж: 2 года 8 месяцев
- Репутация: 454
- Откуда: Ukraine
- Аудио система: Цифраактив
Re: МА12070. Прекрасная фрау, с которой мало кто дружит
Ну если смотреть на эту распиновку, то нужно измерить напряжение между 1-5 и 1-4 при вставленном разъёме при вынутом разъёме.
Re: МА12070. Прекрасная фрау, с которой мало кто дружит
Уважаемый, поскольку я незнаю верной нумерации контактов, то замерял напряжение на всех контактах относительно общего (- питания).uriy писал(а): 13 окт 2025, 14:23 Ну если смотреть на эту распиновку, то нужно измерить напряжение между 1-5 и 1-4 при вставленном разъёме при вынутом разъёме.
Красным указана напруга в режиме AUX, а Синим в режиме Bluetooth.
Еще, может будет полезным, при активации режима AUX китаянка говорит примерно такое: инки шужу. А при активации Bluetooth говорит: ла йа во ши.
Кстати, спросил искуст. интелекта о разъединении переключения и кроме прочего он говорит об управляющей микросхеме. И думаю, что поскольку есть китаянка, то есть и та микросхема.
Ответ ИИ привожу ниже, может что полезно будет -
Разъединить автоматическое переключение между **AUX** и **Bluetooth** на усилителе можно несколькими способами, в зависимости от его схемы управления.
### **Варианты решения:**
#### **1. Переключение вручную через кнопку (если есть режим выбора)**
На некоторых усилителях есть кнопка **"BT/AUX"**, которая позволяет вручную выбирать источник. Если у вас такая кнопка, то автоматическое переключение при вставке штекера можно отключить, замкнув контакт **AUX detect** (но это требует разборки).
#### **2. Физическое отключение функции AUX detect**
Большинство дешевых усилителей определяют подключение AUX по замыканию контактов штекера 3.5 мм (обычно **левый канал + земля**). Можно:
- **Разрезать дорожку** на плате, отвечающую за переключение (найти транзистор или микросхему, управляющую сменой режима).
- **Добавить тумблер** в разрыв цепи обнаружения AUX.
#### **3. Использование принудительного Bluetooth-режима**
Если в схеме стоит микросхема типа **KT0803, BK8000L** или аналоги, можно попробовать подать на неё постоянное питание через **отдельную кнопку**, игнорируя сигнал AUX detect.
---
### **Практическая реализация (для тех, кто разбирается в схемотехнике):**
1. **Разберите усилитель**, найдите место пайки разъема AUX.
2. **Подключите мультиметр**, проверьте, какие контакты замыкаются при вставке штекера (обычно это **контакт "левый канал" + земля**).
3. **Установите переключатель** между этим контактом и землей – теперь можно принудительно включать/выключать режим AUX.
Если нет опыта в пайке – лучше обратиться к специалисту или подобрать усилитель с ручным выбором источника.
---
### **Вывод**
Автоматическое переключение AUX/BT можно отключить, вмешавшись в схему обнаружения штекера. Самый простой способ – **разорвать контакт "AUX detect"** и поставить тумблер. Если нужно что-то менее инвазивное – поищите усилитель с явным **переключателем режимов**.
Может, у вас именно такой? Если да – попробуйте зажать кнопку **MODE** или **BT/AUX** на 5 сек (бывает скрытая функция блокировки автопереключения)
- Вложения
-
- PJ-327A.jpg (20.46 КБ) 1278 просмотров
Re: МА12070. Прекрасная фрау, с которой мало кто дружит
Вот сфотал разъем на плате.
Если после рассмотрения моей писанины подтвердите, что еще надо замерить, тогда уже сделаю, только, пожалуйста, на этой чистой картинке разъема нарисуйте нумерацию
Если после рассмотрения моей писанины подтвердите, что еще надо замерить, тогда уже сделаю, только, пожалуйста, на этой чистой картинке разъема нарисуйте нумерацию
-
uriy
- Магистр электроники
- Сообщения: 1500
- Стаж: 2 года 8 месяцев
- Репутация: 454
- Откуда: Ukraine
- Аудио система: Цифраактив
Re: МА12070. Прекрасная фрау, с которой мало кто дружит
Результаты измерения напряжения не однозначны.
Нужно разобраться как работает разъём. Произведите измерение сопротивления между контактами разъёма согласно столбика который я нарисовал. Нужно сделать измерения со штекером и без штекера в разъёме при выключенном напряжении питания усилителя.
Так же прозвоните каждый вывод разъёма по отношению к земляному проводнику разъёма питания (относительно минуса) и укажите какие контакты звонятся с землёй на плате со штекером и без штекера в разъёме.
Нужно разобраться как работает разъём. Произведите измерение сопротивления между контактами разъёма согласно столбика который я нарисовал. Нужно сделать измерения со штекером и без штекера в разъёме при выключенном напряжении питания усилителя.
Так же прозвоните каждый вывод разъёма по отношению к земляному проводнику разъёма питания (относительно минуса) и укажите какие контакты звонятся с землёй на плате со штекером и без штекера в разъёме.
Re: МА12070. Прекрасная фрау, с которой мало кто дружит
Контакт 1 без штекера не звонится с другими контактами, а только с землей 0.7 Ом.
А со штекером 1-й звонится с 2 и с землей 0.7 Ом.
Контакт 2 без штекера с другими контактами не звонится, а только с землей, но кратковременно, мигнет сопротивление от 5 до 80 Ом и сразу ноль.
А со штекером 2-й звонится только с землей 0.7 Ом
Контакт 3 ни с чем не звонится (без штекера и со штекером)
Контакт 4 без штекера звонится с контактом 5 на 0.7 Ом.
А со штекером 4 и 5 не звонятся, так же и с землей
А со штекером 1-й звонится с 2 и с землей 0.7 Ом.
Контакт 2 без штекера с другими контактами не звонится, а только с землей, но кратковременно, мигнет сопротивление от 5 до 80 Ом и сразу ноль.
А со штекером 2-й звонится только с землей 0.7 Ом
Контакт 3 ни с чем не звонится (без штекера и со штекером)
Контакт 4 без штекера звонится с контактом 5 на 0.7 Ом.
А со штекером 4 и 5 не звонятся, так же и с землей
-
uriy
- Магистр электроники
- Сообщения: 1500
- Стаж: 2 года 8 месяцев
- Репутация: 454
- Откуда: Ukraine
- Аудио система: Цифраактив
Re: МА12070. Прекрасная фрау, с которой мало кто дружит
Ок.
Получается там схема как то так выглядит. Второй контакт разъёма разряжает конденсатор на землю когда вставляется штекер в разъём и тем самым сигнал разрешения работы блютуза подтягивается к земле и блютуз модуль перестаёт работать.
Но я не знаю как в том усилителе реализовано "объединение" сигналов с аукса и с блтуза, участвует в этом контакт 5 или не участвует, я не знаю.
Если в этом усилителе выход блютуз и вход аукс просто соединены как на моей схеме, то активация блютуза со штекером в разъёме может привести к перегрузки выхода блютуз т.к. на одном проводе будет два сигнала которые другу другу будут мешать, и в итоге можно спалить или блютуз выход или аукс выход.... По этому я думаю скорее всего простой манипуляцией с выводами разъёма решить вашу задачу не получится.
Получается там схема как то так выглядит. Второй контакт разъёма разряжает конденсатор на землю когда вставляется штекер в разъём и тем самым сигнал разрешения работы блютуза подтягивается к земле и блютуз модуль перестаёт работать.
Но я не знаю как в том усилителе реализовано "объединение" сигналов с аукса и с блтуза, участвует в этом контакт 5 или не участвует, я не знаю.
Если в этом усилителе выход блютуз и вход аукс просто соединены как на моей схеме, то активация блютуза со штекером в разъёме может привести к перегрузки выхода блютуз т.к. на одном проводе будет два сигнала которые другу другу будут мешать, и в итоге можно спалить или блютуз выход или аукс выход.... По этому я думаю скорее всего простой манипуляцией с выводами разъёма решить вашу задачу не получится.