Темы в форуме

      Youtube        TikTok       Инстаграм     ☝ Спонсировать           Правила форума   




Усилитель JLH 1969

koss707
Почетный пользователь
Сообщения: 70
Стаж: 4 года 4 месяца
Репутация: 18
Откуда: Щучинск
Аудио система: ad1853

Re: Усилитель JLH 1969

Сообщение koss707 »

но вот не могу понять, как связаны напряжение питания, ток покоя и выходная мощность? Больше напряжения больше мощность.Для 8-ми ом 12 вольт мало. С такими вопросами удивляюсь что он вообще работает.
Аватара пользователя
Justas*
Гуру электроники☆☆☆☆
Сообщения: 2318
Стаж: 4 года 2 месяца
Репутация: 1260
Откуда: Украина
Аудио система: viewtopic.php?p=17721#p17721

Re: Усилитель JLH 1969

Сообщение Justas* »

Любой усилитель можно охарактеризовать максимальной выходной мощностью.
Это долговременная мощность, выделяющаяся на нагрузке усилителя при максимально – возможной амплитуде синусоидального сигнала на его выходе. При измерении этой мощности искажения не важны – главное, чтобы форма сигнала была похожа на синусоиду. То есть при этой мощности нелинейные искажения 10% — это нормально.
Так как удвоенная амплитуда (размах) сигнала на выходе усилителя не может превысить его напряжения питания и, скорее всего меньше его на dU = 2 – 5 В, то максимальная мощность, в любом случае, не может быть больше некоего значения, определяемого по формуле:
Pmax = (Eпит – dU)2 / (8 x Rн).
То есть при питании усилителя мощности от источника напряжением 20 В и нагрузке 4 Ом максимальная выходная мощность, в любом случае, не превысит 20 x 20 / (8 х 4 ) = 12,5 Вт. На самом деле, из-за dU максимальная выходная мощность будет, скорее всего, около 8 — 10 Вт.
Редко, но бывает, когда максимальная выходная мощность указывается при прямоугольном выходном сигнала – тогда это та долговременная мощность, больше которой из усилителя не выжать. Но к качеству звучания усилителя этот параметр уже никакого отношения не имеет.
Ток покоя усилительного элемента в режиме А должен, как минимум, превышать пиковый ток, отдаваемый каскадом в нагрузку.
ток.png
С 12В на 8Ом, получите около Ватта. Зато радиаторы не будут сильно греться :lol:
Essence
Почетный пользователь
Сообщения: 60
Стаж: 2 года 10 месяцев
Репутация: 13
Откуда: оттуда
Аудио система: кого ебет

Re: Усилитель JLH 1969

Сообщение Essence »

Justas, можно поинтересоваться? Насколько мне память не изменяет вы сначала применили транзисторы MJ15003G а в последующем 2SC5200, причина? Удобство с корпусом исполнения транзистора или что то другое?
Аватара пользователя
Justas*
Гуру электроники☆☆☆☆
Сообщения: 2318
Стаж: 4 года 2 месяца
Репутация: 1260
Откуда: Украина
Аудио система: viewtopic.php?p=17721#p17721

Re: Усилитель JLH 1969

Сообщение Justas* »

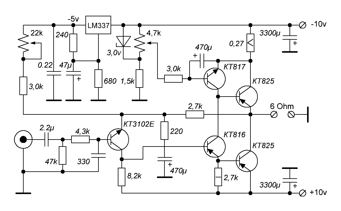
MJ15003G у меня не было. Из корпусов ТО3 применял КТ825, в давних экспериментах.
конструктив.jpg
Схема тоже не чистый оригинал
схема.GIF
Потом попробовал 2SA1943 и прочий импорт.
Окончательный вариант, схема 2003г. на 2SC5200-O
viewtopic.php?p=23534#p23534
Essence
Почетный пользователь
Сообщения: 60
Стаж: 2 года 10 месяцев
Репутация: 13
Откуда: оттуда
Аудио система: кого ебет

Re: Усилитель JLH 1969

Сообщение Essence »

Спасибо за ответ, значить попутал с кем то.
aauuss
Сообщения: 2
Стаж: 2 года 6 месяцев
Репутация: 0
Откуда: Россия
Аудио система: Все что звучит

Re: Усилитель JLH 1969

Сообщение aauuss »

Похоже, понял) чтобы увеличить мощность, надо увеличить коэффициент усиления, а если амплитуды выхода не хватает, то надо добавлять напряжение питания. Во как)
Аватара пользователя
Justas*
Гуру электроники☆☆☆☆
Сообщения: 2318
Стаж: 4 года 2 месяца
Репутация: 1260
Откуда: Украина
Аудио система: viewtopic.php?p=17721#p17721

Re: Усилитель JLH 1969

Сообщение Justas* »

Наоборот
Аватара пользователя
m-shara
Почетный спонсор
Сообщения: 1166
Стаж: 2 года 11 месяцев
Репутация: 203
Откуда: Латвия
Аудио система: JVC TD-V662, Kenwood KX-880HX,
PP 6Н8С+EL34 20W
Акустика: Sony SS-G1 MK2
SONY WH-1000XM4,AKG K514, ATH-AVC500,
Звуковая: Focusrite 2i4

Re: Усилитель JLH 1969

Сообщение m-shara »

Ну вот, не прошло и пол года, как Худ сделан. Для аппаратуры взял вот такой телевизионный столик. Колонки е-ссно будут установлены по бокам на подставках. Но и сейчас уже видно что "сварочный аппарат" не вписывается в дизайн. Если бы верхняя поверхность была стеклянной то может быть и сошло бы. А пока надо спокойно послушать то что сделано. Колонки на малой громкости звучат очень достойно.
Мощности Худа хватает на 300%, учитывая что соседей с полицией я не собираюсь озвучивать. :lol:
IMG_20230525_2111276.jpg
Аватара пользователя
PJK
Друзья v-mire.net
Сообщения: 784
Стаж: 4 года 8 месяцев
Репутация: 317
Откуда: Earth
Аудио система: Патефон

Re: Усилитель JLH 1969

Сообщение PJK »

m-shara писал(а): 25 май 2023, 21:21 Колонки е-ссно будут установлены по бокам на подставках.
Если правая колонка останется в углу как на картинке, а левая напротив окна, то у правой низы (50-90 Гц) будут приподняты, а у левой завалены.
Да и вообще будет ощущение, что правая колонка играет громче.
Попробуйте рассмотреть их расстановку по другому.
Аватара пользователя
Justas*
Гуру электроники☆☆☆☆
Сообщения: 2318
Стаж: 4 года 2 месяца
Репутация: 1260
Откуда: Украина
Аудио система: viewtopic.php?p=17721#p17721

Re: Усилитель JLH 1969

Сообщение Justas* »

PJK писал(а): 25 май 2023, 23:22 Да и вообще будет ощущение, что правая колонка играет громче.
Ниже 100Гц, направление на источник не определяется.
Может проявится другое. Из за разности фаз в месте прослушивания, в районе 50-90 Гц возникнет провал.
Зависит от геометрии комнаты и места прослушивания.
Симметричное (относительно боковых стен) расположение АС, всегда лучше.
Но к сожалению, не всегда выполнимо.
Аватара пользователя
m-shara
Почетный спонсор
Сообщения: 1166
Стаж: 2 года 11 месяцев
Репутация: 203
Откуда: Латвия
Аудио система: JVC TD-V662, Kenwood KX-880HX,
PP 6Н8С+EL34 20W
Акустика: Sony SS-G1 MK2
SONY WH-1000XM4,AKG K514, ATH-AVC500,
Звуковая: Focusrite 2i4

Re: Усилитель JLH 1969

Сообщение m-shara »

Есть возможность отодвигать левую колонку, и кстати пропадает кратковременное бубнение на определенной частоте. Ну и как бы сказал Алекс, установка колонок на "дорогущие подставки с аудиофильской древесины" тоже дает свой эффект.
IMG_20230527_1332092.jpg
Аватара пользователя
Justas*
Гуру электроники☆☆☆☆
Сообщения: 2318
Стаж: 4 года 2 месяца
Репутация: 1260
Откуда: Украина
Аудио система: viewtopic.php?p=17721#p17721

Re: Усилитель JLH 1969

Сообщение Justas* »

m-shara писал(а): 27 май 2023, 15:58 установка колонок на "дорогущие подставки с аудиофильской древесины" тоже дает свой эффект.
Согласен. На табуретке звук жанровый, брутальный. Блатняк под водочку с огурчиком. :D
Есть возможность отодвигать левую колонку, и кстати пропадает кратковременное бубнение на определенной частоте
Вот это и есть разность фаз, возможно на частоте стояка. Высота тоже здорово влияет.
Всё это, намного заметней влияния сетевых шнурков :D
Аватара пользователя
m-shara
Почетный спонсор
Сообщения: 1166
Стаж: 2 года 11 месяцев
Репутация: 203
Откуда: Латвия
Аудио система: JVC TD-V662, Kenwood KX-880HX,
PP 6Н8С+EL34 20W
Акустика: Sony SS-G1 MK2
SONY WH-1000XM4,AKG K514, ATH-AVC500,
Звуковая: Focusrite 2i4

Re: Усилитель JLH 1969

Сообщение m-shara »

Сделал калькуляцию на самодельный корпус, готовый с Али а также с корпусом с Али.
Снимок экрана 2023-05-29 в 15.17.04.png
Снимок экрана 2023-05-29 в 15.17.04.png (43.33 КБ) 2802 просмотра
Плюс несколько месяцев ... Я скорее всего возьму готовый корпус и все переброшу. К примеру такой.
Снимок экрана 2023-05-29 в 15.24.08.png
Аватара пользователя
Adam
Постоянный житель
Сообщения: 366
Стаж: 3 года 4 месяца
Репутация: 124
Откуда: Київ
Аудио система: Rega Planet 2000, ЦАП Shiit Modi 3, Lenco 75, Электроника-017, SE 300В, SE EL84(pent), Triangle Mizis 108

Re: Усилитель JLH 1969

Сообщение Adam »

Аватара пользователя
Dr.Somebody
Постоянный житель
Сообщения: 206
Стаж: 3 года 10 месяцев
Репутация: 83
Откуда: Ukraine, Kyiv
Аудио система: Неважливо

Re: Усилитель JLH 1969

Сообщение Dr.Somebody »

m-shara писал(а): 29 май 2023, 15:20 Сделал калькуляцию на самодельный корпус, готовый с Али а также с корпусом с Али. Снимок экрана 2023-05-29 в 15.17.04.png
Плюс несколько месяцев ... Я скорее всего возьму готовый корпус и все переброшу. К примеру такой.
Снимок экрана 2023-05-29 в 15.24.08.png
А я предупреждал :lol:
Но вам хотелось потрахаться :mrgreen:
Аватара пользователя
m-shara
Почетный спонсор
Сообщения: 1166
Стаж: 2 года 11 месяцев
Репутация: 203
Откуда: Латвия
Аудио система: JVC TD-V662, Kenwood KX-880HX,
PP 6Н8С+EL34 20W
Акустика: Sony SS-G1 MK2
SONY WH-1000XM4,AKG K514, ATH-AVC500,
Звуковая: Focusrite 2i4

Re: Усилитель JLH 1969

Сообщение m-shara »

Мне показалось это дело простым и дешевым. Но и эта сумма по сути пустяковая, если разделить на 5 месяцев, в которые я заказывал, дозаказывал и еще доза-дозаказывал всякие финдиклюшки с Али. Плюс к этому у меня не было нормальной акустики. Поэтому этот проект был просто любопытство. А когда все компоненты сложились вместе, получился колхоз, хотя и хорошо звучащий. (А может по примеру Макарова приколхозить сбоку старый большой трансформатор, для веса, что бы для электронов небыло вибраций. Старый, чтобы отвлекал внимание на себя, и моя конструкция казалась блестящей и дорогой. Еще важно дать правильное название, чтобы в нем присутствовали слова "Марк", "Маршал" и т.п. :lol: )
Аватара пользователя
m-shara
Почетный спонсор
Сообщения: 1166
Стаж: 2 года 11 месяцев
Репутация: 203
Откуда: Латвия
Аудио система: JVC TD-V662, Kenwood KX-880HX,
PP 6Н8С+EL34 20W
Акустика: Sony SS-G1 MK2
SONY WH-1000XM4,AKG K514, ATH-AVC500,
Звуковая: Focusrite 2i4

Re: Усилитель JLH 1969

Сообщение m-shara »

Кто нибудь пробовал увеличивать коэффициент усиления резисторами ОС? Или все таки нужен предусилитель? (Для некоторыъх источников)
Аватара пользователя
m-shara
Почетный спонсор
Сообщения: 1166
Стаж: 2 года 11 месяцев
Репутация: 203
Откуда: Латвия
Аудио система: JVC TD-V662, Kenwood KX-880HX,
PP 6Н8С+EL34 20W
Акустика: Sony SS-G1 MK2
SONY WH-1000XM4,AKG K514, ATH-AVC500,
Звуковая: Focusrite 2i4

Re: Усилитель JLH 1969

Сообщение m-shara »

Dr.Somebody писал(а): 29 май 2023, 23:03
m-shara писал(а): 29 май 2023, 15:20 Сделал калькуляцию на самодельный корпус, готовый с Али а также с корпусом с Али. Снимок экрана 2023-05-29 в 15.17.04.png
Плюс несколько месяцев ... Я скорее всего возьму готовый корпус и все переброшу. К примеру такой.
Снимок экрана 2023-05-29 в 15.24.08.png
А я предупреждал :lol:
Но вам хотелось потрахаться :mrgreen:
Я забыл еще 30 евро добавить за отдельно купленные транзисторы. Так что этот "Tower Mark I JLH 1969 kolhoz" тянет на 200 Евро +. :D
Аватара пользователя
Dr.Somebody
Постоянный житель
Сообщения: 206
Стаж: 3 года 10 месяцев
Репутация: 83
Откуда: Ukraine, Kyiv
Аудио система: Неважливо

Re: Усилитель JLH 1969

Сообщение Dr.Somebody »

m-shara писал(а): 02 июн 2023, 10:53 ..."Tower Mark I JLH 1969 kolhoz" тянет на 200 Евро +. :D
Попробуйте его потом продать хотя бы за 150 евро, это нереально.
Аватара пользователя
m-shara
Почетный спонсор
Сообщения: 1166
Стаж: 2 года 11 месяцев
Репутация: 203
Откуда: Латвия
Аудио система: JVC TD-V662, Kenwood KX-880HX,
PP 6Н8С+EL34 20W
Акустика: Sony SS-G1 MK2
SONY WH-1000XM4,AKG K514, ATH-AVC500,
Звуковая: Focusrite 2i4

Re: Усилитель JLH 1969

Сообщение m-shara »

Dr.Somebody писал(а): 03 июн 2023, 17:31
m-shara писал(а): 02 июн 2023, 10:53 ..."Tower Mark I JLH 1969 kolhoz" тянет на 200 Евро +. :D
Попробуйте его потом продать хотя бы за 150 евро, это нереально.
Для продажи его надо было делать по другому. Но это специфичный продукт и обыватели не поймут зачем столько платить за такую мощность. В конце концов цены на Али - это потолок.
Ramirez10
Почетный пользователь
Сообщения: 139
Стаж: 3 года 8 месяцев
Репутация: 61
Откуда: миргород
Аудио система: jlh 1969
jlh2003
pp 6н13с spring
IQ mini lady s110

Re: Усилитель JLH 1969

Сообщение Ramirez10 »

ну й ціни на корпуси! а не простіше запхати потрохи в корпус якогось совєцкого підсилювача з зовнішніми радіаторами? ну і, звісно, облагородити його.
Ramirez10
Почетный пользователь
Сообщения: 139
Стаж: 3 года 8 месяцев
Репутация: 61
Откуда: миргород
Аудио система: jlh 1969
jlh2003
pp 6н13с spring
IQ mini lady s110

Re: Усилитель JLH 1969

Сообщение Ramirez10 »

а ще не розумію чому він в багатьох гуде? транс з двома обмотками, випрямлячі- достатньо звичайного моста, ємність 10-15тис мкф і активний фільтр на транзисторі. впаде 2-2.5 в. гріється не дуже. зате результат- повна відсутність фону. при чому схему фільтра беру не ту що гуляє в інтернеті, а зідрав з купованих чорних плат Aiyima, з AliExpress.
в фільтри ставив навіть наші кт 805 результат хороший, щоправда якось грає наче не так. може здалося.
Аватара пользователя
Dr.Somebody
Постоянный житель
Сообщения: 206
Стаж: 3 года 10 месяцев
Репутация: 83
Откуда: Ukraine, Kyiv
Аудио система: Неважливо

Re: Усилитель JLH 1969

Сообщение Dr.Somebody »

Ramirez10 писал(а): 04 июн 2023, 20:50 ... а зідрав з купованих чорних плат Aiyima, з AliExpress.
Так покажіть нам схему, що ви там зідрали :ugeek:
Аватара пользователя
m-shara
Почетный спонсор
Сообщения: 1166
Стаж: 2 года 11 месяцев
Репутация: 203
Откуда: Латвия
Аудио система: JVC TD-V662, Kenwood KX-880HX,
PP 6Н8С+EL34 20W
Акустика: Sony SS-G1 MK2
SONY WH-1000XM4,AKG K514, ATH-AVC500,
Звуковая: Focusrite 2i4

Re: Усилитель JLH 1969

Сообщение m-shara »

Алекс показывал в видео как от тока покоя зависит коэф. гармоник. Но ведь даже второй канал отличается по деталям. Поэтому возник вопрос: а нужно ли чтобы токи были одинаковы? Или это не существенно и лучше подгонять по гармоникам?
koss707
Почетный пользователь
Сообщения: 70
Стаж: 4 года 4 месяца
Репутация: 18
Откуда: Щучинск
Аудио система: ad1853

Re: Усилитель JLH 1969

Сообщение koss707 »

ТП влияет не только на кни но и на тепловыделение , вых мощность и вам решать нужен ли разный нагрев по каналам. Если вы слышати разницу по кни между каналами ,то стоит заморочиться по подбору hfe выходников.
koss707
Почетный пользователь
Сообщения: 70
Стаж: 4 года 4 месяца
Репутация: 18
Откуда: Щучинск
Аудио система: ad1853

Re: Усилитель JLH 1969

Сообщение koss707 »

В принципе на кни влияет абсолютно все и нужно стремится минимального разброса деталей между каналами.
Аватара пользователя
m-shara
Почетный спонсор
Сообщения: 1166
Стаж: 2 года 11 месяцев
Репутация: 203
Откуда: Латвия
Аудио система: JVC TD-V662, Kenwood KX-880HX,
PP 6Н8С+EL34 20W
Акустика: Sony SS-G1 MK2
SONY WH-1000XM4,AKG K514, ATH-AVC500,
Звуковая: Focusrite 2i4

Re: Усилитель JLH 1969

Сообщение m-shara »

koss707 писал(а): 09 июн 2023, 11:54 ТП влияет не только на кни но и на тепловыделение , вых мощность и вам решать нужен ли разный нагрев по каналам. Если вы слышати разницу по кни между каналами ,то стоит заморочиться по подбору hfe выходников.
А как участники форума подходят к решению этого вопроса? Подгоняют по мин. К.Г. или для "красоты" выставляют какой то средний но одинаковый ТП? Мне кажется что важнее К.Г.
Аватара пользователя
Dr.Somebody
Постоянный житель
Сообщения: 206
Стаж: 3 года 10 месяцев
Репутация: 83
Откуда: Ukraine, Kyiv
Аудио система: Неважливо

Re: Усилитель JLH 1969

Сообщение Dr.Somebody »

m-shara писал(а): 10 июн 2023, 09:15 А как участники форума подходят к решению этого вопроса? Подгоняют по мин. К.Г. или для "красоты" выставляют какой то средний но одинаковый ТП? Мне кажется что важнее К.Г.
Я тщательно подбирал транзисторы и резисторы. Ток покоя тоже одинаковый, КНИ не измерял, пока нет технической возможности.
Ramirez10
Почетный пользователь
Сообщения: 139
Стаж: 3 года 8 месяцев
Репутация: 61
Откуда: миргород
Аудио система: jlh 1969
jlh2003
pp 6н13с spring
IQ mini lady s110

Re: Усилитель JLH 1969

Сообщение Ramirez10 »

Так покажіть нам схему, що ви там зідрали

Ось. Будь ласка.
Вложения
20230611_151440.jpg
Ramirez10
Почетный пользователь
Сообщения: 139
Стаж: 3 года 8 месяцев
Репутация: 61
Откуда: миргород
Аудио система: jlh 1969
jlh2003
pp 6н13с spring
IQ mini lady s110

Re: Усилитель JLH 1969

Сообщение Ramirez10 »

Скільки цих Худів я зібрав, завжди транзистори беру парами, а вихідні підбираю з максимально близькими значеннями. Резистори беру з однієї партії хороших виробників. Зазвичай це hitano, uniohm, cinetech. Не прецизійні, 5%. Конденсатори обираю однакового виробника для кожного номіналу. На вихід і в зворотній зв'язок- якісь дуже хороші. Ідеально якби це були Roe чи Elna silmic II.
Хороший варіант nichicon kz, fg, fw.
Ответить

Вернуться в «Аудио усилители»