Тоже являюсь счастливым обладателем АС этого производителя.

Только у меня поменьше, FB-11 (используются с компьютером). И тоже гудели.
Но как оказалось, не трансформатор, а динамики. Гудели не сильно, но ночью в тишине, это напрягает, при том что комп безвентиляторный. При установке регулятора громкости в 0, фон не пропадал.
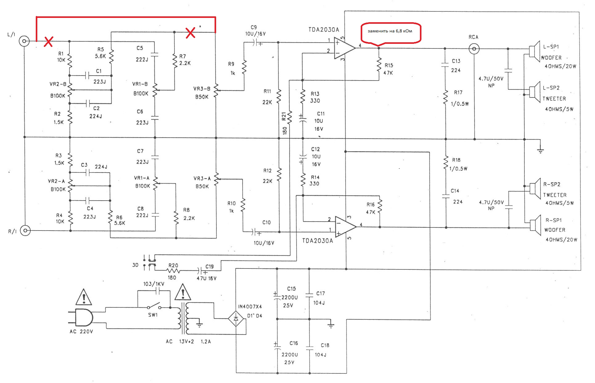
Решил разобраться. Сразу грешил на конденсаторы фильтра, 2*3300мкФ. Посмотрел пульсации – 100мВ. Для TDA2030 с PSRR 50дБ это нормально. Для уверенности подпаял 2*6800мкФ низкоимпеденсных кондёра. Фон не уменьшился. Отпаял от схемы темброблока и подключил к земле входы TDAшек. Эффекта 0! Абидно, да! Я же когда то на этих микрухах усилки делал и проблем не было.
Возился долго, но в конце концов поборол эти чудо китайского аудиопрома.
Изолировал от радиатора корпуса TDA (на них минус питания), радиатор заземлил. Обрезал земляную дорожку идущую на темброблок, и соединил его в точке подключения кондёров питания и земли радиатора. Традиционная «звезда». Всё, фон пропал. А потом подумал, а зачем мне дополнительный источник шума, то бишь темброблок. Всё равно регуляторы всегда стоят посредине. В общем, подключил регулятор громкости непосредственно ко входам TDA, уменьшив при этом резистры ООС R15, R16.
И микрухам хорошо (увеличил ООС) и SNR вырос.
Так и эксплуатирую. Звук этих АС на удивление ровный и без явного бубнежа (о качестве и чувствительности, промолчу). Кстати, это подтвердилось и измерением.

- BF-11_АЧХ.PNG (222.25 КБ) 6432 просмотра
Измерял на 1м, там где уши.

На штатном месте (в углу) низов прибавляется.
Вот бывает и у китайцев везуха. Попался мид без явного выброса на середине, и пищалка 1-м порядком удачно срослась. Кстати, тоже стоит электролит неполярный, с большой палец толщиной, на 100в. Я его не менял.
А вот с ФИ у них облом вышел. Судя по ИЧХ, он настроен на 80Гц, при резонансе динамика в ящике – 130Гц. Поэтому проку от него мало. Но оно и к лучшему, для таких ГД, ФИ противопоказан.
BF-31 доработать можно. Но без лишних финансовых трат и фанатизма, т.к тут уже писали, что овчинка не стоит выделки.
1. Трансформатор
а. Поставить его на толстый поролон, не крепя к корпусу.
в. Взять консервную банку по размеру и залить эпоксидкой.
с. Можно заказать тор ватт на 60. Но цена 400-500грн.
2. Корпус
а. Убрать ФИ и закрыть дыру.
в. Укрепить стенки дополнительными распорками.
с. Обклеить внутренние стенки автомобильной виброизоляцией
https://images.ua.prom.st/1028275399_w6 ... 275399.jpg
d. Внутренне пространство полностью заполнить синтепоном. Это не только погасит внутренние стоячие волны, но и добавит виртуального объёма Т.к. у китайских динамиков добротность 1 и более, им даже в получившемся ЗЯ будет тесно.
3. Навряд ли замена конденсатора в фильтре пищалки что то даст, но поставить недорогой плёночник можно, это не разорительно. Что нибудь типа К73-17(CL21), К73-16 и др.
http://audioakustika.ru/files/PLK432.gif
4. Т.к. в ЗЯ низов поубавится, купить на вторичке активный сабвуфер.
5. Усилитель, если не гудит и не шуршит при повороте ручки громкости, можно не трогать. Тем более если:
Вот только конкретно в схемах я полный ноль и с паяльником на уважительное "Вы"
Пищалки припаяны неправильно - перепутаны полюса. При чем это проблема для всей серии. Для чего это сделано - непонятно, но все, кто вскрывает колонки - перепаивают пищалки.
Динамики довольно часто включаются противофазно, всё зависит от АФЧХ динамиков, порядка фильтров, и получившейся после этого ФЧХ на частоте раздела. Также, что немаловажно, от расстояния. Перепутано ли тут, сказать сложно, нужен замер микрофоном с места прослушивания.
В интернете есть их АЧХ, снятая с расстояния 0,5м

- sven_BF_31_АЧХ.jpg (151.86 КБ) 6432 просмотра
Узнать, что будет с АЧХ на расстоянии 1-1,5-3м, можно только микрофоном, или с помощью симулятора. Но в него нужно внести измеренные АФЧХ и ИЧХ динамиков и указать номиналы деталей фильтра.
Поэтому предлагаю поступить по-простому и определять на слух (как больше нравится). Поставить временно, или постоянно на заднюю стенку тумблер,
https://static.chipdip.ru/lib/110/DOC004110745.jpg
и с его помощью переключать полярность пищалки.

- Переключатель фазы.GIF (4.06 КБ) 6432 просмотра
В характеристиках мощность заявлена, ка 25W на канал, но... Вскрыв коробочку мы сразу наблюдаем несостыковку, потому что в колонке стоят два широкополосника по 20W 8Om и одна пищалка 15W 8Om. Блок питания выдаёт 15v*2 3А. Я еще тот гуманитарий, но по идее блок питания явно не дает динамикам разойтись на полную, хотя чисто по звуку запаса мощности там от силы 20%.
Ох уж эти китайские ватты.
Два динамика по 8Ом соединены параллельно. Значит импеданс АС 4Ом и мощность 40W (мощность пищалки обычно во внимание не принимается).
Постоянка в БП (на холостом ходу) +/- 18(20)В.
TDA2030 (LM1875) с этими параметрами, выдаст ватт 20-25.
Два канала 40-50Вт. Трансформатор для такой мощности, действительно выглядит хило. Китайцы как обычно брешут, при 3А он задымит.
Брешут они и про мощность динамиков. Даже если бы усилитель был способен выдать 40Вт на канал, эти динамики долго не проживут. Будут биться катушкой о магнит и нещадно хрипеть. В итоге сгорят.
Мне от них требуется 1-2W, так что не переживаю.
Вообще, Свиновские колонки (не все) хороши в плане модернизации. Особенно если их использовать только как корпуса. Дёшево и довольно симпатично. Лет 10 назад, брал 4 полочника и центр для домкино. Вот что из этого вышло:
Доработка Swen-830B
http://audioportal.info/forum/viewtopic ... 2294888216
Гугл-диск
https://drive.google.com/drive/folders/ ... sp=sharing