В домашніх кінотеатрах ситуація складніша, DSP там і так є, ресиверів без рум коррекції вже мабуть не буває і кількість каналів тільки росте, тому швидкого переходу не очікується, але є виробники які роблять і активні системи саме для ДК, типу Grimani і Alcons, проблема тільки в ціні...
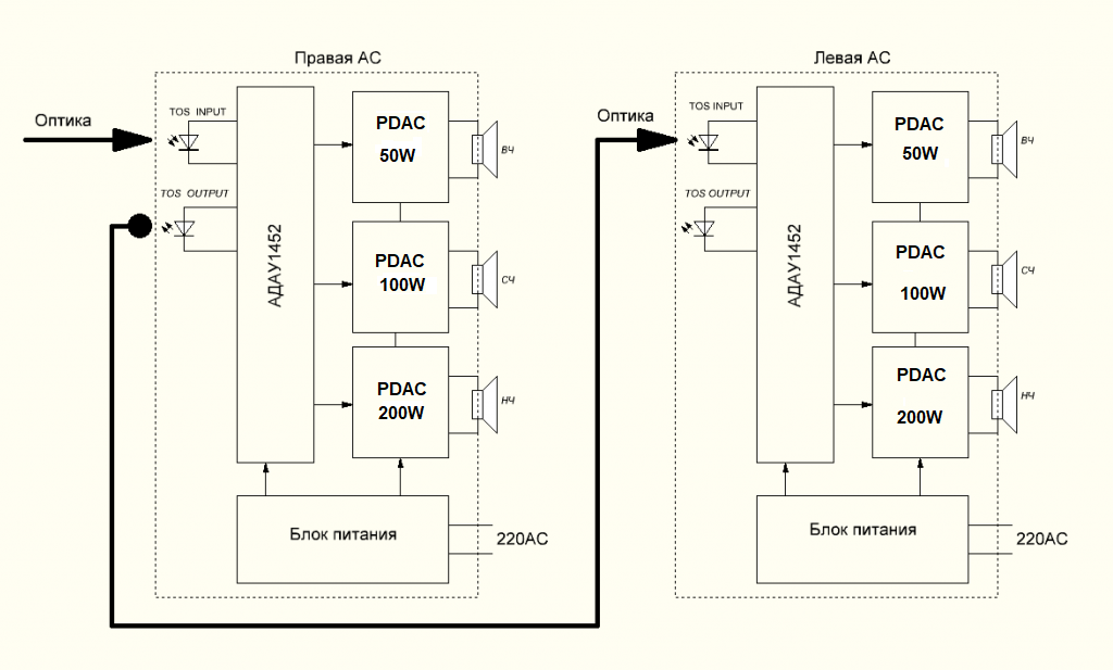
Треба розуміти, що в активних АС не обов'язково вбудований підсилювач, головне, це те що сама колонка, не має пасивного фільтра, або він максимально спрощений і служить лише для захисту динаміків від неправильної комутації чи перегрузки. Як приклад монітори JBL M2, це корпус з вдома динаміками до якого є список рекомендованого обладнання і пресет для DSP, в рамках цього користувач має право вибору як використовувати рекомендоване обладнання, так і вибрати своє.
З плюсів активних АС:
Простіше обрати.
Простіші у використанні.
Кращі об'єктивні параметри звука.
Є моделі із вбудованим цапом, стримінгом і DSP, не потребують додаткових пристроїв.
Є моделі із контролем діаграми направленості, простіша інтеграція в приміщення.
Мінуси:
Надійність.
Срок служби.
В заводських, меньше простору для хоббі.
Плюси пасивних АС:
Срок служби.
Ремонтопригодність.
Можливість обирати додаткові компоненти.
Більше виробників, ширше вибір.
Простіше обрати необхідний дизайн.
Мінуси:
Надійність.
Гірші параметри.
Складніше отримати гарний звук.
Надійність написав і там і там. В активних зрозуміло, значно більша складність виробу, більше може пойти не так як треба. Але активні АС можуть мати вбудовані лімітери і мати перевагу в цьому плані над пасивними, складніше пошкодити динаміки перегрузкою як тут

Пасивні АС зручніші для маленьких виробників. По активним важко надавати такуж якість сервісу, для великих навпаки, простіше обслуговувати дефектні пристрої через "Гарячу лінію" і сервісні центри і не відповідати на купу "розумних" запитань типу який кабель краще і який мені купити підсилювач, тому массові мультимедийні колонки активні. Продаються вони до речі контейнерними нормами, а не як Хаєнд поштучно.
З приводу якості звука. Хорошу активну систему простіше зробити ніж хорошу пасивну. Ширший вибір ДГ - не обов'язково шукати схожі за чутливістю, не обов'язково вибирати максимально лінійні, можливість використовувати "крутіші" фільтри знижує вимоги до полоси сумісної роботи динаміків і таке інше. За рахунок "бесплатної" еквілізації і нотч фільтрів кроссовер в умовно бюджетних моніторах може бути складніший ніж в Хайендовій чотириполосці.
Виробник також може запропонувати End-to-end рішення типа Genelec GLM. Система з моніторів, НЧ ланок і сабвуферів може бути відкалібрована рідним софтом і вся калібровка буде жити в самих колонках, без потреби в використанні окремих пристроїв чи софта. Найголовніше, що така система враховує особливості конкретних АС. Звичайно можна відкалібрувати схожим чином систему з пасивних компонентів, але це потребує неабияких зусиль і знань, і в кінці може стати дорожче, при гіршому результаті.
Якщо подивитись на результати замірів таких активних АС як Genelec 8351B, D&D 8C, Kii Three, GGNTKT M1 то стає зрозуміло, що в одному невеликому корпусі містять систему все в одному, з недоступними абсолютній більшості пасивних АС параметрами. Більше того, всі крім Genelec використовують фактично off the shelf динаміки від Seas, та SB Acoustics. На данний момент це передовий край прогресу в студийних моніторах і домашньому стерео, і напрямок куди іде індустрія.







 , поки що, я мабуть у меньшості...
, поки що, я мабуть у меньшості...

 Специально ограничивать потенциал товара - это не редкость в иностранной индустрии, такое мы видим и в процессорах, и в видеокартах, и в фотоаппаратах. Только мы с вами, великолепные инжинеры, у которых я постоянно учусь, можем дать украинскому многострадальному народу максимум, 3а ту сумму что они нам дадут. Потому что мы романтики и максималисты в данном вопросе. Думаем не только о себе.
  Специально ограничивать потенциал товара - это не редкость в иностранной индустрии, такое мы видим и в процессорах, и в видеокартах, и в фотоаппаратах. Только мы с вами, великолепные инжинеры, у которых я постоянно учусь, можем дать украинскому многострадальному народу максимум, 3а ту сумму что они нам дадут. Потому что мы романтики и максималисты в данном вопросе. Думаем не только о себе.