Темы в форуме
Новые сообщения
-
08-янв Ламповый усилитель против D класса.
-
07-янв Усилитель звука D класса Clone purifi Hb 3.064 ULTRA
-
06-янв Ламповий Однотакт (SE)
-
06-янв Усилитель D класса на базе плат 2_062 S_AUDIO от Alex
-
06-янв Усилитель Universum Dynamics System 2500
-
05-янв Wondon BRU5 TPA3255 Stereo 300W Bluetooth Amplifier
-
04-янв Усилитель Беслика А.И на Германиевых транзисторах v3.01
-
04-янв Ламповый усилитель на 6Н9С KT88
-
29-дек AIYIMA A80 - нестабільна робота оптичного входу Toslink
-
27-дек Усилитель класса D: FX-Audio - FX502S PRO
Новые темы
-
07-янв SMSL AO300 PRO — DAC + усилитель мощности + усилитель для наушников
-
05-янв Ламповий Однотакт (SE)
-
31-дек Ламповый усилитель против D класса.
-
17-дек Ваш самый дорогой усилителль мощности
-
05-дек SMSL PA-X
-
02-дек Черырехканальный усилитель D класса Douk Audio G7
-
23-ноя Усилитель для наушников на TPA6120 с Алиэкспресс
-
04-ноя Все про лампу гу 15
-
02-ноя Немного самодельных усилителей
-
30-окт Апгрейд усилителя для наушников Douk Audio U3
Kenwood KA 1080
-
CooCooJumbo
- Почетный пользователь
- Сообщения: 111
- Стаж: 9 месяцев
- Репутация: 4
- Откуда: Київ
- Аудио система: Audigy RX
Kenwood KA 1080
Canton Select S120
Kenwood KA 1080
Всім привіт,
Мені пропронують майже безкоштовно підсилювач Kenwood KA 1080 в робочому стані. Я його перевіряв особисто, на предмет працює чи ні. Він працює. Звук чистий, гулу немає, не гріється, регулятори справні, перемикачі працюють, обидва канали працюють, темброблок працює. Всі входи працюють. Єдине що не перевіряв це вхід фонокоректору. На нього навіть документи є, і, я так зрозумів що в нього був лише один власник. Казав що використовувався підсилювач з акустикою S 90
Хотів би почути що думають фахівці про цей підсилювач.
Дякую.
Мені пропронують майже безкоштовно підсилювач Kenwood KA 1080 в робочому стані. Я його перевіряв особисто, на предмет працює чи ні. Він працює. Звук чистий, гулу немає, не гріється, регулятори справні, перемикачі працюють, обидва канали працюють, темброблок працює. Всі входи працюють. Єдине що не перевіряв це вхід фонокоректору. На нього навіть документи є, і, я так зрозумів що в нього був лише один власник. Казав що використовувався підсилювач з акустикою S 90
Хотів би почути що думають фахівці про цей підсилювач.
Дякую.
-
Oil
- Почетный пользователь
- Сообщения: 82
- Стаж: 2 года 2 месяца
- Репутация: 23
- Откуда: ЕС
- Аудио система: Куча всякого винтажа и немного самоделок
Re: Kenwood KA 1080
Типовий витвiр кiнця 90-х. Комутацiя електронна. Пiдсилювач потужностi на транзисторах. Вихід на Дарлінгтонах
По характеристиках не фонтан як для знавцiв, але цiлком нормально для пересiчного користувача. У 90-х характеристики массових підсилювачив знизили, бо людям кращє, зазвичай, й не треба. Потужностi вам вистачить.
З неприємностей, як з любим старим підсилювачем, на вас може чекати промивка та змащєння регулятора гучності та заміна реле захисту акустики. Звісно можуть щє й декiлька конденсаторів вийти з ладу, але це навряд чи.
В середені все зроблено просто та зручно, це вам не монстри з 80-х. Тобто розбирати та збирати не тяжко.
Є якісь обзори в Ютубі, але це просто підсилювач. Якщо дешево та й в вас нема якихось серйозних вимог, то беріть та слухайте. Як задля S-90, то він щє й загарний.
По характеристиках не фонтан як для знавцiв, але цiлком нормально для пересiчного користувача. У 90-х характеристики массових підсилювачив знизили, бо людям кращє, зазвичай, й не треба. Потужностi вам вистачить.
З неприємностей, як з любим старим підсилювачем, на вас може чекати промивка та змащєння регулятора гучності та заміна реле захисту акустики. Звісно можуть щє й декiлька конденсаторів вийти з ладу, але це навряд чи.
В середені все зроблено просто та зручно, це вам не монстри з 80-х. Тобто розбирати та збирати не тяжко.
Є якісь обзори в Ютубі, але це просто підсилювач. Якщо дешево та й в вас нема якихось серйозних вимог, то беріть та слухайте. Як задля S-90, то він щє й загарний.
-
CooCooJumbo
- Почетный пользователь
- Сообщения: 111
- Стаж: 9 месяцев
- Репутация: 4
- Откуда: Київ
- Аудио система: Audigy RX
Kenwood KA 1080
Canton Select S120
Re: Kenwood KA 1080
За схему окрема подяка, бо я не знайшов.
Як розуміти "не фонтан"? Це означає, що на деяких акустичних системах цей підсилювач буде звучати геть погано? Чи він якийсь конструктивно не такий?
До речі, потужність мені не потрібна, я гучно не слухаю і в мене немає приміщення для "гучно". В мене є старі Canton Select, в них ще рояльний лак на фасаді. Якщо цей підсилювач запроста тягне S 90 то старі кантони він точно зможе. Хоча в них басові динаміки 10 дюймів з великим ходом. Але ж, думаю потужності вистачить.
Як розуміти "не фонтан"? Це означає, що на деяких акустичних системах цей підсилювач буде звучати геть погано? Чи він якийсь конструктивно не такий?
До речі, потужність мені не потрібна, я гучно не слухаю і в мене немає приміщення для "гучно". В мене є старі Canton Select, в них ще рояльний лак на фасаді. Якщо цей підсилювач запроста тягне S 90 то старі кантони він точно зможе. Хоча в них басові динаміки 10 дюймів з великим ходом. Але ж, думаю потужності вистачить.
-
Oil
- Почетный пользователь
- Сообщения: 82
- Стаж: 2 года 2 месяца
- Репутация: 23
- Откуда: ЕС
- Аудио система: Куча всякого винтажа и немного самоделок
Re: Kenwood KA 1080
Нормальний пiдсилювач. Просто багато людей щось надзвичайне хочуть, самі не знаючи навiщо. А це форум маньякiв, тож враховуйте це.
В вас симпатичні Кантони, нормально вiн їх потягне.
Справжня ціна тому Кенвуду, вважаю, до 50 євро, від того й відштовхуйтесь.
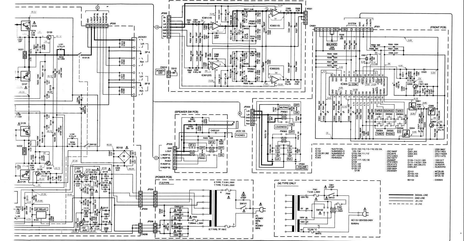
Можу вам повний сервісний мануал зкинути, напишіть у лічку, бо він навіть стиснутий 11МБ
О, нiби то вийшло
В вас симпатичні Кантони, нормально вiн їх потягне.
Справжня ціна тому Кенвуду, вважаю, до 50 євро, від того й відштовхуйтесь.
Можу вам повний сервісний мануал зкинути, напишіть у лічку, бо він навіть стиснутий 11МБ
О, нiби то вийшло
- Вложения
-
- kenwood_ka-1080_sm копия.7z
- (10.98 МБ) 186 скачиваний
-
CooCooJumbo
- Почетный пользователь
- Сообщения: 111
- Стаж: 9 месяцев
- Репутация: 4
- Откуда: Київ
- Аудио система: Audigy RX
Kenwood KA 1080
Canton Select S120
Re: Kenwood KA 1080
Дякую. За мануалом звернусь обов'язково. Ціну просять навіть меньше. Мене саме в цьому підсилювачі приваблює його конструктив, бо схожа соня вже на збірці, а тут всі транзистори окремо.
А кантони то - так, то щось особливе. В них такій, магічний (шовковий) звук)))) Останній раз я їх підключав до старого денона, і він трохи не зміг.
А кантони то - так, то щось особливе. В них такій, магічний (шовковий) звук)))) Останній раз я їх підключав до старого денона, і він трохи не зміг.
-
CooCooJumbo
- Почетный пользователь
- Сообщения: 111
- Стаж: 9 месяцев
- Репутация: 4
- Откуда: Київ
- Аудио система: Audigy RX
Kenwood KA 1080
Canton Select S120
Re: Kenwood KA 1080
Ну добре...
Сподівюсь, що нормальні люди тут також є)
-
Oil
- Почетный пользователь
- Сообщения: 82
- Стаж: 2 года 2 месяца
- Репутация: 23
- Откуда: ЕС
- Аудио система: Куча всякого винтажа и немного самоделок
Re: Kenwood KA 1080
У своїй справі бути маньяком то фіча а не баг
-
CooCooJumbo
- Почетный пользователь
- Сообщения: 111
- Стаж: 9 месяцев
- Репутация: 4
- Откуда: Київ
- Аудио система: Audigy RX
Kenwood KA 1080
Canton Select S120
Re: Kenwood KA 1080
Такі придбав. Поставив в невидиме для жінки місце)))
Що характерно, працює)
Що характерно, працює)
-
Oil
- Почетный пользователь
- Сообщения: 82
- Стаж: 2 года 2 месяца
- Репутация: 23
- Откуда: ЕС
- Аудио система: Куча всякого винтажа и немного самоделок
Re: Kenwood KA 1080
зняти б кришку та хоча б пил струсити з плати...
для цього зручно користуватися пензликом для косметики. в жiнки, мабуть, знайдеться
для цього зручно користуватися пензликом для косметики. в жiнки, мабуть, знайдеться
Последний раз редактировалось Oil 30 мар 2025, 14:12, всего редактировалось 1 раз.
-
CooCooJumbo
- Почетный пользователь
- Сообщения: 111
- Стаж: 9 месяцев
- Репутация: 4
- Откуда: Київ
- Аудио система: Audigy RX
Kenwood KA 1080
Canton Select S120
Re: Kenwood KA 1080
Там майже немає пилу. Він був у дійсно у гарного хазяїна.
-
CooCooJumbo
- Почетный пользователь
- Сообщения: 111
- Стаж: 9 месяцев
- Репутация: 4
- Откуда: Київ
- Аудио система: Audigy RX
Kenwood KA 1080
Canton Select S120
Re: Kenwood KA 1080
Якось так виглядає:
-
CooCooJumbo
- Почетный пользователь
- Сообщения: 111
- Стаж: 9 месяцев
- Репутация: 4
- Откуда: Київ
- Аудио система: Audigy RX
Kenwood KA 1080
Canton Select S120
Re: Kenwood KA 1080
Ручна робота. Все припаяно вручну, корейськими ручками.
До речі: прокладки під транзистори зроблені схоже з слюди.
-
CooCooJumbo
- Почетный пользователь
- Сообщения: 111
- Стаж: 9 месяцев
- Репутация: 4
- Откуда: Київ
- Аудио система: Audigy RX
Kenwood KA 1080
Canton Select S120
Re: Kenwood KA 1080
Питання!
Після натискання кнопки ввімкнення через сек 5 роздається "щелчок" якоїсь релюшки. Це так і задумано?
Після натискання кнопки ввімкнення через сек 5 роздається "щелчок" якоїсь релюшки. Це так і задумано?
-
Oil
- Почетный пользователь
- Сообщения: 82
- Стаж: 2 года 2 месяца
- Репутация: 23
- Откуда: ЕС
- Аудио система: Куча всякого винтажа и немного самоделок
Re: Kenwood KA 1080
все Ок. Коли пiдсилювач вмикається там різні процеси йдуть, які можна почути у дінамиках. Тому їх під'єднують лише через декілька секунд. Як раз тою релюшкою. А коли вимикаємо підсилювач, решюшка від'єднує дінамики миттєво, бо інакше щє декілька секунд можуть бути чутні процеси вимкнення.CooCooJumbo писал(а): 30 мар 2025, 18:41 Після натискання кнопки ввімкнення через сек 5 роздається "щелчок" якоїсь релюшки. Це так і задумано?
-
drmodd
- Гуру электроники☆☆☆☆
- Сообщения: 184
- Стаж: 5 лет
- Репутация: 97
- Откуда: Москва
- Аудио система: E70 Velvet, SuperGaN, PTERO, Focal Chorus 726, MA Bronze, N-Acoustic.
Re: Kenwood KA 1080
Я бы кондеров в питание добавил.
-
CooCooJumbo
- Почетный пользователь
- Сообщения: 111
- Стаж: 9 месяцев
- Репутация: 4
- Откуда: Київ
- Аудио система: Audigy RX
Kenwood KA 1080
Canton Select S120
Re: Kenwood KA 1080
Для чого? Можно більш докладно?
-
Oil
- Почетный пользователь
- Сообщения: 82
- Стаж: 2 года 2 месяца
- Репутация: 23
- Откуда: ЕС
- Аудио система: Куча всякого винтажа и немного самоделок
Re: Kenwood KA 1080
Олдскульна технологія з'єднання накручуванням дроту на квадратні штирі. Думав у другій половині 90-х про неї вже забули
-
CooCooJumbo
- Почетный пользователь
- Сообщения: 111
- Стаж: 9 месяцев
- Репутация: 4
- Откуда: Київ
- Аудио система: Audigy RX
Kenwood KA 1080
Canton Select S120
Re: Kenwood KA 1080
Це ручна робота. Саме тому зроблено отак.Oil писал(а): 31 мар 2025, 12:41 Олдскульна технологія з'єднання накручуванням дроту на квадратні штирі. Думав у другій половині 90-х про неї вже забули
-
drmodd
- Гуру электроники☆☆☆☆
- Сообщения: 184
- Стаж: 5 лет
- Репутация: 97
- Откуда: Москва
- Аудио система: E70 Velvet, SuperGaN, PTERO, Focal Chorus 726, MA Bronze, N-Acoustic.
Re: Kenwood KA 1080
6800 мкф для БЖТ маловато. Но это только мое мнение.
А вы силовые кондеры проверяли? Йомкость, ESR?
-
CooCooJumbo
- Почетный пользователь
- Сообщения: 111
- Стаж: 9 месяцев
- Репутация: 4
- Откуда: Київ
- Аудио система: Audigy RX
Kenwood KA 1080
Canton Select S120
Re: Kenwood KA 1080
Ні, не перевіряв. Поки що. Це треба зробити, і я зроблю з часом. Поки все працює наче без зауважень.drmodd писал(а): 31 мар 2025, 15:596800 мкф для БЖТ маловато. Но это только мое мнение.
А вы силовые кондеры проверяли? Йомкость, ESR?
А які симптоми зниження ємності конденсаторів?
-
gelert
- Гуру электроники☆☆☆☆
- Сообщения: 324
- Стаж: 3 года 4 месяца
- Репутация: 110
- Откуда: Горлівка Донецької обл
- Аудио система: homemade
Re: Kenwood KA 1080
З’єднання накруткою на стрижні квадратного перетину має на порядки більшу надійність навіть за пайку. Є мінімальна кількість обертів, необхідна для цього, вже не пам’ятаю скільки це. Швидкість монтажу набагато більша і дешевша за пайку. Це колись був основний монтаж ЕОМ на початках, з’єднаній було тисячі. При накручування відбувається врізання дроту, що накручується в гострі кути стрижня і метали дифундують одне в друге. Таке поєднання cпорідне зварювальному. Є спеціальні інструменти задля цього, з'єднуючи дроти — емальований дріт, не потребує зачистки і додаткового захисту.CooCooJumbo писал(а): 31 мар 2025, 14:36Це ручна робота. Саме тому зроблено отак.Oil писал(а): 31 мар 2025, 12:41 Олдскульна технологія з'єднання накручуванням дроту на квадратні штирі. Думав у другій половині 90-х про неї вже забули
-
CooCooJumbo
- Почетный пользователь
- Сообщения: 111
- Стаж: 9 месяцев
- Репутация: 4
- Откуда: Київ
- Аудио система: Audigy RX
Kenwood KA 1080
Canton Select S120
Re: Kenwood KA 1080
Сьогодні крутив ручки слухав шум підсилювача. Я вражений. Шум чутно тільки при рівні гучності в зоні де нормальні люди вже не слухають. Тобто від 80% гучності та вище. Пригадую як шипіли ореанди амфітони, касети та бобіни. А зараз - красота. Я чомусь по старому, думав, що буде гірше. І, коли дивився підсилювачі не міг зрозуміти, а де в них кнопочка ШП?
- Justas*
- Гуру электроники☆☆☆☆
- Сообщения: 2344
- Стаж: 4 года 3 месяца
- Репутация: 1271
- Откуда: Украина
- Аудио система: viewtopic.php?p=17721#p17721
Re: Kenwood KA 1080
ореанди амфітони шипят не больше этого усилка и кнопочку ШП в усилители мощности не ставят. Её место в магнитофонах.CooCooJumbo писал(а): 31 мар 2025, 20:41 Пригадую як шипіли ореанди амфітони, касети та бобіни. А зараз - красота. Я чомусь по старому, думав, що буде гірше. І, коли дивився підсилювачі не міг зрозуміти, а де в них кнопочка ШП?
- m-shara
- Почетный спонсор
- Сообщения: 1167
- Стаж: 3 года
- Репутация: 204
- Откуда: Латвия
- Аудио система: JVC TD-V662, Kenwood KX-880HX,
PP 6Н8С+EL34 20W
Акустика: Sony SS-G1 MK2
SONY WH-1000XM4,AKG K514, ATH-AVC500,
Звуковая: Focusrite 2i4
Re: Kenwood KA 1080
Покажіть жінці як має виглядати стіл у гостиній, коли чоловік 3 місяці паяє ламповий підсилювач.
-
CooCooJumbo
- Почетный пользователь
- Сообщения: 111
- Стаж: 9 месяцев
- Репутация: 4
- Откуда: Київ
- Аудио система: Audigy RX
Kenwood KA 1080
Canton Select S120
Re: Kenwood KA 1080
Це опасно для мого здоров'я.m-shara писал(а): 01 апр 2025, 10:13Покажіть жінці як має виглядати стіл у гостиній, коли чоловік 3 місяці паяє ламповий підсилювач.![]()
Стіл.jpg
До речі: каніфоль воняє прямо в кімнаті?
- m-shara
- Почетный спонсор
- Сообщения: 1167
- Стаж: 3 года
- Репутация: 204
- Откуда: Латвия
- Аудио система: JVC TD-V662, Kenwood KX-880HX,
PP 6Н8С+EL34 20W
Акустика: Sony SS-G1 MK2
SONY WH-1000XM4,AKG K514, ATH-AVC500,
Звуковая: Focusrite 2i4
Re: Kenwood KA 1080
Я його використовую дуже рідко. Може 3-4 пайки. Спереду білий тюбик. Там паста для пайки. Дим тоже чути, але якщо паяти під носом. В кімнаті запаху немає. А для нових деталей досить і тої пасти що всередині припою. Її теж не чути.CooCooJumbo писал(а): 01 апр 2025, 10:21Це опасно для мого здоров'я.m-shara писал(а): 01 апр 2025, 10:13Покажіть жінці як має виглядати стіл у гостиній, коли чоловік 3 місяці паяє ламповий підсилювач.![]()
Стіл.jpg
До речі: каніфоль воняє прямо в кімнаті?
- Justas*
- Гуру электроники☆☆☆☆
- Сообщения: 2344
- Стаж: 4 года 3 месяца
- Репутация: 1271
- Откуда: Украина
- Аудио система: viewtopic.php?p=17721#p17721
Re: Kenwood KA 1080
И для полного счастья, нужно показать счета на оплату деталей и пр.m-shara писал(а): 01 апр 2025, 10:13 Покажіть жінці як має виглядати стіл у гостиній, коли чоловік 3 місяці паяє ламповий підсилювач.![]()
- m-shara
- Почетный спонсор
- Сообщения: 1167
- Стаж: 3 года
- Репутация: 204
- Откуда: Латвия
- Аудио система: JVC TD-V662, Kenwood KX-880HX,
PP 6Н8С+EL34 20W
Акустика: Sony SS-G1 MK2
SONY WH-1000XM4,AKG K514, ATH-AVC500,
Звуковая: Focusrite 2i4
Re: Kenwood KA 1080
Я первый раз как считал, где то упустил запятую. Вышло под 3000! Аж самому стало не по себе. Но потом думаю, да вроде бы с деньгами то проблем небыло, на все хватало. И только после этого я сообразил пересчитать.
-
CooCooJumbo
- Почетный пользователь
- Сообщения: 111
- Стаж: 9 месяцев
- Репутация: 4
- Откуда: Київ
- Аудио система: Audigy RX
Kenwood KA 1080
Canton Select S120
Re: Kenwood KA 1080
Тому я і кажу: цяцькИ - небезпечно для вашого здоров'я. Жінки попереджають.m-shara писал(а): 01 апр 2025, 14:12Я первый раз как считал, где то упустил запятую. Вышло под 3000! Аж самому стало не по себе. Но потом думаю, да вроде бы с деньгами то проблем небыло, на все хватало. И только после этого я сообразил пересчитать.Хорошо что не ляпнул жене. Точно было бы "полное счастье"
![]()
-
CooCooJumbo
- Почетный пользователь
- Сообщения: 111
- Стаж: 9 месяцев
- Репутация: 4
- Откуда: Київ
- Аудио система: Audigy RX
Kenwood KA 1080
Canton Select S120
Re: Kenwood KA 1080
Розкажіть мені краще от шо: контакт силового транзистора з алюмінієвим радіатором зроблений через слюдяну (напевно, бо вона розслаюється та ломається) пластинку. Електро ізоляція між транзистором і радіатором відсутня, бо стирчить болт стяжний. І цей момент мені не зрозумілий. Я хотів нову термопасту нанести. Я поміряв опір між транзистором та радіатором - 500, 600 Ом. Хтось розуміє як там зроблено?