Темы в форуме
Новые сообщения
-
12-дек Мультиметр UNI-T UT61E+
-
01-дек Аналогово-цифровой преобразователь E1DA Cosmos ADC
-
23-май Пробило накал в осциллографе С1-81
-
04-май И все же, снова о выборе звуковой карты.
-
04-апр Цифровой планшетный осциллограф FNIRSI-1013D
-
22-авг Краткий обзор моих приборов и инструментов из китая
-
22-авг ESR-мерялка
-
22-авг Мультиметр для самых маленьких FNIRSI DMT-99
-
29-мар Прибор для проверки транзисторов ППТ
-
03-янв Цифровой тестер транзисторов DY294
-
01-янв Вопросы по измерению картой Focusrite 2-2
-
18-июл Замер АЧХ звуковой карты для raspberry Pi
-
08-апр Какой выбрать осциллограф?
-
24-мар Предложите схему самодельного милливольтметра 10Гц-50кГц
-
11-янв Посоветуйте качественный мультиметр
Новые темы
-
11-дек Мультиметр UNI-T UT61E+
-
23-дек Ф4372 ремонт
-
20-авг Мультиметр для самых маленьких FNIRSI DMT-99
-
18-мар Калібрування мікрофону Behringer ECM-8000
-
01-янв Вопросы по измерению картой Focusrite 2-2
-
13-авг Цифровой тестер транзисторов DY294
-
10-июл Замер АЧХ звуковой карты для raspberry Pi
-
27-фев Предложите схему самодельного милливольтметра 10Гц-50кГц
-
08-ноя Цифровой планшетный осциллограф FNIRSI-1013D
-
21-сен Вимірювання параметрів мостового підсилювача
-
13-янв E1DA Cosmos ADC Hi-Precision Analog To Digital Converter
-
07-янв Аналогово-цифровой преобразователь E1DA Cosmos ADC
-
01-авг Прибор для проверки транзисторов ППТ
-
18-июл И все же, снова о выборе звуковой карты.
-
24-июн Генератор сингалов UNI-T UTG932 30 МГц
Youtube
TikTok
Инстаграм
☝ Спонсировать
Правила форума
Последние видео с канала
Загрузка видео...
Замер АЧХ звуковой карты для raspberry Pi
- Vacumeter
- Почетный пользователь
- Сообщения: 60
- Стаж: 2 года 5 месяцев
- Репутация: 13
- Откуда: Одесса
- Аудио система: Pioneer A-402R; Pioneer CT-656; TANNOY Mercury MX-2; JBL-E20; AKAI-CS-M01; AKAI-AM-U01
Re: Сетевой аудиоцентр на Raspberry Pi 3B+
Подскажите, а как проверить АЧХ моей звуковухи, которая к малине подключена, не имея высококачественной измерительной звуковой карточки и программы RMA ? У меня такое ощущение, что она высокие давит, и вот непонятно это ощущение только, или реально есть завал в АЧХ.
- Alex
- Site Admin
- Сообщения: 4166
- Стаж: 14 лет 1 месяц
- Репутация: 2724
- Откуда: Kiev
- Аудио система: www.is.gd/l0dt3T
- Контактная информация:
Re: Сетевой аудиоцентр на Raspberry Pi 3B+
А какая звуковуха? Может кто ее уже тестил.
- Vacumeter
- Почетный пользователь
- Сообщения: 60
- Стаж: 2 года 5 месяцев
- Репутация: 13
- Откуда: Одесса
- Аудио система: Pioneer A-402R; Pioneer CT-656; TANNOY Mercury MX-2; JBL-E20; AKAI-CS-M01; AKAI-AM-U01
Re: Сетевой аудиоцентр на Raspberry Pi 3B+
IQaudio DAC Pro чип пишут что PCM5242. Если ни кто не тестил, может есть какой-то тестовый файлик, который можно воспроизвести, и хотя бы осциллографом посмотреть уровень на выходе на разных частотах?
- Inok
- Постоянный житель
- Сообщения: 332
- Стаж: 3 года 11 месяцев
- Репутация: 186
- Откуда: Ukraine
- Аудио система: Clone purifi Hb 3.065 ULTRA, DALI Oberon 9 Dark Walnut
Re: Сетевой аудиоцентр на Raspberry Pi 3B+
Так чем воспроизвести? Если у вас нет звуковухи с прямой АЧХ.
- Vacumeter
- Почетный пользователь
- Сообщения: 60
- Стаж: 2 года 5 месяцев
- Репутация: 13
- Откуда: Одесса
- Аудио система: Pioneer A-402R; Pioneer CT-656; TANNOY Mercury MX-2; JBL-E20; AKAI-CS-M01; AKAI-AM-U01
Re: Сетевой аудиоцентр на Raspberry Pi 3B+
Файл с заведомо прямой АЧХ воспроизвести на звуковухе с неизвестной АЧХ и посмотреть уровень сигнала на осциллографе. В файле записать линейное изменение частоты с 20 до 20000 Гц. Или так не получится увидеть?
- Justas*
- Гуру электроники☆☆☆☆
- Сообщения: 2324
- Стаж: 4 года 2 месяца
- Репутация: 1263
- Откуда: Украина
- Аудио система: viewtopic.php?p=17721#p17721
Re: Сетевой аудиоцентр на Raspberry Pi 3B+
Получится, если сам осциллограф по частоте не брешет
-
uriy
- Магистр электроники
- Сообщения: 1468
- Стаж: 2 года 7 месяцев
- Репутация: 447
- Откуда: Ukraine
- Аудио система: Цифраактив
Re: Сетевой аудиоцентр на Raspberry Pi 3B+
Распери вроде как с инета может тянуть звук, вот и запустите любой программный генератор и смотрите уровень напряжение на выходе АЦП.Vacumeter писал(а): 10 июл 2023, 23:27
Файл с заведомо прямой АЧХ воспроизвести на звуковухе с неизвестной АЧХ и посмотреть уровень сигнала на осциллографе. В файле записать линейное изменение частоты с 20 до 20000 Гц. Или так не получится увидеть?
https://splaudio.com.ua/ua/services/tongenerator/
- Vacumeter
- Почетный пользователь
- Сообщения: 60
- Стаж: 2 года 5 месяцев
- Репутация: 13
- Откуда: Одесса
- Аудио система: Pioneer A-402R; Pioneer CT-656; TANNOY Mercury MX-2; JBL-E20; AKAI-CS-M01; AKAI-AM-U01
Re: Сетевой аудиоцентр на Raspberry Pi 3B+
Ну проверю двумя разными осциллографами, просьба у кого есть генератор и звуковуха с прямой АЧХ, можете записать такой файл? Так что бы от 20 до 20000 время было около одной минуты, что бы успевать переключать частоту на осциллографе. Заранее благодарен.
- Vacumeter
- Почетный пользователь
- Сообщения: 60
- Стаж: 2 года 5 месяцев
- Репутация: 13
- Откуда: Одесса
- Аудио система: Pioneer A-402R; Pioneer CT-656; TANNOY Mercury MX-2; JBL-E20; AKAI-CS-M01; AKAI-AM-U01
Re: Сетевой аудиоцентр на Raspberry Pi 3B+
Попробую разобраться как это сделать, спасибо!uriy писал(а): 10 июл 2023, 23:35Распери вроде как с инета может тянуть звук, вот и запустите любой программный генератор и смотрите уровень напряжение на выходе АЦП.Vacumeter писал(а): 10 июл 2023, 23:27
Файл с заведомо прямой АЧХ воспроизвести на звуковухе с неизвестной АЧХ и посмотреть уровень сигнала на осциллографе. В файле записать линейное изменение частоты с 20 до 20000 Гц. Или так не получится увидеть?
https://splaudio.com.ua/ua/services/tongenerator/
- Justas*
- Гуру электроники☆☆☆☆
- Сообщения: 2324
- Стаж: 4 года 2 месяца
- Репутация: 1263
- Откуда: Украина
- Аудио система: viewtopic.php?p=17721#p17721
Re: Сетевой аудиоцентр на Raspberry Pi 3B+
Для проверки АЧХ подойдёт любая ЗК и даже интегрированный в материнку кодек.Vacumeter писал(а): 10 июл 2023, 20:36 Подскажите, а как проверить АЧХ моей звуковухи, которая к малине подключена, не имея высококачественной измерительной звуковой карточки и программы RMA ? У меня такое ощущение, что она высокие давит, и вот непонятно это ощущение только, или реально есть завал в АЧХ.
«Двухканальное подключение», и ваша ЗК по линейности АЧХ, станет лучше любой навороченной.
Необязательно применять RMAА (эта прога для быстрых измерений).
Можно и другими программами измерить (более точно) АЧХ, SNR, THD, IMD и т.п.
Схема подключения В SpectraPLUS, в режиме Real Transfer Function
В REW, включить Use loopback
- Vacumeter
- Почетный пользователь
- Сообщения: 60
- Стаж: 2 года 5 месяцев
- Репутация: 13
- Откуда: Одесса
- Аудио система: Pioneer A-402R; Pioneer CT-656; TANNOY Mercury MX-2; JBL-E20; AKAI-CS-M01; AKAI-AM-U01
Re: Сетевой аудиоцентр на Raspberry Pi 3B+
Да, это понятно, софт вносит коррекцию в АЧХ измерительной звуковухи и всё ок. Но IQaudio DAC Pro, это то что измерить нужно, это чисто DAC она имеет только выход, входа у нее нет, по этому воспроизводить эталонный файл должна только она сама. А вот как софт откалибруется так, что бы учесть нелинейность АЧХ измерительной звуковухи?
Заранее прошу прощения, если вопрос тупой, просто я никогда не сталкивался с софтом по измерению АЧХ.
Заранее прошу прощения, если вопрос тупой, просто я никогда не сталкивался с софтом по измерению АЧХ.
- Inok
- Постоянный житель
- Сообщения: 332
- Стаж: 3 года 11 месяцев
- Репутация: 186
- Откуда: Ukraine
- Аудио система: Clone purifi Hb 3.065 ULTRA, DALI Oberon 9 Dark Walnut
Re: Сетевой аудиоцентр на Raspberry Pi 3B+
Та он с карточки которая к raspberry подключена хочет сделать замер. Правда не понимаю зачем городить все это, для начала попробуйте сделать замер своей звуковой встроенной карты с помощью RMAA, может там все нормально а затем воспроизведите файл на raspberry и RMAA включите в режим только записи и будет вам ваша АЧХ. А если карточка встроенная имеет кривую АЧХ то просто сделайте поправку да и все.
- Vacumeter
- Почетный пользователь
- Сообщения: 60
- Стаж: 2 года 5 месяцев
- Репутация: 13
- Откуда: Одесса
- Аудио система: Pioneer A-402R; Pioneer CT-656; TANNOY Mercury MX-2; JBL-E20; AKAI-CS-M01; AKAI-AM-U01
Re: Сетевой аудиоцентр на Raspberry Pi 3B+
Так, всё, пока достаточно, пока я всё понял, сегодня высплюсь, а то у нас вчера был ночной концерт "мопедов", а завтра поставлю RMAA, и что то попробую сделать. Всем огромное спасибо, инфа полезная, минусы я ни кому не ставил....
Еще раз всем спасибо!
Еще раз всем спасибо!
- Justas*
- Гуру электроники☆☆☆☆
- Сообщения: 2324
- Стаж: 4 года 2 месяца
- Репутация: 1263
- Откуда: Украина
- Аудио система: viewtopic.php?p=17721#p17721
Re: Замер АЧХ звуковой карты для raspberry Pi
Вы сами ответили на свой вопросVacumeter писал(а): 11 июл 2023, 21:24 А вот как софт откалибруется так, что бы учесть нелинейность АЧХ измерительной звуковухи?
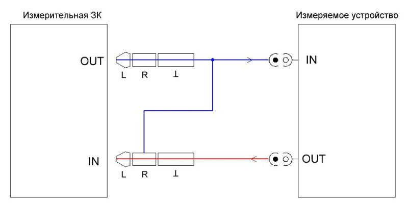
Смотрим на картинкуДа, это понятно, софт вносит коррекцию в АЧХ измерительной звуковухи и всё ок.
download/file.php?id=6840&t=1
Сигнал с выхода измерительной ЗК подаётся на измеряемое устройство и одновременно на один из входов этой же ЗК. Этот вход считается референсным и по нему производится компенсация нелинейностей. Второй вход – измерительный. Включаем в программе функцию
Всё. Даже кодек Realtek с поганой АЧХ, будет иметь суперлинейную АЧХ.В SpectraPLUS - Real Transfer Function
В REW - Use loopback
И не нужно городить никаких внешних корректоров, лучше хелп по софту прочитать.
Как это нет входа?Но IQaudio DAC Pro, это то что измерить нужно, это чисто DAC она имеет только выход, входа у нее нет, по этому воспроизводить эталонный файл должна только она сама.
Тогда записываем на флэшку свип-тон 20-20000Гц и меряем указанными программами.
Скачайте «Аудиохобби - Тестовый аудио диск»
Свип-тон 20-20000Гц, 5-й трек.
Там же, с 7-го по 37-й трек, фиксированные частоты.
С 40-го по 50-й, 10 - 20 кГц с дискретностью 1 кГц.
Можно вольтметром (осциллографом) измерить.
- Vacumeter
- Почетный пользователь
- Сообщения: 60
- Стаж: 2 года 5 месяцев
- Репутация: 13
- Откуда: Одесса
- Аудио система: Pioneer A-402R; Pioneer CT-656; TANNOY Mercury MX-2; JBL-E20; AKAI-CS-M01; AKAI-AM-U01
Re: Замер АЧХ звуковой карты для raspberry Pi
Так, поставил RMAA, звуковуха Behringer UFO202 сама в себя показала такую АЧХ
А при воспроизведении тестового файла на raspberry, такую
Завал какой то там на высоких отслеживается, но скажите по опыту, слышимо это или нет?
- Vacumeter
- Почетный пользователь
- Сообщения: 60
- Стаж: 2 года 5 месяцев
- Репутация: 13
- Откуда: Одесса
- Аудио система: Pioneer A-402R; Pioneer CT-656; TANNOY Mercury MX-2; JBL-E20; AKAI-CS-M01; AKAI-AM-U01
Re: Замер АЧХ звуковой карты для raspberry Pi
Искажения замерить не могу, звуковуха, та что у меня есть в наличии сама имеет искажения, скорее всего больше, чем тот DAC который нужно измерить.
Это сама в себя.
Попробую хорошими проводами, лень их было выковыривать.
Попробую хорошими проводами, лень их было выковыривать.
- Vacumeter
- Почетный пользователь
- Сообщения: 60
- Стаж: 2 года 5 месяцев
- Репутация: 13
- Откуда: Одесса
- Аудио система: Pioneer A-402R; Pioneer CT-656; TANNOY Mercury MX-2; JBL-E20; AKAI-CS-M01; AKAI-AM-U01
Re: Замер АЧХ звуковой карты для raspberry Pi
Подключил Фокусрайт к малине и хоть убейте, но высокие стали нормальные, вообще не хочется крутить регулятор тембра. Ладно, сделаю кабели, буду фокусрайтом мерить, сегодня сил нет, спаял только от фокусрайта к усилителю.
Александр, у вас такая же карточка, что такое "DIREСT MONITOR"? Оно что то в звуке меняет, но что, не могу понять.
- Alex
- Site Admin
- Сообщения: 4166
- Стаж: 14 лет 1 месяц
- Репутация: 2724
- Откуда: Kiev
- Аудио система: www.is.gd/l0dt3T
- Контактная информация:
Re: Замер АЧХ звуковой карты для raspberry Pi
Это через наушники работает, что бы мониторить звук при записи.
- Vacumeter
- Почетный пользователь
- Сообщения: 60
- Стаж: 2 года 5 месяцев
- Репутация: 13
- Откуда: Одесса
- Аудио система: Pioneer A-402R; Pioneer CT-656; TANNOY Mercury MX-2; JBL-E20; AKAI-CS-M01; AKAI-AM-U01
Re: Замер АЧХ звуковой карты для raspberry Pi
Короче на выкл ставить его....