Темы в форуме

Замер АЧХ звуковой карты для raspberry Pi

Все, что связано с измерительными приборами
Ответить
Аватара пользователя
Vacumeter
Почетный пользователь
Сообщения: 62
Стаж: 2 года 8 месяцев
Репутация: 15
Откуда: Одесса
Аудио система: Pioneer A-402R; Pioneer CT-656; TANNOY Mercury MX-2; JBL-E20; AKAI-CS-M01; AKAI-AM-U01

Re: Сетевой аудиоцентр на Raspberry Pi 3B+

Сообщение Vacumeter »

Подскажите, а как проверить АЧХ моей звуковухи, которая к малине подключена, не имея высококачественной измерительной звуковой карточки и программы RMA ? У меня такое ощущение, что она высокие давит, и вот непонятно это ощущение только, или реально есть завал в АЧХ.
Аватара пользователя
Alex
Site Admin
Сообщения: 4230
Стаж: 14 лет 4 месяца
Репутация: 2814
Откуда: Kiev
Аудио система: www.is.gd/l0dt3T
Контактная информация:

Re: Сетевой аудиоцентр на Raspberry Pi 3B+

Сообщение Alex »

А какая звуковуха? Может кто ее уже тестил.
Аватара пользователя
Vacumeter
Почетный пользователь
Сообщения: 62
Стаж: 2 года 8 месяцев
Репутация: 15
Откуда: Одесса
Аудио система: Pioneer A-402R; Pioneer CT-656; TANNOY Mercury MX-2; JBL-E20; AKAI-CS-M01; AKAI-AM-U01

Re: Сетевой аудиоцентр на Raspberry Pi 3B+

Сообщение Vacumeter »

IQaudio DAC Pro чип пишут что PCM5242. Если ни кто не тестил, может есть какой-то тестовый файлик, который можно воспроизвести, и хотя бы осциллографом посмотреть уровень на выходе на разных частотах?
Аватара пользователя
Inok
Постоянный житель
Сообщения: 334
Стаж: 4 года 2 месяца
Репутация: 191
Откуда: Ukraine
Аудио система: Clone purifi Hb 3.065 ULTRA, DALI Oberon 9 Dark Walnut

Re: Сетевой аудиоцентр на Raspberry Pi 3B+

Сообщение Inok »

Так чем воспроизвести? Если у вас нет звуковухи с прямой АЧХ.
Аватара пользователя
Vacumeter
Почетный пользователь
Сообщения: 62
Стаж: 2 года 8 месяцев
Репутация: 15
Откуда: Одесса
Аудио система: Pioneer A-402R; Pioneer CT-656; TANNOY Mercury MX-2; JBL-E20; AKAI-CS-M01; AKAI-AM-U01

Re: Сетевой аудиоцентр на Raspberry Pi 3B+

Сообщение Vacumeter »

Inok писал(а): 10 июл 2023, 22:57 Так чем воспроизвести? Если у вас нет звуковухи с прямой АЧХ.
Файл с заведомо прямой АЧХ воспроизвести на звуковухе с неизвестной АЧХ и посмотреть уровень сигнала на осциллографе. В файле записать линейное изменение частоты с 20 до 20000 Гц. Или так не получится увидеть?
Аватара пользователя
Justas*
Гуру электроники☆☆☆☆
Сообщения: 2447
Стаж: 4 года 5 месяцев
Репутация: 1342
Откуда: Украина
Аудио система: viewtopic.php?p=17721#p17721

Re: Сетевой аудиоцентр на Raspberry Pi 3B+

Сообщение Justas* »

Получится, если сам осциллограф по частоте не брешет
uriy
Магистр электроники
Сообщения: 1555
Стаж: 2 года 10 месяцев
Репутация: 490
Откуда: Ukraine
Аудио система: Цифраактив

Re: Сетевой аудиоцентр на Raspberry Pi 3B+

Сообщение uriy »

Vacumeter писал(а): 10 июл 2023, 23:27
Файл с заведомо прямой АЧХ воспроизвести на звуковухе с неизвестной АЧХ и посмотреть уровень сигнала на осциллографе. В файле записать линейное изменение частоты с 20 до 20000 Гц. Или так не получится увидеть?
Распери вроде как с инета может тянуть звук, вот и запустите любой программный генератор и смотрите уровень напряжение на выходе АЦП.
https://splaudio.com.ua/ua/services/tongenerator/
Аватара пользователя
Vacumeter
Почетный пользователь
Сообщения: 62
Стаж: 2 года 8 месяцев
Репутация: 15
Откуда: Одесса
Аудио система: Pioneer A-402R; Pioneer CT-656; TANNOY Mercury MX-2; JBL-E20; AKAI-CS-M01; AKAI-AM-U01

Re: Сетевой аудиоцентр на Raspberry Pi 3B+

Сообщение Vacumeter »

Justas* писал(а): 10 июл 2023, 23:34 Получится, если сам осциллограф по частоте не брешет
Ну проверю двумя разными осциллографами, просьба у кого есть генератор и звуковуха с прямой АЧХ, можете записать такой файл? Так что бы от 20 до 20000 время было около одной минуты, что бы успевать переключать частоту на осциллографе. Заранее благодарен.
Аватара пользователя
Vacumeter
Почетный пользователь
Сообщения: 62
Стаж: 2 года 8 месяцев
Репутация: 15
Откуда: Одесса
Аудио система: Pioneer A-402R; Pioneer CT-656; TANNOY Mercury MX-2; JBL-E20; AKAI-CS-M01; AKAI-AM-U01

Re: Сетевой аудиоцентр на Raspberry Pi 3B+

Сообщение Vacumeter »

uriy писал(а): 10 июл 2023, 23:35
Vacumeter писал(а): 10 июл 2023, 23:27
Файл с заведомо прямой АЧХ воспроизвести на звуковухе с неизвестной АЧХ и посмотреть уровень сигнала на осциллографе. В файле записать линейное изменение частоты с 20 до 20000 Гц. Или так не получится увидеть?
Распери вроде как с инета может тянуть звук, вот и запустите любой программный генератор и смотрите уровень напряжение на выходе АЦП.
https://splaudio.com.ua/ua/services/tongenerator/
Попробую разобраться как это сделать, спасибо!
Аватара пользователя
Justas*
Гуру электроники☆☆☆☆
Сообщения: 2447
Стаж: 4 года 5 месяцев
Репутация: 1342
Откуда: Украина
Аудио система: viewtopic.php?p=17721#p17721

Re: Сетевой аудиоцентр на Raspberry Pi 3B+

Сообщение Justas* »

Vacumeter писал(а): 10 июл 2023, 20:36 Подскажите, а как проверить АЧХ моей звуковухи, которая к малине подключена, не имея высококачественной измерительной звуковой карточки и программы RMA ? У меня такое ощущение, что она высокие давит, и вот непонятно это ощущение только, или реально есть завал в АЧХ.
Для проверки АЧХ подойдёт любая ЗК и даже интегрированный в материнку кодек.
«Двухканальное подключение», и ваша ЗК по линейности АЧХ, станет лучше любой навороченной.
Необязательно применять RMAА (эта прога для быстрых измерений).
Можно и другими программами измерить (более точно) АЧХ, SNR, THD, IMD и т.п.
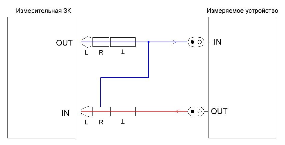
Схема подключения
Схема измерения.JPG
В SpectraPLUS, в режиме Real Transfer Function
В REW, включить Use loopback
Аватара пользователя
Vacumeter
Почетный пользователь
Сообщения: 62
Стаж: 2 года 8 месяцев
Репутация: 15
Откуда: Одесса
Аудио система: Pioneer A-402R; Pioneer CT-656; TANNOY Mercury MX-2; JBL-E20; AKAI-CS-M01; AKAI-AM-U01

Re: Сетевой аудиоцентр на Raspberry Pi 3B+

Сообщение Vacumeter »

Да, это понятно, софт вносит коррекцию в АЧХ измерительной звуковухи и всё ок. Но IQaudio DAC Pro, это то что измерить нужно, это чисто DAC она имеет только выход, входа у нее нет, по этому воспроизводить эталонный файл должна только она сама. А вот как софт откалибруется так, что бы учесть нелинейность АЧХ измерительной звуковухи?

Заранее прошу прощения, если вопрос тупой, просто я никогда не сталкивался с софтом по измерению АЧХ.
Аватара пользователя
Inok
Постоянный житель
Сообщения: 334
Стаж: 4 года 2 месяца
Репутация: 191
Откуда: Ukraine
Аудио система: Clone purifi Hb 3.065 ULTRA, DALI Oberon 9 Dark Walnut

Re: Сетевой аудиоцентр на Raspberry Pi 3B+

Сообщение Inok »

Та он с карточки которая к raspberry подключена хочет сделать замер. Правда не понимаю зачем городить все это, для начала попробуйте сделать замер своей звуковой встроенной карты с помощью RMAA, может там все нормально а затем воспроизведите файл на raspberry и RMAA включите в режим только записи и будет вам ваша АЧХ. А если карточка встроенная имеет кривую АЧХ то просто сделайте поправку да и все.
Аватара пользователя
Vacumeter
Почетный пользователь
Сообщения: 62
Стаж: 2 года 8 месяцев
Репутация: 15
Откуда: Одесса
Аудио система: Pioneer A-402R; Pioneer CT-656; TANNOY Mercury MX-2; JBL-E20; AKAI-CS-M01; AKAI-AM-U01

Re: Сетевой аудиоцентр на Raspberry Pi 3B+

Сообщение Vacumeter »

Так, всё, пока достаточно, пока я всё понял, сегодня высплюсь, а то у нас вчера был ночной концерт "мопедов", а завтра поставлю RMAA, и что то попробую сделать. Всем огромное спасибо, инфа полезная, минусы я ни кому не ставил....

Еще раз всем спасибо!
Аватара пользователя
Justas*
Гуру электроники☆☆☆☆
Сообщения: 2447
Стаж: 4 года 5 месяцев
Репутация: 1342
Откуда: Украина
Аудио система: viewtopic.php?p=17721#p17721

Re: Замер АЧХ звуковой карты для raspberry Pi

Сообщение Justas* »

Vacumeter писал(а): 11 июл 2023, 21:24 А вот как софт откалибруется так, что бы учесть нелинейность АЧХ измерительной звуковухи?
Вы сами ответили на свой вопрос
Да, это понятно, софт вносит коррекцию в АЧХ измерительной звуковухи и всё ок.
Смотрим на картинку
download/file.php?id=6840&t=1
Сигнал с выхода измерительной ЗК подаётся на измеряемое устройство и одновременно на один из входов этой же ЗК. Этот вход считается референсным и по нему производится компенсация нелинейностей. Второй вход – измерительный. Включаем в программе функцию
В SpectraPLUS - Real Transfer Function
В REW - Use loopback
Всё. Даже кодек Realtek с поганой АЧХ, будет иметь суперлинейную АЧХ.
И не нужно городить никаких внешних корректоров, лучше хелп по софту прочитать.
Но IQaudio DAC Pro, это то что измерить нужно, это чисто DAC она имеет только выход, входа у нее нет, по этому воспроизводить эталонный файл должна только она сама.
Как это нет входа? :D Если нет линейного, значит есть цифровой I2C. На Raspberry Pi 3 Model B+, тоже линейного не вижу. Значит напрямую измерить АЧХ не получится.
Тогда записываем на флэшку свип-тон 20-20000Гц и меряем указанными программами.
Скачайте «Аудиохобби - Тестовый аудио диск»
Свип-тон 20-20000Гц, 5-й трек.
Там же, с 7-го по 37-й трек, фиксированные частоты.
С 40-го по 50-й, 10 - 20 кГц с дискретностью 1 кГц.
Можно вольтметром (осциллографом) измерить.
Аватара пользователя
Vacumeter
Почетный пользователь
Сообщения: 62
Стаж: 2 года 8 месяцев
Репутация: 15
Откуда: Одесса
Аудио система: Pioneer A-402R; Pioneer CT-656; TANNOY Mercury MX-2; JBL-E20; AKAI-CS-M01; AKAI-AM-U01

Re: Замер АЧХ звуковой карты для raspberry Pi

Сообщение Vacumeter »

Так, поставил RMAA, звуковуха Behringer UFO202 сама в себя показала такую АЧХ
АЧХ Behringer.png
А при воспроизведении тестового файла на raspberry, такую
АЧХ DAC.png
Завал какой то там на высоких отслеживается, но скажите по опыту, слышимо это или нет?
Аватара пользователя
Vacumeter
Почетный пользователь
Сообщения: 62
Стаж: 2 года 8 месяцев
Репутация: 15
Откуда: Одесса
Аудио система: Pioneer A-402R; Pioneer CT-656; TANNOY Mercury MX-2; JBL-E20; AKAI-CS-M01; AKAI-AM-U01

Re: Замер АЧХ звуковой карты для raspberry Pi

Сообщение Vacumeter »

Искажения замерить не могу, звуковуха, та что у меня есть в наличии сама имеет искажения, скорее всего больше, чем тот DAC который нужно измерить.
thd.png
thd.png (39.59 КБ) 14992 просмотра
Это сама в себя.

Попробую хорошими проводами, лень их было выковыривать.
Аватара пользователя
Vacumeter
Почетный пользователь
Сообщения: 62
Стаж: 2 года 8 месяцев
Репутация: 15
Откуда: Одесса
Аудио система: Pioneer A-402R; Pioneer CT-656; TANNOY Mercury MX-2; JBL-E20; AKAI-CS-M01; AKAI-AM-U01

Re: Замер АЧХ звуковой карты для raspberry Pi

Сообщение Vacumeter »

Подключил Фокусрайт к малине и хоть убейте, но высокие стали нормальные, вообще не хочется крутить регулятор тембра. Ладно, сделаю кабели, буду фокусрайтом мерить, сегодня сил нет, спаял только от фокусрайта к усилителю.
photo_2023-07-18_21-25-24.jpg
Александр, у вас такая же карточка, что такое "DIREСT MONITOR"? Оно что то в звуке меняет, но что, не могу понять.
Аватара пользователя
Alex
Site Admin
Сообщения: 4230
Стаж: 14 лет 4 месяца
Репутация: 2814
Откуда: Kiev
Аудио система: www.is.gd/l0dt3T
Контактная информация:

Re: Замер АЧХ звуковой карты для raspberry Pi

Сообщение Alex »

Это через наушники работает, что бы мониторить звук при записи.
Аватара пользователя
Vacumeter
Почетный пользователь
Сообщения: 62
Стаж: 2 года 8 месяцев
Репутация: 15
Откуда: Одесса
Аудио система: Pioneer A-402R; Pioneer CT-656; TANNOY Mercury MX-2; JBL-E20; AKAI-CS-M01; AKAI-AM-U01

Re: Замер АЧХ звуковой карты для raspberry Pi

Сообщение Vacumeter »

Alex писал(а): 18 июл 2023, 21:40 Это через наушники работает, что бы мониторить звук при записи.
Короче на выкл ставить его....
Ответить

Вернуться в «Измерительная техника»