Темы в форуме

Собираем усилитель TPA3255 2x260W 2Ch Class D

Roger Volver
Новичок
Сообщения: 9
Стаж: 3 года 11 месяцев
Репутация: 0
Откуда: LaGrange, KY
Аудио система: MONSOON stock

Re: Собираем усилитель TPA3255 2x260W 2Ch Class D

Сообщение Roger Volver »

PJK писал(а): 26 окт 2021, 12:34 Ну вот, победил я эту OPA1632 от Чипа....
За качество видео прошу прощения, делал на скорую руку:


P.S. Симметричный выход был нагружен на резисторы 2.2 кОм.
Будьте любезны, подскажите какую доработку модуля надо произвести?
Мне предстоит собрать переходной блок между 4 небалансными линейными выходами уровня 0.5 - 0.8 вольт всего, на 4х канальный дифф усилитель. Это моя автомобильная система. Усилитель штатный MONSOON. Питание системы разумеется от 11 до почти 16 вольт. Заказал 4 платы в чипе. 12 апреля должен забрать. Дабы не засорять здешний эфир можете ответить в личку. Возможно этот вопрос интересен не всем. Заранее благодарю и восхищаюсь Вашим решением!
Аватара пользователя
PJK
Друзья v-mire.net
Сообщения: 784
Стаж: 4 года 11 месяцев
Репутация: 319
Откуда: Earth
Аудио система: Патефон

Re: Собираем усилитель TPA3255 2x260W 2Ch Class D

Сообщение PJK »

Roger Volver писал(а): 05 апр 2022, 14:58
PJK писал(а): 26 окт 2021, 12:34 Ну вот, победил я эту OPA1632 от Чипа....
За качество видео прошу прощения, делал на скорую руку:


P.S. Симметричный выход был нагружен на резисторы 2.2 кОм.
Будьте любезны, подскажите какую доработку модуля надо произвести?
Мне предстоит собрать переходной блок между 4 небалансными линейными выходами уровня 0.5 - 0.8 вольт всего, на 4х канальный дифф усилитель. Это моя автомобильная система. Усилитель штатный MONSOON. Питание системы разумеется от 11 до почти 16 вольт. Заказал 4 платы в чипе. 12 апреля должен забрать. Дабы не засорять здешний эфир можете ответить в личку. Возможно этот вопрос интересен не всем. Заранее благодарю и восхищаюсь Вашим решением!
viewtopic.php?p=17941#p17941
Roger Volver
Новичок
Сообщения: 9
Стаж: 3 года 11 месяцев
Репутация: 0
Откуда: LaGrange, KY
Аудио система: MONSOON stock

Re: Собираем усилитель TPA3255 2x260W 2Ch Class D

Сообщение Roger Volver »

Премного Вам благодарен!
Roger Volver
Новичок
Сообщения: 9
Стаж: 3 года 11 месяцев
Репутация: 0
Откуда: LaGrange, KY
Аудио система: MONSOON stock

Re: Собираем усилитель TPA3255 2x260W 2Ch Class D

Сообщение Roger Volver »

PJK писал(а): 05 апр 2022, 23:57
viewtopic.php?p=17941#p17941

Если позволите, задам несколько уточняющих вопросов, появившихся после изучения предоставленного поста.

1. Каков номинал блокировочных конденсаторов в ногах 100мкФ электролитов в схеме питания?

2. Судя по доработке, номиналы резисторов ОС одинаковые, что означает коэффициент усиления равен 1. Такой коэффициент был выбран исходя из оптимизации качества сигнала на выходе или по иным соображениям? Мне хотелось бы увеличить Ку, так как используется довольно длинная линия до входных каскадов усилителя мощности и не хотелось бы получить высокий уровень шумов в тракте. В каких пределах безболезненно можно менять, увеличивая, номинал резисторов R7 и R8 в цепи ОС? Возможно ли получение Ку равным 5-8 единиц без потери качества и иных последствий?

3. Стоит ли как то стабилизировать или даже кондиционировать питание схемы в режиме up/down с учётом большой амплитуды колебаний его значения от 12 до 16 вольт и возможного появления помех и наводок от электронномеханических устройств в этой же цепи? Каким оказалось оптимальное напряжение питания схемы?

4. Действительно ли предусилитель переворачивает фазу, и при подключении к УМ следует поменять местами полярность входных линий УМ?

5. Можно ли в качестве использованных неполярных конденсаторов номиналом 47мкФ использовать конденсаторы других номиналов без ухудшения параметров схемы? Например, 33 или 68 мкФ? В моем оперативном доступе имеются лишь такие:

https://www.danomsk.ru/shop/5-kondensat ... lar-yageo/

Заранее благодарю Вас за ответ, доброго здоровья!
Аватара пользователя
PJK
Друзья v-mire.net
Сообщения: 784
Стаж: 4 года 11 месяцев
Репутация: 319
Откуда: Earth
Аудио система: Патефон

Re: Собираем усилитель TPA3255 2x260W 2Ch Class D

Сообщение PJK »

Roger Volver писал(а): 06 апр 2022, 06:22
PJK писал(а): 05 апр 2022, 23:57
viewtopic.php?p=17941#p17941

Если позволите, задам несколько уточняющих вопросов, появившихся после изучения предоставленного поста.
Заранее благодарю Вас за ответ, доброго здоровья!
1. Каков номинал блокировочных конденсаторов в ногах 100мкФ электролитов в схеме питания? - 0.1мкФ
2. Судя по доработке, номиналы резисторов ОС одинаковые, что означает коэффициент усиления равен 1. Такой коэффициент был выбран исходя из оптимизации качества сигнала на выходе или по иным соображениям? - мне нужен был буфер, который превратит несимметричный сигнал в симметричный, не более..
Мне хотелось бы увеличить Ку, так как используется довольно длинная линия до входных каскадов усилителя мощности и не хотелось бы получить высокий уровень шумов в тракте. В каких пределах безболезненно можно менять, увеличивая, номинал резисторов R7 и R8 в цепи ОС? Возможно ли получение Ку равным 5-8 единиц без потери качества и иных последствий?
- Ку 5-8 раз без проблем и потерь...
3. Стоит ли как то стабилизировать или даже кондиционировать питание схемы в режиме up/down с учётом большой амплитуды колебаний его значения от 12 до 16 вольт и возможного появления помех и наводок от электронномеханических устройств в этой же цепи? Каким оказалось оптимальное напряжение питания схемы? - для использования в авто необходимо стабилизировать. Оптимум 12 Вольт, максимум 30 Вольт однополярного питания.
4. Действительно ли предусилитель переворачивает фазу, и при подключении к УМ следует поменять местами полярность входных линий УМ? - не задавался и не заморачивался этим вопросом.
5. Можно ли в качестве использованных неполярных конденсаторов номиналом 47мкФ использовать конденсаторы других номиналов без ухудшения параметров схемы? Например, 33 или 68 мкФ? В моем оперативном доступе имеются лишь такие: - ставьте 68мкФ, всё будет отлично.
Roger Volver
Новичок
Сообщения: 9
Стаж: 3 года 11 месяцев
Репутация: 0
Откуда: LaGrange, KY
Аудио система: MONSOON stock

Re: Собираем усилитель TPA3255 2x260W 2Ch Class D

Сообщение Roger Volver »

Огромное Вам спасибо за обстоятельные ответы!
Всего Вам наилучшего!
Аватара пользователя
PJK
Друзья v-mire.net
Сообщения: 784
Стаж: 4 года 11 месяцев
Репутация: 319
Откуда: Earth
Аудио система: Патефон

Re: Собираем усилитель TPA3255 2x260W 2Ch Class D

Сообщение PJK »

Roger Volver писал(а): 07 апр 2022, 14:56 Огромное Вам спасибо за обстоятельные ответы!
Всего Вам наилучшего!
Пожалуйста!
И Вам всего доброго!
Ponmail
Новичок
Сообщения: 7
Стаж: 4 года 2 месяца
Репутация: 0
Откуда: Vladivostok
Аудио система: Цап - Inntak es9038pro, усилитель - Yamaha PC1002, акустика - Technics SB-RX100

Re: Собираем усилитель TPA3255 2x260W 2Ch Class D

Сообщение Ponmail »

Купил такой же усилитель, приехал довольно быстро, все вроде работает, но обратил внимание, что у него болтаются кнопки mute/tone и select, неприятно дребезжат когда их касаешься.
Ну и китайцы без косяков наверно просто не могут, приличный скол на лицевой панели, на видном месте.
(фото вставить не получается)
Аватара пользователя
Canny
Постоянный житель
Сообщения: 440
Стаж: 10 лет 1 месяц
Репутация: 80
Откуда: Ukraine
Аудио система: ICEpower ICE125ASX2

Re: Собираем усилитель TPA3255 2x260W 2Ch Class D

Сообщение Canny »

Как вставить фото. Вложение -> добавить Файлы
Аватара пользователя
Виктор Д.
Пользователь
Сообщения: 25
Стаж: 4 года 9 месяцев
Репутация: 0
Откуда: Россия
Аудио система: Цап9038, усилитель pioneer a717, icepower, АС хендмейд.
Контактная информация:

Re: Собираем усилитель TPA3255 2x260W 2Ch Class D

Сообщение Виктор Д. »

Здравствуйте всем!
Купил такую плату 3255 и блок питания к ней.
Пришла пока только плата усилителя, блокпитания ещё в пути, по этому запустить пока не могу но есть несколько вопросов, на которые я незнаю ответов, надеюсь на помощь форумчан:
И так: у меня есть ЦАП'ы как с балансными выходами xlr так и стандартные rca по этому есть в планах в усилителе 3255 вывести входы как xlr так и rca
Вопрос 1) на входе перед операционниками есть перемычка
SE и Diff что она даёт ? Штатно стоит SE
Я так понял по умолчанию я могу подключить через RCA задействовав разъемы только in1+ и agnd / in2+ и agnd ... Не трогая сeметричныe in1- /in2 -...
При подключении по балансу через xlr мы задействуем все 3 пина in+ / in- / agnd в таком случае перемычку se нужно переставлять на diff или она для другого ?
Что интересно я думал что земля на входе у усилителей класса D должна быть не общей, но при прозвоне левого и правого каналов agnd получается что она общая ... ???
Вопрос 2) раз земля общая то ее можно объединить ? Я к тому что планирую реалезовать регулировку громкости просто патанцеометром (ведь я так понимаю штатные оу выполняют роль предусиления?)... Нашел такой типо Альпс на 12pin так как все таки xlr вход имеет 3 линии две сигнальные и землю...
(И на какое сопротивление его брать если он подходит , 50к или меньше/больше ?)
Вот в общем в этом вопросе я честно плаваю, искал ещё варианты как регулировать громкость не добовляя лишних ОУ в тракт ... Но для xlr так и не нашел нечего...
Прочитал эту ветку но решение для себя не нашел... Так же не понимаю зачем добовляют ещё одну платку с ОУ (буфер) так как писал выше в усилке же есть операционники уже...
https://youtu.be/cK7gjx4nwpk
Вложения
S20525-11222474(1).jpg
S20525-11222474(1).jpg (50.07 КБ) 5984 просмотра
S20524-22185441(1).jpg
Аватара пользователя
PJK
Друзья v-mire.net
Сообщения: 784
Стаж: 4 года 11 месяцев
Репутация: 319
Откуда: Earth
Аудио система: Патефон

Re: Собираем усилитель TPA3255 2x260W 2Ch Class D

Сообщение PJK »

Для балансного сигнала ставьте перемычку на diff.
По всем остальным вопросам, творите, пробуйте, слушайте. Нет панацеи, что-то лучше, где-то хуже.
И ещё, выходное сопротивление источника сигнала должно быть меньше, чем входное сопротивление усилителя. У этого усилителя, по умолчанию, входное R=10kOm
Аватара пользователя
Виктор Д.
Пользователь
Сообщения: 25
Стаж: 4 года 9 месяцев
Репутация: 0
Откуда: Россия
Аудио система: Цап9038, усилитель pioneer a717, icepower, АС хендмейд.
Контактная информация:

Re: Собираем усилитель TPA3255 2x260W 2Ch Class D

Сообщение Виктор Д. »

PJK писал(а): 26 май 2022, 01:36 У этого усилителя, по умолчанию, входное R=10kOm
10К это если по RCA и 20К если по xlr
Получается патанцеометр надо брать в два раза больше тоесть около 20К для RCA и 50К для xlr я правильно понимаю ?
Аватара пользователя
PJK
Друзья v-mire.net
Сообщения: 784
Стаж: 4 года 11 месяцев
Репутация: 319
Откуда: Earth
Аудио система: Патефон

Re: Собираем усилитель TPA3255 2x260W 2Ch Class D

Сообщение PJK »

Виктор Д. писал(а): 26 май 2022, 10:11
PJK писал(а): 26 май 2022, 01:36 У этого усилителя, по умолчанию, входное R=10kOm
10К это если по RCA и 20К если по xlr
Получается патанцеометр надо брать в два раза больше тоесть около 20К для RCA и 50К для xlr я правильно понимаю ?
В любом случае, что RCA, что XLR - входное 10 кОм для каждого входа. Посмотрите принципиальную схему, поймёте.

"Получается патанцеометр надо брать в два раза больше то есть около 20К для RCA и 50К для xlr я правильно понимаю ?" -
Нет, не получается... Потенциометр должен быть меньше по сопротивлению, чем входное сопротивление усилителя, в Вашем случае (XLR):
4 секции, каждая секция менее 10 кОм - например 4.7 кОм или что-то близкое по номиналам.
Аватара пользователя
Dysindich
Гуру электроники☆☆☆☆
Сообщения: 900
Стаж: 5 лет 1 месяц
Репутация: 220
Откуда: Liege, Belgium
Аудио система: Onkyo Integra M-506 / Technics sb -m1000/ Lynx D-78-Lynx P05 / Sony NW-WM1A /Koss Porta pro/ Zidoo Neo Alpha /Clone N-Core

Re: Собираем усилитель TPA3255 2x260W 2Ch Class D

Сообщение Dysindich »

:-)
:-)
настраивать требуется любую табакерку.
Наша - весьма чувствительна, к конкретной нагрузке (колонкам)...Зато, после оптимизации - полная нирвана . Потом слышны каждые кондейки
в тракте... (хотя, измерить это - весьма проблематично , методология , знаете ли...)
If you are a pilot, then you are already not shit!
XIAN
Гуру АС
Сообщения: 1037
Стаж: 5 лет 2 месяца
Репутация: 414
Откуда: Киев
Аудио система: DIY

Re: Собираем усилитель TPA3255 2x260W 2Ch Class D

Сообщение XIAN »

Dysindich писал(а): 26 май 2022, 16:20 (хотя, измерить это - весьма проблематично , методология , знаете ли...)
Было бы желание. Тут предлагал как. Можно записать вариант до и после модификации и сравнить. Форумчанам, тоже, интересно будет, я думаю.
Аватара пользователя
LinuxManiac
Добрейший модератор
Сообщения: 1270
Стаж: 6 лет 11 месяцев
Репутация: 834
Откуда: Киев
Контактная информация:

Re: Собираем усилитель TPA3255 2x260W 2Ch Class D

Сообщение LinuxManiac »

Тема очищена.
В случае продолжения неконструктивного обсуждения, тема, по поручению Админа, будет закрыта.
Модератор.
050-246-3341; Viber: 068-362-3497
Snik0
Новичок
Сообщения: 9
Стаж: 3 года 9 месяцев
Репутация: 0
Откуда: Россия
Аудио система: 35ас-001

Re: Собираем усилитель TPA3255 2x260W 2Ch Class D

Сообщение Snik0 »

PJK писал(а): 02 окт 2021, 08:17 Собственно сам сабж был куплен на АлиЭкспресс, и выгдит вот так на их сайте:
Здравствуйте, добавьте пожалуйста ссылку на данную плату, сейчас они другого вида продаются. Или если можно, могли бы вы ссылку дать на нормальную плату tpa3255? С чип дипа не хочется брать, много плохих отзывов.

И ещё вопрос, подскажите темброблок нормально будет к этой плате приделать или считаете нет смысла в нем?
Аватара пользователя
Dysindich
Гуру электроники☆☆☆☆
Сообщения: 900
Стаж: 5 лет 1 месяц
Репутация: 220
Откуда: Liege, Belgium
Аудио система: Onkyo Integra M-506 / Technics sb -m1000/ Lynx D-78-Lynx P05 / Sony NW-WM1A /Koss Porta pro/ Zidoo Neo Alpha /Clone N-Core

Re: Собираем усилитель TPA3255 2x260W 2Ch Class D

Сообщение Dysindich »

Дело, совсем не в плате.... (если Вы ждете результатов, то - закажите кондейки серии VR от Ничикона....)
Этот рецепт, будет революционным в вашей жизни.. Попробуйте, потом - будете ругать меня...
Кстати, : VR серия - не является серией (какой-то - "специальной! ) Однако, в блоках питания .... настоятельно рекомендую , использовать именно эти кондейки... (кстати, купить их - будет не так просто....)
If you are a pilot, then you are already not shit!
Аватара пользователя
PJK
Друзья v-mire.net
Сообщения: 784
Стаж: 4 года 11 месяцев
Репутация: 319
Откуда: Earth
Аудио система: Патефон

Re: Собираем усилитель TPA3255 2x260W 2Ch Class D

Сообщение PJK »

Snik0 писал(а): 26 май 2022, 23:04
PJK писал(а): 02 окт 2021, 08:17 Собственно сам сабж был куплен на АлиЭкспресс, и выгдит вот так на их сайте:
Здравствуйте, добавьте пожалуйста ссылку на данную плату, сейчас они другого вида продаются. Или если можно, могли бы вы ссылку дать на нормальную плату tpa3255? С чип дипа не хочется брать, много плохих отзывов.
https://aliexpress.ru/item/100000900833 ... 3aa9gS0XHh
Последний раз редактировалось PJK 27 май 2022, 03:56, всего редактировалось 1 раз.
Аватара пользователя
PJK
Друзья v-mire.net
Сообщения: 784
Стаж: 4 года 11 месяцев
Репутация: 319
Откуда: Earth
Аудио система: Патефон

Re: Собираем усилитель TPA3255 2x260W 2Ch Class D

Сообщение PJK »

Snik0 писал(а): 26 май 2022, 23:04 И ещё вопрос, подскажите темброблок нормально будет к этой плате приделать или считаете нет смысла в нем?
Смысл у каждого свой, как и уши, акустика, помещение.
Поэтому я Вам ничего советовать не буду.
Аватара пользователя
Виктор Д.
Пользователь
Сообщения: 25
Стаж: 4 года 9 месяцев
Репутация: 0
Откуда: Россия
Аудио система: Цап9038, усилитель pioneer a717, icepower, АС хендмейд.
Контактная информация:

Re: Собираем усилитель TPA3255 2x260W 2Ch Class D

Сообщение Виктор Д. »

Dysindich писал(а): 27 май 2022, 02:40 Кстати, : VR серия - не является серией (какой-то - "специальной! ) Однако, в блоках питания .... настоятельно рекомендую , использовать именно эти кондейки... (кстати, купить их - будет не так просто....)
Вы имеете ввиду в блоках питания обычных не в данную плату усилка ?
Вообще много факторов влияет таких как тип диодов : Шоттки или ультрофасты или стандартные (кстати последние мне нравится шунтить) с разными типами диодов и характер звука конденсаторов меняется , а так же далее что по цепи стоит и какие далее будут стабилизаторы/конденсаторы/операционники тоесть все взаимосвязано ...
К примеру в усилителе для наушников на tpa6120 в блоке питания со стандартными диодами (+шунт 1000пф пленка) хорошо показала себя связка ничикон КА после диодов но далее после стабилизаторов в обвязке 6120 и операционника ничикон fg (так как ничикон КА имеет светлое резковато - аналитичное звучание а ничикон FG теплое то они хорошо сочились...
Или к примеру в том же усилителе я ставил диоды ультрофаст бусинки от вишай то хорошо получилось в блоке питания ничикон KW и далее в обвязке vishay 515d (KW теплый аналоговый звук + 515d светлый с небольшим акцентом на ВЧ и хорошим мидбасом)

По этому факторов много ....
Но попробую ничикон VR , слышал про них тоже хорошие отзывы... Только их куда и с чем не все говорят )
Последний раз редактировалось Виктор Д. 27 май 2022, 07:08, всего редактировалось 1 раз.
Аватара пользователя
Виктор Д.
Пользователь
Сообщения: 25
Стаж: 4 года 9 месяцев
Репутация: 0
Откуда: Россия
Аудио система: Цап9038, усилитель pioneer a717, icepower, АС хендмейд.
Контактная информация:

Re: Собираем усилитель TPA3255 2x260W 2Ch Class D

Сообщение Виктор Д. »

PJK писал(а): 26 май 2022, 10:45
Виктор Д. писал(а): 26 май 2022, 10:11
PJK писал(а): 26 май 2022, 01:36 У этого усилителя, по умолчанию, входное R=10kOm
10К это если по RCA и 20К если по xlr
Получается патанцеометр надо брать в два раза больше тоесть около 20К для RCA и 50К для xlr я правильно понимаю ?
В любом случае, что RCA, что XLR - входное 10 кОм для каждого входа. Посмотрите принципиальную схему, поймёте.

"Получается патанцеометр надо брать в два раза больше то есть около 20К для RCA и 50К для xlr я правильно понимаю ?" -
Нет, не получается... Потенциометр должен быть меньше по сопротивлению, чем входное сопротивление усилителя, в Вашем случае (XLR):
4 секции, каждая секция менее 10 кОм - например 4.7 кОм или что-то близкое по номиналам.
Спасибо, учту.
Snik0
Новичок
Сообщения: 9
Стаж: 3 года 9 месяцев
Репутация: 0
Откуда: Россия
Аудио система: 35ас-001

Re: Собираем усилитель TPA3255 2x260W 2Ch Class D

Сообщение Snik0 »

PJK писал(а): 27 май 2022, 03:12 https://aliexpress.ru/item/100000900833 ... 3aa9gS0XHh
Спасибо, не думал, что она столько будет стоить) прибалдел от цены немного) ) 6к (7к с доставкой)

А чем она отличается от платы за 3к?(там 2 версии, делюкс если рассматривать там)
https://a.aliexpress.com/_97wVVz
Аватара пользователя
PJK
Друзья v-mire.net
Сообщения: 784
Стаж: 4 года 11 месяцев
Репутация: 319
Откуда: Earth
Аудио система: Патефон

Re: Собираем усилитель TPA3255 2x260W 2Ch Class D

Сообщение PJK »

Snik0 писал(а): 27 май 2022, 12:57
PJK писал(а): 27 май 2022, 03:12 https://aliexpress.ru/item/100000900833 ... 3aa9gS0XHh
Спасибо, не думал, что она столько будет стоить) прибалдел от цены немного) ) 6к (7к с доставкой)

А чем она отличается от платы за 3к?(там 2 версии, делюкс если рассматривать там)
https://a.aliexpress.com/_97wVVz
На вид отличается топологией, элементной базой. В остальном же, пока не попробуешь, не узнаешь. Ищите отзывы на эту новую плату, на просторах интернета.
Alex-64
Сообщения: 4
Стаж: 3 года 7 месяцев
Репутация: 0
Откуда: RF
Аудио система: Разное

Re: Собираем усилитель TPA3255 2x260W 2Ch Class D

Сообщение Alex-64 »

Подскажите, где (ресурс) почитать по теме триггерного управления 12ЯV (вкл/выкл) УМЗЧ, типовые схемы управления и готовые модули с Али для интеграции данного решения в УМ на базе 3255.
В рамках ЛекБеза.
В "поиске" ничего нарыть не удалось. Спасибо!
Аватара пользователя
PJK
Друзья v-mire.net
Сообщения: 784
Стаж: 4 года 11 месяцев
Репутация: 319
Откуда: Earth
Аудио система: Патефон

Re: Собираем усилитель TPA3255 2x260W 2Ch Class D

Сообщение PJK »

Alex-64 писал(а): 17 июл 2022, 14:16 Подскажите, где (ресурс) почитать по теме триггерного управления 12ЯV (вкл/выкл) УМЗЧ, типовые схемы управления и готовые модули с Али для интеграции данного решения в УМ на базе 3255.
В рамках ЛекБеза.
В "поиске" ничего нарыть не удалось. Спасибо!
"триггерного управления 12ЯV" - ничего не понял.
Что Вы хотите сделать?
Alex-64
Сообщения: 4
Стаж: 3 года 7 месяцев
Репутация: 0
Откуда: RF
Аудио система: Разное

Re: Собираем усилитель TPA3255 2x260W 2Ch Class D

Сообщение Alex-64 »

Вопрос в следующем. Есть предусилитель Yamaha WXC-50 (и другие варианты) с триггерным выходом (12 вольт) для управления включением питания связанных устройств (усилитель мощности, САБ и т.д.). Если собрать усилитель мощности на основе обсуждаемой платы на TPA3255, то как можно реализовать триггерный вход (вход/выход) для варианта включения УМ при включении предусилителя. В поиске нигде не нашел информации по данному вопросу (как реализуется, типовые схемы ..).
Также интересуют следующие вопросы в рамках реализации УМ на базе данной платы:
1. Возможно ли реализовать режимы MUTE и ST-BY, возможные варианты схем, особенности..
2. На плате в локации колодок входов (на чипы предусилитель) имеется разъем 12V. Правильно понимаю, что это для подачи питания 12V на плату (питание чипов) или это выход 12V с платы. Требования к питанию 12V.
3. Возможно ли реализовать использование как симметричных так и несимметричных входов на выбор - разные разъемы на задней стенке УМ с механическим переключением выбора (по аналогии с фабричными решениями), схемы реализации.
4. Если на морду УМ вывести стрелочные индикаторы уровня сигнала, какую рекомендуете использовать схему (плату с Али) и точки подключения. Или это лишнее.
Прорабатываю возможность реализации УМ на рекомендованной плате без органов регулировки (усиление, баланс ...) - вход с отдельного предварительного усилителя.
Спасибо!
Аватара пользователя
Justas*
Гуру электроники☆☆☆☆
Сообщения: 2447
Стаж: 4 года 5 месяцев
Репутация: 1342
Откуда: Украина
Аудио система: viewtopic.php?p=17721#p17721

Re: Собираем усилитель TPA3255 2x260W 2Ch Class D

Сообщение Justas* »

Alex-64 писал(а): 21 июл 2022, 09:19 Вопрос в следующем. Есть предусилитель Yamaha WXC-50 (и другие варианты) с триггерным выходом (12 вольт) для управления включением питания связанных устройств (усилитель мощности, САБ и т.д.). Если собрать усилитель мощности на основе обсуждаемой платы на TPA3255, то как можно реализовать триггерный вход (вход/выход) для варианта включения УМ при включении предусилителя.
1. Обычное 12-ти вольтовое реле включающее питание на усилиткль
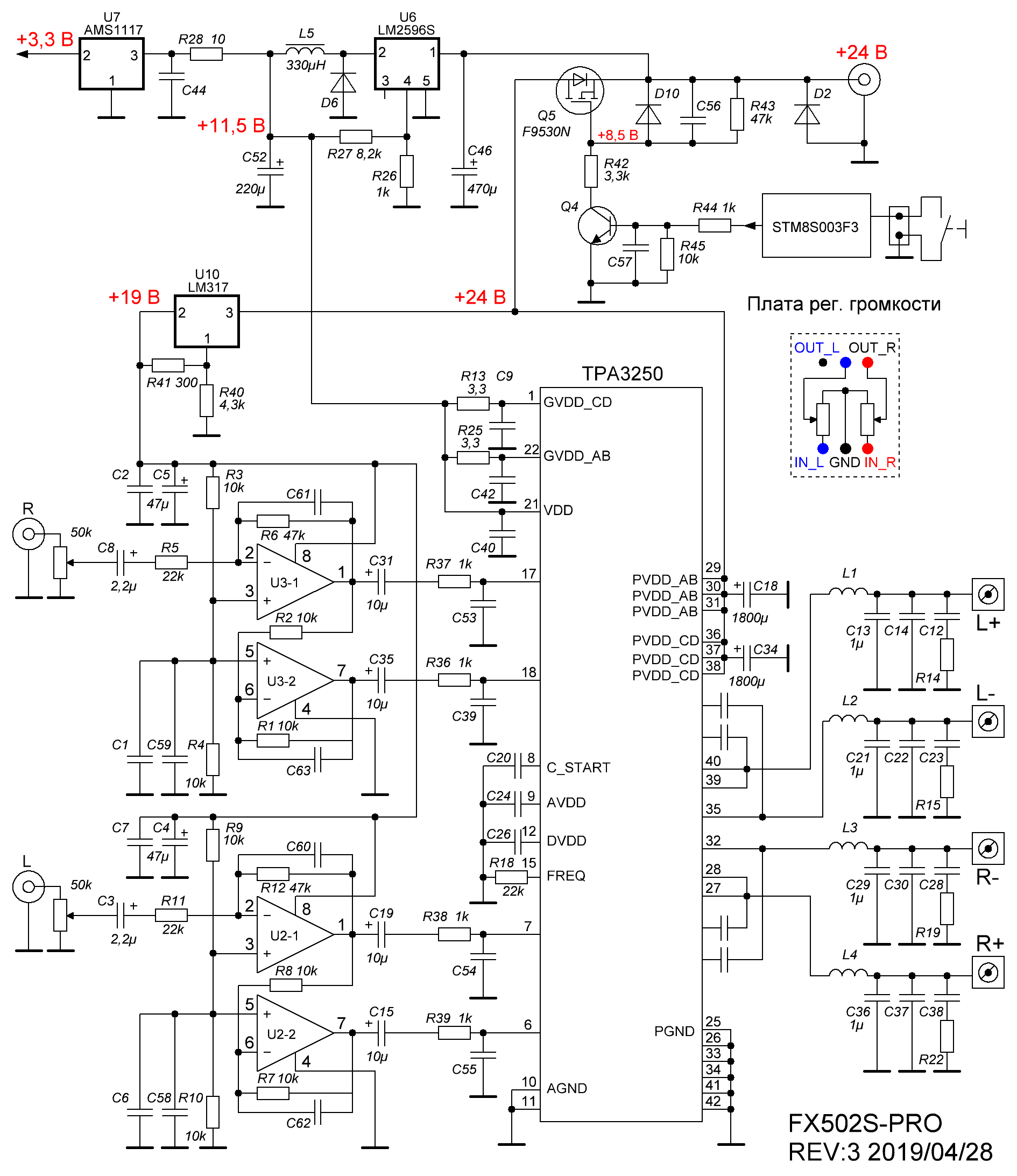
2. Твердотельное реле, как в FX-Audio - FX502S PRO (транзистор Q5)
download/file.php?id=2775
В самой 3255 MUTE и ST-BY нет. MUTE можно организовать по другому, только зачем ?
Аватара пользователя
PJK
Друзья v-mire.net
Сообщения: 784
Стаж: 4 года 11 месяцев
Репутация: 319
Откуда: Earth
Аудио система: Патефон

Re: Собираем усилитель TPA3255 2x260W 2Ch Class D

Сообщение PJK »

Alex-64 писал(а): 21 июл 2022, 09:19 Также интересуют следующие вопросы в рамках реализации УМ на базе данной платы:
1. Возможно ли реализовать режимы MUTE и ST-BY, возможные варианты схем, особенности..
2. На плате в локации колодок входов (на чипы предусилитель) имеется разъем 12V. Правильно понимаю, что это для подачи питания 12V на плату (питание чипов) или это выход 12V с платы. Требования к питанию 12V.
3. Возможно ли реализовать использование как симметричных так и несимметричных входов на выбор - разные разъемы на задней стенке УМ с механическим переключением выбора (по аналогии с фабричными решениями), схемы реализации.
4. Если на морду УМ вывести стрелочные индикаторы уровня сигнала, какую рекомендуете использовать схему (плату с Али) и точки подключения. Или это лишнее.
Прорабатываю возможность реализации УМ на рекомендованной плате без органов регулировки (усиление, баланс ...) - вход с отдельного предварительного усилителя.
Спасибо!
Добрый день!
Полностью солидарен с ответами от Justas*
---
1. Если поставите регулятор громкости, который я осветил в начале данной темы ( viewtopic.php?p=16323#p16323 ) , то "Mute" там реализован. Но у Вас уже есть предварительный усилитель, поэтому не вижу абсолютно никакого смысла городить огород.
2. Это выход 12 вольт. Нагружать его не стоит более чем 150 - 200 мА. Стабилизатор стоит на плате без радиатора, и использует лишь медь на плате в качестве теплоотвода.
3. Да возможно, если вместо джамперов на плате, поставить реле. Есть и другие варианты реализации, но они сложнее.
4.Лишнее или не лишнее, решать только Вам.
Я использовал такой: https://aliexpress.ru/item/32976358337.html
Alex-64
Сообщения: 4
Стаж: 3 года 7 месяцев
Репутация: 0
Откуда: RF
Аудио система: Разное

Re: Собираем усилитель TPA3255 2x260W 2Ch Class D

Сообщение Alex-64 »

Justas* писал(а): 22 июл 2022, 02:23
Alex-64 писал(а): 21 июл 2022, 09:19 Вопрос в следующем. Есть предусилитель Yamaha WXC-50 (и другие варианты) с триггерным выходом (12 вольт) для управления включением питания связанных устройств (усилитель мощности, САБ и т.д.). Если собрать усилитель мощности на основе обсуждаемой платы на TPA3255, то как можно реализовать триггерный вход (вход/выход) для варианта включения УМ при включении предусилителя.
1. Обычное 12-ти вольтовое реле включающее питание на усилиткль
2. Твердотельное реле, как в FX-Audio - FX502S PRO (транзистор Q5)
download/file.php?id=2775
В самой 3255 MUTE и ST-BY нет. MUTE можно организовать по другому, только зачем ?
Спасибо за ответы.
Если не сложно, уточните, "обычное" 12-ти вольтовое реле как триггерный вход на включение питания усилителя при включении предусилителя не будет перегружать триггерный выход преда. Есть ли здесь какие то тонкости, чтобы не спалить пред по нагрузке?
Если не использовать триггерное включение или в т.ч., то какие схемы включения питания (подача основного питания на усилитель - перевод из дежурного в боевой режим) существуют (готовые модули), если конечно не рассматривать примитивную кнопку-тумблер. Что то типа кнопки с двойной индикацией (дежурный и боевой режим), как сейчас "правильно" делается схема включения.
Нужен ли предохранитель по питанию на УМ.
Ответить

Вернуться в «Аудио усилители»