Темы в форуме
Новые сообщения
-
02-фев Усилитель звука D класса Clone purifi Hb 3.064 ULTRA
-
02-фев SMSL AO300 PRO — DAC + усилитель мощности + усилитель для наушников
-
31-янв Ламповый усилитель на 6Н9С KT88
-
29-янв Двухтактный на лампах EL34 в триодном включении
-
26-янв Усилитель JLH 1969
-
24-янв Интересный усилитель AIYIMA A80 TPA3255 PFFB
-
23-янв Ламповый усилитель для наушников HiFiMAN Edition XS
-
23-янв Ламповий Однотакт (SE)
-
23-янв Собираем усилитель TPA3255 2x260W 2Ch Class D
-
22-янв Усилитель на ГУ-29
Новые темы
-
22-янв Ламповый усилитель для наушников HiFiMAN Edition XS
-
11-янв Список схем ламповых двухтактных усилителей для наушников
-
07-янв SMSL AO300 PRO — DAC + усилитель мощности + усилитель для наушников
-
05-янв Ламповий Однотакт (SE)
-
31-дек Ламповый усилитель против D класса.
-
17-дек Ваш самый дорогой усилителль мощности
-
05-дек SMSL PA-X
-
02-дек Черырехканальный усилитель D класса Douk Audio G7
-
23-ноя Усилитель для наушников на TPA6120 с Алиэкспресс
-
04-ноя Все про лампу гу 15
Усилитель JLH 1969
- m-shara
- Почетный спонсор
- Сообщения: 1176
- Стаж: 3 года 1 месяц
- Репутация: 207
- Откуда: Латвия
- Аудио система: JVC TD-V662, Kenwood KX-880HX,
PP 6Н8С+EL34 20W
Акустика: Sony SS-G1 MK2
SONY WH-1000XM4,AKG K514, ATH-AVC500,
Звуковая: Focusrite 2i4
Re: Усилитель JLH 1969
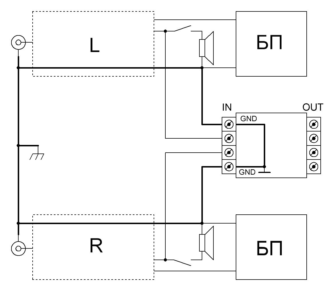
Прикупил с али такую защиту с задержкой включения.
И решил доработать вот так:
2-е контакты были не задействованы, поэтому решил их использовать в защите от щелчков (при включении) и автоматически - от прослушивания искаженного сигнала при отключении.
- при вкл. АС отключена, вых. конденсатор заряжается через резистор,
- через 3-5 сек реле срабатывает и подключает АС к уже заряженному конденсатору,
- при выкл. реле сразу отпускает и вых. конденсатор разряжается через резистор, а АС отключены.
ПС: резистор поставлю в несколько раз больше...
- при вкл. АС отключена, вых. конденсатор заряжается через резистор,
- через 3-5 сек реле срабатывает и подключает АС к уже заряженному конденсатору,
- при выкл. реле сразу отпускает и вых. конденсатор разряжается через резистор, а АС отключены.
ПС: резистор поставлю в несколько раз больше...
- Dr.Somebody
- Постоянный житель
- Сообщения: 206
- Стаж: 4 года
- Репутация: 83
- Откуда: Ukraine, Kyiv
- Аудио система: Неважливо
Re: Усилитель JLH 1969
Вы одну плату купили или две?m-shara писал(а): 13 фев 2023, 16:07 Прикупил с али такую защиту с задержкой включения.Защ_АС.jpg
И решил доработать вот так:Защита АС.jpg
2-е контакты были не задействованы, поэтому решил их использовать в защите от щелчков (при включении) и автоматически - от прослушивания искаженного сигнала при отключении.
- при вкл. АС отключена, вых. конденсатор заряжается через резистор,
- через 3-5 сек реле срабатывает и подключает АС к уже заряженному конденсатору,
- при выкл. реле сразу отпускает и вых. конденсатор разряжается через резистор, а АС отключены.
ПС: резистор поставлю в несколько раз больше...
- m-shara
- Почетный спонсор
- Сообщения: 1176
- Стаж: 3 года 1 месяц
- Репутация: 207
- Откуда: Латвия
- Аудио система: JVC TD-V662, Kenwood KX-880HX,
PP 6Н8С+EL34 20W
Акустика: Sony SS-G1 MK2
SONY WH-1000XM4,AKG K514, ATH-AVC500,
Звуковая: Focusrite 2i4
Re: Усилитель JLH 1969
Одну. А что?
- Dr.Somebody
- Постоянный житель
- Сообщения: 206
- Стаж: 4 года
- Репутация: 83
- Откуда: Ukraine, Kyiv
- Аудио система: Неважливо
Re: Усилитель JLH 1969
А то, что у нее общая силовая земля, и использовать ее как стерео не совсем корректно.
-
Sid
- Постоянный житель
- Сообщения: 373
- Стаж: 4 года 8 месяцев
- Репутация: 121
- Откуда: Украина
- Аудио система: JLH1969, ELAC BS 192, Fostex FE126EN
Re: Усилитель JLH 1969
Пользовал EPS-65s (viewtopic.php?f=52&t=1229) - практически то же самое по внешнему виду, размеру и пр. кроме шума:
у EPS-65s-24 - 240mVp-p, у RPS-65s-24 - 120mVp-p - в два раза меньше.
Наверное, у RPS более мощный выходной фильтр стоит. И цена на $2 больше.
Берём на вооружение. Спасибо.
- m-shara
- Почетный спонсор
- Сообщения: 1176
- Стаж: 3 года 1 месяц
- Репутация: 207
- Откуда: Латвия
- Аудио система: JVC TD-V662, Kenwood KX-880HX,
PP 6Н8С+EL34 20W
Акустика: Sony SS-G1 MK2
SONY WH-1000XM4,AKG K514, ATH-AVC500,
Звуковая: Focusrite 2i4
Re: Усилитель JLH 1969
Эта "общая силовая земля" - всего дорожка между контактами реле. Питание схемы от независимого трансформатора 13-18В. Если общая земля будет как то влиять - перережу дорожку и все.Dr.Somebody писал(а): 13 фев 2023, 22:55А то, что у нее общая силовая земля, и использовать ее как стерео не совсем корректно.
- Justas*
- Гуру электроники☆☆☆☆
- Сообщения: 2399
- Стаж: 4 года 4 месяца
- Репутация: 1320
- Откуда: Украина
- Аудио система: viewtopic.php?p=17721#p17721
Re: Усилитель JLH 1969
Если используется один БП на 2 канала, то при использовании одной платы защиты, хуже уже не будет.
Если делать "как положено", на каждый канал свой БП, то получите земляную петлю. IN GND на плате общий. Тут уже не разрежешь.
Если делать "как положено", на каждый канал свой БП, то получите земляную петлю. IN GND на плате общий. Тут уже не разрежешь.
- Dr.Somebody
- Постоянный житель
- Сообщения: 206
- Стаж: 4 года
- Репутация: 83
- Откуда: Ukraine, Kyiv
- Аудио система: Неважливо
Re: Усилитель JLH 1969
Там и другие нюансы есть....дерзайте, потом расскажете.m-shara писал(а): 14 фев 2023, 08:15 Эта "общая силовая земля" - всего дорожка между контактами реле. Питание схемы от независимого трансформатора 13-18В. Если общая земля будет как то влиять - перережу дорожку и все.
Не забудьте в конце померять взаимное проникновение каналов.
- Justas*
- Гуру электроники☆☆☆☆
- Сообщения: 2399
- Стаж: 4 года 4 месяца
- Репутация: 1320
- Откуда: Украина
- Аудио система: viewtopic.php?p=17721#p17721
Re: Усилитель JLH 1969
И 50-ти герцовый пик с гармониками
- m-shara
- Почетный спонсор
- Сообщения: 1176
- Стаж: 3 года 1 месяц
- Репутация: 207
- Откуда: Латвия
- Аудио система: JVC TD-V662, Kenwood KX-880HX,
PP 6Н8С+EL34 20W
Акустика: Sony SS-G1 MK2
SONY WH-1000XM4,AKG K514, ATH-AVC500,
Звуковая: Focusrite 2i4
Re: Усилитель JLH 1969
Питание у меня от двух ИБП на 27В. Так что 50 Герцам там не светит показаться, а тем более ее гармоникам. Можно и не резать ничего. Просто земли не заводить совсем. А землю для тех резисторов, что я рисовал на схеме, братьJustas* писал(а): 14 фев 2023, 10:10 Если используется один БП на 2 канала, то при использовании одной платы защиты, хуже уже не будет.![]()
Если делать "как положено", на каждый канал свой БП, то получите земляную петлю. IN GND на плате общий. Тут уже не разрежешь.
ас.png
с сооветствующих каналов. Защита здесь не нужна, а только задержка включения. Ну и переходным здесь неоткуда браться, не те цепи. Но за наводящие вопросы спасибо, чтобы не наступать на грабли.
- Justas*
- Гуру электроники☆☆☆☆
- Сообщения: 2399
- Стаж: 4 года 4 месяца
- Репутация: 1320
- Откуда: Украина
- Аудио система: viewtopic.php?p=17721#p17721
Re: Усилитель JLH 1969
Вы видимо не понимаете что такое "земляная петля" и как она образуется.
Откуда берутся 50Гц?
Как Вы думаете, почему светит неонка в индикаторе, будучи вставлена в розетку одним концом?
В линейном БП тоже не 50Гц, а 100.Питание у меня от двух ИБП на 27В. Так что 50 Герцам там не светит показаться, а тем более ее гармоникам.
Откуда берутся 50Гц?
Как Вы думаете, почему светит неонка в индикаторе, будучи вставлена в розетку одним концом?
Как это не заводить? А сигнал с обоих каналов по одному проводу будет идти, без земли?Просто земли не заводить совсем.
-
koss707
- Почетный пользователь
- Сообщения: 70
- Стаж: 4 года 5 месяцев
- Репутация: 18
- Откуда: Щучинск
- Аудио система: ad1853
Re: Усилитель JLH 1969
Разве для замыкания контактов реле защиты нужен сигнал? Разве без сигнала не стартует? Мне всегда казалось, что сигнал нужен для отслеживания постоянки при аварии.
- m-shara
- Почетный спонсор
- Сообщения: 1176
- Стаж: 3 года 1 месяц
- Репутация: 207
- Откуда: Латвия
- Аудио система: JVC TD-V662, Kenwood KX-880HX,
PP 6Н8С+EL34 20W
Акустика: Sony SS-G1 MK2
SONY WH-1000XM4,AKG K514, ATH-AVC500,
Звуковая: Focusrite 2i4
Re: Усилитель JLH 1969
Защитное устройство остается со своей землей (не подключается к земле УНЧ). Земля на АС поступает без коммутации. Коммутируются только "горячие" выходы к АС. И скорее всего отключу 2 резистора по 56 кОм.Justas* писал(а): 14 фев 2023, 12:31 Вы видимо не понимаете что такое "земляная петля" и как она образуется.
![]()
Как это не заводить? А сигнал с обоих каналов по одному проводу будет идти, без земли?
-
koss707
- Почетный пользователь
- Сообщения: 70
- Стаж: 4 года 5 месяцев
- Репутация: 18
- Откуда: Щучинск
- Аудио система: ad1853
Re: Усилитель JLH 1969
Только стоит ли оно того. добавляется лишнее соединение, контакты в реле хз какого качества.Лично меня легкий щелчок в ас не напрягает совсем.
- Dysindich
- Гуру электроники☆☆☆☆
- Сообщения: 900
- Стаж: 5 лет
- Репутация: 220
- Откуда: Liege, Belgium
- Аудио система: Onkyo Integra M-506 / Technics sb -m1000/ Lynx D-78-Lynx P05 / Sony NW-WM1A /Koss Porta pro/ Zidoo Neo Alpha /Clone N-Core
Re: Усилитель JLH 1969
Так как, "больше нет баллов репутации", тоJustas* писал(а): 14 фев 2023, 12:31 Вы видимо не понимаете что такое "земляная петля" и как она образуется.В линейном БП тоже не 50Гц, а 100.Питание у меня от двух ИБП на 27В. Так что 50 Герцам там не светит показаться, а тем более ее гармоникам.
Откуда берутся 50Гц?
Как Вы думаете, почему светит неонка в индикаторе, будучи вставлена в розетку одним концом?Как это не заводить? А сигнал с обоих каналов по одному проводу будет идти, без земли?Просто земли не заводить совсем.
Чтобы читатели задумывались и начинали "копать".( в направлении, что не так?)
If you are a pilot, then you are already not shit!
- Dr.Somebody
- Постоянный житель
- Сообщения: 206
- Стаж: 4 года
- Репутация: 83
- Откуда: Ukraine, Kyiv
- Аудио система: Неважливо
Re: Усилитель JLH 1969
Эта плата защиты изначально кривая во всем: по питанию, по земле, по толщине силовых дорожек. Лучше ее вообще не использовать или запараллелить два канала и добавить в питание мост, а два диода выкинуть.m-shara писал(а): 14 фев 2023, 13:52 Защитное устройство остается со своей землей (не подключается к земле УНЧ). Земля на АС поступает без коммутации. Коммутируются только "горячие" выходы к АС. И скорее всего отключу 2 резистора по 56 кОм.
Если пук при старте вас напрягает, попробуйте выходной кондер увеличить до 10000мКф.m-shara писал(а): 13 фев 2023, 16:07 Прикупил с али такую защиту с задержкой включения.Защ_АС.jpg
И решил доработать вот так:Защита АС.jpg
2-е контакты были не задействованы, поэтому решил их использовать в защите от щелчков (при включении) и автоматически - от прослушивания искаженного сигнала при отключении.
- при вкл. АС отключена, вых. конденсатор заряжается через резистор,
- через 3-5 сек реле срабатывает и подключает АС к уже заряженному конденсатору,
- при выкл. реле сразу отпускает и вых. конденсатор разряжается через резистор, а АС отключены.
ПС: резистор поставлю в несколько раз больше...
При выключении искаженного сигнала почти не будет, у вас же ИИП, там на выходе маленькие кондеры в фильтре питания. Они почти сразу разрядятся и все. Можно дополнительно подобрать гасящий резистор, благо у вас семикратный запас по мощности БП.
- m-shara
- Почетный спонсор
- Сообщения: 1176
- Стаж: 3 года 1 месяц
- Репутация: 207
- Откуда: Латвия
- Аудио система: JVC TD-V662, Kenwood KX-880HX,
PP 6Н8С+EL34 20W
Акустика: Sony SS-G1 MK2
SONY WH-1000XM4,AKG K514, ATH-AVC500,
Звуковая: Focusrite 2i4
Re: Усилитель JLH 1969
Контакты реле даже очень серьезные и при том два реле в паралель. Omron с серебрянными копейками. А мощность Худа - сами знаете какая. 
- m-shara
- Почетный спонсор
- Сообщения: 1176
- Стаж: 3 года 1 месяц
- Репутация: 207
- Откуда: Латвия
- Аудио система: JVC TD-V662, Kenwood KX-880HX,
PP 6Н8С+EL34 20W
Акустика: Sony SS-G1 MK2
SONY WH-1000XM4,AKG K514, ATH-AVC500,
Звуковая: Focusrite 2i4
Re: Усилитель JLH 1969
Меня тоже больше напрягает долгий хрип при выключении. Но уж если стрелять то в два зайца одним выстрелом.koss707 писал(а): 14 фев 2023, 14:08 Только стоит ли оно того. добавляется лишнее соединение, контакты в реле хз какого качества.Лично меня легкий щелчок в ас не напрягает совсем.
-
koss707
- Почетный пользователь
- Сообщения: 70
- Стаж: 4 года 5 месяцев
- Репутация: 18
- Откуда: Щучинск
- Аудио система: ad1853
Re: Усилитель JLH 1969
И в мыслях не было вас отговаривать.Ставьте раз нужно.
- Justas*
- Гуру электроники☆☆☆☆
- Сообщения: 2399
- Стаж: 4 года 4 месяца
- Репутация: 1320
- Откуда: Украина
- Аудио система: viewtopic.php?p=17721#p17721
Re: Усилитель JLH 1969
Ну если использовать этот модуль только в качестве реле задержки включения АС (благодаря наличию выходного конденсатора, JLH1969 в защите АС от постоянки не нуждается) то можно и так. На его входы выходы GND ничего не подключать. Дорожки "холодных" выводов АС обрезать (или вообще не подключать к клеммнику). А вот при использовании модуля в качестве и задержки и защиты от постоянки (двухполярный JLH2003), таки нужно два.m-shara писал(а): 14 фев 2023, 13:52 Защитное устройство остается со своей землей (не подключается к земле УНЧ). Земля на АС поступает без коммутации. Коммутируются только "горячие" выходы к АС. И скорее всего отключу 2 резистора по 56 кОм.
С одним, земляная петля неизбежна.
- Justas*
- Гуру электроники☆☆☆☆
- Сообщения: 2399
- Стаж: 4 года 4 месяца
- Репутация: 1320
- Откуда: Украина
- Аудио система: viewtopic.php?p=17721#p17721
- Adam
- Постоянный житель
- Сообщения: 370
- Стаж: 3 года 6 месяцев
- Репутация: 128
- Откуда: Київ
- Аудио система: Rega Planet 2000, ЦАП Shiit Modi 3, Lenco 75, Электроника-017, SE 300В, SE EL84(pent), Triangle Mizis 108
Re: Усилитель JLH 1969
Це схемка 1999 року Рода Елліотта, як відомо, друга і соратника самого Худа. Черговий варіант вдосконалення святої простоти, з благословіння самого автора.
Зарання вибачаюсь, якщо цей варіант вже розглядали тут.
А це підбірка відео житомирянина В'ячеслава Ширшова, який дуже ретельно "відшліфував" цей варіант (майже так, як пан Максим двополярну версію 2003 року...) https://www.youtube.com/playlist?list=P ... aNQFnxS2Z4.
Опис на його сайті https://www.nadotornado.com.ua/forum/mo ... 9-chast-1 .
Проект розпочатий майже 5 років тому, а відео зявилось зовсім недавно. Може хто вже повторив цей варіант? Прошу поділитись результатами, бо шось мені теж захотілось...
А це підбірка відео житомирянина В'ячеслава Ширшова, який дуже ретельно "відшліфував" цей варіант (майже так, як пан Максим двополярну версію 2003 року...) https://www.youtube.com/playlist?list=P ... aNQFnxS2Z4.
Опис на його сайті https://www.nadotornado.com.ua/forum/mo ... 9-chast-1 .
Проект розпочатий майже 5 років тому, а відео зявилось зовсім недавно. Може хто вже повторив цей варіант? Прошу поділитись результатами, бо шось мені теж захотілось...
- Dr.Somebody
- Постоянный житель
- Сообщения: 206
- Стаж: 4 года
- Репутация: 83
- Откуда: Ukraine, Kyiv
- Аудио система: Неважливо
Re: Усилитель JLH 1969
Цей житомирянин ще й файні тороідальні трансформатори робить, для аудіо)Adam писал(а): 15 фев 2023, 16:56 А це підбірка відео житомирянина В'ячеслава Ширшова, який дуже ретельно "відшліфував" цей варіант (майже так, як пан Максим двополярну версію 2003 року...)
Це я так, може хтось не знає.....підтримати вітчизняного виробника.
Последний раз редактировалось Dr.Somebody 15 фев 2023, 21:55, всего редактировалось 2 раза.
- Adam
- Постоянный житель
- Сообщения: 370
- Стаж: 3 года 6 месяцев
- Репутация: 128
- Откуда: Київ
- Аудио система: Rega Planet 2000, ЦАП Shiit Modi 3, Lenco 75, Электроника-017, SE 300В, SE EL84(pent), Triangle Mizis 108
Re: Усилитель JLH 1969
Знаємо, знаємо, дійсно гарні...
Ви мені краще розкажіть про 10000 на виході Худа, бо щось я погано спати став. Ширшов теж поставив ці 10000, але одним конденсатором, якщо я правильно зрозумів. У вас там десять паралельно. Ну індуктивність паразитну зменшимо. А якщо її там і так небагато? "Зачем же? Это же очень и очень..."©
Ви мені краще розкажіть про 10000 на виході Худа, бо щось я погано спати став. Ширшов теж поставив ці 10000, але одним конденсатором, якщо я правильно зрозумів. У вас там десять паралельно. Ну індуктивність паразитну зменшимо. А якщо її там і так небагато? "Зачем же? Это же очень и очень..."©
- Justas*
- Гуру электроники☆☆☆☆
- Сообщения: 2399
- Стаж: 4 года 4 месяца
- Репутация: 1320
- Откуда: Украина
- Аудио система: viewtopic.php?p=17721#p17721
Re: Усилитель JLH 1969
Увеличение выходной ёмкости приводит к понижению частоты среза на НЧ.
1000 мкФ - 4Ом = 40Гц
1000 мкФ - 8Ом = 20Гц
При 10000 мкФ, соответственно 4 и 2Гц.
Один, или 10 конденсаторов в параллель, дело десятое.
1000 мкФ - 4Ом = 40Гц
1000 мкФ - 8Ом = 20Гц
При 10000 мкФ, соответственно 4 и 2Гц.
Один, или 10 конденсаторов в параллель, дело десятое.
- Adam
- Постоянный житель
- Сообщения: 370
- Стаж: 3 года 6 месяцев
- Репутация: 128
- Откуда: Київ
- Аудио система: Rega Planet 2000, ЦАП Shiit Modi 3, Lenco 75, Электроника-017, SE 300В, SE EL84(pent), Triangle Mizis 108
Re: Усилитель JLH 1969
З НЧ це дійсно так.
Паразитна індуктивність вихідного конденсатора може нагадити у ВЧ. Можливо у дорогущих Нічіконах вона маленька, але ж ціна... Я до того веду, що можливо буде достатньо набрати батерею меншовартісних конденсаторів зі "стандарними" параметрами. Ну скажімо тих же Hitano?
Паразитна індуктивність вихідного конденсатора може нагадити у ВЧ. Можливо у дорогущих Нічіконах вона маленька, але ж ціна... Я до того веду, що можливо буде достатньо набрати батерею меншовартісних конденсаторів зі "стандарними" параметрами. Ну скажімо тих же Hitano?
- Justas*
- Гуру электроники☆☆☆☆
- Сообщения: 2399
- Стаж: 4 года 4 месяца
- Репутация: 1320
- Откуда: Украина
- Аудио система: viewtopic.php?p=17721#p17721
Re: Усилитель JLH 1969
И насколько у Hitano индуктивность больше чем у Нічікон?
При параллельном соединении нужно учитывать индуктивность проводов (дорожек).
А индуктивность акустического кабеля, может переплюнуть все прочие индуктивности.
При параллельном соединении нужно учитывать индуктивность проводов (дорожек).
А индуктивность акустического кабеля, может переплюнуть все прочие индуктивности.
Re: Усилитель JLH 1969
Хтось із друзів Худа запропонував замість дорогущої вихідної банки поставити в паралель багато дешевших.Adam писал(а): 15 фев 2023, 19:38 Я до того веду, що можливо буде достатньо набрати батерею меншовартісних конденсаторів зі "стандарними" параметрами.
Ємність менше - менше ціна, якість теж може бути не такою космічною. У нього стояло там штук 30-40 в паралель, якщо не помиляюсь....
- Adam
- Постоянный житель
- Сообщения: 370
- Стаж: 3 года 6 месяцев
- Репутация: 128
- Откуда: Київ
- Аудио система: Rega Planet 2000, ЦАП Shiit Modi 3, Lenco 75, Электроника-017, SE 300В, SE EL84(pent), Triangle Mizis 108
Re: Усилитель JLH 1969
Є підозра, що вона тільки більша...
Точно. Тут взяли, а там загубили. І тут http://dl2kq.de/ant/kniga/541e.htm теж пишуть, що "нє всьо так однозначно.."Justas* писал(а): 15 фев 2023, 19:46 При параллельном соединении нужно учитывать индуктивность проводов (дорожек).
Мабуть таки краще один хороший Нічікон. Або два
- Dr.Somebody
- Постоянный житель
- Сообщения: 206
- Стаж: 4 года
- Репутация: 83
- Откуда: Ukraine, Kyiv
- Аудио система: Неважливо
Re: Усилитель JLH 1969
Я цей посилювач роблю для себе і в форматі "максі".Adam писал(а): 15 фев 2023, 18:54 Знаємо, знаємо, дійсно гарні...
Ви мені краще розкажіть про 10000 на виході Худа, бо щось я погано спати став. Ширшов теж поставив ці 10000, але одним конденсатором, якщо я правильно зрозумів. У вас там десять паралельно. Ну індуктивність паразитну зменшимо. А якщо її там і так небагато? "Зачем же? Это же очень и очень..."©
Nichicon KZ я купував ще до пандемії і в США на Маузері, вони вийшли десь на 50% дешевше, ніж купувати у Володимира.
Але можна трошки секономити та поставити серію KA, вона теж для аудіо.