Темы в форуме

Переделка ас под би-ампинг,Mission lx2,Rz840

audiomaniac3
Постоянный житель
Сообщения: 270
Стаж: 3 года 6 месяцев
Репутация: 22
Откуда: Tallinn
Аудио система: Tpa3255

Re: Переделка ас под би-ампинг,Mission lx2,Rz840

Сообщение audiomaniac3 »

Justas* писал(а): 18 фев 2023, 11:59
Essence писал(а): 18 фев 2023, 11:19 Для акустики шумность не при делах
Как и мизерная индуктивность резистора в единицы Ом.
Самые лучшие резисторы проволочные, намотанные безиндуктивно.
Согласен. Но к китайским цементным "кирпичам" это не относится.
но раз уж тебе посоветовали дорогие металлопленочные, то уж лучше поработать ручками. Нужен мост для точной подгонки.

Ещё нужен каркас, провод с высоким удельным сопротивлением и точечная сварка. Ну и руки не из ж... :D
Спасибо. Я лучше отдам 3 - 5 грн за металло-плёнку.
«Не умножай сущности сверх необходимого» (С)
И еще вопрос,можно ли как-то определить номинал катушки индуктивности на вч динамике,на нее намотан совсем тонкий провод,сопротивление мерил 1.5ом примерно.
Аватара пользователя
Justas*
Гуру электроники☆☆☆☆
Сообщения: 2438
Стаж: 4 года 5 месяцев
Репутация: 1340
Откуда: Украина
Аудио система: viewtopic.php?p=17721#p17721

Re: Переделка ас под би-ампинг,Mission lx2,Rz840

Сообщение Justas* »

audiomaniac3 писал(а): 19 фев 2023, 20:32 Замерил ачх микрофоном от ресивера,на месте где я слушаю музыку,увидел что идет завал после 10кгц.
Микрофон от ресивера АЧХ валит. Кстати, а где она? Без этого, как в анекдоте: «Слышал я вашего Карузо, мне Рабинович в телефон напел».
На счет резисторов такой вопрос,можно ли ставить вместо 5w,10w но с таким же сопротивлением?
Можно, будет надёжней. Но в этой схеме, особого смысла нет.
Могли ли резисторы выйти из строя, так как замерив их мультиметром,прибор показал сопротивление больше,чем указано,возможно также мой мультиметр не совсем точный.
Маловероятно. Скорее всего мультиметр. Опять, какой мультиметр, как меряли?
1.Замкните щупы, сколько Ом показывает? Эти показания нужно вычитать при измерениях.
2.Измерьте заведомо исправный резистор.
можно ли как-то определить номинал катушки индуктивности на вч динамике,на нее намотан совсем тонкий провод,сопротивление мерил 1.5ом примерно.
Толстый провод нужен для последовательной катушки на НЧ. На ВЧ катушка стоит параллельно, толстый провод ни к чему. В некоторых случаях, последовательно с ней ставится резистор.
PS
Не обольщайтесь, замена резисторов (и др. деталей) в этой АС, кардинально ничего не изменит.
Не хочу обидеть, но с такими знаниями, за переделку браться не стоит.
audiomaniac3
Постоянный житель
Сообщения: 270
Стаж: 3 года 6 месяцев
Репутация: 22
Откуда: Tallinn
Аудио система: Tpa3255

Re: Переделка ас под би-ампинг,Mission lx2,Rz840

Сообщение audiomaniac3 »

Замерил еще раз резисторы,или тестер плохой или сопротивление на самом деле выше заявленного, индуктивность ровно 1ом,к сожалению не могу посмотреть точную модель вч динамика,он втоплен в корпус ,возможно это не тот же вч динамик как в mission lx2 mk3
Вложения
Screenshot_20230220_125003_Gallery.jpg
Screenshot_20230220_125022_Gallery.jpg
Screenshot_20230220_125109_Gallery.jpg
audiomaniac3
Постоянный житель
Сообщения: 270
Стаж: 3 года 6 месяцев
Репутация: 22
Откуда: Tallinn
Аудио система: Tpa3255

Re: Переделка ас под би-ампинг,Mission lx2,Rz840

Сообщение audiomaniac3 »

Justas* писал(а): 20 фев 2023, 12:51
audiomaniac3 писал(а): 19 фев 2023, 20:32 Замерил ачх микрофоном от ресивера,на месте где я слушаю музыку,увидел что идет завал после 10кгц.
Микрофон от ресивера АЧХ валит. Кстати, а где она? Без этого, как в анекдоте: «Слышал я вашего Карузо, мне Рабинович в телефон напел».
На счет резисторов такой вопрос,можно ли ставить вместо 5w,10w но с таким же сопротивлением?
Можно, будет надёжней. Но в этой схеме, особого смысла нет.
Могли ли резисторы выйти из строя, так как замерив их мультиметром,прибор показал сопротивление больше,чем указано,возможно также мой мультиметр не совсем точный.
Маловероятно. Скорее всего мультиметр. Опять, какой мультиметр, как меряли?
1.Замкните щупы, сколько Ом показывает? Эти показания нужно вычитать при измерениях.
2.Измерьте заведомо исправный резистор.
можно ли как-то определить номинал катушки индуктивности на вч динамике,на нее намотан совсем тонкий провод,сопротивление мерил 1.5ом примерно.
Толстый провод нужен для последовательной катушки на НЧ. На ВЧ катушка стоит параллельно, толстый провод ни к чему. В некоторых случаях, последовательно с ней ставится резистор.
PS
Не обольщайтесь, замена резисторов (и др. деталей) в этой АС, кардинально ничего не изменит.
Не хочу обидеть, но с такими знаниями, за переделку браться не стоит.
Еще не научился правильно выделять коммент,там сверху предъидущий коммент,мультиметр один из самых простых, но свое сопротивление показывает 0.1ома,
Я заказал резисторы как вы посоветовали, но если гулять так по полной,взял кондеры audiophiller по 33uf и 15uf на замену штатным,посмотрю как повлияют на звук как придет.
Вложения
Screenshot_20230220_213606_AliExpress.jpg
Screenshot_20230220_213614_AliExpress.jpg
audiomaniac3
Постоянный житель
Сообщения: 270
Стаж: 3 года 6 месяцев
Репутация: 22
Откуда: Tallinn
Аудио система: Tpa3255

Re: Переделка ас под би-ампинг,Mission lx2,Rz840

Сообщение audiomaniac3 »

Justas* писал(а): 18 фев 2023, 11:59
Essence писал(а): 18 фев 2023, 11:19 Для акустики шумность не при делах
Как и мизерная индуктивность резистора в единицы Ом.
Самые лучшие резисторы проволочные, намотанные безиндуктивно.
Согласен. Но к китайским цементным "кирпичам" это не относится.
но раз уж тебе посоветовали дорогие металлопленочные, то уж лучше поработать ручками. Нужен мост для точной подгонки.

Ещё нужен каркас, провод с высоким удельным сопротивлением и точечная сварка. Ну и руки не из ж... :D
Спасибо. Я лучше отдам 3 - 5 грн за металло-плёнку.
«Не умножай сущности сверх необходимого» (С)
Вот такая ачх получилась в месте прослушивания примерно два метра от ас (2.1 в месте с дешевым сабвуфером )

Но я немного редактировал эквалайзер.
Вложения
lx2frequency.jpg
audiomaniac3
Постоянный житель
Сообщения: 270
Стаж: 3 года 6 месяцев
Репутация: 22
Откуда: Tallinn
Аудио система: Tpa3255

Re: Переделка ас под би-ампинг,Mission lx2,Rz840

Сообщение audiomaniac3 »

Justas* писал(а): 01 фев 2023, 13:58
audiomaniac3 писал(а): 30 янв 2023, 23:32 Вообщем проводил ли кто-то такие манипуляции с переделкой ас под биампинг и как выравниванли ачх и задержку звука?
У меня бампинг, но не переделка. АС изготовлены с нуля.
АЧХ и задержки выравниваются фильтрами. Измерение АФЧХ и задержек каждого динамика - симуляция фильтров (активных и пассивных) в CAD - изготовление фильтров – проверка АФЧХ АС.
Ваш метод я бы назвал варварским.
Пищалки OC25SC65-04 в Mission lx 2, имеют довольно высокую частоту резонанса - 1380 Гц.
Соответственно, 2-я гармоника ниже 3кГц имеет ужасающую величину.
THD.png
Поэтому изготовитель применил ФВЧ Linkwitz-Riley 4-го порядка, с частотой среза около 3кГц.
Попробовал снять два конденсатора с внутреннего кроссовера вместе около 15uf и подключил к вч динамику,треск пропал.
уж больно понравился звук с фильтром первого порядка на двух запаралеленных конденсаторах,но и не хочется терять звуки ниже 2800гц.
С таким фильтром (Fсреза 2654Гц) Вы будете слышать звуки герц до 300. Но АЧХ пищалки не позволит.
Ощущение от таких манипуляций,звуки в фильмах,звонок старого телефона, дзыньканье посуды,вообщем практически все звенящие звуки ощущаются как будто происходят передо мной,очень естественно.
Ну ещё бы! Подавление резонанса всего 6дБ (можно сказать вообще не давиться). И вот он, звон резонанса нехило сдобренный гармониками.
Если Вам нравятся такие дикие искажения, то видимо что то не так со слуховым восприятием.
Нч/сч динамик подключен на прямую.
В таких мидах, присутствует ярко выраженный пик на 4-6кГц, со всеми вытекающими.
Если его не обрезать ФНЧ, то к искажениям пищалки добавятся искажения мида.
В Mission lx 2 судя по фото, довольно качественные фильтры сделанные с умом.
Здравствуйте, можете помочь, верно ли я посчитал,если я убираю резисторы вместо них ставля lpad для выравнивания громкости, сопротивление в цепи с 8.6 ом падает до сопротивления динамика 3.7 ом и придется значительно нарастить емкость конденсаторов,по калькулятору получилось так.

Я понимаю что вопрос весьма странный, но у меня ни по одному калькулятору не сходятся номиналы конденсаторов с частотой среза 2800гц с конденсаторами на плате.
Вложения
Screenshot_20230311_225426_Chrome Beta.jpg
Screenshot_20230311_225143_Chrome Beta.jpg
Аватара пользователя
Justas*
Гуру электроники☆☆☆☆
Сообщения: 2438
Стаж: 4 года 5 месяцев
Репутация: 1340
Откуда: Украина
Аудио система: viewtopic.php?p=17721#p17721

Re: Переделка ас под би-ампинг,Mission lx2,Rz840

Сообщение Justas* »

Ежики кололись, плакали, но продолжали жрать кактус. (с) :D
Что ещё за Lpad, которого нет в схеме? Откуда взялась частота раздела 1380Гц? Почему должны сходиться номиналы конденсаторов в Вашем расчёте с конденсаторами на плате? На плате и в расчёте, совершенно разные фильтры. И порядки и аппроксимация.
Неужели Вы думаете, что вменяемые разработчики АС пользуются подобными калькуляторами?
Будь моя воля, я бы составителям этих калькуляторов руки повыдёргивал. В печку их, как говорил пр. Преображенский.
нельзяя.jpg
нельзяя.jpg (42.97 КБ) 1459 просмотров

Почитайте для начала
https://forum.cxem.net/applications/cor ... p?id=71739
Но это лишь малая часть того, что нужно знать.
audiomaniac3
Постоянный житель
Сообщения: 270
Стаж: 3 года 6 месяцев
Репутация: 22
Откуда: Tallinn
Аудио система: Tpa3255

Re: Переделка ас под би-ампинг,Mission lx2,Rz840

Сообщение audiomaniac3 »

Justas* писал(а): 12 мар 2023, 11:55 Ежики кололись, плакали, но продолжали жрать кактус. (с) :D
Что ещё за Lpad, которого нет в схеме? Откуда взялась частота раздела 1380Гц? Почему должны сходиться номиналы конденсаторов в Вашем расчёте с конденсаторами на плате? На плате и в расчёте, совершенно разные фильтры. И порядки и аппроксимация.
Неужели Вы думаете, что вменяемые разработчики АС пользуются подобными калькуляторами?
Будь моя воля, я бы составителям этих калькуляторов руки повыдёргивал. В печку их, как говорил пр. Преображенский.
нельзяя.jpg
Почитайте для начала
https://forum.cxem.net/applications/cor ... p?id=71739
Но это лишь малая часть того, что нужно знать.

Статью прочитал,еще раз убедился что фильтр первого порядка не совсем верное решение.Также прочитал в интернете что последовательные резисторы в фильтрах используются для удешивления ас и если есть возможность лучше внедрить lpad.

Но если я хочу оставить родной кроссовер mission lx 2 для вч динамика,при этом слегка его доработать, убрав оба резистора 2.2 и 2.7ом,
Насколько нужно нарастить емкость конденсаторов мне это не понятно.
Здесь указано dc resistance 3 и minimun impedance 3.4. К сожалению на сайте производителя указана только crossover frequency 2800hz.
Убрав резисторы сопротивление падает до сопротивления динамика,тоесть примерно в 2.3 раза, в правильном пути я думаю, что придется увеличить емкость имеющихся конденсаторов на эту величину С 5.56uf до 12.7uf и второй конденсатор с 33.33uf до 76.6 uf?
Вложения
Screenshot_20230313_000555_Gallery.jpg
OC25SC65-04-specs.jpg
OC25SC65-04-specs.jpg (60.24 КБ) 1436 просмотров
audiomaniac3
Постоянный житель
Сообщения: 270
Стаж: 3 года 6 месяцев
Репутация: 22
Откуда: Tallinn
Аудио система: Tpa3255

Re: Переделка ас под би-ампинг,Mission lx2,Rz840

Сообщение audiomaniac3 »

audiomaniac3 писал(а): 11 мар 2023, 22:58
Justas* писал(а): 01 фев 2023, 13:58
audiomaniac3 писал(а): 30 янв 2023, 23:32 Вообщем проводил ли кто-то такие манипуляции с переделкой ас под биампинг и как выравниванли ачх и задержку звука?
У меня бампинг, но не переделка. АС изготовлены с нуля.
АЧХ и задержки выравниваются фильтрами. Измерение АФЧХ и задержек каждого динамика - симуляция фильтров (активных и пассивных) в CAD - изготовление фильтров – проверка АФЧХ АС.
Ваш метод я бы назвал варварским.
Пищалки OC25SC65-04 в Mission lx 2, имеют довольно высокую частоту резонанса - 1380 Гц.
Соответственно, 2-я гармоника ниже 3кГц имеет ужасающую величину.
THD.png
Поэтому изготовитель применил ФВЧ Linkwitz-Riley 4-го порядка, с частотой среза около 3кГц.
Попробовал снять два конденсатора с внутреннего кроссовера вместе около 15uf и подключил к вч динамику,треск пропал.
уж больно понравился звук с фильтром первого порядка на двух запаралеленных конденсаторах,но и не хочется терять звуки ниже 2800гц.
С таким фильтром (Fсреза 2654Гц) Вы будете слышать звуки герц до 300. Но АЧХ пищалки не позволит.
Ощущение от таких манипуляций,звуки в фильмах,звонок старого телефона, дзыньканье посуды,вообщем практически все звенящие звуки ощущаются как будто происходят передо мной,очень естественно.
Ну ещё бы! Подавление резонанса всего 6дБ (можно сказать вообще не давиться). И вот он, звон резонанса нехило сдобренный гармониками.
Если Вам нравятся такие дикие искажения, то видимо что то не так со слуховым восприятием.
Нч/сч динамик подключен на прямую.
В таких мидах, присутствует ярко выраженный пик на 4-6кГц, со всеми вытекающими.
Если его не обрезать ФНЧ, то к искажениям пищалки добавятся искажения мида.
В Mission lx 2 судя по фото, довольно качественные фильтры сделанные с умом.
Здравствуйте, можете помочь, верно ли я посчитал,если я убираю резисторы вместо них ставля lpad для выравнивания громкости, сопротивление в цепи с 8.6 ом падает до сопротивления динамика 3.7 ом и придется значительно нарастить емкость конденсаторов,по калькулятору получилось так.

Я понимаю что вопрос весьма странный, но у меня ни по одному калькулятору не сходятся номиналы конденсаторов с частотой среза 2800гц с конденсаторами на плате.
Просто у меня есть подозрение,что я пошел верным путем, но у меня были недочеты.

Убрав кроссовер с вч динамика,я выровнил ачх и скорее всего на программном уровне в ресивере стоит частота среза возможно около 1000 герц таким образом всю частоту на вч динамик он не отправляет,однако увеличилась громкость,её нужно выровнить лпадом и кроссовер третьего порядка оставить, но нарастить емкость конденсаторов чтобы всё соответствовало новому сопротивлению.
Кроссовер на НЧ динамик кардинально менять пока не собираюсь.
Аватара пользователя
Justas*
Гуру электроники☆☆☆☆
Сообщения: 2438
Стаж: 4 года 5 месяцев
Репутация: 1340
Откуда: Украина
Аудио система: viewtopic.php?p=17721#p17721

Re: Переделка ас под би-ампинг,Mission lx2,Rz840

Сообщение Justas* »

audiomaniac3 писал(а): 13 мар 2023, 00:01 Статью прочитал,еще раз убедился что фильтр первого порядка не совсем верное решение.Также прочитал в интернете что последовательные резисторы в фильтрах используются для удешивления ас и если есть возможность лучше внедрить lpad.
Не читайте до обеда советских газет(с) :D
Какое может получиться удешевление, если вместо 2-х последовательных резисторов (как в Вашем фильтре), поставить Lpad, тоже с двумя резисторами?
Что применять для ослабления, резистор или Lpad, решает разработчик. Там получаются немного разные частотные характеристики и минимальный импеданс. Выбирается более подходящий для конкретного фильтра вариант.
Выводы после прочтения статьи, у Вас неверные.
При определённых условиях, можно создать АС и на первых порядках.
1.Для выравнивания акустических центров нужно использовать коаксиальный динамик или регулируемую установку головок по глубине.
2.Головки должны иметь ровную АФЧХ на 2 октавы выше-ниже частоты раздела, а пищалка очень низкий резонанс (попробуйте такие найти).
Основной упор в статье делается на то, что по калькуляторам создать кроссовер нереально.
Нужен CAD, учитывающий все нюансы столь сложной системы. Даже размер баффла и расположение динамиков на нём, имеет значение.
А для CAD, нужны измеренные на конкретном баффле АФЧХ и ИЧХ каждой головки.
Здесь указано dc resistance 3 и minimun impedance 3.4. К сожалению на сайте производителя указана только crossover frequency 2800hz.
Прежде чем приступать к переделке, необходимо хотя бы ориентироваться в параметрах.
dc resistance 3, это сопротивление динамика по постоянному току.
minimun impedance 3.4, минимальное сопротивление по переменному току на определённой частоте. На других частотах оно выше.
Обратите внимание на fs 1380Hz. Это резонансная частота динамика, которую нужно душить фильтром. А вы на неё частоту раздела расчитывали. Частота раздела - crossover frequency 2800hz.
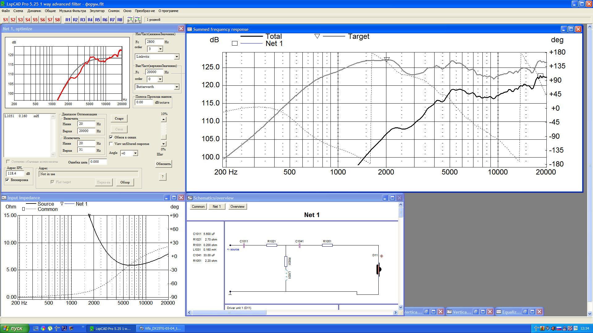
Я любопытства ради прикинул, что даёт ФВЧ из кроссовера. В качестве пищалки подставил АФЧХ и ИЧХ когда то измеренной Vifa DX25.
Кривая импеданса выше частоты резонанса, примерно соответствует Вашей пищалке. АЧХ естественно отличается, но в данном случае это не важно.
ФВЧ.PNG
Что мы видим.
Ослабление, которое дают 2 последовательных резистора, около -4,5дБ. Минимальный импеданс на частоте 6-7 кГц, 5.8 Ом. Подавление на частоте резонанса -20дБ (не зря 3-й порядок поставили).
Но если я хочу оставить родной кроссовер mission lx 2 для вч динамика,при этом слегка его доработать, убрав оба резистора 2.2 и 2.7ом,
Насколько нужно нарастить емкость конденсаторов мне это не понятно.
Убрав резисторы сопротивление падает до сопротивления динамика,тоесть примерно в 2.3 раза, в правильном пути я думаю, что придется увеличить емкость имеющихся конденсаторов на эту величину С 5.56uf до 12.7uf и второй конденсатор с 33.33uf до 76.6 uf?
Убрать резисторы, и как я понял, поставить Lpad. Lpad кстати, так же приводит сопротивление цепи делитель-динамик, к сопротивлению динамика.
Но если уж так хочется, то делайте. Никаких увеличений ёмкостей не требуется.
ФВЧ L pad.PNG
АФЧХ ниже 7 кГц не изменится, т.е. рассогласования с ФНЧ не будет. Минимальный импеданс упадёт до 3.5 Ом (на ВЧ это не критично). АЧХ выше 7 кГц подрастёт до +2дБ. Для Вас, думаю, это будет в плюс.
Убрав кроссовер с вч динамика,я выровнил ачх и скорее всего на программном уровне в ресивере стоит частота среза возможно около 1000 герц таким образом всю частоту на вч динамик он не отправляет,однако увеличилась громкость
Может для начала стоит с ресивером разобраться. Что за странный ресивер, в котором программный срез с 1 кГц и нет поканальной регулировки уровня.
Просто у меня есть подозрение,что я пошел верным путем
А у меня подозрение, что всё это шаманство, бесполезная затея. Возможно даже вредная.
Предлагаю оставить всё как есть.
Если уж точно не хватает высоких, их можно добавить, уменьшая сопротивление одного резистора (можно до нуля).
ФВЧ R рег.PNG
audiomaniac3
Постоянный житель
Сообщения: 270
Стаж: 3 года 6 месяцев
Репутация: 22
Откуда: Tallinn
Аудио система: Tpa3255

Re: Переделка ас под би-ампинг,Mission lx2,Rz840

Сообщение audiomaniac3 »

Justas* писал(а): 14 мар 2023, 01:46
audiomaniac3 писал(а): 13 мар 2023, 00:01 Статью прочитал,еще раз убедился что фильтр первого порядка не совсем верное решение.Также прочитал в интернете что последовательные резисторы в фильтрах используются для удешивления ас и если есть возможность лучше внедрить lpad.
Не читайте до обеда советских газет(с) :D
Какое может получиться удешевление, если вместо 2-х последовательных резисторов (как в Вашем фильтре), поставить Lpad, тоже с двумя резисторами?
Что применять для ослабления, резистор или Lpad, решает разработчик. Там получаются немного разные частотные характеристики и минимальный импеданс. Выбирается более подходящий для конкретного фильтра вариант.
Выводы после прочтения статьи, у Вас неверные.
При определённых условиях, можно создать АС и на первых порядках.
1.Для выравнивания акустических центров нужно использовать коаксиальный динамик или регулируемую установку головок по глубине.
2.Головки должны иметь ровную АФЧХ на 2 октавы выше-ниже частоты раздела, а пищалка очень низкий резонанс (попробуйте такие найти).
Основной упор в статье делается на то, что по калькуляторам создать кроссовер нереально.
Нужен CAD, учитывающий все нюансы столь сложной системы. Даже размер баффла и расположение динамиков на нём, имеет значение.
А для CAD, нужны измеренные на конкретном баффле АФЧХ и ИЧХ каждой головки.
Здесь указано dc resistance 3 и minimun impedance 3.4. К сожалению на сайте производителя указана только crossover frequency 2800hz.
Прежде чем приступать к переделке, необходимо хотя бы ориентироваться в параметрах.
dc resistance 3, это сопротивление динамика по постоянному току.
minimun impedance 3.4, минимальное сопротивление по переменному току на определённой частоте. На других частотах оно выше.
Обратите внимание на fs 1380Hz. Это резонансная частота динамика, которую нужно душить фильтром. А вы на неё частоту раздела расчитывали. Частота раздела - crossover frequency 2800hz.
Я любопытства ради прикинул, что даёт ФВЧ из кроссовера. В качестве пищалки подставил АФЧХ и ИЧХ когда то измеренной Vifa DX25.
Кривая импеданса выше частоты резонанса, примерно соответствует Вашей пищалке. АЧХ естественно отличается, но в данном случае это не важно.
ФВЧ.PNG
Что мы видим.
Ослабление, которое дают 2 последовательных резистора, около -4,5дБ. Минимальный импеданс на частоте 6-7 кГц, 5.8 Ом. Подавление на частоте резонанса -20дБ (не зря 3-й порядок поставили).
Но если я хочу оставить родной кроссовер mission lx 2 для вч динамика,при этом слегка его доработать, убрав оба резистора 2.2 и 2.7ом,
Насколько нужно нарастить емкость конденсаторов мне это не понятно.
Убрав резисторы сопротивление падает до сопротивления динамика,тоесть примерно в 2.3 раза, в правильном пути я думаю, что придется увеличить емкость имеющихся конденсаторов на эту величину С 5.56uf до 12.7uf и второй конденсатор с 33.33uf до 76.6 uf?
Убрать резисторы, и как я понял, поставить Lpad. Lpad кстати, так же приводит сопротивление цепи делитель-динамик, к сопротивлению динамика.
Но если уж так хочется, то делайте. Никаких увеличений ёмкостей не требуется.
ФВЧ L pad.PNG
АФЧХ ниже 7 кГц не изменится, т.е. рассогласования с ФНЧ не будет. Минимальный импеданс упадёт до 3.5 Ом (на ВЧ это не критично). АЧХ выше 7 кГц подрастёт до +2дБ. Для Вас, думаю, это будет в плюс.
Убрав кроссовер с вч динамика,я выровнил ачх и скорее всего на программном уровне в ресивере стоит частота среза возможно около 1000 герц таким образом всю частоту на вч динамик он не отправляет,однако увеличилась громкость
Может для начала стоит с ресивером разобраться. Что за странный ресивер, в котором программный срез с 1 кГц и нет поканальной регулировки уровня.
Просто у меня есть подозрение,что я пошел верным путем
А у меня подозрение, что всё это шаманство, бесполезная затея. Возможно даже вредная.
Предлагаю оставить всё как есть.
Если уж точно не хватает высоких, их можно добавить, уменьшая сопротивление одного резистора (можно до нуля).
ФВЧ R рег.PNG
Спасибо огромное за такой развернутый ответ,приеду домой буду паять кроссовер,у этих колонок вч динамик расположен снизу и у меня дома они расположены чуть ниже уровня головы при прослушивании,поэтому скорее всего конкретно мне не хватает высоких частот.
audiomaniac3
Постоянный житель
Сообщения: 270
Стаж: 3 года 6 месяцев
Репутация: 22
Откуда: Tallinn
Аудио система: Tpa3255

Re: Переделка ас под би-ампинг,Mission lx2,Rz840

Сообщение audiomaniac3 »

Justas* писал(а): 14 мар 2023, 01:46
audiomaniac3 писал(а): 13 мар 2023, 00:01 Статью прочитал,еще раз убедился что фильтр первого порядка не совсем верное решение.Также прочитал в интернете что последовательные резисторы в фильтрах используются для удешивления ас и если есть возможность лучше внедрить lpad.
Не читайте до обеда советских газет(с) :D
Какое может получиться удешевление, если вместо 2-х последовательных резисторов (как в Вашем фильтре), поставить Lpad, тоже с двумя резисторами?
Что применять для ослабления, резистор или Lpad, решает разработчик. Там получаются немного разные частотные характеристики и минимальный импеданс. Выбирается более подходящий для конкретного фильтра вариант.
Выводы после прочтения статьи, у Вас неверные.
При определённых условиях, можно создать АС и на первых порядках.
1.Для выравнивания акустических центров нужно использовать коаксиальный динамик или регулируемую установку головок по глубине.
2.Головки должны иметь ровную АФЧХ на 2 октавы выше-ниже частоты раздела, а пищалка очень низкий резонанс (попробуйте такие найти).
Основной упор в статье делается на то, что по калькуляторам создать кроссовер нереально.
Нужен CAD, учитывающий все нюансы столь сложной системы. Даже размер баффла и расположение динамиков на нём, имеет значение.
А для CAD, нужны измеренные на конкретном баффле АФЧХ и ИЧХ каждой головки.
Здесь указано dc resistance 3 и minimun impedance 3.4. К сожалению на сайте производителя указана только crossover frequency 2800hz.
Прежде чем приступать к переделке, необходимо хотя бы ориентироваться в параметрах.
dc resistance 3, это сопротивление динамика по постоянному току.
minimun impedance 3.4, минимальное сопротивление по переменному току на определённой частоте. На других частотах оно выше.
Обратите внимание на fs 1380Hz. Это резонансная частота динамика, которую нужно душить фильтром. А вы на неё частоту раздела расчитывали. Частота раздела - crossover frequency 2800hz.
Я любопытства ради прикинул, что даёт ФВЧ из кроссовера. В качестве пищалки подставил АФЧХ и ИЧХ когда то измеренной Vifa DX25.
Кривая импеданса выше частоты резонанса, примерно соответствует Вашей пищалке. АЧХ естественно отличается, но в данном случае это не важно.
ФВЧ.PNG
Что мы видим.
Ослабление, которое дают 2 последовательных резистора, около -4,5дБ. Минимальный импеданс на частоте 6-7 кГц, 5.8 Ом. Подавление на частоте резонанса -20дБ (не зря 3-й порядок поставили).
Но если я хочу оставить родной кроссовер mission lx 2 для вч динамика,при этом слегка его доработать, убрав оба резистора 2.2 и 2.7ом,
Насколько нужно нарастить емкость конденсаторов мне это не понятно.
Убрав резисторы сопротивление падает до сопротивления динамика,тоесть примерно в 2.3 раза, в правильном пути я думаю, что придется увеличить емкость имеющихся конденсаторов на эту величину С 5.56uf до 12.7uf и второй конденсатор с 33.33uf до 76.6 uf?
Убрать резисторы, и как я понял, поставить Lpad. Lpad кстати, так же приводит сопротивление цепи делитель-динамик, к сопротивлению динамика.
Но если уж так хочется, то делайте. Никаких увеличений ёмкостей не требуется.
ФВЧ L pad.PNG
АФЧХ ниже 7 кГц не изменится, т.е. рассогласования с ФНЧ не будет. Минимальный импеданс упадёт до 3.5 Ом (на ВЧ это не критично). АЧХ выше 7 кГц подрастёт до +2дБ. Для Вас, думаю, это будет в плюс.
Убрав кроссовер с вч динамика,я выровнил ачх и скорее всего на программном уровне в ресивере стоит частота среза возможно около 1000 герц таким образом всю частоту на вч динамик он не отправляет,однако увеличилась громкость
Может для начала стоит с ресивером разобраться. Что за странный ресивер, в котором программный срез с 1 кГц и нет поканальной регулировки уровня.
Просто у меня есть подозрение,что я пошел верным путем
А у меня подозрение, что всё это шаманство, бесполезная затея. Возможно даже вредная.
Предлагаю оставить всё как есть.
Если уж точно не хватает высоких, их можно добавить, уменьшая сопротивление одного резистора (можно до нуля).
ФВЧ R рег.PNG
Снова здравствуйте,я решил пойти с нескольких сторон,купил саб svs sb2000,сделал диффузор на стену и впаял покачто только конденсаторы,звук стал для меня лучше объективно,еще бы хотелось узнать пока не пришли резисторы,на сколько в lpad важна точность при подборе парралельного резистора? Если я хочу снизить громкость пищалки последовательный резистор стоит как указано 1.3ома,а вот парралельного номиналом 5ом у меня нету,можно ли ставить больше,например 10 или 20ом или же нужно искать с максимально близким значением который выдал калькулятор?
Вложения
Screenshot_20230318_093223_Gallery.jpg
IMG_20230317_080554_322.jpg
Screenshot_20230318_093336_Gallery.jpg
Аватара пользователя
Justas*
Гуру электроники☆☆☆☆
Сообщения: 2438
Стаж: 4 года 5 месяцев
Репутация: 1340
Откуда: Украина
Аудио система: viewtopic.php?p=17721#p17721

Re: Переделка ас под би-ампинг,Mission lx2,Rz840

Сообщение Justas* »

audiomaniac3 писал(а): 18 мар 2023, 09:32 на сколько в lpad важна точность при подборе парралельного резистора? Если я хочу снизить громкость пищалки последовательный резистор стоит как указано 1.3ома,а вот парралельного номиналом 5ом у меня нету,можно ли ставить больше,например 10 или 20ом или же нужно искать с максимально близким значением который выдал калькулятор?
Назначение Lpad, ослабить сигнал на N dB. При этом, общее сопротивление цепи Lpad + динамик (Ztotal), останется равным сопротивлению динамика.
Импеданс динамика на частоте раздела 3,4 Ом. Нужно ослабить на 4,5 дБ.
Получили 1,37 и 5,01 Ом.
download/file.php?id=5609&mode=view
Можно выбрать резисторы из стандартного ряда, 1,3 и 5,1 Ом. Существенных изменений не будет.
Но когда параллельный резистор увеличен в 2 и даже 4 раза, ослабление и Ztotal становятся другими. Зачем тогда нужен расчёт?
С параллельным резистором 20 Ом, выше 10 кГц ослабления уже нет, а ниже, несоответствие оригинальной АЧХ. Неясно что получится при сшивке с мидом.
Сравнение.PNG
Дался Вам этот Lpad. Чуда в звуке с ним не будет. Я же писал, что нужно оставить всё как есть, а изменением сопротивления R1021 от 2,7 до 0 Ом выставить уровень ВЧ по вкусу. Фаза на частоте раздела, изменяется незначительно, максимум 20º.
Вместо него можно поставить галетник на 6 положений и пять резисторов по 0,56 Ом.
Или на 4 положения и 3 резистора по 0,91 Ом.
Получите халявный регулятор тембра ВЧ от 0 до +5дБ.
Делитель.jpg
PS
Не нужно пересылать весть текст собеседника.
Нажали «Ответить с цитатой», оставили верх и низ, а в тексте удалили всё ненужное.
форум.png
Для проверки что получилось, есть кнопка «Предпросмотр».
XIAN
Гуру АС
Сообщения: 1037
Стаж: 5 лет 1 месяц
Репутация: 414
Откуда: Киев
Аудио система: DIY

Re: Переделка ас под би-ампинг,Mission lx2,Rz840

Сообщение XIAN »

audiomaniac3 писал(а): 18 мар 2023, 09:32 Снова здравствуйте,я решил пойти с нескольких сторон,купил саб svs sb2000
У мене є, для вас альтернативна ідея - можна ресивера підключити до ПК і використати програмний кроссовер, наприклад в JRiver. Такми чином ви заощадите купу часу, потім, якщо фінальний результат сподобається, модифікуєте кроси своїх колонок.
audiomaniac3
Постоянный житель
Сообщения: 270
Стаж: 3 года 6 месяцев
Репутация: 22
Откуда: Tallinn
Аудио система: Tpa3255

Re: Переделка ас под би-ампинг,Mission lx2,Rz840

Сообщение audiomaniac3 »

Justas* писал(а): 18 мар 2023, 22:31
audiomaniac3 писал(а): 18 мар 2023, 09:32
Нажали «Ответить с цитатой», оставили верх и низ, а в тексте удалили всё ненужное.
форум.png
Для проверки что получилось, есть кнопка «Предпросмотр».
Здравствуйте,спасибо возьму на заметку,просто с телефона не много тяжело удалять лишний текст.

Так вот,впаял новые конденсаторы и резисторы,улучшение в звуке вроде как появилось,но не совсем внятное,попробовал переделать на lpad резистор 1ом последовательно и два резистора 2.2,2.7 паралельно.Звук стал на мой слух приятнее,как-будто звуковые волны стали затухать постепенно,больше информации в музыке,но это опять же мои впечатления.

Я сделал для интереса два замера ачх,с комплектным к ресиверу микрофоном направленым вверх на месте прослушивания.

Зеленая ачх это колонки (без lpad) и саб,все меняющее звук отключено accueq, standing soundwaves,eq.Довольно большой завал после 10кгц.
Второй ачх уже с lpad и всем вышеперечисленным включенным и вручную поднятыми 16кгц на 5.5 децибел.

Не совсем точное сравнение,но я мерил и в одинаковых условиях, у версии с lpad тоже был завал после 10кгц, но чуть меньше.Так что выкрутил вч вручную.

Lpad оставлю,звук сейчас устраивает.
Вложения
missionlx.jpg
audiomaniac3
Постоянный житель
Сообщения: 270
Стаж: 3 года 6 месяцев
Репутация: 22
Откуда: Tallinn
Аудио система: Tpa3255

Re: Переделка ас под би-ампинг,Mission lx2,Rz840

Сообщение audiomaniac3 »

XIAN писал(а): 21 мар 2023, 18:26
audiomaniac3 писал(а): 18 мар 2023, 09:32 Снова здравствуйте,я решил пойти с нескольких сторон,купил саб svs sb2000
У мене є, для вас альтернативна ідея - можна ресивера підключити до ПК і використати програмний кроссовер, наприклад в JRiver. Такми чином ви заощадите купу часу, потім, якщо фінальний результат сподобається, модифікуєте кроси своїх колонок.
Нету возможности слушать музыку с компа,слушаю с телевизора,а там в теории если только какой-нибудь плеер типа Kodi,в нем сделают встроенный эквалайзер,при чем на всё каналы,но это неудобно.

Хотя с телефона через neutron можно с включенным eq стримить музыку сразу на ресивер,но я редко этим пользуюсь.
Ответить

Вернуться в «Акустические системы»