Темы в форуме
Новые сообщения
-
02-мар Прогресс усилителей мощности умер?
-
01-мар Усилитель JLH 1969
-
01-мар Усилитель D класса на базе плат 2_062 S_AUDIO от Alex
-
28-фев Ламповый усилитель на 6Н9С KT88
-
27-фев Усилитель NAD C328 (D класс 2х50 Вт)
-
26-фев Усилитель А класса JLH2003
-
25-фев Усилитель звука D класса Clone purifi Hb 3.064 ULTRA
-
17-фев Двухтактный на лампах EL34 в триодном включении
-
17-фев Усилитель на модулях PTERO TAS5342
-
12-фев Интересный усилитель AIYIMA A80 TPA3255 PFFB
Новые темы
-
26-фев Усилитель NAD C328 (D класс 2х50 Вт)
-
09-фев Прогресс усилителей мощности умер?
-
22-янв Ламповый усилитель для наушников HiFiMAN Edition XS
-
11-янв Список схем ламповых двухтактных усилителей для наушников
-
07-янв SMSL AO300 PRO — DAC + усилитель мощности + усилитель для наушников
-
05-янв Ламповий Однотакт (SE)
-
31-дек Ламповый усилитель против D класса.
-
17-дек Ваш самый дорогой усилителль мощности
-
05-дек SMSL PA-X
-
02-дек Черырехканальный усилитель D класса Douk Audio G7
Модернізація трансляційного ТУ100М в 2 кальний
-
Олександр
- Сообщения: 4
- Стаж: 3 года
- Репутация: 0
- Откуда: Димер
- Аудио система: YAMAHA HS8, Купа вініла не совкового, програвач Амерікан Аудіо, ТУ100М модернізований, акустична система по журналу Радіо 87 року.
Модернізація трансляційного ТУ100М в 2 кальний
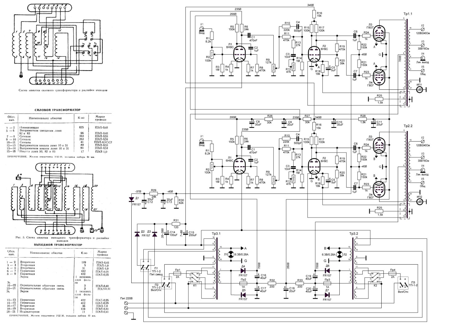
Допоможіть вдосконали схему. Можливо в когось буду зауваження, пропозиції по виконанню схеми. Також цікавлять пропозиції по корпусу. Є можливість зробити корпус в деревєяному виконанні(фанера шпонована). По корпусу в мене постало питання - чи не згорить він від температури? Чи не потріскається?
Схему та фото додаю.
П.С. Ціль проекту суто інженерна. Завданням не стої "вилизувати" до ідеалу пристрій, я не аудіозадрот. Тут саме цікава схемотехніка лампова.
Схему та фото додаю.
П.С. Ціль проекту суто інженерна. Завданням не стої "вилизувати" до ідеалу пристрій, я не аудіозадрот. Тут саме цікава схемотехніка лампова.
-
SVolk86
- Новичок
- Сообщения: 6
- Стаж: 2 года 9 месяцев
- Репутация: -4
- Откуда: Турция
- Аудио система: Thorens402DD (LP)
Tube amplifire 2xPSE (300B)
Klipsh Referens
Re: Модернізація трансляційного ТУ100М в 2 кальний
Доброго дня!
Схема мае помилки на мiй взор.
В блоцi живлення підсилювача - живлення напруження перших ламп
Неправильно підписані перемикачі мережі 220V і зміщення - треба навпаки
Схема мае помилки на мiй взор.
В блоцi живлення підсилювача - живлення напруження перших ламп
Неправильно підписані перемикачі мережі 220V і зміщення - треба навпаки
-
SVolk86
- Новичок
- Сообщения: 6
- Стаж: 2 года 9 месяцев
- Репутация: -4
- Откуда: Турция
- Аудио система: Thorens402DD (LP)
Tube amplifire 2xPSE (300B)
Klipsh Referens
Re: Модернізація трансляційного ТУ100М в 2 кальний
напруження накала перших ламп
-
SVolk86
- Новичок
- Сообщения: 6
- Стаж: 2 года 9 месяцев
- Репутация: -4
- Откуда: Турция
- Аудио система: Thorens402DD (LP)
Tube amplifire 2xPSE (300B)
Klipsh Referens
Re: Модернізація трансляційного ТУ100М в 2 кальний
П1 - харчування напруження(накала) вхiдних ламп
П2 - включення харчування підсилювача і зміщення вихідних ламп
Помилка в з'єднання накала першоi лампи другого каналу
П2 - включення харчування підсилювача і зміщення вихідних ламп
Помилка в з'єднання накала першоi лампи другого каналу
-
gelert
- Гуру электроники☆☆☆☆
- Сообщения: 334
- Стаж: 3 года 6 месяцев
- Репутация: 110
- Откуда: Горлівка Донецької обл
- Аудио система: homemade
Re: Модернізація трансляційного ТУ100М в 2 кальний
Це ще не все. Точку з’єднання виводів 13 Тр3(1,2) із мінусовими обкладинками С13,14 з’єднати з корпусом (G). На додаток перемикач Т1 функціонально об’єднати з Т2 або Т3, на кшталт того, як це зроблено для ланцюга живлення випрямляча зміщення.
Взагалі-то, як на мене, простіше було б навпаки мати окремі блоки живлення, а не поєднувати їх.
Взагалі-то, як на мене, простіше було б навпаки мати окремі блоки живлення, а не поєднувати їх.
-
Олександр
- Сообщения: 4
- Стаж: 3 года
- Репутация: 0
- Откуда: Димер
- Аудио система: YAMAHA HS8, Купа вініла не совкового, програвач Амерікан Аудіо, ТУ100М модернізований, акустична система по журналу Радіо 87 року.
Re: Модернізація трансляційного ТУ100М в 2 кальний
Дякую за вичерпну інформацію, буду корегувати схему.
-
Олександр
- Сообщения: 4
- Стаж: 3 года
- Репутация: 0
- Откуда: Димер
- Аудио система: YAMAHA HS8, Купа вініла не совкового, програвач Амерікан Аудіо, ТУ100М модернізований, акустична система по журналу Радіо 87 року.
Re: Модернізація трансляційного ТУ100М в 2 кальний
Тут все вірно по схемі, схема робоча.SVolk86 писал(а): 14 май 2023, 20:28 П1 - харчування напруження(накала) вхiдних ламп
П2 - включення харчування підсилювача і зміщення вихідних ламп
Помилка в з'єднання накала першоi лампи другого каналу
-
Олександр
- Сообщения: 4
- Стаж: 3 года
- Репутация: 0
- Откуда: Димер
- Аудио система: YAMAHA HS8, Купа вініла не совкового, програвач Амерікан Аудіо, ТУ100М модернізований, акустична система по журналу Радіо 87 року.
Re: Модернізація трансляційного ТУ100М в 2 кальний
Це живлення послідовно 2 лампи. Щось ви помилилися. У Вашого варіану вона не працюватиме