Темы в форуме

паразитное напряжение в поплавке

Все об электронной технике и радиодеталях

Модератор: LinuxManiac

Ответить
mutabor
Новичок
Сообщения: 9
Стаж: 2 года 9 месяцев
Репутация: 0
Откуда: в смысле?
Аудио система: Алиса

паразитное напряжение в поплавке

Сообщение mutabor »

добрый день, уважаемые.
подскажите пожалуйста по следующей проблеме.
имеется средство автоматизации отключения водяного насоса при определенном уровне воды в баке, реализовано через реле и двухуровневый поплавок с Алиэкспресс. двухуровневый потому, что при замыкании верхнего поплавка загорается предупреждающий светодиод, а при нижнем, уже отключается питание от насоса. фото поплавка
Hec0b2ada58fa4169aaf77eae2ccfb3b2l.jpg
Hec0b2ada58fa4169aaf77eae2ccfb3b2l.jpg (15.37 КБ) 3434 просмотра
в принципе, система работает, но есть недостаток - поплавок дает паразитное напряжение. у реле управляющее напряжение 12 вольт и оно работает корректно, а вот 12 вольтовый светодиод всегда слабо светится, так как поплавок всегда пропускает минимум 3 вольта, и чем ближе уровень воды к точке замыкания, тем ярче горит диод. в какой то момент уже сложно разобраться, это уже поплавок замкнут или еще нет
как можно избавиться от этой проблемы?
ответы "поставь резистор, подбери сопротивление" не вдохновляют, я полный ноль в этом деле, поэтому очень надеюсь на более развернутую инфу )
Аватара пользователя
RUS_D
Умелый
Сообщения: 188
Стаж: 4 года 4 месяца
Репутация: 179
Откуда: Украина, Полтава
Аудио система: Плеер RuneAudio
ЦАП AH-D6 версия 2.х + несколько других
Проигрыватель Винила Lenco L75, DUAL1209, Fisher MT-M21, Вега unitra fonica g-600b
Усилитель Onkyo A-8830, Фоловер Андрэа Чиуфолли
Ламповые усилители РР на Rft El34 и 6П3C (кобра), РР на КТ88, РР на El84, SE на 6С41С, SE на 6П42П

Акустика ONKYO SC-370, GRUNDIG Box 1600b, IQ LADY- maxi
Контактная информация:

Re: паразитное напряжение в поплавке

Сообщение RUS_D »

Без ссылки на покупку сложно сказать что там применили китайцы в схеме :)

Потому и советы будут какие угодно.
Самый простой - найти у себя в окружении людей, что немного понимают в электронике и отдать им его на доработку....
mutabor
Новичок
Сообщения: 9
Стаж: 2 года 9 месяцев
Репутация: 0
Откуда: в смысле?
Аудио система: Алиса

Re: паразитное напряжение в поплавке

Сообщение mutabor »

RUS_D писал(а): 22 май 2023, 11:42 Без ссылки на покупку сложно сказать что там применили китайцы в схеме :)

Потому и советы будут какие угодно.
Самый простой - найти у себя в окружении людей, что немного понимают в электронике и отдать им его на доработку....
насчет знакомых - нету, искал :(
ссылку совершенно не жалко, вот она
https://aliexpress.ru/item/1005002668360436.html
но вряд ли там чтото интересное мне кажется, просто замыкание контактов
Аватара пользователя
RUS_D
Умелый
Сообщения: 188
Стаж: 4 года 4 месяца
Репутация: 179
Откуда: Украина, Полтава
Аудио система: Плеер RuneAudio
ЦАП AH-D6 версия 2.х + несколько других
Проигрыватель Винила Lenco L75, DUAL1209, Fisher MT-M21, Вега unitra fonica g-600b
Усилитель Onkyo A-8830, Фоловер Андрэа Чиуфолли
Ламповые усилители РР на Rft El34 и 6П3C (кобра), РР на КТ88, РР на El84, SE на 6С41С, SE на 6П42П

Акустика ONKYO SC-370, GRUNDIG Box 1600b, IQ LADY- maxi
Контактная информация:

Re: паразитное напряжение в поплавке

Сообщение RUS_D »

Судя по описанию то там стоят обычные герконы на замыкание и магнит в поплавке.
Также по фото там стоит обычное реле на 220в управляемое этими герконами.

Но в вашем описании есть какое то реле на 12в и светодиод.

Потому или вы неверно обясняете что там у вас не так или у вас другой исполнительный блок реле.
Потому опять непонятно как может так работать светодиод.
Фазу и ноль на входе блока меняли?
Георгич
Почетный пользователь
Сообщения: 63
Стаж: 3 года 1 месяц
Репутация: 3
Откуда: Киев
Аудио система: Потом напишу))) а вааще радиогубитель)

Re: паразитное напряжение в поплавке

Сообщение Георгич »

В трубку с герконами попала вода, по ней утечка и свечение светодиода. Другая причина, наводки - заземляться, выравнивать потенциалы и т.д.
Поплавки оправданы только на неэлектропроводной жидкости - спирт, бензин, масло и пр.
На воде лучше работают электродные, аля РОС
mutabor
Новичок
Сообщения: 9
Стаж: 2 года 9 месяцев
Репутация: 0
Откуда: в смысле?
Аудио система: Алиса

Re: паразитное напряжение в поплавке

Сообщение mutabor »

RUS_D писал(а): 23 май 2023, 20:45 Судя по описанию то там стоят обычные герконы на замыкание и магнит в поплавке.
Также по фото там стоит обычное реле на 220в управляемое этими герконами.

Но в вашем описании есть какое то реле на 12в и светодиод.

Потому или вы неверно обясняете что там у вас не так или у вас другой исполнительный блок реле.
Потому опять непонятно как может так работать светодиод.
Фазу и ноль на входе блока меняли?
как вы совершенно верно заметили, там обычные герконы на замыкание, поэтому какая им разница, какое управляющее напряжение - 220в или 12в, главное чтоб по мощности выдерживали. ну а раз 220 держат, то 12 должны влегкую. контур управляющего напряжения - диод, реле и поплавок работают на 12
не уверен, что к постоянному току 12в применимы термины "фаза" и "ноль", но при переполюсовке диод вообще не горит
mutabor
Новичок
Сообщения: 9
Стаж: 2 года 9 месяцев
Репутация: 0
Откуда: в смысле?
Аудио система: Алиса

Re: паразитное напряжение в поплавке

Сообщение mutabor »

Георгич писал(а): 24 май 2023, 22:33 В трубку с герконами попала вода, по ней утечка и свечение светодиода. Другая причина, наводки - заземляться, выравнивать потенциалы и т.д.
Поплавки оправданы только на неэлектропроводной жидкости - спирт, бензин, масло и пр.
На воде лучше работают электродные, аля РОС
да нет, и на сухую так было
сейчас то вопрос не в том, почему так произошло, а какими средствами отсечь паразитное напряжение.
грубо говоря, чтоб было либо 0 вольт, либо 12 )
Георгич
Почетный пользователь
Сообщения: 63
Стаж: 3 года 1 месяц
Репутация: 3
Откуда: Киев
Аудио система: Потом напишу))) а вааще радиогубитель)

Re: паразитное напряжение в поплавке

Сообщение Георгич »

mutabor писал(а): 25 май 2023, 03:20 сейчас то вопрос не в том, почему так произошло, а какими средствами отсечь паразитное напряжение.
грубо говоря, чтоб было либо 0 вольт, либо 12 )
Ну так я же написал: "Другая причина, наводки - заземляться, выравнивать потенциалы и т.д."
Нарисуйте полную схему вашей автоматики.
mr. Dream
Гуру электроники☆☆☆☆
Сообщения: 133
Стаж: 3 года 5 месяцев
Репутация: 108
Откуда: Ternopil
Аудио система: Class D amplifier / own development

Re: паразитное напряжение в поплавке

Сообщение mr. Dream »

Цікаво, а яке відношення даний топік має до звуку чи аудіо? Я розумію, як би ще хтось з постійних користувачів таке написав, але це перше повідомлення від автора, і одразу поза тематикою))
Аватара пользователя
IT-Prof
Помощник модератора
Сообщения: 770
Стаж: 10 лет
Репутация: 188

Re: паразитное напряжение в поплавке

Сообщение IT-Prof »

Электронная техника и детали, раздел подходит.
mutabor
Новичок
Сообщения: 9
Стаж: 2 года 9 месяцев
Репутация: 0
Откуда: в смысле?
Аудио система: Алиса

Re: паразитное напряжение в поплавке

Сообщение mutabor »

Георгич писал(а): 25 май 2023, 12:23
mutabor писал(а): 25 май 2023, 03:20 сейчас то вопрос не в том, почему так произошло, а какими средствами отсечь паразитное напряжение.
грубо говоря, чтоб было либо 0 вольт, либо 12 )
Ну так я же написал: "Другая причина, наводки - заземляться, выравнивать потенциалы и т.д."
Нарисуйте полную схему вашей автоматики.
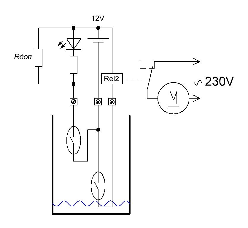
вот вроде как то так
схема.png
XIAN
Гуру АС
Сообщения: 1037
Стаж: 5 лет 1 месяц
Репутация: 414
Откуда: Киев
Аудио система: DIY

Re: паразитное напряжение в поплавке

Сообщение XIAN »

mutabor писал(а): 26 май 2023, 10:04 схема.png
Візьміть реле з більшою кількістю контактів і комутуйте напругу на світлодіод за допомогою реле, а не поплака.
Аватара пользователя
Justas*
Гуру электроники☆☆☆☆
Сообщения: 2445
Стаж: 4 года 5 месяцев
Репутация: 1342
Откуда: Украина
Аудио система: viewtopic.php?p=17721#p17721

Re: паразитное напряжение в поплавке

Сообщение Justas* »

Там две ступени.
двухуровневый потому, что при замыкании верхнего поплавка загорается предупреждающий светодиод, а при нижнем, уже отключается питание от насоса. фото поплавка
XIAN
Гуру АС
Сообщения: 1037
Стаж: 5 лет 1 месяц
Репутация: 414
Откуда: Киев
Аудио система: DIY

Re: паразитное напряжение в поплавке

Сообщение XIAN »

Justas* писал(а): 26 май 2023, 12:54 Там две ступени.
двухуровневый потому, что при замыкании верхнего поплавка загорается предупреждающий светодиод, а при нижнем, уже отключается питание от насоса. фото поплавка
Ну тоді просто добавити реле ще одне окремо на світлодіод.
Аватара пользователя
Justas*
Гуру электроники☆☆☆☆
Сообщения: 2445
Стаж: 4 года 5 месяцев
Репутация: 1342
Откуда: Украина
Аудио система: viewtopic.php?p=17721#p17721

Re: паразитное напряжение в поплавке

Сообщение Justas* »

Сетевая наводка на длинную линию.
Зашунтировать светодиод резистором.
Кстати, зачем 2 низковольтных источника, достаточно одного.
датчик.JPG
датчик.JPG (25.53 КБ) 3171 просмотр
Если
ответы "поставь резистор, подбери сопротивление" не вдохновляют, я полный ноль в этом деле
спрашивайте на форуме колдунов, магов :D
Аватара пользователя
Justas*
Гуру электроники☆☆☆☆
Сообщения: 2445
Стаж: 4 года 5 месяцев
Репутация: 1342
Откуда: Украина
Аудио система: viewtopic.php?p=17721#p17721

Re: паразитное напряжение в поплавке

Сообщение Justas* »

двухуровневый потому, что при замыкании верхнего поплавка загорается предупреждающий светодиод, а при нижнем, уже отключается питание от насоса.
Получается так
датчик2.JPG
Замыкается нижний поплавок - отключается насос
Замыкается верхний - загорается сигнал предупреждения (о том что насос не отключился)
геркон.png
геркон.png (83.43 КБ) 3122 просмотра
Выводов я там вижу три. Если так, то чёрный - общий.
Не понятен смысл установки светодиода. Для оператора на пульте управления что бы вручную отключить, вдруг реле не сработает? В этом плане лучше сирену. :lol:
Вообще, дрянь такая схема. Гистерезис отсутствует, дребезг контактов реле неизбежен.
Два поплавка, нужны для контроля уровня воды между двумя точками. Достигла вода уровня верхнего поплавка, насос отключился, опустилась ниже уровня нижнего - включился. Естественно, нужен соответствующий блок управления.
У Вас действительно такая схема
download/file.php?id=6258&mode=view
только реле и светодиод, или всё таки некий блок управления? Вы же ни хрена толком не объяснили.
mutabor
Новичок
Сообщения: 9
Стаж: 2 года 9 месяцев
Репутация: 0
Откуда: в смысле?
Аудио система: Алиса

Re: паразитное напряжение в поплавке

Сообщение mutabor »

Justas* писал(а): 26 май 2023, 22:13 Не понятен смысл установки светодиода.
сигнал, что воды осталось мало, и на стирку или ванну может не хватить
Justas* писал(а): 26 май 2023, 22:13 У Вас действительно такая схема
download/file.php?id=6258&mode=view
только реле и светодиод, или всё таки некий блок управления? Вы же ни хрена толком не объяснили.
такая.. что за блок, для чего?
и по поводу схемы, когда один поплавок включает, другой выключает - к данному поплавку это вряд ли применимо,
потому что расстояние между поплавками пара сантиметров, а нужно разнести их почти на высоту бака
Justas* писал(а): 26 май 2023, 13:29 Сетевая наводка на длинную линию.
Зашунтировать светодиод резистором.
Кстати, зачем 2 низковольтных источника, достаточно одного.
датчик.JPG
Если

спрашивайте на форуме колдунов, магов :D
ставил уже, немного не так, как вы нарисовали, а просто последовательно, не помогло, всё равно горит.
по вашей схеме 2 резистора ставить надо? а может с номиналами всё таки идеи есть? :D
блок питания на 12 конечно один, просто рисовать вместе не очень удобно было
XIAN писал(а): 26 май 2023, 11:21
Візьміть реле з більшою кількістю контактів і комутуйте напругу на світлодіод за допомогою реле, а не поплака.
да вот наверно, но блин какое это усложнение. думал можно какую нибудь радиодеталюшку воткнуть и всё
но, как я и говорил, я некомпетентен в данном вопросе,
поэтому боюсь, что реле тоже воспримет эти несчастные 3 вольта как управляющий сигнал
Аватара пользователя
Justas*
Гуру электроники☆☆☆☆
Сообщения: 2445
Стаж: 4 года 5 месяцев
Репутация: 1342
Откуда: Украина
Аудио система: viewtopic.php?p=17721#p17721

Re: паразитное напряжение в поплавке

Сообщение Justas* »

сигнал, что воды осталось мало, и на стирку или ванну может не хватить
У меня сломался мозг. Парадокс на парадоксе.
Вы писали
двухуровневый потому, что при замыкании верхнего поплавка загорается предупреждающий светодиод, а при нижнем, уже отключается питание от насоса.
Согласно этого, я нарисовал схему
download/file.php?id=6266&mode=view
Верхний геркон, замкнётся в единственном случае, когда вода доберётся до него. Но этого не произойдёт, т.к. замкнётся нижний и выключит насос.
Если Вам нужна индикация низкого уровня воды в баке, то нужно сделать наоборот:
При замыкании нижнего поплавка, загорается светодиод предупреждающий о низком уровне воды, а при замыкании верхнего, отключается питание насоса.
Нижний геркон, желательно поставить с нормально замкнутыми контактами, что бы светодиод загорался при уровне воды ниже его, а не наоборот.
Высота его установки в баке, должна быть на уровне, который Вы считаете низким.
и по поводу схемы, когда один поплавок включает, другой выключает - к данному поплавку это вряд ли применимо, потому что расстояние между поплавками пара сантиметров, а нужно разнести их почти на высоту бака
Вот именно, почти на высоту бака! Расстояние в 2 см будет индицировать, что до выключения насоса, осталось залить этих 2см.
ставил уже, немного не так, как вы нарисовали, а просто последовательно, не помогло, всё равно горит. по вашей схеме 2 резистора ставить надо?
Последовательный резистор – токоограничительный. Он уже должен стоять, или находиться внутри светодиода.
Подсоединив ещё один последовательно, Вы лишь ещё ограничили ток, но светодиод продолжает гореть, хоть и тусклее. При параллельном резисторе, наведённый ток разделяется. Большая его часть проходит через резистор.
да вот наверно, но блин какое это усложнение. думал можно какую нибудь радиодеталюшку воткнуть и всё
но, как я и говорил, я некомпетентен в данном вопросе,
поэтому боюсь, что реле тоже воспримет эти несчастные 3 вольта как управляющий сигнал
Не сработает 12-ти вольтовое реле от 3В, да и тока не хватит. Сколько там той наведёнки, миллиампера 3, не больше.
Можно и другую радиодеталюшку воткнуть, которая эти 3В не пропустит. Стабилитрон (зеннер) на 3,3 – 3,9В, к примеру 1N4728.
датчик.JPG
PS
Из Вас клещами приходится информацию вытягивать. Неужели трудно сфоткать Вашу схему?
Аватара пользователя
RUS_D
Умелый
Сообщения: 188
Стаж: 4 года 4 месяца
Репутация: 179
Откуда: Украина, Полтава
Аудио система: Плеер RuneAudio
ЦАП AH-D6 версия 2.х + несколько других
Проигрыватель Винила Lenco L75, DUAL1209, Fisher MT-M21, Вега unitra fonica g-600b
Усилитель Onkyo A-8830, Фоловер Андрэа Чиуфолли
Ламповые усилители РР на Rft El34 и 6П3C (кобра), РР на КТ88, РР на El84, SE на 6С41С, SE на 6П42П

Акустика ONKYO SC-370, GRUNDIG Box 1600b, IQ LADY- maxi
Контактная информация:

Re: паразитное напряжение в поплавке

Сообщение RUS_D »

А вам не кажется что человек зашел просто потролить всех :)
Фото схемы нет, фото реальной установки нет, постоянно путается в показаниях :)
mutabor
Новичок
Сообщения: 9
Стаж: 2 года 9 месяцев
Репутация: 0
Откуда: в смысле?
Аудио система: Алиса

Re: паразитное напряжение в поплавке

Сообщение mutabor »

Justas* писал(а): 27 май 2023, 14:08 Верхний геркон, замкнётся в единственном случае, когда вода доберётся до него. Но этого не произойдёт, т.к. замкнётся нижний и выключит насос.
Если Вам нужна индикация низкого уровня воды в баке, то нужно сделать наоборот:
При замыкании нижнего поплавка, загорается светодиод предупреждающий о низком уровне воды, а при замыкании верхнего, отключается питание насоса.
Нижний геркон, желательно поставить с нормально замкнутыми контактами, что бы светодиод загорался при уровне воды ниже его, а не наоборот.
Высота его установки в баке, должна быть на уровне, который Вы считаете низким.
нет, я все верно расписал, сначала предупреждение, потом отключение.
отключение насоса не для того, чтоб прекратить наполнение бака - бак наполняется водовозкой врукопашную )
отключить насос нужно для того, чтобы он не молотил без воды, так как никакой автоматики сухого хода там нет, и это главная цель всего этого мероприятия
Можно и другую радиодеталюшку воткнуть, которая эти 3В не пропустит. Стабилитрон (зеннер) на 3,3 – 3,9В, к примеру 1N4728.
датчик.JPG
PS
Из Вас клещами приходится информацию вытягивать. Неужели трудно сфоткать Вашу схему?
возможно вот это название я с самого начала и ждал, сейчас погуглю
фото вот, но вряд ли оно поможет прояснить картину
20230528_082516.jpg
gelert
Гуру электроники☆☆☆☆
Сообщения: 334
Стаж: 3 года 6 месяцев
Репутация: 110
Откуда: Горлівка Донецької обл
Аудио система: homemade

Re: паразитное напряжение в поплавке

Сообщение gelert »

До повної схеми треба додати пральну машину з її електричним фільтром перешкод і далі решту, що воно ще є. Бо все воно електрично зв’язане водяною магістраллю. Живлення цього дива напевне теж не ізольовано від мережі.
Зараз вам дошкуляє світіння світлодіоду, а може трапитись і щось більш неприємне, не дай Боже.
Зазвичай бустерні насоси мають контроль тиску на виході і захист від сухого ходу. Ну і гідроакумулятор на додаток. Як ви будуєте щось капітальне, встановіть насосну станцію з акумулятором літрів на сорок.
Аватара пользователя
Justas*
Гуру электроники☆☆☆☆
Сообщения: 2445
Стаж: 4 года 5 месяцев
Репутация: 1342
Откуда: Украина
Аудио система: viewtopic.php?p=17721#p17721

Re: паразитное напряжение в поплавке

Сообщение Justas* »

Нужно правильно задавать вопросы.
mutabor писал(а): 28 май 2023, 02:31 отключение насоса не для того, чтоб прекратить наполнение бака - бак наполняется водовозкой врукопашную )
отключить насос нужно для того, чтобы он не молотил без воды, так как никакой автоматики сухого хода там нет, и это главная цель всего этого мероприятия
Если бы Вы это написали в начале ветки, никаких бы разночтений не возникло.
Да и подробности нужно было указать. Длину кабеля от бака до щитка, проходят ли сигнальные жилы рядом с силовыми.
Если это так, то сразу было бы понятно что это ёмкостная наводка.
PS
Если предположим, вода находится чуть выше уровня верхнего поплавка, хватит ли для стирки 2-х см воды в баке, после которых отключится насос?
mutabor
Новичок
Сообщения: 9
Стаж: 2 года 9 месяцев
Репутация: 0
Откуда: в смысле?
Аудио система: Алиса

Re: паразитное напряжение в поплавке

Сообщение mutabor »

Justas* писал(а): 28 май 2023, 13:56 Длину кабеля от бака до щитка, проходят ли сигнальные жилы рядом с силовыми.
Если это так, то сразу было бы понятно что это ёмкостная наводка.
PS
Если предположим, вода находится чуть выше уровня верхнего поплавка, хватит ли для стирки 2-х см воды в баке, после которых отключится насос?
длина кабеля около 5 метров, силовых рядом нет.
если понятно про ёмкостную наводку, понятно что с ней можно сделать?
насчет стирки на низком уровне воды - случаев именно остановки насоса во время нее пока не было, но тут еще сыграла роль паранойя, что это может произойти
Аватара пользователя
Justas*
Гуру электроники☆☆☆☆
Сообщения: 2445
Стаж: 4 года 5 месяцев
Репутация: 1342
Откуда: Украина
Аудио система: viewtopic.php?p=17721#p17721

Re: паразитное напряжение в поплавке

Сообщение Justas* »

mutabor писал(а): 29 май 2023, 05:08 длина кабеля около 5 метров, силовых рядом нет.
если понятно про ёмкостную наводку, понятно что с ней можно сделать?
Так не понятно, ёмкостная ли. Просто был аналогичный случай на работе, сигнальный кабель проходил в коробе вместе с силовыми.
Георгич
Почетный пользователь
Сообщения: 63
Стаж: 3 года 1 месяц
Репутация: 3
Откуда: Киев
Аудио система: Потом напишу))) а вааще радиогубитель)

Re: паразитное напряжение в поплавке

Сообщение Георгич »

Начнём с того, что:
1. Китайский светодиод может начинать тускло светиться при 100мкА.
2. Наводки, не важно ёмкостная она, или гальваническая, наводят не 3В, а ток. При этом 3В это напряжение открытия перехода светодиода, он как стабилитрон работает.
3. Если судить по фразе: "и чем ближе уровень воды к точке замыкания, тем ярче горит диод", то очевидно, что между проводом от светодиода к геркону и минусом 12В есть утечка и, вряд ли она гальваническая, т.к. грязь не стабильна). Более вероятна емкостная утечка, но такая утечка "антеннит" на переменном токе, а здесь постоянка 12В.

Соответственно нужно блокировать переменную составляющую, которая в первую очередь возникает от входной цепи импульсного блока питания 12В, в котором заземлена средняя точка конденсаторного делителя, параллельного 220В. Это значит, что "земля" этого БП по факту это наведенные конденсаторами 110В, что и может вызвать свечение светодиода. Плюс ко всему в проводе от светика к геркону наводятся сетевые 50Гц от силовых проводов.
Что делать? - А то что я писал выше: "заземляться, выравнивать потенциалы и т.д."
Необходимо уровнять потенциалы: трубки герконовых поплавков, вторичной цепи источника (точка +12В) и сетевой нейтрали (в идеале PE), соединив эти три точки проводами.
Аватара пользователя
Vacumeter
Почетный пользователь
Сообщения: 60
Стаж: 2 года 8 месяцев
Репутация: 14
Откуда: Одесса
Аудио система: Pioneer A-402R; Pioneer CT-656; TANNOY Mercury MX-2; JBL-E20; AKAI-CS-M01; AKAI-AM-U01

Re: паразитное напряжение в поплавке

Сообщение Vacumeter »

Есть один простой, надежный и стопудово работающий метод. Поставте лампочку накаливания вместо своего светодиода, и пофиг ей будет на все наводки. А можете лампочку спрятать в щитке, а параллельно ей вывести свой светодиод и всё будет ок.

Очень много раз с таким сталкивался при длинных линиях связи в промышленных системах. Если не понимаете как решить проблему со светодиодом, поставте лампочку и спите спокойно. :)
mutabor
Новичок
Сообщения: 9
Стаж: 2 года 9 месяцев
Репутация: 0
Откуда: в смысле?
Аудио система: Алиса

Re: паразитное напряжение в поплавке

Сообщение mutabor »

Георгич писал(а): 05 июн 2023, 22:59 Начнём с того, что:
1. Китайский светодиод может начинать тускло светиться при 100мкА.
2. Наводки, не важно ёмкостная она, или гальваническая, наводят не 3В, а ток. При этом 3В это напряжение открытия перехода светодиода, он как стабилитрон работает.
3. Если судить по фразе: "и чем ближе уровень воды к точке замыкания, тем ярче горит диод", то очевидно, что между проводом от светодиода к геркону и минусом 12В есть утечка и, вряд ли она гальваническая, т.к. грязь не стабильна). Более вероятна емкостная утечка, но такая утечка "антеннит" на переменном токе, а здесь постоянка 12В.

Соответственно нужно блокировать переменную составляющую, которая в первую очередь возникает от входной цепи импульсного блока питания 12В, в котором заземлена средняя точка конденсаторного делителя, параллельного 220В. Это значит, что "земля" этого БП по факту это наведенные конденсаторами 110В, что и может вызвать свечение светодиода. Плюс ко всему в проводе от светика к геркону наводятся сетевые 50Гц от силовых проводов.
Что делать? - А то что я писал выше: "заземляться, выравнивать потенциалы и т.д."
Необходимо уровнять потенциалы: трубки герконовых поплавков, вторичной цепи источника (точка +12В) и сетевой нейтрали (в идеале PE), соединив эти три точки проводами.
какой ужас, я вообще ничего не понял ...
публикую промежуточный отчет о своих мытарствах - заказал вот такую релюшку, подключил.
S9c1b7a45f7154b9790aebb8979b4b1490.jpg
хоть в описании товара и указано, что в режиме high level trigger порог срабатывания 4.5в, на моих 3.5 реле все равно включается, фокус не удался
теперь заказал другое реле, в 3 раза дороже, там написано, что порог уже 5 вольт, посмотрим
Vacumeter писал(а): 13 июл 2023, 09:43 Есть один простой, надежный и стопудово работающий метод. Поставте лампочку накаливания вместо своего светодиода, и пофиг ей будет на все наводки. А можете лампочку спрятать в щитке, а параллельно ей вывести свой светодиод и всё будет ок.

Очень много раз с таким сталкивался при длинных линиях связи в промышленных системах. Если не понимаете как решить проблему со светодиодом, поставте лампочку и спите спокойно. :)
блин, возможно так и придется сделать )
Аватара пользователя
Vacumeter
Почетный пользователь
Сообщения: 60
Стаж: 2 года 8 месяцев
Репутация: 14
Откуда: Одесса
Аудио система: Pioneer A-402R; Pioneer CT-656; TANNOY Mercury MX-2; JBL-E20; AKAI-CS-M01; AKAI-AM-U01

Re: паразитное напряжение в поплавке

Сообщение Vacumeter »

Только лампочку, если что, берите слаботочную какую-то, например с подсветки панели приборов автомобиля.
Ответить

Вернуться в «Электронная техника и детали»