Темы в форуме
Новые сообщения
-
15-окт Использование шаговых двигателей в аудиоустройствах
-
28-авг Есть ли в этом "наборе" полезные для звука конденсаторы?
-
30-июн FNIRSI DPS-150 – Мини Лабораторный Блок Питания на 30V 5A
-
29-июн Паяльник мечта радиолюбителя FNIRSI DWS-200
-
26-июн Amazon удалил все мои книги с kindle 10
-
05-июн 74LVC
-
20-май Блок питания для аудио L_SMPS 200_32SR от Sous
-
09-май Резонансные блоки питания \LLC\
-
04-май Резервное питание квартиры от Alex
-
23-апр Детали для нашего хобби
-
15-апр USB 2.0 изолятор ADuM3165
-
04-мар Ламповый усилитель Class A, для наушников
-
21-фев Очки для пайки всякой мелочи
-
20-фев Как отличить настоящие транзисторы от поддельных?
-
17-фев RMAA Pro
Новые темы
-
10-окт конденсаторы для лампового усилителя
-
05-сен Использование шаговых двигателей в аудиоустройствах
-
27-авг Есть ли в этом "наборе" полезные для звука конденсаторы?
-
18-июн Amazon удалил все мои книги с kindle 10
-
01-июн 74LVC
-
30-апр Резервное питание квартиры от Alex
-
19-мар USB 2.0 изолятор ADuM3165
-
02-мар PP на EL34 супертріод
-
18-фев Блок питания для аудио L_SMPS 200_32SR от Sous
-
03-дек Вопросы по ТВЗ 60 ВТ EI96 * 45
-
04-ноя Підібрати аналог транзистору
-
30-окт FNIRSI DPS-150 – Мини Лабораторный Блок Питания на 30V 5A
-
11-сен Японский трансформатор Toyozumi SD21-015KB
-
05-сен Как снять лоток CD?
-
03-сен QUAD 405 Klone - постоянка на выходе
Наш youtube
Наш инстаграм
☝ Сказать спасибо!
Правила форума
паразитное напряжение в поплавке
Модератор: LinuxManiac
-
- Новичок
- Сообщения: 9
- Стаж: 2 года 4 месяца
- Репутация: 0
- Откуда: в смысле?
- Аудио система: Алиса
паразитное напряжение в поплавке
добрый день, уважаемые.
подскажите пожалуйста по следующей проблеме.
имеется средство автоматизации отключения водяного насоса при определенном уровне воды в баке, реализовано через реле и двухуровневый поплавок с Алиэкспресс. двухуровневый потому, что при замыкании верхнего поплавка загорается предупреждающий светодиод, а при нижнем, уже отключается питание от насоса. фото поплавка в принципе, система работает, но есть недостаток - поплавок дает паразитное напряжение. у реле управляющее напряжение 12 вольт и оно работает корректно, а вот 12 вольтовый светодиод всегда слабо светится, так как поплавок всегда пропускает минимум 3 вольта, и чем ближе уровень воды к точке замыкания, тем ярче горит диод. в какой то момент уже сложно разобраться, это уже поплавок замкнут или еще нет
как можно избавиться от этой проблемы?
ответы "поставь резистор, подбери сопротивление" не вдохновляют, я полный ноль в этом деле, поэтому очень надеюсь на более развернутую инфу )
подскажите пожалуйста по следующей проблеме.
имеется средство автоматизации отключения водяного насоса при определенном уровне воды в баке, реализовано через реле и двухуровневый поплавок с Алиэкспресс. двухуровневый потому, что при замыкании верхнего поплавка загорается предупреждающий светодиод, а при нижнем, уже отключается питание от насоса. фото поплавка в принципе, система работает, но есть недостаток - поплавок дает паразитное напряжение. у реле управляющее напряжение 12 вольт и оно работает корректно, а вот 12 вольтовый светодиод всегда слабо светится, так как поплавок всегда пропускает минимум 3 вольта, и чем ближе уровень воды к точке замыкания, тем ярче горит диод. в какой то момент уже сложно разобраться, это уже поплавок замкнут или еще нет
как можно избавиться от этой проблемы?
ответы "поставь резистор, подбери сопротивление" не вдохновляют, я полный ноль в этом деле, поэтому очень надеюсь на более развернутую инфу )
- RUS_D
- Умелый
- Сообщения: 168
- Стаж: 4 года
- Репутация: 150
- Откуда: Украина, Полтава
- Аудио система: Плеер RuneAudio
ЦАП AH-D6 версия 2.х + несколько других
Проигрыватель Винила Lenco L75, DUAL1209, Fisher MT-M21, Вега unitra fonica g-600b
Усилитель Onkyo A-8830, Фоловер Андрэа Чиуфолли
Ламповые усилители РР на Rft El34 и 6П3C (кобра), РР на КТ88, РР на El84, SE на 6С41С, SE на 6П42П
Акустика ONKYO SC-370, GRUNDIG Box 1600b, IQ LADY- maxi - Контактная информация:
Re: паразитное напряжение в поплавке
Без ссылки на покупку сложно сказать что там применили китайцы в схеме 
Потому и советы будут какие угодно.
Самый простой - найти у себя в окружении людей, что немного понимают в электронике и отдать им его на доработку....

Потому и советы будут какие угодно.
Самый простой - найти у себя в окружении людей, что немного понимают в электронике и отдать им его на доработку....
-
- Новичок
- Сообщения: 9
- Стаж: 2 года 4 месяца
- Репутация: 0
- Откуда: в смысле?
- Аудио система: Алиса
Re: паразитное напряжение в поплавке
насчет знакомых - нету, искал

ссылку совершенно не жалко, вот она
https://aliexpress.ru/item/1005002668360436.html
но вряд ли там чтото интересное мне кажется, просто замыкание контактов
- RUS_D
- Умелый
- Сообщения: 168
- Стаж: 4 года
- Репутация: 150
- Откуда: Украина, Полтава
- Аудио система: Плеер RuneAudio
ЦАП AH-D6 версия 2.х + несколько других
Проигрыватель Винила Lenco L75, DUAL1209, Fisher MT-M21, Вега unitra fonica g-600b
Усилитель Onkyo A-8830, Фоловер Андрэа Чиуфолли
Ламповые усилители РР на Rft El34 и 6П3C (кобра), РР на КТ88, РР на El84, SE на 6С41С, SE на 6П42П
Акустика ONKYO SC-370, GRUNDIG Box 1600b, IQ LADY- maxi - Контактная информация:
Re: паразитное напряжение в поплавке
Судя по описанию то там стоят обычные герконы на замыкание и магнит в поплавке.
Также по фото там стоит обычное реле на 220в управляемое этими герконами.
Но в вашем описании есть какое то реле на 12в и светодиод.
Потому или вы неверно обясняете что там у вас не так или у вас другой исполнительный блок реле.
Потому опять непонятно как может так работать светодиод.
Фазу и ноль на входе блока меняли?
Также по фото там стоит обычное реле на 220в управляемое этими герконами.
Но в вашем описании есть какое то реле на 12в и светодиод.
Потому или вы неверно обясняете что там у вас не так или у вас другой исполнительный блок реле.
Потому опять непонятно как может так работать светодиод.
Фазу и ноль на входе блока меняли?
-
- Почетный пользователь
- Сообщения: 63
- Стаж: 2 года 9 месяцев
- Репутация: 3
- Откуда: Киев
- Аудио система: Потом напишу))) а вааще радиогубитель)
Re: паразитное напряжение в поплавке
В трубку с герконами попала вода, по ней утечка и свечение светодиода. Другая причина, наводки - заземляться, выравнивать потенциалы и т.д.
Поплавки оправданы только на неэлектропроводной жидкости - спирт, бензин, масло и пр.
На воде лучше работают электродные, аля РОС
Поплавки оправданы только на неэлектропроводной жидкости - спирт, бензин, масло и пр.
На воде лучше работают электродные, аля РОС
-
- Новичок
- Сообщения: 9
- Стаж: 2 года 4 месяца
- Репутация: 0
- Откуда: в смысле?
- Аудио система: Алиса
Re: паразитное напряжение в поплавке
как вы совершенно верно заметили, там обычные герконы на замыкание, поэтому какая им разница, какое управляющее напряжение - 220в или 12в, главное чтоб по мощности выдерживали. ну а раз 220 держат, то 12 должны влегкую. контур управляющего напряжения - диод, реле и поплавок работают на 12RUS_D писал(а): ↑23 май 2023, 20:45 Судя по описанию то там стоят обычные герконы на замыкание и магнит в поплавке.
Также по фото там стоит обычное реле на 220в управляемое этими герконами.
Но в вашем описании есть какое то реле на 12в и светодиод.
Потому или вы неверно обясняете что там у вас не так или у вас другой исполнительный блок реле.
Потому опять непонятно как может так работать светодиод.
Фазу и ноль на входе блока меняли?
не уверен, что к постоянному току 12в применимы термины "фаза" и "ноль", но при переполюсовке диод вообще не горит
-
- Новичок
- Сообщения: 9
- Стаж: 2 года 4 месяца
- Репутация: 0
- Откуда: в смысле?
- Аудио система: Алиса
Re: паразитное напряжение в поплавке
да нет, и на сухую так былоГеоргич писал(а): ↑24 май 2023, 22:33 В трубку с герконами попала вода, по ней утечка и свечение светодиода. Другая причина, наводки - заземляться, выравнивать потенциалы и т.д.
Поплавки оправданы только на неэлектропроводной жидкости - спирт, бензин, масло и пр.
На воде лучше работают электродные, аля РОС
сейчас то вопрос не в том, почему так произошло, а какими средствами отсечь паразитное напряжение.
грубо говоря, чтоб было либо 0 вольт, либо 12 )
-
- Почетный пользователь
- Сообщения: 63
- Стаж: 2 года 9 месяцев
- Репутация: 3
- Откуда: Киев
- Аудио система: Потом напишу))) а вааще радиогубитель)
Re: паразитное напряжение в поплавке
Ну так я же написал: "Другая причина, наводки - заземляться, выравнивать потенциалы и т.д."
Нарисуйте полную схему вашей автоматики.
-
- Гуру электроники☆☆☆☆
- Сообщения: 133
- Стаж: 3 года
- Репутация: 108
- Откуда: Ternopil
- Аудио система: Class D amplifier / own development
Re: паразитное напряжение в поплавке
Цікаво, а яке відношення даний топік має до звуку чи аудіо? Я розумію, як би ще хтось з постійних користувачів таке написав, але це перше повідомлення від автора, і одразу поза тематикою))
Re: паразитное напряжение в поплавке
Электронная техника и детали, раздел подходит.
-
- Новичок
- Сообщения: 9
- Стаж: 2 года 4 месяца
- Репутация: 0
- Откуда: в смысле?
- Аудио система: Алиса
Re: паразитное напряжение в поплавке
- Justas*
- Гуру электроники☆☆☆☆
- Сообщения: 2217
- Стаж: 4 года
- Репутация: 1245
- Откуда: Украина
- Аудио система: viewtopic.php?p=17721#p17721
Re: паразитное напряжение в поплавке
Там две ступени.
двухуровневый потому, что при замыкании верхнего поплавка загорается предупреждающий светодиод, а при нижнем, уже отключается питание от насоса. фото поплавка
- Justas*
- Гуру электроники☆☆☆☆
- Сообщения: 2217
- Стаж: 4 года
- Репутация: 1245
- Откуда: Украина
- Аудио система: viewtopic.php?p=17721#p17721
Re: паразитное напряжение в поплавке
Сетевая наводка на длинную линию.
Зашунтировать светодиод резистором.
Кстати, зачем 2 низковольтных источника, достаточно одного. Если
Зашунтировать светодиод резистором.
Кстати, зачем 2 низковольтных источника, достаточно одного. Если
спрашивайте на форуме колдунов, маговответы "поставь резистор, подбери сопротивление" не вдохновляют, я полный ноль в этом деле

- Justas*
- Гуру электроники☆☆☆☆
- Сообщения: 2217
- Стаж: 4 года
- Репутация: 1245
- Откуда: Украина
- Аудио система: viewtopic.php?p=17721#p17721
Re: паразитное напряжение в поплавке
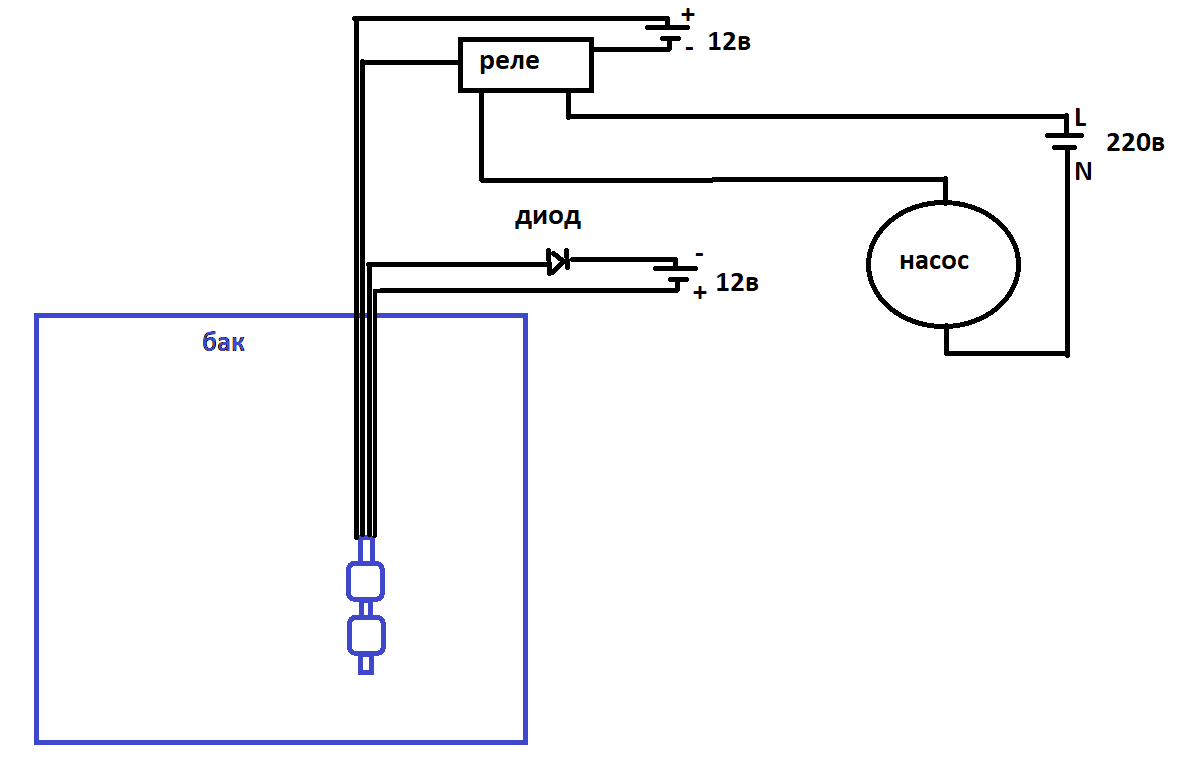
Получается так Замыкается нижний поплавок - отключается насосдвухуровневый потому, что при замыкании верхнего поплавка загорается предупреждающий светодиод, а при нижнем, уже отключается питание от насоса.
Замыкается верхний - загорается сигнал предупреждения (о том что насос не отключился) Выводов я там вижу три. Если так, то чёрный - общий.
Не понятен смысл установки светодиода. Для оператора на пульте управления что бы вручную отключить, вдруг реле не сработает? В этом плане лучше сирену.

Вообще, дрянь такая схема. Гистерезис отсутствует, дребезг контактов реле неизбежен.
Два поплавка, нужны для контроля уровня воды между двумя точками. Достигла вода уровня верхнего поплавка, насос отключился, опустилась ниже уровня нижнего - включился. Естественно, нужен соответствующий блок управления.
У Вас действительно такая схема
download/file.php?id=6258&mode=view
только реле и светодиод, или всё таки некий блок управления? Вы же ни хрена толком не объяснили.
-
- Новичок
- Сообщения: 9
- Стаж: 2 года 4 месяца
- Репутация: 0
- Откуда: в смысле?
- Аудио система: Алиса
Re: паразитное напряжение в поплавке
сигнал, что воды осталось мало, и на стирку или ванну может не хватить
такая.. что за блок, для чего?Justas* писал(а): ↑26 май 2023, 22:13 У Вас действительно такая схема
download/file.php?id=6258&mode=view
только реле и светодиод, или всё таки некий блок управления? Вы же ни хрена толком не объяснили.
и по поводу схемы, когда один поплавок включает, другой выключает - к данному поплавку это вряд ли применимо,
потому что расстояние между поплавками пара сантиметров, а нужно разнести их почти на высоту бака
ставил уже, немного не так, как вы нарисовали, а просто последовательно, не помогло, всё равно горит.
по вашей схеме 2 резистора ставить надо? а может с номиналами всё таки идеи есть?

блок питания на 12 конечно один, просто рисовать вместе не очень удобно было
да вот наверно, но блин какое это усложнение. думал можно какую нибудь радиодеталюшку воткнуть и всё
но, как я и говорил, я некомпетентен в данном вопросе,
поэтому боюсь, что реле тоже воспримет эти несчастные 3 вольта как управляющий сигнал
- Justas*
- Гуру электроники☆☆☆☆
- Сообщения: 2217
- Стаж: 4 года
- Репутация: 1245
- Откуда: Украина
- Аудио система: viewtopic.php?p=17721#p17721
Re: паразитное напряжение в поплавке
У меня сломался мозг. Парадокс на парадоксе.сигнал, что воды осталось мало, и на стирку или ванну может не хватить
Вы писали
Согласно этого, я нарисовал схемудвухуровневый потому, что при замыкании верхнего поплавка загорается предупреждающий светодиод, а при нижнем, уже отключается питание от насоса.
download/file.php?id=6266&mode=view
Верхний геркон, замкнётся в единственном случае, когда вода доберётся до него. Но этого не произойдёт, т.к. замкнётся нижний и выключит насос.
Если Вам нужна индикация низкого уровня воды в баке, то нужно сделать наоборот:
При замыкании нижнего поплавка, загорается светодиод предупреждающий о низком уровне воды, а при замыкании верхнего, отключается питание насоса.
Нижний геркон, желательно поставить с нормально замкнутыми контактами, что бы светодиод загорался при уровне воды ниже его, а не наоборот.
Высота его установки в баке, должна быть на уровне, который Вы считаете низким.
Вот именно, почти на высоту бака! Расстояние в 2 см будет индицировать, что до выключения насоса, осталось залить этих 2см.и по поводу схемы, когда один поплавок включает, другой выключает - к данному поплавку это вряд ли применимо, потому что расстояние между поплавками пара сантиметров, а нужно разнести их почти на высоту бака
Последовательный резистор – токоограничительный. Он уже должен стоять, или находиться внутри светодиода.ставил уже, немного не так, как вы нарисовали, а просто последовательно, не помогло, всё равно горит. по вашей схеме 2 резистора ставить надо?
Подсоединив ещё один последовательно, Вы лишь ещё ограничили ток, но светодиод продолжает гореть, хоть и тусклее. При параллельном резисторе, наведённый ток разделяется. Большая его часть проходит через резистор.
Не сработает 12-ти вольтовое реле от 3В, да и тока не хватит. Сколько там той наведёнки, миллиампера 3, не больше.да вот наверно, но блин какое это усложнение. думал можно какую нибудь радиодеталюшку воткнуть и всё
но, как я и говорил, я некомпетентен в данном вопросе,
поэтому боюсь, что реле тоже воспримет эти несчастные 3 вольта как управляющий сигнал
Можно и другую радиодеталюшку воткнуть, которая эти 3В не пропустит. Стабилитрон (зеннер) на 3,3 – 3,9В, к примеру 1N4728. PS
Из Вас клещами приходится информацию вытягивать. Неужели трудно сфоткать Вашу схему?
- RUS_D
- Умелый
- Сообщения: 168
- Стаж: 4 года
- Репутация: 150
- Откуда: Украина, Полтава
- Аудио система: Плеер RuneAudio
ЦАП AH-D6 версия 2.х + несколько других
Проигрыватель Винила Lenco L75, DUAL1209, Fisher MT-M21, Вега unitra fonica g-600b
Усилитель Onkyo A-8830, Фоловер Андрэа Чиуфолли
Ламповые усилители РР на Rft El34 и 6П3C (кобра), РР на КТ88, РР на El84, SE на 6С41С, SE на 6П42П
Акустика ONKYO SC-370, GRUNDIG Box 1600b, IQ LADY- maxi - Контактная информация:
Re: паразитное напряжение в поплавке
А вам не кажется что человек зашел просто потролить всех 
Фото схемы нет, фото реальной установки нет, постоянно путается в показаниях

Фото схемы нет, фото реальной установки нет, постоянно путается в показаниях

-
- Новичок
- Сообщения: 9
- Стаж: 2 года 4 месяца
- Репутация: 0
- Откуда: в смысле?
- Аудио система: Алиса
Re: паразитное напряжение в поплавке
нет, я все верно расписал, сначала предупреждение, потом отключение.Justas* писал(а): ↑27 май 2023, 14:08 Верхний геркон, замкнётся в единственном случае, когда вода доберётся до него. Но этого не произойдёт, т.к. замкнётся нижний и выключит насос.
Если Вам нужна индикация низкого уровня воды в баке, то нужно сделать наоборот:
При замыкании нижнего поплавка, загорается светодиод предупреждающий о низком уровне воды, а при замыкании верхнего, отключается питание насоса.
Нижний геркон, желательно поставить с нормально замкнутыми контактами, что бы светодиод загорался при уровне воды ниже его, а не наоборот.
Высота его установки в баке, должна быть на уровне, который Вы считаете низким.
отключение насоса не для того, чтоб прекратить наполнение бака - бак наполняется водовозкой врукопашную )
отключить насос нужно для того, чтобы он не молотил без воды, так как никакой автоматики сухого хода там нет, и это главная цель всего этого мероприятия
возможно вот это название я с самого начала и ждал, сейчас погуглюМожно и другую радиодеталюшку воткнуть, которая эти 3В не пропустит. Стабилитрон (зеннер) на 3,3 – 3,9В, к примеру 1N4728.
датчик.JPG
PS
Из Вас клещами приходится информацию вытягивать. Неужели трудно сфоткать Вашу схему?
фото вот, но вряд ли оно поможет прояснить картину
-
- Гуру электроники☆☆☆☆
- Сообщения: 318
- Стаж: 3 года 1 месяц
- Репутация: 109
- Откуда: Горлівка Донецької обл
- Аудио система: homemade
Re: паразитное напряжение в поплавке
До повної схеми треба додати пральну машину з її електричним фільтром перешкод і далі решту, що воно ще є. Бо все воно електрично зв’язане водяною магістраллю. Живлення цього дива напевне теж не ізольовано від мережі.
Зараз вам дошкуляє світіння світлодіоду, а може трапитись і щось більш неприємне, не дай Боже.
Зазвичай бустерні насоси мають контроль тиску на виході і захист від сухого ходу. Ну і гідроакумулятор на додаток. Як ви будуєте щось капітальне, встановіть насосну станцію з акумулятором літрів на сорок.
Зараз вам дошкуляє світіння світлодіоду, а може трапитись і щось більш неприємне, не дай Боже.
Зазвичай бустерні насоси мають контроль тиску на виході і захист від сухого ходу. Ну і гідроакумулятор на додаток. Як ви будуєте щось капітальне, встановіть насосну станцію з акумулятором літрів на сорок.
- Justas*
- Гуру электроники☆☆☆☆
- Сообщения: 2217
- Стаж: 4 года
- Репутация: 1245
- Откуда: Украина
- Аудио система: viewtopic.php?p=17721#p17721
Re: паразитное напряжение в поплавке
Нужно правильно задавать вопросы.
Да и подробности нужно было указать. Длину кабеля от бака до щитка, проходят ли сигнальные жилы рядом с силовыми.
Если это так, то сразу было бы понятно что это ёмкостная наводка.
PS
Если предположим, вода находится чуть выше уровня верхнего поплавка, хватит ли для стирки 2-х см воды в баке, после которых отключится насос?
Если бы Вы это написали в начале ветки, никаких бы разночтений не возникло.
Да и подробности нужно было указать. Длину кабеля от бака до щитка, проходят ли сигнальные жилы рядом с силовыми.
Если это так, то сразу было бы понятно что это ёмкостная наводка.
PS
Если предположим, вода находится чуть выше уровня верхнего поплавка, хватит ли для стирки 2-х см воды в баке, после которых отключится насос?
-
- Новичок
- Сообщения: 9
- Стаж: 2 года 4 месяца
- Репутация: 0
- Откуда: в смысле?
- Аудио система: Алиса
Re: паразитное напряжение в поплавке
длина кабеля около 5 метров, силовых рядом нет.Justas* писал(а): ↑28 май 2023, 13:56 Длину кабеля от бака до щитка, проходят ли сигнальные жилы рядом с силовыми.
Если это так, то сразу было бы понятно что это ёмкостная наводка.
PS
Если предположим, вода находится чуть выше уровня верхнего поплавка, хватит ли для стирки 2-х см воды в баке, после которых отключится насос?
если понятно про ёмкостную наводку, понятно что с ней можно сделать?
насчет стирки на низком уровне воды - случаев именно остановки насоса во время нее пока не было, но тут еще сыграла роль паранойя, что это может произойти
- Justas*
- Гуру электроники☆☆☆☆
- Сообщения: 2217
- Стаж: 4 года
- Репутация: 1245
- Откуда: Украина
- Аудио система: viewtopic.php?p=17721#p17721
-
- Почетный пользователь
- Сообщения: 63
- Стаж: 2 года 9 месяцев
- Репутация: 3
- Откуда: Киев
- Аудио система: Потом напишу))) а вааще радиогубитель)
Re: паразитное напряжение в поплавке
Начнём с того, что:
1. Китайский светодиод может начинать тускло светиться при 100мкА.
2. Наводки, не важно ёмкостная она, или гальваническая, наводят не 3В, а ток. При этом 3В это напряжение открытия перехода светодиода, он как стабилитрон работает.
3. Если судить по фразе: "и чем ближе уровень воды к точке замыкания, тем ярче горит диод", то очевидно, что между проводом от светодиода к геркону и минусом 12В есть утечка и, вряд ли она гальваническая, т.к. грязь не стабильна). Более вероятна емкостная утечка, но такая утечка "антеннит" на переменном токе, а здесь постоянка 12В.
Соответственно нужно блокировать переменную составляющую, которая в первую очередь возникает от входной цепи импульсного блока питания 12В, в котором заземлена средняя точка конденсаторного делителя, параллельного 220В. Это значит, что "земля" этого БП по факту это наведенные конденсаторами 110В, что и может вызвать свечение светодиода. Плюс ко всему в проводе от светика к геркону наводятся сетевые 50Гц от силовых проводов.
Что делать? - А то что я писал выше: "заземляться, выравнивать потенциалы и т.д."
Необходимо уровнять потенциалы: трубки герконовых поплавков, вторичной цепи источника (точка +12В) и сетевой нейтрали (в идеале PE), соединив эти три точки проводами.
1. Китайский светодиод может начинать тускло светиться при 100мкА.
2. Наводки, не важно ёмкостная она, или гальваническая, наводят не 3В, а ток. При этом 3В это напряжение открытия перехода светодиода, он как стабилитрон работает.
3. Если судить по фразе: "и чем ближе уровень воды к точке замыкания, тем ярче горит диод", то очевидно, что между проводом от светодиода к геркону и минусом 12В есть утечка и, вряд ли она гальваническая, т.к. грязь не стабильна). Более вероятна емкостная утечка, но такая утечка "антеннит" на переменном токе, а здесь постоянка 12В.
Соответственно нужно блокировать переменную составляющую, которая в первую очередь возникает от входной цепи импульсного блока питания 12В, в котором заземлена средняя точка конденсаторного делителя, параллельного 220В. Это значит, что "земля" этого БП по факту это наведенные конденсаторами 110В, что и может вызвать свечение светодиода. Плюс ко всему в проводе от светика к геркону наводятся сетевые 50Гц от силовых проводов.
Что делать? - А то что я писал выше: "заземляться, выравнивать потенциалы и т.д."
Необходимо уровнять потенциалы: трубки герконовых поплавков, вторичной цепи источника (точка +12В) и сетевой нейтрали (в идеале PE), соединив эти три точки проводами.
- Vacumeter
- Почетный пользователь
- Сообщения: 60
- Стаж: 2 года 3 месяца
- Репутация: 13
- Откуда: Одесса
- Аудио система: Pioneer A-402R; Pioneer CT-656; TANNOY Mercury MX-2; JBL-E20; AKAI-CS-M01; AKAI-AM-U01
Re: паразитное напряжение в поплавке
Есть один простой, надежный и стопудово работающий метод. Поставте лампочку накаливания вместо своего светодиода, и пофиг ей будет на все наводки. А можете лампочку спрятать в щитке, а параллельно ей вывести свой светодиод и всё будет ок.
Очень много раз с таким сталкивался при длинных линиях связи в промышленных системах. Если не понимаете как решить проблему со светодиодом, поставте лампочку и спите спокойно.
Очень много раз с таким сталкивался при длинных линиях связи в промышленных системах. Если не понимаете как решить проблему со светодиодом, поставте лампочку и спите спокойно.

-
- Новичок
- Сообщения: 9
- Стаж: 2 года 4 месяца
- Репутация: 0
- Откуда: в смысле?
- Аудио система: Алиса
Re: паразитное напряжение в поплавке
какой ужас, я вообще ничего не понял ...Георгич писал(а): ↑05 июн 2023, 22:59 Начнём с того, что:
1. Китайский светодиод может начинать тускло светиться при 100мкА.
2. Наводки, не важно ёмкостная она, или гальваническая, наводят не 3В, а ток. При этом 3В это напряжение открытия перехода светодиода, он как стабилитрон работает.
3. Если судить по фразе: "и чем ближе уровень воды к точке замыкания, тем ярче горит диод", то очевидно, что между проводом от светодиода к геркону и минусом 12В есть утечка и, вряд ли она гальваническая, т.к. грязь не стабильна). Более вероятна емкостная утечка, но такая утечка "антеннит" на переменном токе, а здесь постоянка 12В.
Соответственно нужно блокировать переменную составляющую, которая в первую очередь возникает от входной цепи импульсного блока питания 12В, в котором заземлена средняя точка конденсаторного делителя, параллельного 220В. Это значит, что "земля" этого БП по факту это наведенные конденсаторами 110В, что и может вызвать свечение светодиода. Плюс ко всему в проводе от светика к геркону наводятся сетевые 50Гц от силовых проводов.
Что делать? - А то что я писал выше: "заземляться, выравнивать потенциалы и т.д."
Необходимо уровнять потенциалы: трубки герконовых поплавков, вторичной цепи источника (точка +12В) и сетевой нейтрали (в идеале PE), соединив эти три точки проводами.
публикую промежуточный отчет о своих мытарствах - заказал вот такую релюшку, подключил. хоть в описании товара и указано, что в режиме high level trigger порог срабатывания 4.5в, на моих 3.5 реле все равно включается, фокус не удался
теперь заказал другое реле, в 3 раза дороже, там написано, что порог уже 5 вольт, посмотрим
блин, возможно так и придется сделать )Vacumeter писал(а): ↑13 июл 2023, 09:43 Есть один простой, надежный и стопудово работающий метод. Поставте лампочку накаливания вместо своего светодиода, и пофиг ей будет на все наводки. А можете лампочку спрятать в щитке, а параллельно ей вывести свой светодиод и всё будет ок.
Очень много раз с таким сталкивался при длинных линиях связи в промышленных системах. Если не понимаете как решить проблему со светодиодом, поставте лампочку и спите спокойно.![]()
- Vacumeter
- Почетный пользователь
- Сообщения: 60
- Стаж: 2 года 3 месяца
- Репутация: 13
- Откуда: Одесса
- Аудио система: Pioneer A-402R; Pioneer CT-656; TANNOY Mercury MX-2; JBL-E20; AKAI-CS-M01; AKAI-AM-U01
Re: паразитное напряжение в поплавке
Только лампочку, если что, берите слаботочную какую-то, например с подсветки панели приборов автомобиля.