Темы в форуме

И снова IR2153

Ответить
25602
Пользователь
Сообщения: 11
Стаж: 2 года 3 месяца
Репутация: 2
Откуда: Украина м. Балта
Аудио система: усилитель - Клон УМ Электроника Т1-002, колонки самопал, источник - ПК,

И снова IR2153

Сообщение 25602 »

Приветствую!
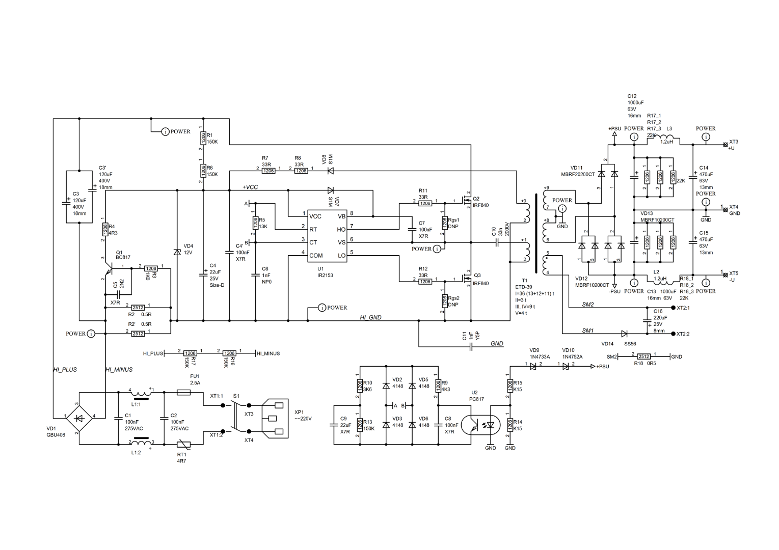
Понадобился БП для питания УМЗЧ и имея некоторый опыт работы с 2153 решил собрать на ней. Наткнулся на видео Power_ON https://www.youtube.com/watch?v=lkKA7Tk42CU
В общем - блок на столе, пока пытаю, питание от китайского модуля JK50 +35V. Самозапит работает - 11,9В. Выходные напряжения тоже - +21В для защиты, +/-51В для УМ (если отключить стабилизацию подымается до +/-55В). Плату пришлось поправить под имеющиеся детали. Чатота -51кГц. Вроде все проверил, схема регулировки поддается, авсеравно ссыкотно в 220 пихать :mrgreen: .
Вложения
Напряжения на первичной обмотке трансформатора
Напряжения на первичной обмотке трансформатора
2.png (390.82 КБ) 3114 просмотров
Напряжение на затворе Q2
Напряжение на затворе Q2
1.png (538.26 КБ) 3114 просмотров
LLC_SCH.png
25602
Пользователь
Сообщения: 11
Стаж: 2 года 3 месяца
Репутация: 2
Откуда: Украина м. Балта
Аудио система: усилитель - Клон УМ Электроника Т1-002, колонки самопал, источник - ПК,

Re: И снова IR2153

Сообщение 25602 »

Еще несколько фото
Вложения
IMG_20240604_210957.jpg
IMG_20240604_211107.jpg
uriy
Магистр электроники
Сообщения: 1550
Стаж: 2 года 9 месяцев
Репутация: 486
Откуда: Ukraine
Аудио система: Цифраактив

Re: И снова IR2153

Сообщение uriy »

25602 писал(а): 05 июн 2024, 12:52 Наткнулся на видео Power_ON
Делать резонансник на 2153 это больше спортивный интерес, чем рациональное действие. L6599 копейки стоит, и сильно упрощает обвязку.
Но как не крути, а усилитель обычно потребляет питание от одного полюса в одной полу волне сигнала, а не от двух плюсов БП сразу, а стабилизация ИБП согласно схемы будет отрабатывать одно плечо питания, а второе плечо не будет отрабатывать, а если этот ИБП будет нагружен на Д класс, то пампинг будет сносить мозги ООС, в итоге стабильность напряжения будет выше при отключенной оос. :D
Хотя уровнять нагрузку по плечам питания можно относительно простым способом, нужно просто инвертировать один канал стерео усилителя не забыв поменять полярность подключённой АС к этому каналу. Тем самым нагрузка на БП будет практически одинакова на каждое плечо БП и оос получится более эффективна в итоге.
25602
Пользователь
Сообщения: 11
Стаж: 2 года 3 месяца
Репутация: 2
Откуда: Украина м. Балта
Аудио система: усилитель - Клон УМ Электроника Т1-002, колонки самопал, источник - ПК,

Re: И снова IR2153

Сообщение 25602 »

Делать резонансник на 2153 это больше спортивный интерес, чем рациональное действи
Соласен, но когда в тумбочке есть все, кроме литца, - рука сама потянулась лепить на 2153 :D .
Отрубить ОС не проблема - R15 дернуть из схемы, R14 заменить на перемычку 1206. Может есть еще какие нибудь камни? Да, вчера обратил внимание на нагрев трансформатора - порядка 40гр на холостом ходу, это нормальное явление?
Sous
Разработчик
Сообщения: 1443
Стаж: 5 лет 7 месяцев
Репутация: 1254
Откуда: Ивано-Франковск
Аудио система: DX3pro
Focal horus716
S_Audio stereo AMP 2_061

Re: И снова IR2153

Сообщение Sous »

Нормально. Нагрев феррита максимален как раз без нагрузки
drmodd
Гуру электроники☆☆☆☆
Сообщения: 189
Стаж: 5 лет 2 месяца
Репутация: 103
Откуда: Москва
Аудио система: E70 Velvet, SuperGaN, PTERO, Focal Chorus 726, MA Bronze, N-Acoustic.

Re: И снова IR2153

Сообщение drmodd »

uriy писал(а): 06 июн 2024, 00:28 L6599 копейки стоит, и сильно упрощает обвязку.
Да, очень удачная микра. Я первый мостовой ган сделан на NCP13992, очень капризна, вторая версия на 6599, вообще никаких вопросов.
И квазирезонансник легко на ней.
25602
Пользователь
Сообщения: 11
Стаж: 2 года 3 месяца
Репутация: 2
Откуда: Украина м. Балта
Аудио система: усилитель - Клон УМ Электроника Т1-002, колонки самопал, источник - ПК,

Re: И снова IR2153

Сообщение 25602 »

Так, если отрубить ОС то на каком участке должен работать задающий ген. Шота мне кажется шо нада на участок ПНН вырулить, на частоту выше резонансной? или нет?
uriy
Магистр электроники
Сообщения: 1550
Стаж: 2 года 9 месяцев
Репутация: 486
Откуда: Ukraine
Аудио система: Цифраактив

Re: И снова IR2153

Сообщение uriy »

25602 писал(а): 07 июн 2024, 11:42 Так, если отрубить ОС то на каком участке должен работать задающий ген. Шота мне кажется шо нада на участок ПНН вырулить, на частоту выше резонансной? или нет?
Да.

На малых мощностях отключать оос не актуально, на больших мощностях более актуально.

Но лучше всего не отрубать оос, а просто инвертировать один входной канал в усе.
25602
Пользователь
Сообщения: 11
Стаж: 2 года 3 месяца
Репутация: 2
Откуда: Украина м. Балта
Аудио система: усилитель - Клон УМ Электроника Т1-002, колонки самопал, источник - ПК,

Re: И снова IR2153

Сообщение 25602 »

Всем доброго!!! Итак, сегодня попробовал нагрузить на лампу накаливания 100Вт, получилась такая форма тока. Нормально? Вся конструкция нагрелась до 40гр.
Вложения
2024-06-09 22.09.45.jpg
pic1.png
pic1.png (332.21 КБ) 2328 просмотров
uriy
Магистр электроники
Сообщения: 1550
Стаж: 2 года 9 месяцев
Репутация: 486
Откуда: Ukraine
Аудио система: Цифраактив

Re: И снова IR2153

Сообщение uriy »

25602 писал(а): 09 июн 2024, 22:39 получилась такая форма тока. Нормально?
Форма тока в трансформаторе трудно читаема, легче всего смотреть на провал напряжения на затворе ключа, до тех пор покуда провал напряжения находится в области 1 до тех пор ключ сидит в мягком переключении, если же провал напряжения сместится в область под номером два, так разу можно понят что ключ ушёл в жёсткое переключение.
1.png
1.png (539.02 КБ) 2312 просмотров
25602
Пользователь
Сообщения: 11
Стаж: 2 года 3 месяца
Репутация: 2
Откуда: Украина м. Балта
Аудио система: усилитель - Клон УМ Электроника Т1-002, колонки самопал, источник - ПК,

Re: И снова IR2153

Сообщение 25602 »

Приключения продолжаются - нагрузил БП между плечами двумя резисторами 82 Ом в параллель, 250Вт вышло, и понеслось - напряжение как вкопанное 104В, но звуки стрёмные, отключил защиту БП, ткнул скопом сначала на R2, затем на кондеры С3. Думал может латр не вытаскивает, тыкнул мимо латра в сеть, отчетливо слышен 100Гц от платы.
https://drive.google.com/file/d/1jGEQwG ... drive_link
https://drive.google.com/file/d/1IQe3KZ ... drive_link
Неужели все настолько печально, нужно будет посмотреть сколько тянет мощности из сети. На видео щуп 1:10, Пульсации 1В/клетка, на датчике тока 0,05В/клетка, напряжения на затворах не проваливается, БП греется меньше чем грелся с лампой накаливания (там всего 30Вт было).
25602
Пользователь
Сообщения: 11
Стаж: 2 года 3 месяца
Репутация: 2
Откуда: Украина м. Балта
Аудио система: усилитель - Клон УМ Электроника Т1-002, колонки самопал, источник - ПК,

Re: И снова IR2153

Сообщение 25602 »

Итак пришлось еще повозится. Прицепил ТТ, настроил рабочую частоту 84кГц(была 130кГц). Далее - без нагрузки 106В, с нагрузкой падает до 94В. Осталось настроить ОС на +/-45В и не мучать устройство
Вложения
2024-06-11 20.27.27.jpg
2024-06-11 20.09.55.jpg
25602
Пользователь
Сообщения: 11
Стаж: 2 года 3 месяца
Репутация: 2
Откуда: Украина м. Балта
Аудио система: усилитель - Клон УМ Электроника Т1-002, колонки самопал, источник - ПК,

Re: И снова IR2153

Сообщение 25602 »

Походу айнид хелп. Согласно данному материалу, а так же из осциллограмм Sous на стоке нижнего мосфета должна быть осцилограмма напоминающая прямоугольник с немного наклонными фронтами и спадами. На какую нагрузку смотреть, на максимуме или на половинной мощности, и на каком напряжении питания - на минимуме или на рабочем?
Вложения
EK3_103-112_Новиков.pdf
(2.81 МБ) 131 скачивание
uriy
Магистр электроники
Сообщения: 1550
Стаж: 2 года 9 месяцев
Репутация: 486
Откуда: Ukraine
Аудио система: Цифраактив

Re: И снова IR2153

Сообщение uriy »

25602 писал(а): 13 июн 2024, 21:05 На какую нагрузку смотреть, на максимуме или на половинной мощности, и на каком напряжении питания - на минимуме или на рабочем?
Какова цель? Если вы хотите увидеть там что-то внятное, то там маловато инфы видно если не смотреть одновременно на ток в цепи. В общем, как я понимаю вам нужно проверить вываливаетесь вы из резонанса или нет, критерии которые приводят к вываливанию из резонанса это высокое входное напряжение и большая нагрузка т.е. проверяете режимы при высоком входном напряжении в режиме малой нагрузки и в режиме максимальной нагрузки. Будьте осторожны с максимальной нагрузкой, в этом режиме на обмотке вспомогательного питания может присутствовать напряжение в 3-5 раз больше номинального.
25602
Пользователь
Сообщения: 11
Стаж: 2 года 3 месяца
Репутация: 2
Откуда: Украина м. Балта
Аудио система: усилитель - Клон УМ Электроника Т1-002, колонки самопал, источник - ПК,

Re: И снова IR2153

Сообщение 25602 »

Именно проверить резонанс, и на что способен блок - необходимо +/-50В 4А, питать планирую АБшник на нагрузку 8ом. Думаю получится на данном трансе или перемотать.
25602
Пользователь
Сообщения: 11
Стаж: 2 года 3 месяца
Репутация: 2
Откуда: Украина м. Балта
Аудио система: усилитель - Клон УМ Электроника Т1-002, колонки самопал, источник - ПК,

Re: И снова IR2153

Сообщение 25602 »

Итак, отрубил ОС, нагрузка 41 Ом, напряжение питания 220В, в качестве датчика тока ТТ. Практически синусоидальную форму приобрела на 96кГц (я так понимаю резонансная частота), напряжение при этом получилось +/- 37В. Немного вернул частоту около 80кГц напряжение поднялось +/- 46В пробовал подкинуть еще лампу на 100Вт ориентировочно + 300мА к основной нагрузке, напряжение не меняется (я так понимаю попал на участок ПНТ), при этом полка более выражена чем на предыдущем фото. Теперь можно заняться ОС, если настроить ОС на +/-44В то балалайка должна заработать как нужно?
Ответить

Вернуться в «Аудио усилители»