Темы в форуме

Китайский инвертор Foval с 12V на 220V с чистой синусоидой

Все об электронной технике и радиодеталях

Модератор: LinuxManiac

Георгич
Почетный пользователь
Сообщения: 63
Стаж: 3 года 1 месяц
Репутация: 3
Откуда: Киев
Аудио система: Потом напишу))) а вааще радиогубитель)

Re: Китайский инвертор Foval с 12V на 220V с чистой синусоидой

Сообщение Георгич »

А с меня схема вышеупомянутого простенького АВР ;) .
Ну если кому интересно
Аватара пользователя
Justas*
Гуру электроники☆☆☆☆
Сообщения: 2445
Стаж: 4 года 5 месяцев
Репутация: 1342
Откуда: Украина
Аудио система: viewtopic.php?p=17721#p17721

Re: Китайский инвертор Foval с 12V на 220V с чистой синусоидой

Сообщение Justas* »

Схему простейшего АВР обсуждали
Пришли к консенсусу, третью группу контактов ставить параллельно кнопке включения.
Инвертор напрямую к аккумулятору.
Кстати, кто то замерял ток инвертора в выключенном состоянии?
Аватара пользователя
Justas*
Гуру электроники☆☆☆☆
Сообщения: 2445
Стаж: 4 года 5 месяцев
Репутация: 1342
Откуда: Украина
Аудио система: viewtopic.php?p=17721#p17721

Re: Китайский инвертор Foval с 12V на 220V с чистой синусоидой

Сообщение Justas* »

Пардон, оказывается измеряли
uriy писал(а): 07 июн 2024, 13:09 Прикупил себе инвертор на 500Вт чистый синус под холодильник. Проверил сколько он потребляет по 12В когда выключен с кнопки, потребляет он 15мВт, так что можно глушить инвертор с кнопки с помощью контакта реле.
Георгич
Почетный пользователь
Сообщения: 63
Стаж: 3 года 1 месяц
Репутация: 3
Откуда: Киев
Аудио система: Потом напишу))) а вааще радиогубитель)

Re: Китайский инвертор Foval с 12V на 220V с чистой синусоидой

Сообщение Георгич »

Justas* писал(а): 22 июн 2024, 22:01 Схему простейшего АВР обсуждали
Пришли к консенсусу, третью группу контактов ставить параллельно кнопке включения.
Инвертор напрямую к аккумулятору.
Кстати, кто то замерял ток инвертора в выключенном состоянии?
Каждый для себя решает сам что и как делать, но от себя скажу, что та схема (как принципиальная схема) работать будет, но на практике, особенно при индуктивной нагрузке аля холодильник, циркуляцирнный насос и пр., та схема очень стрёмная - это первое, а второе - нет необходимости рвать оба провода нагрузки - это ни на что не влияет. Кроме того, при существующей проводке все нули сводятся на единую нулевую шину, через диф./УЗО, или без него. Ну и как вы будете рвать нулевую шину и раздуплять где чье УЗО?
Исходя из этого (по физике) достаточно одной переключающей группы. Но так не делают. Не говорю уже о том, что на АВР есть стандарт.
Ну и в третьих - глушить инвертор пареллельно выключателю тоже не правльно - выключатиель станет нефункциональным и вырубить инвертор вручную не будет возможности.
Эти нюансы желательно учитвать, но каждй для себя решает сам, что и как делать)))
uriy
Магистр электроники
Сообщения: 1554
Стаж: 2 года 9 месяцев
Репутация: 487
Откуда: Ukraine
Аудио система: Цифраактив

Re: Китайский инвертор Foval с 12V на 220V с чистой синусоидой

Сообщение uriy »

Георгич писал(а): 24 июн 2024, 01:00 особенно при индуктивной нагрузке аля холодильник, циркуляцирнный насос и пр., та схема очень стрёмная - это первое,
Ну по хорошему нужна задержка на включение и выключение. В холодильнике и циркуляционике не такие то и большие индуктивные токи что бы сваривание контактов произошло...
Георгич писал(а): 24 июн 2024, 01:00 а второе - нет необходимости рвать оба провода нагрузки - это ни на что не влияет.
Это защита от перепутывания фазы с нулём, норма вроде даже такая в ПУЕ есть, типа независимые источники напряжения должны разделятся всеми проводами, общих проводников не должно быть.
Георгич писал(а): 24 июн 2024, 01:00 Ну и в третьих - глушить инвертор пареллельно выключателю тоже не правльно - выключатиель станет нефункциональным и вырубить инвертор вручную не будет возможности.
Я поставил автоматический выключатель перед инвертором, так как не особо доверяю китайским инженерам.
gelert
Гуру электроники☆☆☆☆
Сообщения: 334
Стаж: 3 года 6 месяцев
Репутация: 110
Откуда: Горлівка Донецької обл
Аудио система: homemade

Re: Китайский инвертор Foval с 12V на 220V с чистой синусоидой

Сообщение gelert »

uriy писал(а): 24 июн 2024, 01:21
Георгич писал(а): 24 июн 2024, 01:00 особенно при индуктивной нагрузке аля холодильник, циркуляцирнный насос и пр., та схема очень стрёмная - это первое,
Ну по хорошему нужна задержка на включение и выключение. В холодильнике и циркуляционике не такие то и большие индуктивные токи что бы сваривание контактов произошло...
Пусковий струм холодильника раз в десять-двадцять заввище ніж номінальний робочий. Майте це на увазі, блискає досить потужно. Пускова обмотка двигуна компресора виконується зі зниженим реактивним опором задля створення високого пускового моменту (декілька витків пускової обмотки намотуються у зворотному напрямку). Після розгону реактивний опір зростає, пускова обмотка вимикається. Незважаючи на це зберігається ризик заклинення компресора при швидкому повторному запуску зразу після зупинки. Сучасні холодильники мають витримку вмикання для такого випадку для зрівняння тиску на вході і виході компресора. Циркнасоси систем опалювання мають конденсатор зсуву, постійно вмикнутий. Там так, пускові струми значно менші, на додаток циркнасоси центробіжні, обов’язковою умовою для них є наявність тиску підпору на всасі.
Аватара пользователя
Alex
Site Admin
Сообщения: 4218
Стаж: 14 лет 3 месяца
Репутация: 2797
Откуда: Kiev
Аудио система: www.is.gd/l0dt3T
Контактная информация:

Re: Китайский инвертор Foval с 12V на 220V с чистой синусоидой

Сообщение Alex »

У меня иногда холодильник потребляет в течении 30 секунд один киловат, потом 130 Вт рабочее. Что там происходит непонятно.
gelert
Гуру электроники☆☆☆☆
Сообщения: 334
Стаж: 3 года 6 месяцев
Репутация: 110
Откуда: Горлівка Донецької обл
Аудио система: homemade

Re: Китайский инвертор Foval с 12V на 220V с чистой синусоидой

Сообщение gelert »

Те саме і відбувається. Пускова розгоняє компресор, а далі вимикається. Нормальна стартова циклограма. На цей час мережа живлення повинна забеспечувати необхідну потужність. Інакше може трапитись погане. Сучасні компресори холодильників (кондеціонерів) — шиберні. Якщо трапиться таке, що потужності не висточить в якийсь момент, ротор не провернется і шибери можуть заклинити десь на стиску. Далі як пощастить. Впритул до заміни компресору, перезаправці фреону, і вам пощастить, як він потрібний буде в наяві. Наприклад в моєму, в морозильці таке трапиться — заміна холодильнику. Бо на -27 тут фреону нема...
uriy
Магистр электроники
Сообщения: 1554
Стаж: 2 года 9 месяцев
Репутация: 487
Откуда: Ukraine
Аудио система: Цифраактив

Re: Китайский инвертор Foval с 12V на 220V с чистой синусоидой

Сообщение uriy »

gelert писал(а): 24 июн 2024, 10:25 Пусковий струм холодильника раз в десять-двадцять заввище ніж номінальний робочий. Майте це на увазі, блискає досить потужно.
Так то да, но вероятность попадания переключения контактов на момент пуска холодильника не высока, она есть, но она не высокая. У меня применено реле с серебряными контактами на 10А каждый, так что думаю пару десятков раз они смогут разорвать пусковой тока холодильника. А вообще да, по уму нужно ставить контакторы, но по уму это дорого, а на авось можно и проскочить по цене в несколько раз ниже.
gelert
Гуру электроники☆☆☆☆
Сообщения: 334
Стаж: 3 года 6 месяцев
Репутация: 110
Откуда: Горлівка Донецької обл
Аудио система: homemade

Re: Китайский инвертор Foval с 12V на 220V с чистой синусоидой

Сообщение gelert »

Та я тут вже не про контакти, а про те, що холодильник може піти. При повторах вмикання компресор намагається стартанути на магістраль під тиском, а там атмосфер під двадцять може бути якщо не було витримки часу. Як не вистачить потужності для пуску, вся ця байда посмикається трохи і гаплик. Реально компресор стане на наступному оберті при зникнені живлення. В свої часи в інструкції на холодильник про час повторного вмикання холодильника було прописано окремо. Не думаю, що щось змінилось в цьому сенсі. Я тут до того, що потужність живлення має забеспечувати цей момент. І інвертор повинен тримати десь пару хвилин 1-2кВт і акум віддати відповідно.
Аватара пользователя
IT-Prof
Помощник модератора
Сообщения: 770
Стаж: 10 лет
Репутация: 188

Re: Китайский инвертор Foval с 12V на 220V с чистой синусоидой

Сообщение IT-Prof »

А кто в курсе про Інверторний компресор в холодильнике? Какое потребление и токи пуска? потому как в инструкции не указывают потребление вообще, только какието цифры с потолка за год, например 253 кВт в год.
uriy
Магистр электроники
Сообщения: 1554
Стаж: 2 года 9 месяцев
Репутация: 487
Откуда: Ukraine
Аудио система: Цифраактив

Re: Китайский инвертор Foval с 12V на 220V с чистой синусоидой

Сообщение uriy »

gelert писал(а): 24 июн 2024, 11:32 Не думаю, що щось змінилось в цьому сенсі.
В бытовых холодильниках уже давно стоит защита от застопоривания компрессора, и именно при стопоре компрессора бытовой холодильник потребляет 1кВт, в течении 10-20 секунд, далее в компрессоре срабатывает термоконтакт и разрывает цепь. При пуске же, когда давление в компрессоре выровнено, пусковой ток меньше 1кВт. И да никто не спорит что пусковой ток нужно учитывать, при выборе инвертора как и наличие на выходе инвертора синусоиды, так званый чистый синус нужен. Я на 120Вт холодильник прикпуил инвертор на 500Вт длительной мощности и 1кВт пиковой. Когда запущу систему, увижу как он себя покажет на бытовом холодильнике.
gelert
Гуру электроники☆☆☆☆
Сообщения: 334
Стаж: 3 года 6 месяцев
Репутация: 110
Откуда: Горлівка Донецької обл
Аудио система: homemade

Re: Китайский инвертор Foval с 12V на 220V с чистой синусоидой

Сообщение gelert »

IT-Prof писал(а): 24 июн 2024, 11:43 А кто в курсе про Інверторний компресор в холодильнике? Какое потребление и токи пуска? потому как в инструкции не указывают потребление вообще, только какието цифры с потолка за год, например 253 кВт в год.
Інверторний — це звичайний вібраційний насос. Не має махових мас, які обертаються. В цьому його перевага. Він може продовжувати наступний цикл стискання без завершення попереднього. Навіть якщо заклинить поршень, просто перестане качати. Пускових струмів таких він не має, але миттєве споживання практично не змінне, мало залежне від відтворюваної потужності. Інвертор має до нього опосередковане відношення. Він частотно модулює напругу живлення, залишаючи її амплітуду постійною. Якоїсь видатної економічності він не має, не ведіться на це. Вся економія досягається за рахунок гнучкої характеристики продуктивності прокачування фреону працюючи при цьому безперервно.
Аватара пользователя
Justas*
Гуру электроники☆☆☆☆
Сообщения: 2445
Стаж: 4 года 5 месяцев
Репутация: 1342
Откуда: Украина
Аудио система: viewtopic.php?p=17721#p17721

Re: Китайский инвертор Foval с 12V на 220V с чистой синусоидой

Сообщение Justas* »

uriy писал(а): 24 июн 2024, 01:21
Георгич писал(а): 24 июн 2024, 01:00 Ну и в третьих - глушить инвертор пареллельно выключателю тоже не правльно - выключатиель станет нефункциональным и вырубить инвертор вручную не будет возможности.
Я поставил автоматический выключатель перед инвертором, так как не особо доверяю китайским инженерам.
Кто же будет припаивать провода от реле к кнопе инвертора напрямую? На его корпусе достаточно установить любой разъём.
uriy
Магистр электроники
Сообщения: 1554
Стаж: 2 года 9 месяцев
Репутация: 487
Откуда: Ukraine
Аудио система: Цифраактив

Re: Китайский инвертор Foval с 12V на 220V с чистой синусоидой

Сообщение uriy »

Justas* писал(а): 24 июн 2024, 15:51 Кто же будет припаивать провода от реле к кнопе инвертора напрямую?
Я. :D
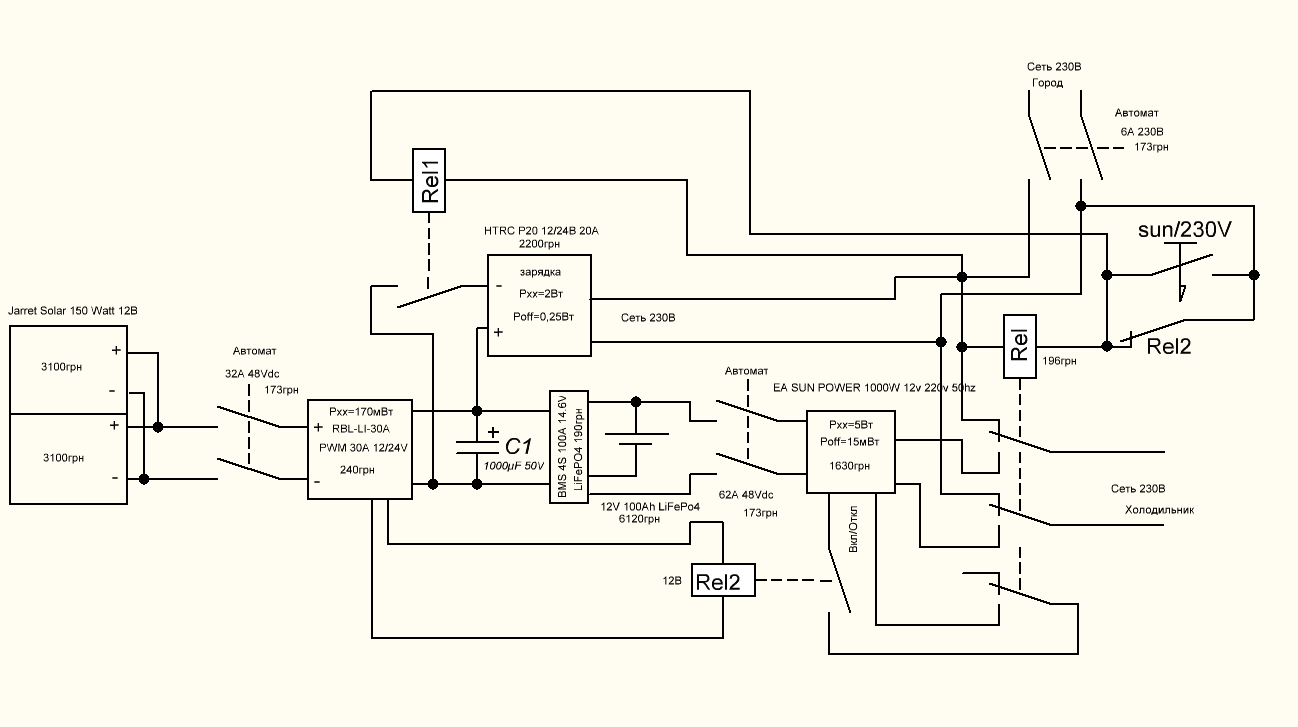
У меня вообще всё намного сложнее так как я использую ещё и солнечную батарею и она завязан на автоматику, и если мне приспичит выключить инвертор не трогая автоматический выключатель, то я его могу выключить с контролера солнечной панели. Схема позволяет выбирать приоритет зарядки Акк, город или солнце.
Sc.png
Георгич
Почетный пользователь
Сообщения: 63
Стаж: 3 года 1 месяц
Репутация: 3
Откуда: Киев
Аудио система: Потом напишу))) а вааще радиогубитель)

Re: Китайский инвертор Foval с 12V на 220V с чистой синусоидой

Сообщение Георгич »

uriy писал(а): 24 июн 2024, 01:21 Ну по хорошему нужна задержка на включение и выключение. В холодильнике и циркуляционике не такие то и большие индуктивные токи что бы сваривание контактов произошло...
Ну по ГОСТу да, но мы же за бесшовность боремся)))
uriy писал(а): 24 июн 2024, 01:21Это защита от перепутывания фазы с нулём, норма вроде даже такая в ПУЕ есть, типа независимые источники напряжения должны разделятся всеми проводами, общих проводников не должно быть.
Да, согласно ПУЭ для генераторов рвать нейтраль обязательно. Причина тому банальна - отсутсвие контрольного напряжения не означает его отсутствие, потому как может быть оторван ноль. И если такое произойдет, а ноль всегда первым отваливается, то АВР запустит гены и гороодские 3 фазы даст себе под хвост. Ну думаю мысль понятна?.

Но давайте к нашим реалиям - как правило у нас уже готова квартирная (домовая разводка. Все нецтрали сведены в кучу на общую нулевую шину. И даже при желании, еще попробух их раздуплить по оболочкам кабелей какая куда уходит))).
А если ноль сквозной, то по сути наша схема АВР будет 4-х проводной; город, УПС, Выход и нейтраль (земля не в счет, она полюбасу сквозная).
А ко всему учтите, что автомобилтнй инвертор, или блюэтти и пр. "павербанки" они изолированы от сети. Но ведь большинсво народу сидит на трансформаторных упсах аля синус про, лоджикпаувер и пр., в т.ч. и солнечных/гибридных. А они 3-х проводны по своей сути (ноль сквозной). Ну и как вы собираетесь их АВР-ить? )))
Так что по жизни, рвать ноль не реально, и в наших бытовых условиях и не нужно. Соответственно обсуждаемая выше схема простенького АВР не актуальна. О чем я и писал вчера.
uriy писал(а): 24 июн 2024, 01:21 Я поставил автоматический выключатель перед инвертором, так как не особо доверяю китайским инженерам.
Это разумно, но хлопотно))) Хотя на 63А вполне комильфо! Ну если холодильником не игреаетесь.
Георгич
Почетный пользователь
Сообщения: 63
Стаж: 3 года 1 месяц
Репутация: 3
Откуда: Киев
Аудио система: Потом напишу))) а вааще радиогубитель)

Re: Китайский инвертор Foval с 12V на 220V с чистой синусоидой

Сообщение Георгич »

gelert писал(а): 24 июн 2024, 10:25 Пусковий струм холодильника раз в десять-двадцять заввище ніж номінальний робочий. Майте це на увазі, блискає досить потужно.
Взагалі то ТОЕ для короткозамкнутого асинхронніка стверджує, Іп = 5-7Ін ))). Але то для класичного асинхронніка, а в холоді кривий)))
Георгич
Почетный пользователь
Сообщения: 63
Стаж: 3 года 1 месяц
Репутация: 3
Откуда: Киев
Аудио система: Потом напишу))) а вааще радиогубитель)

Re: Китайский инвертор Foval с 12V на 220V с чистой синусоидой

Сообщение Георгич »

Alex писал(а): 24 июн 2024, 10:45 У меня иногда холодильник потребляет в течении 30 секунд один киловат, потом 130 Вт рабочее. Что там происходит непонятно.
Там все очень просто, и пришло с 60-ых. При срабатывании капиллярного термостата, напруга подается на рабочую обмотку двигателя компрессора. По скольку он стоит, то потребляет большой пусковой ток (5-г номинальных). Последовательно с рабочей обмоткой ставится пусковое реле тока, представляющее собой электромагнитное реле тока, срабатывающее на этот пусковой ток основной обмотки. Это реле подключает пусковую обмотку, создающую намного большее электромагнитное поле для старта. Взаимодействие этих двух полей эллиптической формы и раскручивает ротор компрессора. После того, как компрессор выходит на рабочие обоброты (К-скольжения <0,3), ток в рабочек обмотке снижается, пусковое реле тока отпускает контакт и пусковая обмотка отключается). Компрессор птодолжает молотить на рабочей обмотке. Так было в прошлом тысячелетии))) ,
Пусковой ток заценить очень просто - замерить активное мопротивление обмоток. Пуковой ток (по каждой обмотке) будет пиропорционально именно ему, т.к. реактивная составляюшая на старте не существенна.
Так что киловат первые секунды это норм.
uriy
Магистр электроники
Сообщения: 1554
Стаж: 2 года 9 месяцев
Репутация: 487
Откуда: Ukraine
Аудио система: Цифраактив

Re: Китайский инвертор Foval с 12V на 220V с чистой синусоидой

Сообщение uriy »

Георгич писал(а): 24 июн 2024, 23:31 Соответственно обсуждаемая выше схема простенького АВР не актуальна. О чем я и писал вчера.
Не актуально для кого? Ну нет у вас желания рвать нулевой провод, ну не рвите, вас же не заставляют это делать. Мне лично всё равно какую схему вы применяете для своих условий, я свою схему уже собрал и она учитывает мои хотелки, единственное что мене хотелось бы, так это ввести замедление на силовое реле, но сложность этой затеи, а по сути цена, меня останавливает. Время покажет нужна там задержка или и так сойдёт.
Георгич писал(а): 24 июн 2024, 23:31 Это разумно, но хлопотно))) Хотя на 63А вполне комильфо! Ну если холодильником не игреаетесь.
Я его поставил просто для успокоения души, всё таки предполагается автономная работа этой кухни, с автоматом перед инвертором спокойнее спать.... Хотя пожалуй стоит подумать о пожарной сигнализации....
Георгич
Почетный пользователь
Сообщения: 63
Стаж: 3 года 1 месяц
Репутация: 3
Откуда: Киев
Аудио система: Потом напишу))) а вааще радиогубитель)

Re: Китайский инвертор Foval с 12V на 220V с чистой синусоидой

Сообщение Георгич »

uriy писал(а): 24 июн 2024, 12:52 В бытовых холодильниках уже давно стоит защита от застопоривания компрессора, и именно при стопоре компрессора бытовой холодильник потребляет 1кВт, в течении 10-20 секунд, далее в компрессоре срабатывает термоконтакт и разрывает цепь.
Биметаллическая пластина (аля как в утюге) стоит в том же пусковом реле.
uriy писал(а): 24 июн 2024, 12:52 При пуске же, когда давление в компрессоре выровнено, пусковой ток меньше 1кВт. И да никто не спорит что пусковой ток нужно учитывать, при выборе инвертора как и наличие на выходе инвертора синусоиды, так званый чистый синус нужен. Я на 120Вт холодильник прикпуил инвертор на 500Вт длительной мощности и 1кВт пиковой. Когда запущу систему, увижу как он себя покажет на бытовом холодильнике.
Для компрессорной техники считается время сброса поршневого давления 4-7 минут. Но этот пусковой киловат потреблаяет даже сдутый компрессор.
А вот если ваять АВР с временнымии задержками, аля 5с. То это для компрессора смерть - в нем над поршнем давление, а вы его еще и стартуете. Поэтому для холодильников делают стаблизаторы с отложенным стартом. АВР мнговенного действия компрессору не повредит, а вот задержкаболее полупериода даст обратный удар поршню.
Короче, покупать нужно инверторные холодильники)))
Георгич
Почетный пользователь
Сообщения: 63
Стаж: 3 года 1 месяц
Репутация: 3
Откуда: Киев
Аудио система: Потом напишу))) а вааще радиогубитель)

Re: Китайский инвертор Foval с 12V на 220V с чистой синусоидой

Сообщение Георгич »

IT-Prof писал(а): 24 июн 2024, 11:43 А кто в курсе про Інверторний компресор в холодильнике? Какое потребление и токи пуска? потому как в инструкции не указывают потребление вообще, только какието цифры с потолка за год, например 253 кВт в год.
Принцип преобразователя частоты. Пусковой ток задается уставкой 1,5 Ін. Для тяжелых промкомпрессоров 2 Ін.
ЗЫ. В бытовуху ЛЖ внедрило еще и линейные компрессоры)))
Последний раз редактировалось Георгич 25 июн 2024, 00:29, всего редактировалось 1 раз.
Георгич
Почетный пользователь
Сообщения: 63
Стаж: 3 года 1 месяц
Репутация: 3
Откуда: Киев
Аудио система: Потом напишу))) а вааще радиогубитель)

Re: Китайский инвертор Foval с 12V на 220V с чистой синусоидой

Сообщение Георгич »

Justas* писал(а): 24 июн 2024, 15:51 Кто же будет припаивать провода от реле к кнопе инвертора напрямую? На его корпусе достаточно установить любой разъём.
А ктото запрещает? )))
Sous
Разработчик
Сообщения: 1444
Стаж: 5 лет 7 месяцев
Репутация: 1257
Откуда: Ивано-Франковск
Аудио система: DX3pro
Focal horus716
S_Audio stereo AMP 2_061

Re: Китайский инвертор Foval с 12V на 220V с чистой синусоидой

Сообщение Sous »

Инверторный Самсунг 2м спокойно работает от tataliken 1600, защита у него на 600вт примерно срабатывает. Потребление на старте холодильника вообще незаметно, повышается 0-50вт за секунду две.
Георгич
Почетный пользователь
Сообщения: 63
Стаж: 3 года 1 месяц
Репутация: 3
Откуда: Киев
Аудио система: Потом напишу))) а вааще радиогубитель)

Re: Китайский инвертор Foval с 12V на 220V с чистой синусоидой

Сообщение Георгич »

uriy писал(а): 24 июн 2024, 01:21 В холодильнике и циркуляционике не такие то и большие индуктивные токи что бы сваривание контактов произошло...
Ну почему же? там cosφ = 0,6-0,8, но не суть. Спекает контакты не индуктивная составляющая. Сваривает контакты емкостная составляющая от импульсных блоков питания и пр. большие токи. Но спекание контактов не чреваты - ничего не сгорит, а просто АВР не переключится, а так и останется в запеченном состоянии).
Опасность индуктивной составляющей в другом - индуктивность тянет дугу, а это плазма с низким внутренним сопротивлением. И когда город подает сеть, то НЗ контакты Вашего АВР начинают размыкаться, могут потянуть дугу от еще работающего инвертора, а расстояние до контакта НО в реле очень не большое. В результате вы можете притянутть город по дуге под хвост своему инвертору. Для уменьшения этого эффекта нужно ограничивать токи и разделять группы НО/НЗ. Ну а третья группа глушит инвертор.
Последний раз редактировалось Георгич 25 июн 2024, 01:29, всего редактировалось 2 раза.
Георгич
Почетный пользователь
Сообщения: 63
Стаж: 3 года 1 месяц
Репутация: 3
Откуда: Киев
Аудио система: Потом напишу))) а вааще радиогубитель)

Re: Китайский инвертор Foval с 12V на 220V с чистой синусоидой

Сообщение Георгич »

Sous писал(а): 25 июн 2024, 00:11 Инверторный Самсунг 2м спокойно работает от tataliken 1600, защита у него на 600вт примерно срабатывает. Потребление на старте холодильника вообще незаметно, повышается 0-50вт за секунду две.
До 100Вт растет. Хотя это индивидуально.
Георгич
Почетный пользователь
Сообщения: 63
Стаж: 3 года 1 месяц
Репутация: 3
Откуда: Киев
Аудио система: Потом напишу))) а вааще радиогубитель)

Re: Китайский инвертор Foval с 12V на 220V с чистой синусоидой

Сообщение Георгич »

uriy писал(а): 24 июн 2024, 23:47 Не актуально для кого? Ну нет у вас желания рвать нулевой провод, ну не рвите, вас же не заставляют это делать.
Не актуально для того, кто дом построил до войны...
Мне вот в Ирпене дом хоть немного и разбабахали. Но нейтраль выжила сквозной))).
Sous
Разработчик
Сообщения: 1444
Стаж: 5 лет 7 месяцев
Репутация: 1257
Откуда: Ивано-Франковск
Аудио система: DX3pro
Focal horus716
S_Audio stereo AMP 2_061

Re: Китайский инвертор Foval с 12V на 220V с чистой синусоидой

Сообщение Sous »

Стартует с 50вт, потом , если температура долго не падает переходит на 75, или 100 плавно.
uriy
Магистр электроники
Сообщения: 1554
Стаж: 2 года 9 месяцев
Репутация: 487
Откуда: Ukraine
Аудио система: Цифраактив

Re: Китайский инвертор Foval с 12V на 220V с чистой синусоидой

Сообщение uriy »

Георгич писал(а): 25 июн 2024, 00:12 В результате вы можете притянутть город по дуге под хвост своему инвертору.
Согласен, можно.
Аватара пользователя
Dj Maxim Slim
Почетный пользователь
Сообщения: 187
Стаж: 4 года 3 месяца
Репутация: 46
Откуда: Харьков
Аудио система: Студийные мониторы

Re: Китайский инвертор Foval с 12V на 220V с чистой синусоидой

Сообщение Dj Maxim Slim »

Давайте все вместе разработаем хороший инвертор, только не на 12 безпантовых вольт которые дают бешенный перегрев, а на большее. Продажа нашего электричества на запад дороже нашего комфорта для мразей министров.
Правда лично я совсем здесь не разбираюсь. Только могу воспользоватся вашей разработкой в своих целях запитки, я сёдня выпил чай сыворотки правды)).
Георгич
Почетный пользователь
Сообщения: 63
Стаж: 3 года 1 месяц
Репутация: 3
Откуда: Киев
Аудио система: Потом напишу))) а вааще радиогубитель)

Re: Китайский инвертор Foval с 12V на 220V с чистой синусоидой

Сообщение Георгич »

Dj Maxim Slim писал(а): 03 июл 2024, 22:52 Давайте все вместе разработаем хороший инвертор, только не на 12 безпантовых вольт которые дают бешенный перегрев, а на большее.
Не понятен смысл чтото изобретать и паять, если готовое изделие выйдет дешевле себестоимости изготовления.

Автомобильній инвертор это конечно игрушка. Касательно вышеупомянутого Foval 2600, то его рабочий диапазон мощностей 50-250Вт.
При меньшей нагрузке чертовски греется дроссель, при нагрузках выше 300 Вт ему уже не легко, а при 500 Вт уже очень шумно и жарко.
Я думал им подзаряжать Блюэтти 2000 Вт. При заряде от 220 В Блюэтти берет 498 Вт. Так вот, этому Фаволу это далось тяжело.
В результате фовал нах и заряжаю Блюэтти напрямую от АКБ, при этом мощность заряда 102 Вт))). Ну по бедности достаточно))))

А так, мне зашел трансфоматорный УПС Вольт Польска синус про 2000Е С родичами юзаю 3 шт. Вполне приемлемо!
Ну а если нужно взрослое решение, то альтернативы гибридам не вижу - эти пашут надежно. Например https://www.moyo.ua/ua/invertor_solnech ... 65899.html
Но влюбом случае самое слабое место АКБ.
Ответить

Вернуться в «Электронная техника и детали»