Проект был задуман как экспериментальный, но в итоге получилась конструкция для использования в Канаде (поэтому рассчитана на питание от сети 120 вольт).
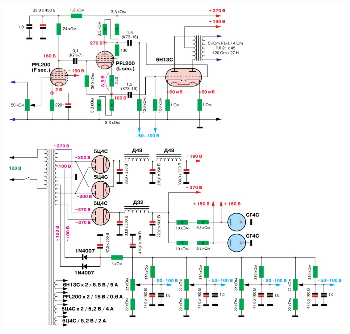
Изучая малоизвестные радиолампы, я обратил внимание на 10-штырьковые двойные пентоды PFL200. Помимо напряжения накала 17 вольт, лампа отличается неодинаковыми пентодами в одном баллоне: маломощным для усиления напряжения и более мощным для выходных каскадов.
Рассмотрение графиков вольт-амперных характеристик привело к мысли использовать её в первых каскадах (усиления напряжения и фазоинверторе) двухтактного усилителя.
Наличие уже давно и без дела «в тумбочке» некоторого запаса ламп 6Н13С решило выбор оконечного каскада.
Макетирование схемы прошло успешную проверку, и дело дошло до готовой конструкции.
Усиление первого каскада приблизительно 120, чего более чем достаточно для работы с лампами выходного каскада, требующими на номинальной мощности амплитуды сигнала на сетке 70-80-90 вольт. Питание экранных сеток организовано от стабилизаторов на газовых стабилитронах.
Второй каскад – силовой пентод в триодном включении.
Выходной каскад работает с фиксированным смещением.
Выходные трансформаторы - на железе ТС-180. Параметры указаны на схеме.
Питание разными напряжениями выходных каскадов и каскадов предварительного усиления, а также смещения ламп выходных каскадов – от одной обмотки силового трансформатора с выводами.
Что оказалось неожиданным – так это полное отсутствие фона переменного тока, несмотря на то, что я забыл организовать «подпор» постоянным напряжением цепей питания накала ламп входных каскадов. Удивительные это лампы PFL200.
Темы в форуме
Новые сообщения
-
02-мар Прогресс усилителей мощности умер?
-
01-мар Усилитель JLH 1969
-
01-мар Усилитель D класса на базе плат 2_062 S_AUDIO от Alex
-
28-фев Ламповый усилитель на 6Н9С KT88
-
27-фев Усилитель NAD C328 (D класс 2х50 Вт)
-
26-фев Усилитель А класса JLH2003
-
25-фев Усилитель звука D класса Clone purifi Hb 3.064 ULTRA
-
17-фев Двухтактный на лампах EL34 в триодном включении
-
17-фев Усилитель на модулях PTERO TAS5342
-
12-фев Интересный усилитель AIYIMA A80 TPA3255 PFFB
Новые темы
-
26-фев Усилитель NAD C328 (D класс 2х50 Вт)
-
09-фев Прогресс усилителей мощности умер?
-
22-янв Ламповый усилитель для наушников HiFiMAN Edition XS
-
11-янв Список схем ламповых двухтактных усилителей для наушников
-
07-янв SMSL AO300 PRO — DAC + усилитель мощности + усилитель для наушников
-
05-янв Ламповий Однотакт (SE)
-
31-дек Ламповый усилитель против D класса.
-
17-дек Ваш самый дорогой усилителль мощности
-
05-дек SMSL PA-X
-
02-дек Черырехканальный усилитель D класса Douk Audio G7
Двухтактный на 6Н13С с фазоинвертором на двойном пентоде
- LinuxManiac
- Добрейший модератор
- Сообщения: 1270
- Стаж: 6 лет 11 месяцев
- Репутация: 834
- Откуда: Киев
- Контактная информация:
- LinuxManiac
- Добрейший модератор
- Сообщения: 1270
- Стаж: 6 лет 11 месяцев
- Репутация: 834
- Откуда: Киев
- Контактная информация:
Re: Двухтактный на 6Н13С с фазоинвертором на двойном пентоде
Звук усилителя реально порадовал. Придраться не к чему.
П.С. В заключение:
1) сведения о лампах из 50х – 80-х годов прошлого века – это кладезь знаний и возможностей
2) двойные триоды 6Н13С (вопреки навязываемым некоторыми мнениям) вполне применимы в выходных двухтактных каскадах
3) на железе от трансформаторов ТС-180 реально изготавливать достойные выходные трансформаторы.
1) сведения о лампах из 50х – 80-х годов прошлого века – это кладезь знаний и возможностей
2) двойные триоды 6Н13С (вопреки навязываемым некоторыми мнениям) вполне применимы в выходных двухтактных каскадах
3) на железе от трансформаторов ТС-180 реально изготавливать достойные выходные трансформаторы.
050-246-3341; Viber: 068-362-3497