Темы в форуме

      Наш youtube        Наш инстаграм     ☝ Сказать спасибо!           Правила форума   




Усилитель класса D: FX-Audio - FX502S PRO

Аватара пользователя
Carwizard
Мудрый кот
Сообщения: 334
Стаж: 4 года 5 месяцев
Репутация: 132
Откуда: KZ
Аудио система: Onkyo, PolkAudio, Jamo, Heco, Magnat, Sony SV9900, ATDAC-8AX, FX502S-PRO

Re: Усилитель класса D: FX-Audio - FX502S PRO

Сообщение Carwizard »

ms142 писал(а): 08 дек 2021, 12:31 Резонансный - это разновидность импульсного БП (по принципу действия).
Т.е. просто "импульсный" м.б. построен на другой схемотехнике, в то время как резонансный вариант при правильной организации на сегодняшний день видится предпочтительнее.
OFF
Да, разновидностей схемотехник импульсных БП действительно множество. И с недавним появлением быстрых IGBT мос-фетов, почти все блоки питания сейчас продаются будучи построенными по резонансным схемотехникам. Раньше были ШИП импульсники довольно низкочастотными (30-50 КГц), у которых недостатком был относительно не высокий КПД, из-за наличия тока и напряжения в момент переключения ключей. Так же есть и псевдо-резонансные схемотехники. В современных резонансных ИИП используют более быстрые ключи переключающие без падения напряжения в момент коммутации тока.
При ШИМ потери при переключении появляются из-за одновременного протекания через коммутатор как тока, так напряжения на нем.
Такая ситуация отсутствует при резонансном режиме работы, который для стабилизации напря­жения использует частотную модуляцию. Причём резонансный режим может быть получен разными путями: можно использовать как последовательный, так и параллельный LС контур. А номинальная рабочая частота может быть как ниже, так и выше соб­ственной резонансной частоты LС контура. В любом случае стабилиза­ция требует работы на падающем участке резонансной кривой. Обычно индуктивность первичной обмотки выходного трансформатора дос­таточно высока, так что почти не влияет на резонансную частоту LС контура.
Не всегда глядя на схему можно сказать, что использует­ся именно резонансный режим, потому что на принципиалке могут от­сутствовать в явном виде индуктивность или кондёр, а иногда оба. В таких случаях используются паразитные реактивные сопротив­ления, такие как индуктивности рассеяния выходного транса, а также паразитная или распределенная ёмкость. Иногда используется и вы­ходная емкость коммутатора. В некоторых случаях параллельный колеба­тельный контур образуется вторичной обмоткой выходного транса, и либо подключенным к ней кондёром, либо паразитной емкостью.
Сейчас наверное уже все производители строят свои ИИПы на принципе переключения с нулевым током, где диапа­зон изменения частоты распространяется от низких частот до 80% от ре­зонансной частоты контура. Это обеспечивает достаточное время для того, чтобы ток катушки индуктивности уменьшился до нуля, или даже стал от­рицательным. Импульс определяющий время включенного состояния заканчивается тогда, когда ток принимает отрицательное значение, и момент его окончания не критичен. Отрицательный ток катушки индуктивнос­ти подразумевает, что ток теперь течет не через мощный мосфет, а через фиксирующий диод. Ещё бывают однотактники и двухтактники. В однотактном частота коммутации ключей совпадает с частотой генерации схемы управления. В двухтактных ИИП частота генерации в двое выше, чем частоты реальных переключений.
К переключению без потерь приближается ИИП, работающий в прерывистом режиме. Это когда на каждый импульс дол­жен быть только один период колебаний в LС контуре. Это требует наличия "мертвого времени", между завершением одного цикла колебания и появлением следующего импульса. Вот почему частота по­вторения импульсов не должна приближаться к резонансной частоте LC-контура. Удовлетворение этого требования, приводит к некоторому снижению выходной мощи. Стабилизация основана на том, что энергия запасенная в LС-кон­туре максимальна, когда частота повторения импульсов, осуществляющих ударное возбуждение контура, близка к его резонансной частоте. От­клонение частоты токовых импульсов от этого оптимального условия приводит к тому, что будет получена меньшая мощность. Поскольку резонансная ча­стота остается постоянной, то для осуществления стабилизации, будет изменя­ться так называемое "мертвое время".
Самый цимус в резонансных ИИП в том, что коммутаторы не испытывают одновременного воздействия напряжения и тока, в моменты переключения. Это приводит к высокому КПД со значи­тельным снижением рассеиваемой мощности в ключах, что в свою очередь решает температурные проблемы, и экономит место, при высокой плотности компоновки элементов.
Короче, вариаций тут не мало.
По сути это всё риторика, в плане как назвать тот или иной современный импульсник.
Другой вопрос, что сейчас сыскать в продаже обычный ШИМ с невысоким КПД, наверное уже сложно. Сплошь везде торгуют резонансниками, которые да, могут выполняться по различным схемотехническим вариантам. Но все они уже с высоким КПД, так что можно брать любой, который точно обеспечит требуемый ток на нагрузке, при заданном напряжении.
FirePepper
Сообщения: 3
Стаж: 3 года 10 месяцев
Репутация: 0
Откуда: Троицк
Аудио система: Klipsch KG 4.5

Re: Усилитель класса D: FX-Audio - FX502S PRO

Сообщение FirePepper »

Простите, а к такому блоку питания нужно штекер 5.5х2.5 или провода внутрь усилителя припаивать?

Есть готовые корпуса? как-то стремно в открытом виде все оставлять
Аватара пользователя
Carwizard
Мудрый кот
Сообщения: 334
Стаж: 4 года 5 месяцев
Репутация: 132
Откуда: KZ
Аудио система: Onkyo, PolkAudio, Jamo, Heco, Magnat, Sony SV9900, ATDAC-8AX, FX502S-PRO

Re: Усилитель класса D: FX-Audio - FX502S PRO

Сообщение Carwizard »

Подпружиненный механический контакт всегда проигрывает надёжной пайке, особенно во времени.
Корпусов полно на Алишке, разных размеров и дизайнов. Есть даже небольшие со стрелочными индикаторами, куда можно кроме усилка, поместить и блок питания вместе с платой фильтрации сетевого напряжения. Только естественно придётся что-то по месту досверливать, или дофрезеровывать на своей домашней ЧПУшке (CNC-Router, если есть таковой станочек).
Suvorov24
Пользователь
Сообщения: 30
Стаж: 4 года
Репутация: 5
Откуда: Россия, Красноярск
Аудио система: BRZHifi dac SU9 -> fx502SPro -> Асалаб 12"5"1"

Re: Усилитель класса D: FX-Audio - FX502S PRO

Сообщение Suvorov24 »

Dysindich писал(а): 01 дек 2021, 00:33
Думаю, что если , данную керамику заменить на ВЧ полипропилен (даже не знаю, на какой - хотя бы на ВИМу ФКП-2)
Я правильно припаялся?) За качество прошу не ругать)
Вложения
IMG_20211209_213612.jpg
Аватара пользователя
Dysindich
Гуру электроники☆☆☆☆
Сообщения: 900
Стаж: 4 года 9 месяцев
Репутация: 220
Откуда: Liege, Belgium
Аудио система: Onkyo Integra M-506 / Technics sb -m1000/ Lynx D-78-Lynx P05 / Sony NW-WM1A /Koss Porta pro/ Zidoo Neo Alpha /Clone N-Core

Re: Усилитель класса D: FX-Audio - FX502S PRO

Сообщение Dysindich »

Правильно, вполне. Но Вы не всю керамику заменили :-(
( Wima, какого типа у Вас?)
If you are a pilot, then you are already not shit!
Jokias
Пользователь
Сообщения: 42
Стаж: 3 года 11 месяцев
Репутация: 4
Откуда: Kiev
Аудио система: Solo6c

Re: Усилитель класса D: FX-Audio - FX502S PRO

Сообщение Jokias »

Carwizard писал(а): 09 дек 2021, 10:13 Подпружиненный механический контакт всегда проигрывает надёжной пайке, особенно во времени.
Корпусов полно на Алишке, разных размеров и дизайнов. Есть даже небольшие со стрелочными индикаторами, куда можно кроме усилка, поместить и блок питания вместе с платой фильтрации сетевого напряжения. Только естественно придётся что-то по месту досверливать, или дофрезеровывать на своей домашней ЧПУшке (CNC-Router, если есть таковой станочек).
Работая программистом ЧПУ на HAAS я и созрел на покупку платы усилителя ICEpower, хотелось сделать под него корпус и т.д. Но в итоге купил готовый обсуждаемый усилок и забил на все :mrgreen: :mrgreen: :mrgreen:
Аватара пользователя
Justas*
Гуру электроники☆☆☆☆
Сообщения: 2244
Стаж: 4 года 1 месяц
Репутация: 1252
Откуда: Украина
Аудио система: viewtopic.php?p=17721#p17721

Re: Усилитель класса D: FX-Audio - FX502S PRO

Сообщение Justas* »

Suvorov24 писал(а): 09 дек 2021, 16:47 Я правильно припаялся?) За качество прошу не ругать)
Выводы конденсаторов 1мкФ, должны быть минимальной длины. Это общее правило для блокировочных конденсаторов, в том числе и фильтрующих питание. Дорожки соединяющие ёмкости с элементом фильтрации, тоже должны быть как можно короче.
Индуктивность недлинных с виду проводников, является преградой для ВЧ импульсов (помех).
Неспроста в параллель к 1 мкФ поставили керамику 1 нФ. Кстати, плёнка здесь особо и ненужна. NP0 на 1 нФ, не дефицитны.
PS
А вот замена односантиметровых проводов к терминалам, ничего не даст :D
Suvorov24
Пользователь
Сообщения: 30
Стаж: 4 года
Репутация: 5
Откуда: Россия, Красноярск
Аудио система: BRZHifi dac SU9 -> fx502SPro -> Асалаб 12"5"1"

Re: Усилитель класса D: FX-Audio - FX502S PRO

Сообщение Suvorov24 »

Dysindich писал(а): 09 дек 2021, 17:14 Правильно, вполне. Но Вы не всю керамику заменили :-(
( Wima, какого типа у Вас?)
Я как человек далёкий от радиоэлектроники, вообще боюсь дома паять smd компоненты 😁
Там mkp2 1000pf/100v
Ещё похвастаюсь новыми баночками, .. днём сточу болгаркой салазки на крышке и она закроется)
По сути заменил все, кроме С46.
Вложения
IMG_20211210_091312.jpg
Аватара пользователя
Justas*
Гуру электроники☆☆☆☆
Сообщения: 2244
Стаж: 4 года 1 месяц
Репутация: 1252
Откуда: Украина
Аудио система: viewtopic.php?p=17721#p17721

Re: Усилитель класса D: FX-Audio - FX502S PRO

Сообщение Justas* »

Меандр на 20 кГц
20 кГц.jpg
Для сравнения 1 кГц
download/file.php?id=3016&mode=view
И АЧХ
download/file.php?id=2927&mode=view
VladimirG
Постоянный житель
Сообщения: 288
Стаж: 5 лет 1 месяц
Репутация: 18
Откуда: Подмосковье
Аудио система: сетевой плеер SMSL Dp5, усилитель мостовой ICE50ASX2 BTL, наушники hifiman he400i, колонки Dali Opticon 6

Re: Усилитель класса D: FX-Audio - FX502S PRO

Сообщение VladimirG »

Лучше всего выглядит для 4 Ом, и завал на 3 дБ в районе 50-60 кГц, вот отсюда скорее всего и такой он "прозрачный", фронты порядка 10 мксек.
А это без переделок и с резисторами?
Амплитуда какая, как себя ведет меандр от амплитуды интересно, одно дело 1 В, а другое дело 10 В?
Аватара пользователя
Justas*
Гуру электроники☆☆☆☆
Сообщения: 2244
Стаж: 4 года 1 месяц
Репутация: 1252
Откуда: Украина
Аудио система: viewtopic.php?p=17721#p17721

Re: Усилитель класса D: FX-Audio - FX502S PRO

Сообщение Justas* »

Резонанс контура 55 кГц. Лучше всего будет при 5 Омах. Получится оптимальная добротность 0,71 и уйдёт спад -1 дБ на 20 кГц.
Добротность с 6-ю и тем более 8-ю Омами, выше 0.71, поэтому на фронтах и спадах наблюдается «звон». Так что лучше 4 Ома и -1 дБ на 20 кГц.
Буду подбирать индуктивность под свою акустику. По прикидкам должно быть 1 мкФ и 7 мкГн.
Меандр 20 кГц, с разным выходным напряжением:
Сравнение.jpg
Скорость нарастания вычисляется с максимальным выходным напряжением.
20В меандра близко к максимальному. Значит где-то 4В/мкС.
мандалорец
Пользователь
Сообщения: 36
Стаж: 4 года 5 месяцев
Репутация: 2
Откуда: Нет такого города
Аудио система: Dac KGUSS K3
плеер smart tv x96 - оптический выход
оконечники различные, в т.ч. Hypex Ncore

Re: Усилитель класса D: FX-Audio - FX502S PRO

Сообщение мандалорец »

спроектировал верхнюю крышку с вентиляционными отверстиями для 502s pro, для печати на 3д принтере.
в архиве файл stl и фото. пока без обработки, покраски.
https://drive.google.com/file/d/1wrx5BB ... sp=sharing
стало существенно холоднее, чем в закрытом корпусе.
Аватара пользователя
rxtx
Почетный пользователь
Сообщения: 133
Стаж: 3 года 11 месяцев
Репутация: 72
Откуда: Киев
Аудио система: fx-502s pro
Canton Karat 40
Canton Karat 100
JVC A-GX2
Радиоточка

Re: Усилитель класса D: FX-Audio - FX502S PRO

Сообщение rxtx »

мандалорец писал(а): 12 дек 2021, 15:53 спроектировал верхнюю крышку с вентиляционными отверстиями
А если родную акуратно просверлить 200 раз ?
Привит от эффекта Плацебо.
Аватара пользователя
Dysindich
Гуру электроники☆☆☆☆
Сообщения: 900
Стаж: 4 года 9 месяцев
Репутация: 220
Откуда: Liege, Belgium
Аудио система: Onkyo Integra M-506 / Technics sb -m1000/ Lynx D-78-Lynx P05 / Sony NW-WM1A /Koss Porta pro/ Zidoo Neo Alpha /Clone N-Core

Re: Усилитель класса D: FX-Audio - FX502S PRO

Сообщение Dysindich »

Сверление - не проблема, проблема , потом - белые внутренние поверхности отверстий. (элемент колхоза налицо). Предложенную , печатную деталь, вполне возможно обработать "по фирменному" и изделие сохранит "фабричный вид".
If you are a pilot, then you are already not shit!
Аватара пользователя
rxtx
Почетный пользователь
Сообщения: 133
Стаж: 3 года 11 месяцев
Репутация: 72
Откуда: Киев
Аудио система: fx-502s pro
Canton Karat 40
Canton Karat 100
JVC A-GX2
Радиоточка

Re: Усилитель класса D: FX-Audio - FX502S PRO

Сообщение rxtx »

Dysindich писал(а): 13 дек 2021, 01:17 проблема , потом - белые внутренние поверхности отверстий.
если не заморачиваться домашним анодированием, тогда просто наружная сторона плотно заклеивается оракалом, а с внутренней баллончиком черной краски. После полного высыхания снимаем оракал, получаем сохранение заводского анодирования на поверхности, и окрашенные стенки отверстий. При хорошей ровной сверловке колхозом даже пахнуть не будет.
Я делал такую работу лет пять назад на алюминиевой панели, правда там отверстий требовалось 50 шт, возможно и тут всю крышку нет нужды дырявить.
Привит от эффекта Плацебо.
V63s
Почетный пользователь
Сообщения: 144
Стаж: 4 года 7 месяцев
Репутация: 22
Откуда: РБ
Аудио система: Амфитон, Topping TP22 (ta2050), tpa3116d2, TPA3221, рупорная акустика

Re: Усилитель класса D: FX-Audio - FX502S PRO

Сообщение V63s »

Проводил я много опытов по охлаждению и нашел для себя довольно эффективный способ - вентилятор на 12 вольт с питанием 5 вольт. При таком напряжении он работает тихо и в то же время охлаждает лучше просто насверленных отверстий.
Последний раз редактировалось V63s 13 дек 2021, 13:38, всего редактировалось 1 раз.
Аватара пользователя
Carwizard
Мудрый кот
Сообщения: 334
Стаж: 4 года 5 месяцев
Репутация: 132
Откуда: KZ
Аудио система: Onkyo, PolkAudio, Jamo, Heco, Magnat, Sony SV9900, ATDAC-8AX, FX502S-PRO

Re: Усилитель класса D: FX-Audio - FX502S PRO

Сообщение Carwizard »

rxtx писал(а): 13 дек 2021, 03:50 ...баллончиком черной краски.
Не получится чисто и опрятно, ибо дюраль и краска понятия не совместимые, по причине крайне низкой адгезии краски к люминю, особенно когда без специальных мер с предварительным протравом поверхности и создании на ней микропористого лабиринта, как это делается при гальванической анодировке.
rxtx писал(а): 13 дек 2021, 03:50 После полного высыхания снимаем оракал, получаем сохранение заводского анодирования на поверхности, и окрашенные стенки отверстий.
Обязательно получатся рваные края, в местах отрыва слоя краски от слоя оракала.
rxtx писал(а): 13 дек 2021, 03:50 При хорошей ровной сверловке колхозом даже пахнуть не будет.
В ручную сверлом не получится сделать реально ровные (строго цилиндрические) отверстия, по абсолютно ровной сетке разметки. Тут требуется фрезеровка дриллингом на CNC-Router, только тогда получится фабричный вид. После 10 лет работы на большой фирменной ЧПУшке, когда приходилось в том числе переделывать за ручными мастерами-ювелирами всякое для литерных заказов (вип-подарки для президентов стран), точно могу заявлять о кривизне сверлёных отверстий, особенно при детальном рассмотрении. Сама природа сверловки сверлом, не позволяет добиться абсолютно чёткого и ровного отверстия, в сравнении с фрезеровкой однопёрой торцевой фрезой. По любому будет заметен "колхоз", даже если сверлить в хорошем станке, а не ручной электро-дрелью.
Сверло имеет две режущие кромки, которые при рассмотрении под микроскопом всегда немного " не одинаковые", а по сему всегда реально сверлит только одна из режущих граней. Отсюда разное давление на выгребаемый металл и переброска с одной на другую кромку, из-за консольно-вывешенного сверла, которое имеет упругую деформацию на удлинённом плече. По этому сверлёные отверстия всегда выходят кривоватые, как ни старайся (особенно обычными, дешёвыми свёрлами).
З.Ы.
Даже если идеально фрезернуть крышку на ЧПУшке, и попытаться гальванически заанодировать с красителем, тоже не выйдет заводской вид, так как будет заметна граница между разными режимами анодировки и разными красителями.
Посему мой выбор - это вообще новый корпус, куда уместится всё что нужно по тюнингу, питанию, РГ, вентилятором с авторегулировкой оборотов, а так же стрелочные индикаторы и фабричный внешний вид всего корпуса.
Olmit
Пользователь
Сообщения: 20
Стаж: 4 года 1 месяц
Репутация: 0
Откуда: Norilsk
Аудио система: Luxman

Re: Усилитель класса D: FX-Audio - FX502S PRO

Сообщение Olmit »

Металлический корпус, помимо прочего, выполняет функцию экранирования. Как с этим у пластиковой крышки? Так то можно на 3D принтере напечатать не только крышку, но и весь корпус целиком с учетом, например, более крупного регулятора громкости и конденсаторов.
Аватара пользователя
Dysindich
Гуру электроники☆☆☆☆
Сообщения: 900
Стаж: 4 года 9 месяцев
Репутация: 220
Откуда: Liege, Belgium
Аудио система: Onkyo Integra M-506 / Technics sb -m1000/ Lynx D-78-Lynx P05 / Sony NW-WM1A /Koss Porta pro/ Zidoo Neo Alpha /Clone N-Core

Re: Усилитель класса D: FX-Audio - FX502S PRO

Сообщение Dysindich »

Оклеить самоклеющейся медной фольгой изнутри, вообще не проблема, если уж, так приспичило... Для таких относительно небольших корпусов, существует старый, проверенный материал - двухсторонний стеклотекстолит, с различной толщиной. Этому корпусу , вполне возможно придать фирменный вид. (а у кого есть маломощный лазерный гравер, то и все надписи можно нанести в домашних условиях. у кого нет - можете изготовить из старого DVD писюка, в хозяйстве пригодится).
Что касается сабжа, то его корпус, откровенно маловат под стационарную функциональность.
If you are a pilot, then you are already not shit!
Аватара пользователя
Justas*
Гуру электроники☆☆☆☆
Сообщения: 2244
Стаж: 4 года 1 месяц
Репутация: 1252
Откуда: Украина
Аудио система: viewtopic.php?p=17721#p17721

Re: Усилитель класса D: FX-Audio - FX502S PRO

Сообщение Justas* »

Плата, вернее то что от неё осталось, переехала в новый-старый корпус. В расход пошёл видеомагнитофон Фишер. Таких халявных корпусов, по гаражам и кладовкам, ещё на десятилетия хватит.
Плюсы.
Мой любимый размерчик 430мм, гармонично сочетается в стойке с другой аппаратурой. С размером деталей можно не заморачиваться. Кнопки и светодиоды индикации присутствуют. Добавил только сетевой разъём с предохранителем, выключатель и терминалы входа выхода.
Минус один.
Смотрится слегка по колхозному. А посему, есть три варианта действий на будущее.
1.Купить фирменный корпус.
2.Изготовить переднюю панель и покрасить в чёрный цвет порошковой краской, в тон крышки. Дизайн минималистский, выключатель, кнопка и два светодиода.
3.Оставить как есть.
Но внутренний голос шепчет, что будет третий вариант.
В жизни радости так редки,
И не наша в том вина
Что приходится конфетки
Делать часто из говна!
Усилитель_перед.jpg
Усилитель_зад.jpg
Усилитель_верх1.jpg
Продолжение следует.
Lektor
Ветеран движения
Сообщения: 1927
Стаж: 6 лет 8 месяцев
Репутация: 115
Откуда: Александрия, Украина

Re: Усилитель класса D: FX-Audio - FX502S PRO

Сообщение Lektor »

Как он вам сейчас по звуку? Стоило оно того?
Аватара пользователя
Justas*
Гуру электроники☆☆☆☆
Сообщения: 2244
Стаж: 4 года 1 месяц
Репутация: 1252
Откуда: Украина
Аудио система: viewtopic.php?p=17721#p17721

Re: Усилитель класса D: FX-Audio - FX502S PRO

Сообщение Justas* »

Стоило!
Аватара пользователя
Justas*
Гуру электроники☆☆☆☆
Сообщения: 2244
Стаж: 4 года 1 месяц
Репутация: 1252
Откуда: Украина
Аудио система: viewtopic.php?p=17721#p17721

Re: Усилитель класса D: FX-Audio - FX502S PRO

Сообщение Justas* »

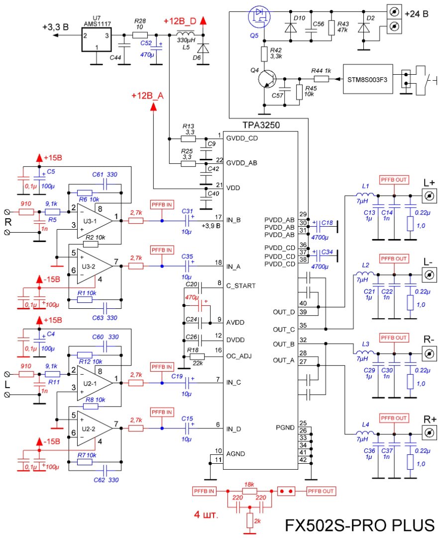
Были задействованы ранее предложенные рекомендации. Замена силового ключа, замена конденсаторов на более качественные, дополнительный фильтр к ИИП. Увеличение ёмкости до 470 мкФ на AVDD.
Конденсаторы: банки - KZN United Chemi-Con, переходные - Silmic II, фильтрующие - Panasonic FM, в выходном фильтре - RIFA F426B.
Фильтр подавления пульсаций, двухзвенный LC + фильтр EMI.
Теперь то, что от меня.
Питание ОУ двухполярное +/- 15 В, стабилизированным линейным БП.
Это позволило избавиться от входных электролитов. Переходные включены в дополнительную цепь ООС (PFFB), что должно снизить их влияние на звук.
Раз появился силовой трансформатор, почему бы не запитать от него низковольтные цепи чипа? Поставил раздельные стабилизаторы +12 В на VDD и GVDD. При этом становится ненужным преобразователь DC-DC, работающий на 150 кГц (в общем то ещё один источник помех) и стабилизатор LM317. На входе ТС, так же установлен фильтр EMI.
Усилитель_верх2-1.jpg
Было предложение:
Carwizard писал(а): 25 ноя 2021, 23:26 Чот какой-то недопил вышел, бензопилой-то. Надо было всё сдуть с платы, вместе с лужением, дабы с нуля пересобрать на серьёзной комплектухе! Раз уж извращаться, то по взрослому, причём по самой тяжелой программе! В хобби не ищут лёгких путей.
Это крайняя степень извращения, я до неё ещё не дорос. Пока сдул уже ненужное:
Регулятор громкости
Разъём питания
DC-DC преобразователь U6,C46
Стабилизатор U10,R40,R41
Делители напряжения R3,R4,R9,R10,C1,C59,C6,C58
Входные конденсаторы C3,C8
ФНЧ R37,C53;R36,C39;R38,C54;R39,C55
Блокировочная керамика ОУ C2,C6 заменена на полипропилен. Чтобы завести минус на ОУ, пришлось отпаять панельки и обрезать 4-е ножки от массы. На минус тоже поставлены MKP.
Плата_верх.jpg
Согласно PDF на PFFB, ОУ работают в режиме повторителя (все резисторы 10 кОм). Конденсаторы в ООС - 22 пФ, заменены на 330 пФ.
Цепи Цобеля C12,R14;C23,R15,C28,R19C38,R22 (SMD 10 нФ+3,3 Ом), заменены на трухол 0,22 мкФ+1 Ом.
Дополнительные резисторы ООС - 2,7 кОм, пришлось впаивать боком, в разрез дорожек.
Подумав, поставил на вход усилителя ФНЧ, 910 Ом+1 нФ. На 20-ти килогерцовый меандр он практически не влияет (частота среза 175 кГц), а вот попавший мусор не пропустит, или значительно ослабит.
Для лучшего согласования с 4-х омной нагрузкой, индуктивность катушек уменьшил с 10 до 7 мкГн. Резонанс контура повысился с 50 до 60 кГц.
Установил отключаемый PFFB. Наверное, было бы лучше сделать на качественных SMD компонентах. Плата размером с ноготь, меньше помех ловит.
Плата_низ.jpg
Из PDF:
PFFB предлагает множество преимуществ, включая более низкий выходной шум, улучшенные характеристики THD + N, улучшенные IMD.
Более низкий выходной импеданс, частотная характеристика, менее подверженная влиянию сопротивления нагрузки, и подавление нелинейностей LC-фильтра.
Судя по таблицам и графикам, шум, гармонические искажения и интермодуляция, уменьшаются в 2 раза.
Ещё из PDF:
LC-фильтр извлекает непрерывный аналоговый аудиосигнал из выхода PWM для класса D, чтобы подавить излучающие электромагнитные помехи и ток пульсации к подключенной нагрузке. Однако, поскольку TPA324x и TPA325x семейства предлагают такой высокий уровень производительности, что индуктор, используемый в фильтре LC, является основным фактором искажений. Подавая обратно выходной сигнал после катушки индуктивности в PFFB, искажение катушки индуктивности и конденсатора может значительно снизится. Для систем, где более низкие искажения не требуются, PFFB может позволить использование меньшей и менее дорогой катушки индуктивности или конденсатора и исправления некоторых дополнительных искажений.
Катушки индуктивности меньшего размера обычно менее линейны и вызывают более высокие искажения.
PFFB может обеспечить очень хорошую производительность системы даже с индуктором этого типа. То же самое может быть заявлено для меньших и более дешевых конденсаторов.
Заманчивая штука! Почему китайцы не сделали?
Из недостатков, немного меньшая предельная выходная мощность и снижение Кус на 7,25 дБ.
PS
В конструкции есть лампы! Накаливания, трафарет подсвечивают. :lol:
Последний раз редактировалось Justas* 17 дек 2021, 02:32, всего редактировалось 1 раз.
Аватара пользователя
Justas*
Гуру электроники☆☆☆☆
Сообщения: 2244
Стаж: 4 года 1 месяц
Репутация: 1252
Откуда: Украина
Аудио система: viewtopic.php?p=17721#p17721

Re: Усилитель класса D: FX-Audio - FX502S PRO

Сообщение Justas* »

Схема. Синим - изменённые компоненты, красным - вновь установленные
Схема_мод.JPG
БП
БП и фильтр.JPG
Оригинальная схема. К предыдущей добавил номиналы керамики
Схема_оригинал.JPG
Аватара пользователя
Carwizard
Мудрый кот
Сообщения: 334
Стаж: 4 года 5 месяцев
Репутация: 132
Откуда: KZ
Аудио система: Onkyo, PolkAudio, Jamo, Heco, Magnat, Sony SV9900, ATDAC-8AX, FX502S-PRO

Re: Усилитель класса D: FX-Audio - FX502S PRO

Сообщение Carwizard »

Justas* писал(а): 17 дек 2021, 00:41Стоило!
А может это "плацебо"?
Lektor
Ветеран движения
Сообщения: 1927
Стаж: 6 лет 8 месяцев
Репутация: 115
Откуда: Александрия, Украина

Re: Усилитель класса D: FX-Audio - FX502S PRO

Сообщение Lektor »

Мне интересна в целом оценка класса D. Может оно музыку играть? А то товарищ Сухов говорит, что это усилитель для глухих. Песочек там на высоких и все такое.....
Аватара пользователя
Justas*
Гуру электроники☆☆☆☆
Сообщения: 2244
Стаж: 4 года 1 месяц
Репутация: 1252
Откуда: Украина
Аудио система: viewtopic.php?p=17721#p17721

Re: Усилитель класса D: FX-Audio - FX502S PRO

Сообщение Justas* »

Carwizard писал(а): 17 дек 2021, 02:44 А может это "плацебо"?
Возможно. Как и у тех кто покупает авторские усилители и ЦАПы. Разводят людей на бабки. Взяли бы у китайцев, и дешевле и красивше.
У меня никакой эзотерики со звучащими проводами. Чисто инженерный подход и недорогая комплектуха от проверенных годами брендов
Lektor писал(а): 17 дек 2021, 07:16 Мне интересна в целом оценка класса D. Может оно музыку играть? А то товарищ Сухов говорит, что это усилитель для глухих. Песочек там на высоких и все такое.....
Ну Вы же сами ламповые усилители на полку задвинули. :D Песочка нет, всё прозрачно, но есть непривычная "выпуклость" звуков. Хорошо это, или плохо, послушаем, сравним. Пускай пока электролит в кондёрах устаканится.
Кстати, о брильянсе. Так как класс D чувствителен к нагрузке, этого брильянса может быть чрезмерно в АС с повышенным импедансом на ВЧ.
А в голом широкополоснике без медного кольца на керне, его будет немеряно! Этакий бесплатный эквалайзер :D
Может даже защита срабатывать.
Lektor
Ветеран движения
Сообщения: 1927
Стаж: 6 лет 8 месяцев
Репутация: 115
Откуда: Александрия, Украина

Re: Усилитель класса D: FX-Audio - FX502S PRO

Сообщение Lektor »

Да, пока задвинул))) Слушаю Д-шник на постоянной основе. За песочек переспросил, так как это было сказано непревзойденным авторитетом))) А я кто?)))
ms142
Постоянный житель
Сообщения: 395
Стаж: 4 года 10 месяцев
Репутация: 74
Откуда: Киев
Аудио система: ONKEN на триаксиалах LAFAYETTE 99-0020W
клон NCore v3 + предварь (diy)
Wadia 121 + ЛБП
Eweat D20
Popcorn C200 + SL + ЛБП

Re: Усилитель класса D: FX-Audio - FX502S PRO

Сообщение ms142 »

Lektor писал(а): 17 дек 2021, 15:34 За песочек переспросил, так как это было сказано непревзойденным авторитетом)))
Это шутка такой, да?
То интервью вообще странное на всю голову.
Аватара пользователя
kovrigger
Постоянный житель
Сообщения: 422
Стаж: 4 года 11 месяцев
Репутация: 113
Откуда: Украина, Киев
Аудио система: NFJ&FX AUDIO 502S PRO, акустика "Фараон 2 Magico Mini" от HiFiCompass, ЦАП AH-D6+(авторский), звуковая карта Apogee Duet Firewire

Re: Усилитель класса D: FX-Audio - FX502S PRO

Сообщение kovrigger »

Lektor писал(а): 17 дек 2021, 15:34 Да, пока задвинул))) Слушаю Д-шник на постоянной основе. За песочек переспросил, так как это было сказано непревзойденным авторитетом))) А я кто?)))
Миша, ты себя недооцениваешь. Ты знаешь за кабеля :)
Ответить

Вернуться в «Аудио усилители»