Вам сюдиdmitrenko писал(а): 28 июн 2023, 11:44 Здравствуйте,
А как купить nCore усилитель от Юрия?
Можно ссылку плз
Темы в форуме
Новые сообщения
-
01-дек Усилитель для наушников на TPA6120 с Алиэкспресс
-
01-дек Усилитель D класса на базе плат 2_062 S_AUDIO от Alex
-
28-ноя Усилитель звука D класса Clone purifi Hb 3.064 ULTRA
-
26-ноя Усилитель на модулях PTERO TAS5342
-
19-ноя Двухтактный на лампах EL34 в триодном включении
-
19-ноя МА12070. Прекрасная фрау, с которой мало кто дружит
-
18-ноя Клон nСore от Юрия Игнатьева 400 Вт (2_051_LITE)
-
15-ноя Усилитель Беслика А.И на Германиевых транзисторах v3.01
-
10-ноя Усилитель JLH 1969
-
09-ноя Немного самодельных усилителей
-
08-ноя Все про лампу гу 15
-
06-ноя Апгрейд усилителя для наушников Douk Audio U3
-
06-ноя Интересный усилитель AIYIMA A80 TPA3255 PFFB
-
02-ноя Усилитель Ampapa D1 HPF 300Wx2
-
16-окт Усилитель на плате PTERO REV 1_03 TAS5342A cборка от Alex
Новые темы
-
23-ноя Усилитель для наушников на TPA6120 с Алиэкспресс
-
04-ноя Все про лампу гу 15
-
02-ноя Немного самодельных усилителей
-
30-окт Апгрейд усилителя для наушников Douk Audio U3
-
29-окт Усилитель Ampapa D1 HPF 300Wx2
-
12-окт Усилитель Беслика А.И на Германиевых транзисторах v3.01
-
21-сен Snail II
-
15-сен Регулятор тембра
-
12-сен Усилитель, работающий от пульта ТВ.
-
08-сен Класс Д с классическим БП
-
07-сен Як звучить підсилювач на мс. STK407-090B?
-
31-авг Нужен стерео усилитель под заказ (хай енд)
-
29-авг Винтаж в помойку?
-
28-авг Помощь в подборе усилителя.
-
18-авг Усилитель D класса на базе плат 2_062 S_AUDIO от Alex
Наш youtube
Наш инстаграм
☝ Сказать спасибо!
Правила форума
Усилитель Clone Purifi 2.061.P (D класс)
- netplumber
- Сообщения: 4
- Стаж: 2 года 5 месяцев
- Репутация: 13
- Откуда: Silicon Valley
- Аудио система: Emotiva-XMC-2, XMC1, Vincent SP-331m Martin Logan Aeon-I, JBL Studio Monitor 4410A, Teac NT-503
Re: Усилитель Clone Purifi 2.061.P (D класс)
Вот моя версия стерео усилителя.
download/file.php?mode=view&id=6718
Корпус не очень подходящий - слишком узкий. Он был куплен для другого проекта.
download/file.php?mode=view&id=6716
Внутренние поверхности радиаторов пришлось шлифовать (80-120-240-400 зерном), потому что борозды от пилы или фрезы были примерно 0.1-0.2мм глубиной.
Я хотел сделать усилитель для замены гибрида Vincent SP-331 в своей домашней офисной системе. Главныe компонентy системы - процессор Emotiva XMC-1 и TEAC NT-503 и JBL Studio Monitor 4410A (Трехполосные, 90dB чувствительность с очень плоской АЧХ). С точки зрения простоты управления, хотелось задействовать внешнее включение (Remote power trigger) от XMC-1.
У XMC-1 есть балансные выходы на всех каналах, что упрощает подключение.
Выбор источника питания был осложнен тем, что у нас в краю вечнозеленых помидоров только 115V. Выбор пал на KM-P800A по нескольким причинам - входное напряжение 115V или 220V (jumper), достаточно мощный (800W), два допонительчых выхода 12V и ±12V с независимыми “землями”, а также вход отключения (Protection). Я заказал его с ±55V выходом.
Сделан он вполне добротно с хорошей изоляцией между входом и выходом.
Комбинация маленького блока питания (12V 0.9A) для режима ожидания (Standby mode) и модуля с двумя реле управляемыми через оптроны, позволило сделать простую схему управлвния питанием. Можно включить усилитель кнопкой или XMC-1 будет им управлять.
Потребляемая мощность в режиме ожидания меньше 1W.
download/file.php?mode=view&id=6719
Ручка регулятора громкости “притороченна”, как украшение передней панели, может быть поставлю разъем для наушников вместо нее.
Производитель блока питания KM-P800A рекомендовал простенькую схему защиты от постоянки на выходе, но мне как-то “не по душе” объединять выходы (даже через резисторы). Вообщем я еще не решил, как это сделать лучше.
Это мой второй опыт с усилителями Class D, у меня есть PS Audio Trio C-100 (dual icepower 200asc) Я использовал его сначала для центрального канала, а потом для гаражной системы. На мой вкус, на сложных оркестровых произвeдениях у него “каша” на средних начиналась, но может быть он просто с JBL не “дружил”. Vincent SP-331 работал прекрасно лет 10, но пришло время его перебирать - поменять лампы 6Н16ВИ, реле и емкости по мелочи, и я решил попробовать усилители от Юры. Посылка шла месяц, но все доехало в хорошем состоянии.
После сборки замерил потребление на холостом ходу - около 10W. Радиаторы прогреваются до 44-48 градусов. После 4 часов под нагрузкой на “нормальной” громкости, температура радиаторов изменилась на 2 градуса. Сопротивление JBL 8Ohm.
Список деталей использованных в этом проекте:
Case - https://www.aliexpress.us/item/3256805426246013.html
Primary power supply - https://www.ebay.com/itm/164830344647
https://www.aliexpress.us/item/3256805050684681.html
Standby power supply - https://www.amazon.com/dp/B09BJLQJNX https://www.aliexpress.us/item/3256801168004519.html
Dual relay module - http://www.hiletgo.com/ProductDetail/1958543.html https://www.amazon.com/gp/product/B00LW15F42
5-way binding posts - https://www.aliexpress.us/item/3256802925797858.html
XLR connectors - https://www.amazon.com/dp/B09V29BPGP
3.5mm jack - https://www.amazon.com/dp/B00LXOIVKI
download/file.php?mode=view&id=6718
Корпус не очень подходящий - слишком узкий. Он был куплен для другого проекта.
download/file.php?mode=view&id=6716
Внутренние поверхности радиаторов пришлось шлифовать (80-120-240-400 зерном), потому что борозды от пилы или фрезы были примерно 0.1-0.2мм глубиной.
Я хотел сделать усилитель для замены гибрида Vincent SP-331 в своей домашней офисной системе. Главныe компонентy системы - процессор Emotiva XMC-1 и TEAC NT-503 и JBL Studio Monitor 4410A (Трехполосные, 90dB чувствительность с очень плоской АЧХ). С точки зрения простоты управления, хотелось задействовать внешнее включение (Remote power trigger) от XMC-1.
У XMC-1 есть балансные выходы на всех каналах, что упрощает подключение.
Выбор источника питания был осложнен тем, что у нас в краю вечнозеленых помидоров только 115V. Выбор пал на KM-P800A по нескольким причинам - входное напряжение 115V или 220V (jumper), достаточно мощный (800W), два допонительчых выхода 12V и ±12V с независимыми “землями”, а также вход отключения (Protection). Я заказал его с ±55V выходом.
Сделан он вполне добротно с хорошей изоляцией между входом и выходом.
Комбинация маленького блока питания (12V 0.9A) для режима ожидания (Standby mode) и модуля с двумя реле управляемыми через оптроны, позволило сделать простую схему управлвния питанием. Можно включить усилитель кнопкой или XMC-1 будет им управлять.
Потребляемая мощность в режиме ожидания меньше 1W.
download/file.php?mode=view&id=6719
Ручка регулятора громкости “притороченна”, как украшение передней панели, может быть поставлю разъем для наушников вместо нее.
Производитель блока питания KM-P800A рекомендовал простенькую схему защиты от постоянки на выходе, но мне как-то “не по душе” объединять выходы (даже через резисторы). Вообщем я еще не решил, как это сделать лучше.
Это мой второй опыт с усилителями Class D, у меня есть PS Audio Trio C-100 (dual icepower 200asc) Я использовал его сначала для центрального канала, а потом для гаражной системы. На мой вкус, на сложных оркестровых произвeдениях у него “каша” на средних начиналась, но может быть он просто с JBL не “дружил”. Vincent SP-331 работал прекрасно лет 10, но пришло время его перебирать - поменять лампы 6Н16ВИ, реле и емкости по мелочи, и я решил попробовать усилители от Юры. Посылка шла месяц, но все доехало в хорошем состоянии.
После сборки замерил потребление на холостом ходу - около 10W. Радиаторы прогреваются до 44-48 градусов. После 4 часов под нагрузкой на “нормальной” громкости, температура радиаторов изменилась на 2 градуса. Сопротивление JBL 8Ohm.
Список деталей использованных в этом проекте:
Case - https://www.aliexpress.us/item/3256805426246013.html
Primary power supply - https://www.ebay.com/itm/164830344647
https://www.aliexpress.us/item/3256805050684681.html
Standby power supply - https://www.amazon.com/dp/B09BJLQJNX https://www.aliexpress.us/item/3256801168004519.html
Dual relay module - http://www.hiletgo.com/ProductDetail/1958543.html https://www.amazon.com/gp/product/B00LW15F42
5-way binding posts - https://www.aliexpress.us/item/3256802925797858.html
XLR connectors - https://www.amazon.com/dp/B09V29BPGP
3.5mm jack - https://www.amazon.com/dp/B00LXOIVKI
Последний раз редактировалось netplumber 30 июн 2023, 09:17, всего редактировалось 1 раз.
- netplumber
- Сообщения: 4
- Стаж: 2 года 5 месяцев
- Репутация: 13
- Откуда: Silicon Valley
- Аудио система: Emotiva-XMC-2, XMC1, Vincent SP-331m Martin Logan Aeon-I, JBL Studio Monitor 4410A, Teac NT-503
Re: Усилитель Clone Purifi 2.061.P (D класс)
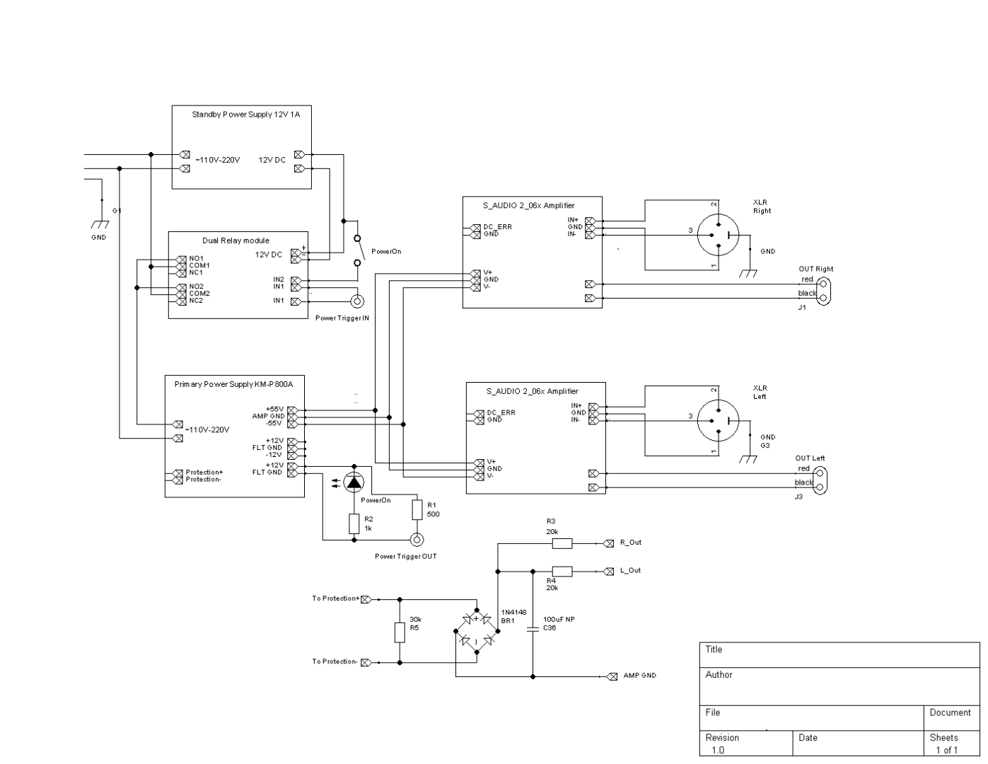
Блок схема
- netplumber
- Сообщения: 4
- Стаж: 2 года 5 месяцев
- Репутация: 13
- Откуда: Silicon Valley
- Аудио система: Emotiva-XMC-2, XMC1, Vincent SP-331m Martin Logan Aeon-I, JBL Studio Monitor 4410A, Teac NT-503
Re: Усилитель Clone Purifi 2.061.P (D класс)
Полная система
- Alex
- Site Admin
- Сообщения: 4119
- Стаж: 14 лет
- Репутация: 2680
- Откуда: Kiev
- Аудио система: www.is.gd/l0dt3T
- Контактная информация:
Re: Усилитель Clone Purifi 2.061.P (D класс)
Поздравляю, красиво!
-
Sous
- Разработчик
- Сообщения: 1409
- Стаж: 5 лет 4 месяца
- Репутация: 1229
- Откуда: Ивано-Франковск
- Аудио система: DX3pro
Focal horus716
S_Audio stereo AMP 2_061
Re: Усилитель Clone Purifi 2.061.P (D класс)
Серьезный подход!
-
alexarz
- Пользователь
- Сообщения: 27
- Стаж: 2 года 8 месяцев
- Репутация: 13
- Откуда: Арзамас
- Аудио система: Источник - Eversolo DMP A8
ЦАП Dеnаfriрs Роntus II 15th
РГ по схеме Никитина от antecom
УНЧ Technics SE-A100
АС Sony SS 8150
В запасе
Источник - малинка 4 со шляпой TZT Ustars audio R19, с Moode
ЦАП - Charm Audio DAC 2.5
УНЧ - Clone Purifi 2.061.P
Re: Усилитель Clone Purifi 2.061.P (D класс)
Я правильно понимаю, что для подключения балансного входного разъема всё равно, к какому входу подключать горячий/холодный, к 1 или 3? Просто фаза будет меняться?
-
Sous
- Разработчик
- Сообщения: 1409
- Стаж: 5 лет 4 месяца
- Репутация: 1229
- Откуда: Ивано-Франковск
- Аудио система: DX3pro
Focal horus716
S_Audio stereo AMP 2_061
Re: Усилитель Clone Purifi 2.061.P (D класс)
Совершенно верно!
-
alexarz
- Пользователь
- Сообщения: 27
- Стаж: 2 года 8 месяцев
- Репутация: 13
- Откуда: Арзамас
- Аудио система: Источник - Eversolo DMP A8
ЦАП Dеnаfriрs Роntus II 15th
РГ по схеме Никитина от antecom
УНЧ Technics SE-A100
АС Sony SS 8150
В запасе
Источник - малинка 4 со шляпой TZT Ustars audio R19, с Moode
ЦАП - Charm Audio DAC 2.5
УНЧ - Clone Purifi 2.061.P
Re: Усилитель Clone Purifi 2.061.P (D класс)
Подключил ЦАП к усилителю по XLR. Как и ожидал, ничего не поменялось, кроме увеличения уровня громкости. Никакого улучшения качества звука я не услышал.
-
Sous
- Разработчик
- Сообщения: 1409
- Стаж: 5 лет 4 месяца
- Репутация: 1229
- Откуда: Ивано-Франковск
- Аудио система: DX3pro
Focal horus716
S_Audio stereo AMP 2_061
Re: Усилитель Clone Purifi 2.061.P (D класс)
если сравнивать, то можно послушать шум в ВЧ динамике до и после на макс громкости. Но , собственно, чего вы ожидали. Если все нормально реализовано, кабеля до источника короткие и нет регулятора громкости-разница будет пренебрежима мала 
-
tsis
- Новичок
- Сообщения: 9
- Стаж: 5 лет
- Репутация: 6
- Откуда: Харьков
- Аудио система: ICEpower125ASX2, Yamaha NS-333
Re: Усилитель Clone Purifi 2.061.P (D класс)
Собрал. Все работает отлично, вопросов ноль. Сейчас схема такая: компьютер - ЦАП Topping D50s - Clone Purifi 2.061.P - Yamaha NS-333. Коммунальная квартира 15 кв.м. До этого на месте Clone Purifi стоял FX-502s-Pro с Brilliance предусилителем и доработанным БП (на 24 вольта навешал кучу конденсаторов и дросселей по рекомендациям М. Цертия). Что можно сейчас сказать? Поразила детализация, она, без вариантов, лучше, чем на 502-м. Некий ламповый, что-ли, оттенок в звуке (по-другому не могу это описать) ранее не наблюдался, сейчас есть. Пока не знаю, нравится ли это мне. Разделение каналов порадовало, 100 процентов. Но... Я не привык к такому звучанию. То ли я слишком долго был на 502-м, короче, нужно время, чтобы понять "ху из ху". Есть система на Onkyo+Dali, и она тоже субъективно больше нравится. Может, пока больше нравится. Короче, дело у меня, по крайней мере, в мозгах. Если что-то поменяется, оглашу. Юрию огромнейшее спасибо за его усилитель и за отправку мне не в самое легкое время здесь, потому что все это затевалось год назад, а я из Харькова. Много ньюансов возникало. Мне кажется, слабым местом у меня сейчас является акустика, но пока вот так. Все остальное от Юрия - СУПЕР.
-
Sous
- Разработчик
- Сообщения: 1409
- Стаж: 5 лет 4 месяца
- Репутация: 1229
- Откуда: Ивано-Франковск
- Аудио система: DX3pro
Focal horus716
S_Audio stereo AMP 2_061
Re: Усилитель Clone Purifi 2.061.P (D класс)
Спасибо большое за честный отзыв. По поводу звука - дайте немного времени на адаптацию слуха, вполне возможно , что немного изменится восприятие
-
tsis
- Новичок
- Сообщения: 9
- Стаж: 5 лет
- Репутация: 6
- Откуда: Харьков
- Аудио система: ICEpower125ASX2, Yamaha NS-333
Re: Усилитель Clone Purifi 2.061.P (D класс)
Вот так это все выглядит. Корпус с Али-Экспресс, остальное подколхозил
-
alexarz
- Пользователь
- Сообщения: 27
- Стаж: 2 года 8 месяцев
- Репутация: 13
- Откуда: Арзамас
- Аудио система: Источник - Eversolo DMP A8
ЦАП Dеnаfriрs Роntus II 15th
РГ по схеме Никитина от antecom
УНЧ Technics SE-A100
АС Sony SS 8150
В запасе
Источник - малинка 4 со шляпой TZT Ustars audio R19, с Moode
ЦАП - Charm Audio DAC 2.5
УНЧ - Clone Purifi 2.061.P
Re: Усилитель Clone Purifi 2.061.P (D класс)
Да я-то, как радиоинженер как раз ничего и не ожидал, просто все носятся с XLR, как курица с яйцом.
-
alexarz
- Пользователь
- Сообщения: 27
- Стаж: 2 года 8 месяцев
- Репутация: 13
- Откуда: Арзамас
- Аудио система: Источник - Eversolo DMP A8
ЦАП Dеnаfriрs Роntus II 15th
РГ по схеме Никитина от antecom
УНЧ Technics SE-A100
АС Sony SS 8150
В запасе
Источник - малинка 4 со шляпой TZT Ustars audio R19, с Moode
ЦАП - Charm Audio DAC 2.5
УНЧ - Clone Purifi 2.061.P
Re: Усилитель Clone Purifi 2.061.P (D класс)
У немного другие впечатления, ламповости я не услышал, а вот динамика и натуральность меня порадовали.
Есть у меня один трек - Martin Hess - Boxenkiller, там ударные с бас гитарой. Так вот, так натурально барабаны я только вживую слышал. Бочка прямо в грудь бьёт, тарелки как настоящие. Тут, конечно акустика основную роль играет, но со старым моим пионером такого я не слышал.
-
tsis
- Новичок
- Сообщения: 9
- Стаж: 5 лет
- Репутация: 6
- Откуда: Харьков
- Аудио система: ICEpower125ASX2, Yamaha NS-333
Re: Усилитель Clone Purifi 2.061.P (D класс)
Да, я знаю этот трек, там только Cyrill Lutzelschwab и Martin Hess вместе работают. Звучит на Clone Purifi великолепно. Согласен.
- netplumber
- Сообщения: 4
- Стаж: 2 года 5 месяцев
- Репутация: 13
- Откуда: Silicon Valley
- Аудио система: Emotiva-XMC-2, XMC1, Vincent SP-331m Martin Logan Aeon-I, JBL Studio Monitor 4410A, Teac NT-503
Re: Усилитель Clone Purifi 2.061.P (D класс)
Я обычно тестирую на моем стандартном наборе:
Diana Krall - Love Scenes
Sera Una Noche - Track 6 - Nublado
Hesperion XXI cond. Jordi Savall - Le Concert Des Nations
Dave Brubeck Quartet - Time Out (Mastersound SBM)
Omer Avital - New Song [FLAC 24]
David Gilmour - On An Island, Rattle That Lock [FLAC HDTracks]
Eric Clapton - Unplugged
Sting - Ten Summoner's Tales
Pink Floyd - The Dark Side Of The Moon
Santana - Supernatural [SACD]
Linn - Super Audio collection
Telarc - Heads Up - SACD sampler 5
Pentatone Classics SACD vol.2
Diana Krall - Love Scenes
Sera Una Noche - Track 6 - Nublado
Hesperion XXI cond. Jordi Savall - Le Concert Des Nations
Dave Brubeck Quartet - Time Out (Mastersound SBM)
Omer Avital - New Song [FLAC 24]
David Gilmour - On An Island, Rattle That Lock [FLAC HDTracks]
Eric Clapton - Unplugged
Sting - Ten Summoner's Tales
Pink Floyd - The Dark Side Of The Moon
Santana - Supernatural [SACD]
Linn - Super Audio collection
Telarc - Heads Up - SACD sampler 5
Pentatone Classics SACD vol.2
- moneron
- Почетный пользователь
- Сообщения: 91
- Стаж: 4 года 5 месяцев
- Репутация: 18
- Откуда: Odessa
- Аудио система: DIY MP3
Re: Усилитель Clone Purifi 2.061.P (D класс)
Всем доброго дня! В народном б/п есть выход напряжением 15 вольт. Кто знает на какой ток рассчитан выход, и где искать ответную часть коннектора? Хотя бы как называется? Спасибо.
-
Sous
- Разработчик
- Сообщения: 1409
- Стаж: 5 лет 4 месяца
- Репутация: 1229
- Откуда: Ивано-Франковск
- Аудио система: DX3pro
Focal horus716
S_Audio stereo AMP 2_061
Re: Усилитель Clone Purifi 2.061.P (D класс)
Но этот источник нестабилен. Напряжение будет платвать вместе с нагрузкой на блок питаания. На холостом ходу будет 20-30мА 12В в лучшем случае
- moneron
- Почетный пользователь
- Сообщения: 91
- Стаж: 4 года 5 месяцев
- Репутация: 18
- Откуда: Odessa
- Аудио система: DIY MP3
Re: Усилитель Clone Purifi 2.061.P (D класс)
Удалось укомплектовать моноблоки!
\
\
\
\
- Inok
- Постоянный житель
- Сообщения: 324
- Стаж: 3 года 10 месяцев
- Репутация: 184
- Откуда: Ukraine
- Аудио система: Clone purifi Hb 3.065 ULTRA, DALI Oberon 9 Dark Walnut
Re: Усилитель Clone Purifi 2.061.P (D класс)
Отлично получилось, единственное, как синхронизировать громкость?
- moneron
- Почетный пользователь
- Сообщения: 91
- Стаж: 4 года 5 месяцев
- Репутация: 18
- Откуда: Odessa
- Аудио система: DIY MP3
Re: Усилитель Clone Purifi 2.061.P (D класс)
На слух! Так же удобно подвигать сцену, если в записи один канал тише прописан.
- moneron
- Почетный пользователь
- Сообщения: 91
- Стаж: 4 года 5 месяцев
- Репутация: 18
- Откуда: Odessa
- Аудио система: DIY MP3
Re: Усилитель Clone Purifi 2.061.P (D класс)
Добрый день! Созрел вопрос, какой демпинг фактор (коэффициент демпфирования) имеет данный усилитель? Поделитесь знаниями, кто в курсе? Спасибо!
Вопрос возник после прослушивания современного контента (Yello).
Вопрос возник после прослушивания современного контента (Yello).
-
Sous
- Разработчик
- Сообщения: 1409
- Стаж: 5 лет 4 месяца
- Репутация: 1229
- Откуда: Ивано-Франковск
- Аудио система: DX3pro
Focal horus716
S_Audio stereo AMP 2_061
Re: Усилитель Clone Purifi 2.061.P (D класс)
Определяется сопротивлением коннекторов.
Выходное сопротивление усилителя менее 1мОм,
Выходное сопротивление усилителя менее 1мОм,
-
philoret
- Почетный пользователь
- Сообщения: 66
- Стаж: 2 года 10 месяцев
- Репутация: 11
- Откуда: Валенсия, Испания
- Аудио система: Yamaha WXA-50 + Elac DebutReference DBR62
Re: Усилитель Clone Purifi 2.061.P (D класс)
Радиатор какой мощный на БП!!
Сразу встроена защита от постоянного напряжения нам выходе.
Какие результаты?
На синусе какую мощность может выдерживать без ущерба?
Было бы неплохо разъемов для присоединения усилителей 2 предусмотреть. В одно гнездо по 2 проводника не гламурно
.
Сразу встроена защита от постоянного напряжения нам выходе.
Какие результаты?
На синусе какую мощность может выдерживать без ущерба?
Было бы неплохо разъемов для присоединения усилителей 2 предусмотреть. В одно гнездо по 2 проводника не гламурно
-
Sous
- Разработчик
- Сообщения: 1409
- Стаж: 5 лет 4 месяца
- Репутация: 1229
- Откуда: Ивано-Франковск
- Аудио система: DX3pro
Focal horus716
S_Audio stereo AMP 2_061
Re: Усилитель Clone Purifi 2.061.P (D класс)
Этого радиатора хватает, музыкой перегреть не выйдет.
Ориентировочно 2х300 усилитель. Потребление ХХ 17,5Вт.
Защита от постоянки прямо в блок питания подключается.
Доп источник +/-15 используется только для светодиода индикации.
на счет второго разъема идея здравая.
Ориентировочно 2х300 усилитель. Потребление ХХ 17,5Вт.
Защита от постоянки прямо в блок питания подключается.
Доп источник +/-15 используется только для светодиода индикации.
на счет второго разъема идея здравая.
-
Sous
- Разработчик
- Сообщения: 1409
- Стаж: 5 лет 4 месяца
- Репутация: 1229
- Откуда: Ивано-Франковск
- Аудио система: DX3pro
Focal horus716
S_Audio stereo AMP 2_061
Re: Усилитель Clone Purifi 2.061.P (D класс)
Признаюсь, у меня первоначально тоже слышен был легкий писк дежурного источника. Пришлось подстроить аналогично , как Александр делал.
И еще был небольшой шумок в ВЧ на полной громкости. Методом тыка соединил земли RCA, шум полностью пропал. Даже если ухо прямо к ВЧ подносить не понятно, включен или нет.
И еще был небольшой шумок в ВЧ на полной громкости. Методом тыка соединил земли RCA, шум полностью пропал. Даже если ухо прямо к ВЧ подносить не понятно, включен или нет.