Темы в форуме
Новые сообщения
-
15-окт Использование шаговых двигателей в аудиоустройствах
-
28-авг Есть ли в этом "наборе" полезные для звука конденсаторы?
-
30-июн FNIRSI DPS-150 – Мини Лабораторный Блок Питания на 30V 5A
-
29-июн Паяльник мечта радиолюбителя FNIRSI DWS-200
-
26-июн Amazon удалил все мои книги с kindle 10
-
05-июн 74LVC
-
20-май Блок питания для аудио L_SMPS 200_32SR от Sous
-
09-май Резонансные блоки питания \LLC\
-
04-май Резервное питание квартиры от Alex
-
23-апр Детали для нашего хобби
-
15-апр USB 2.0 изолятор ADuM3165
-
04-мар Ламповый усилитель Class A, для наушников
-
21-фев Очки для пайки всякой мелочи
-
20-фев Как отличить настоящие транзисторы от поддельных?
-
17-фев RMAA Pro
Новые темы
-
10-окт конденсаторы для лампового усилителя
-
05-сен Использование шаговых двигателей в аудиоустройствах
-
27-авг Есть ли в этом "наборе" полезные для звука конденсаторы?
-
18-июн Amazon удалил все мои книги с kindle 10
-
01-июн 74LVC
-
30-апр Резервное питание квартиры от Alex
-
19-мар USB 2.0 изолятор ADuM3165
-
02-мар PP на EL34 супертріод
-
18-фев Блок питания для аудио L_SMPS 200_32SR от Sous
-
03-дек Вопросы по ТВЗ 60 ВТ EI96 * 45
-
04-ноя Підібрати аналог транзистору
-
30-окт FNIRSI DPS-150 – Мини Лабораторный Блок Питания на 30V 5A
-
11-сен Японский трансформатор Toyozumi SD21-015KB
-
05-сен Как снять лоток CD?
-
03-сен QUAD 405 Klone - постоянка на выходе
Наш youtube
Наш инстаграм
☝ Сказать спасибо!
Правила форума
Как убрать постоянку и помехи в сети 220 простым способом
Модератор: LinuxManiac
-
- Новичок
- Сообщения: 5
- Стаж: 3 года
- Репутация: 0
- Откуда: Киев
- Аудио система: Marantz, KEF, DALI...
Re: Как убрать постоянку и помехи в сети 220 простым способом
Прошу совета!
Сегодня был на радиорынке и, из того что было, купил не совсем то:
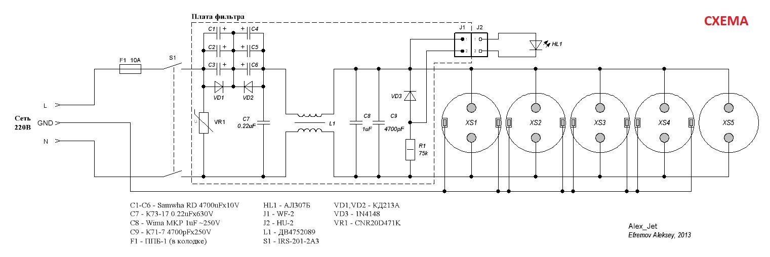
1. VD1, VD2: КД213Б вместо КД213А. Отличия между ними следующие:
Постоянное прямое напряжение: КД213А - 1(10 А) В; КД213Б - 1.2(10 А) В
Время обратного восстановления: КД213А - 0.3 мкс; КД213Б - 0.17 мкс.
2. C1-C6: SAMWHA серии SD вместо RD. Отличия в том, что серия RD работает при более широком диапазоне температур - 105 градусов против 85 градусов у SD. Данные по другим параметрам, как то: ток утечки, тангенс угла потерь, выработка, не нашёл для SD серии.
3. С7: К73-17 В вместо К73-17 (без В), к тому же на 400 Вольт вместо 630.
4. С8: допуск 10% - как будто многовато.
5. R1 на 2 Ватта, ввиду того, что он будет греться.
Как считаете, надо менять какие-то детали из купленных или ставить все какие есть? КД213Б, как я понял, даже лучше? C1-C6 - плюс 20 градусов вроде бы не решающие? С7 - "В" имеет ли значение, 400 Вольт достаточно? С8 - а бывают ли такие WIMA с меньшим допуском и важно ли это в данном случае? R1 на 2 ватта достаточно от перегрева?
Сегодня был на радиорынке и, из того что было, купил не совсем то:
1. VD1, VD2: КД213Б вместо КД213А. Отличия между ними следующие:
Постоянное прямое напряжение: КД213А - 1(10 А) В; КД213Б - 1.2(10 А) В
Время обратного восстановления: КД213А - 0.3 мкс; КД213Б - 0.17 мкс.
2. C1-C6: SAMWHA серии SD вместо RD. Отличия в том, что серия RD работает при более широком диапазоне температур - 105 градусов против 85 градусов у SD. Данные по другим параметрам, как то: ток утечки, тангенс угла потерь, выработка, не нашёл для SD серии.
3. С7: К73-17 В вместо К73-17 (без В), к тому же на 400 Вольт вместо 630.
4. С8: допуск 10% - как будто многовато.
5. R1 на 2 Ватта, ввиду того, что он будет греться.
Как считаете, надо менять какие-то детали из купленных или ставить все какие есть? КД213Б, как я понял, даже лучше? C1-C6 - плюс 20 градусов вроде бы не решающие? С7 - "В" имеет ли значение, 400 Вольт достаточно? С8 - а бывают ли такие WIMA с меньшим допуском и важно ли это в данном случае? R1 на 2 ватта достаточно от перегрева?
- Justas*
- Гуру электроники☆☆☆☆
- Сообщения: 2217
- Стаж: 4 года
- Репутация: 1245
- Откуда: Украина
- Аудио система: viewtopic.php?p=17721#p17721
Re: Как убрать постоянку и помехи в сети 220 простым способом
Эта схема из тех, где разброс номиналов и серий компонентов указанных автором, может составлять более 100%, без обнаруживаемых ухудшений.
К примеру, если мощность нагрузки до 300-500Вт, достаточно поставить диоды на 3-5А, а вместо 6-ти электролитов 4700мкФ, оставить 2 (4).
Без последствий можно поменять конденсатор 0,22мкФ на 0,47мкФ. Или вместо 1,0мкФ, поставить 0,68-1,5мкФ.
Самое главное! Плёночные конденсаторы, должны быть на напряжение не менее 630 VDC, что соответствует 280 VAC.
250 VDC/160 VAC
400 VDC/220 VAC
630 VDC/280 VAC
Поэтому Wima MKP4 1,0/250 (привет автору схемы
) лучше поставить в усилитель.
Не нужны тут вимы и К73. Существуют специализированные X-конденсаторы для этих целей (можно наковырять в тех же комповых и ТВ БП). Почитайте:
https://www.kirich.blog/stati/informaci ... atory.html
И если уж схема предназначена для 3-х проводной сети (с землёй), то для лучшего подавления синфазной помехи, желательно установить Y-конденсаторы
https://www.promelec.ru/news/2484/
К примеру, если мощность нагрузки до 300-500Вт, достаточно поставить диоды на 3-5А, а вместо 6-ти электролитов 4700мкФ, оставить 2 (4).
Без последствий можно поменять конденсатор 0,22мкФ на 0,47мкФ. Или вместо 1,0мкФ, поставить 0,68-1,5мкФ.
Самое главное! Плёночные конденсаторы, должны быть на напряжение не менее 630 VDC, что соответствует 280 VAC.
250 VDC/160 VAC
400 VDC/220 VAC
630 VDC/280 VAC
Поэтому Wima MKP4 1,0/250 (привет автору схемы

Не нужны тут вимы и К73. Существуют специализированные X-конденсаторы для этих целей (можно наковырять в тех же комповых и ТВ БП). Почитайте:
https://www.kirich.blog/stati/informaci ... atory.html
И если уж схема предназначена для 3-х проводной сети (с землёй), то для лучшего подавления синфазной помехи, желательно установить Y-конденсаторы
https://www.promelec.ru/news/2484/
-
- Новичок
- Сообщения: 5
- Стаж: 3 года
- Репутация: 0
- Откуда: Киев
- Аудио система: Marantz, KEF, DALI...
Re: Как убрать постоянку и помехи в сети 220 простым способом
Почитал с интересом, спасибо.
Нарисовал плату в двух вариантах (буду выбирать в зависимости от того, какой корпус найду), проверьте, пожалуйста, нет ли ошибок.
Намотал на ферритовое кольцо провод, который достал из петли размагничивания телевизора (получилось 10 мГн) - пойдёт?
Нарисовал плату в двух вариантах (буду выбирать в зависимости от того, какой корпус найду), проверьте, пожалуйста, нет ли ошибок.
Намотал на ферритовое кольцо провод, который достал из петли размагничивания телевизора (получилось 10 мГн) - пойдёт?
- Вложения
-
- WP_20221005_14_39_57_Pro.jpg (55.83 КБ) 4674 просмотра
-
- Плата фильтра линия.jpg (22.44 КБ) 4674 просмотра
-
- Плата фильтра квадрат.jpg (62.24 КБ) 4674 просмотра
- Justas*
- Гуру электроники☆☆☆☆
- Сообщения: 2217
- Стаж: 4 года
- Репутация: 1245
- Откуда: Украина
- Аудио система: viewtopic.php?p=17721#p17721
Re: Как убрать постоянку и помехи в сети 220 простым способом
Разводка правильная. Только дроссель нужен не обычный а синфазный.
https://dzen.ru/media/elektroradio/sinf ... 56920ec5bd
https://radiostorage.net/3809-skhema-i- ... atury.html
https://radiostorage.net/3809-skhema-i- ... atury.html
- RUS_D
- Умелый
- Сообщения: 168
- Стаж: 4 года
- Репутация: 150
- Откуда: Украина, Полтава
- Аудио система: Плеер RuneAudio
ЦАП AH-D6 версия 2.х + несколько других
Проигрыватель Винила Lenco L75, DUAL1209, Fisher MT-M21, Вега unitra fonica g-600b
Усилитель Onkyo A-8830, Фоловер Андрэа Чиуфолли
Ламповые усилители РР на Rft El34 и 6П3C (кобра), РР на КТ88, РР на El84, SE на 6С41С, SE на 6П42П
Акустика ONKYO SC-370, GRUNDIG Box 1600b, IQ LADY- maxi - Контактная информация:
Re: Как убрать постоянку и помехи в сети 220 простым способом
Спростим собі роботу - скрін з якогось древнього підсилювача.
Все працює
Все працює
-
- Новичок
- Сообщения: 9
- Стаж: 3 года
- Репутация: 1
- Откуда: Борисоглебск
- Аудио система: Sansui D707F, Kenwood LS-990AD, Loxjie D20
Re: Как убрать постоянку и помехи в сети 220 простым способом
Приветствую. Переделал как у Вас на видео, один в один, не запустился. Всю голову сломал, на желтом кондере цепь обрывается. Может, что проглядел.
- Alex
- Site Admin
- Сообщения: 4081
- Стаж: 13 лет 11 месяцев
- Репутация: 2632
- Откуда: Kiev
- Аудио система: www.is.gd/l0dt3T
- Контактная информация:
Re: Как убрать постоянку и помехи в сети 220 простым способом
Посмотрите внимательно куда идут дорожки, может что не так припаяли, делайте согласне схеме, она простая, желтый конденсатор там паралельно стоит.
-
- Новичок
- Сообщения: 9
- Стаж: 3 года
- Репутация: 1
- Откуда: Борисоглебск
- Аудио система: Sansui D707F, Kenwood LS-990AD, Loxjie D20
Re: Как убрать постоянку и помехи в сети 220 простым способом
Раз десять перепроверил, пропаял, проверил направленность. На видео все ясно видно, не пому.
-
- Новичок
- Сообщения: 5
- Стаж: 3 года
- Репутация: 0
- Откуда: Киев
- Аудио система: Marantz, KEF, DALI...
Re: Как убрать постоянку и помехи в сети 220 простым способом
В общем сделал этот фильтр и со своей задачей он справился!
Нужно сказать, зачем он понадобился. С какого-то момента стали гудеть оба усилителя: интегрированный Hi-Fi стереоусилитель и Hi-Fi стереоусилитель мощности, двойное моно. При включении возникал отчётливый гул из недр усилителя (в колонках тишина), похожий на жужжание, слышно было с расстояния два-три метра. Причём этот гул был не всегда, иногда усилитель работал совершенно бесшумно. Стал гуглить и нарыл информацию о постоянке в сети. В результате сделал этот фильтр и вот уже больше месяца техника работает бесшумно, гул исчез!
Есть нюанс. Сразу после включения гул на доли секунды появляется и быстро полностью затухает до следующего включения. Прозванивал фильтр мультиметром и заметил, что писк затухает так же, как затухает гул в усилителе, из этого делаю предположение, что в сети действительно есть постоянка и она реально вредит аппаратуре. Если включить усилитель в сеть минуя фильтр, он гудит, как раньше, с фильтром работает тихо, то есть фильтр работает стабильно и эффективно, проверено многократно.
Если кто-то подскажет, как сделать такой фильтр, который не будет пропускать постоянку совсем, даже ненадолго сразу после включения, буду благодарен. Помимо прочего без ответа остались два вопроса:
1. В дросселе используется провод диаметром 0,33-0,35 мм, какую нагрузку выдерживает такой провод?
2. Какое должно быть расстояние между дорожками на плате во избежание короткого замыкания, всё-таки 220 вольт?
Отдельно выражаю благодарность Justas*, спасибо за помощь, реально помогли!
Нужно сказать, зачем он понадобился. С какого-то момента стали гудеть оба усилителя: интегрированный Hi-Fi стереоусилитель и Hi-Fi стереоусилитель мощности, двойное моно. При включении возникал отчётливый гул из недр усилителя (в колонках тишина), похожий на жужжание, слышно было с расстояния два-три метра. Причём этот гул был не всегда, иногда усилитель работал совершенно бесшумно. Стал гуглить и нарыл информацию о постоянке в сети. В результате сделал этот фильтр и вот уже больше месяца техника работает бесшумно, гул исчез!
Есть нюанс. Сразу после включения гул на доли секунды появляется и быстро полностью затухает до следующего включения. Прозванивал фильтр мультиметром и заметил, что писк затухает так же, как затухает гул в усилителе, из этого делаю предположение, что в сети действительно есть постоянка и она реально вредит аппаратуре. Если включить усилитель в сеть минуя фильтр, он гудит, как раньше, с фильтром работает тихо, то есть фильтр работает стабильно и эффективно, проверено многократно.
Если кто-то подскажет, как сделать такой фильтр, который не будет пропускать постоянку совсем, даже ненадолго сразу после включения, буду благодарен. Помимо прочего без ответа остались два вопроса:
1. В дросселе используется провод диаметром 0,33-0,35 мм, какую нагрузку выдерживает такой провод?
2. Какое должно быть расстояние между дорожками на плате во избежание короткого замыкания, всё-таки 220 вольт?
Отдельно выражаю благодарность Justas*, спасибо за помощь, реально помогли!
- Justas*
- Гуру электроники☆☆☆☆
- Сообщения: 2217
- Стаж: 4 года
- Репутация: 1245
- Откуда: Украина
- Аудио система: viewtopic.php?p=17721#p17721
Re: Как убрать постоянку и помехи в сети 220 простым способом
Синфазник от ТВ серии УСЦТ. В зависимости от модели кинескопа, их потребляемая мощность была около 100 (80-120) Вт. Соответственно ток, 100/220=0,45А. Видимо рассчитывался на плотность тока 6-8 А/мм2.
Таблица допустимых токов для медных эмалированных проводов
https://duino.ru/media/tok-mednogo-provoda.html
Расстояние между дорожками нормальное, можно киловольты гонять.
Напряжение пробоя сухого воздуха 2 кВ/мм, у текстолита (чистого и тоже сухого) ещё выше.
Кратковременный гул при включении, явление распространённое.
Повышенный пусковой ток присущ всем трансформаторам, особенно торам. Гудят плохо скреплённые пластины (лента), неплотная намотка.
Если в дальнейшем не гудит, то и не обращайте внимания.
- m-shara
- Почетный спонсор
- Сообщения: 1152
- Стаж: 2 года 10 месяцев
- Репутация: 201
- Откуда: Латвия
- Аудио система: JVC TD-V662, Kenwood KX-880HX,
JLH 1969, УНЧ А-кл. 6Ж3+ГУ-50
Акустика: Sony SS-G1 MK2
AKG K514, ATH-AVC500,
Звуковая: Focusrite 2i4
Re: Как убрать постоянку и помехи в сети 220 простым способом
Посмотрите эти видео. Непредвзято и познавательно. Автор очень практически и грамотно подходит к данному вопросу.
https://youtu.be/YTbBk3U_1wQ?list=PL_z4 ... ftNZQ9EZkk
https://youtu.be/VOoQKOfawTc?list=PL_z4 ... ftNZQ9EZkk
Чувствительны к постоянке в сети тороидальные трансформаторы (гудят). И совершенно на это наплевать могут ИИП. Ну а помехи нежелательны в каше под названием "звук".
https://youtu.be/YTbBk3U_1wQ?list=PL_z4 ... ftNZQ9EZkk
https://youtu.be/VOoQKOfawTc?list=PL_z4 ... ftNZQ9EZkk
Чувствительны к постоянке в сети тороидальные трансформаторы (гудят). И совершенно на это наплевать могут ИИП. Ну а помехи нежелательны в каше под названием "звук".
- emon
- Почетный пользователь
- Сообщения: 168
- Стаж: 4 года 4 месяца
- Репутация: 69
- Откуда: Irpin
- Аудио система: DSC 2.6 + DSD'it + Lundahl LL1527XL
KT77 Gold Lion + Mullard ECF80 + Lundahl LL1663
Акустика Heco Celan Revolution 3 Espresso Veneer, sony ss-f6000p
Усилитель Игнатьева V3.
Re: Как убрать постоянку и помехи в сети 220 простым способом
ось такі фільтри ставлю с своїх ЦАПах
-
- Постоянный житель
- Сообщения: 269
- Стаж: 3 года 2 месяца
- Репутация: 21
- Откуда: Tallinn
- Аудио система: Tpa3255
Re: Как убрать постоянку и помехи в сети 220 простым способом
Здравствуйте,собрал вот такой сетевой фильтр на китайской плате:
https://a.aliexpress.com/_mO6GhAe
Краткий обзор:
https://youtu.be/qmhZ6GcQP14
Всё как надо,экранированый провод,фееритовые кольца на каждом конце и сама плата,но китайцы как всегда набибали, вместо фирменного Rifa, стоит заводской ноунэйм, ну да ладно,после подключения к ресиверу,как будто больше низких частот стало,хотя может быть самовнушение.
https://a.aliexpress.com/_mO6GhAe
Краткий обзор:
https://youtu.be/qmhZ6GcQP14
Всё как надо,экранированый провод,фееритовые кольца на каждом конце и сама плата,но китайцы как всегда набибали, вместо фирменного Rifa, стоит заводской ноунэйм, ну да ладно,после подключения к ресиверу,как будто больше низких частот стало,хотя может быть самовнушение.
- Kollin
- Пользователь
- Сообщения: 22
- Стаж: 2 года 9 месяцев
- Репутация: 7
- Откуда: Кишинев
- Аудио система: SMSL SU9 Pro - Sabaj A20D - клон Purifi hb2.053 - Infinity R162
Re: Как убрать постоянку и помехи в сети 220 простым способом
Классика жеш.
Кстати, за те же деньги там дают модель поинтересней - https://www.aliexpress.com/item/1005004859087986.html
Не факт, что кондеры в нем окажутся оригинальными, но заявлена и борьба с постоянкой.
Схема в описании лота. Насколько потроха соответствуют схеме - хз.
- Kollin
- Пользователь
- Сообщения: 22
- Стаж: 2 года 9 месяцев
- Репутация: 7
- Откуда: Кишинев
- Аудио система: SMSL SU9 Pro - Sabaj A20D - клон Purifi hb2.053 - Infinity R162
Re: Как убрать постоянку и помехи в сети 220 простым способом
"Попался под руки" фильтр, ссылку на который давал выше.
Вот пару живых фоток, если кому интересно.
Вот пару живых фоток, если кому интересно.
-
- Новичок
- Сообщения: 5
- Стаж: 3 года
- Репутация: 0
- Откуда: Киев
- Аудио система: Marantz, KEF, DALI...
Re: Как убрать постоянку и помехи в сети 220 простым способом
Хочу ещё проекспериментировать с фильтром Шушурина, детали уже собрал. Проверьте, пожалуйста, верно ли нарисовал плату.
- Вложения
-
- Шушурина схема.gif (6.9 КБ) 3544 просмотра
-
- Шушурина плата.png (28.73 КБ) 3544 просмотра
-
- Постоянный житель
- Сообщения: 269
- Стаж: 3 года 2 месяца
- Репутация: 21
- Откуда: Tallinn
- Аудио система: Tpa3255
- Kollin
- Пользователь
- Сообщения: 22
- Стаж: 2 года 9 месяцев
- Репутация: 7
- Откуда: Кишинев
- Аудио система: SMSL SU9 Pro - Sabaj A20D - клон Purifi hb2.053 - Infinity R162
Re: Как убрать постоянку и помехи в сети 220 простым способом
Про эффекто не скажу, но мы в быту часто сталкиваемся с прохождением тока через каскад фильтров. Например: Удлинитель с фильтром -> Инлет с фильтром -> Фильтр на входе БП.audiomaniac3 писал(а): ↑25 фев 2023, 09:13 А если подключить этот фильтр к моему фильтру, эффект удвоится или аннулируется?
Похожая ситуация встречается и на выходе с БП: один DC Power filter на выходе блока, второй на входе в ноутбук, ЦАП и пр.
Последние продаются чуть ли не на развес.

-
- Постоянный житель
- Сообщения: 269
- Стаж: 3 года 2 месяца
- Репутация: 21
- Откуда: Tallinn
- Аудио система: Tpa3255
Re: Как убрать постоянку и помехи в сети 220 простым способом
Нашел вот это чудо техники, масляный фильтрKollin писал(а): ↑25 фев 2023, 14:20Про эффекто не скажу, но мы в быту часто сталкиваемся с прохождением тока через каскад фильтров. Например: Удлинитель с фильтром -> Инлет с фильтром -> Фильтр на входе БП.audiomaniac3 писал(а): ↑25 фев 2023, 09:13 А если подключить этот фильтр к моему фильтру, эффект удвоится или аннулируется?
Похожая ситуация встречается и на выходе с БП: один DC Power filter на выходе блока, второй на входе в ноутбук, ЦАП и пр.
Последние продаются чуть ли не на развес.На фото DC filter за 40 центов. Такой часто берут чтоб поставить на ход в Raspberry Pi, сетевые свичи и пр.
61ZU4xnex4L._AC_SL1500_.jpg
https://a.aliexpress.com/_mPt4hds
Наверное масляет звук как надо,проблемно найти что-то действительно рабочее,а не плату из набора подручных деталей.
-
- Постоянный житель
- Сообщения: 395
- Стаж: 4 года 10 месяцев
- Репутация: 74
- Откуда: Киев
- Аудио система: ONKEN на триаксиалах LAFAYETTE 99-0020W
клон NCore v3 + предварь (diy)
Wadia 121 + ЛБП
Eweat D20
Popcorn C200 + SL + ЛБП
Re: Как убрать постоянку и помехи в сети 220 простым способом
Как Вы определите "действительную рабочесть", а не все остальное?audiomaniac3 писал(а): ↑26 фев 2023, 12:19 проблемно найти что-то действительно рабочее,а не плату из набора подручных деталей.
Очень похоже, что Вы ищите один единственный идеальный фильтр на все случаи жизни. Как и поиски идеального/универсально лекарства, рецепта, схемы и т.п. - это все очень увлекательно и познавательно, но бесполезно с т.з. нахождения таковых.
Любой фильтр будет работать, вопрос только в соответствии реальных задач фильтрации и фактических возможностей конкретного фильтра.
Фильтры будут сильно разные схемотехнически и конструктивно в зависимости от полосы фильтрации, уровня подавления, вида и мощности нагрузки и т.п.
А начинать надо с самого начала. Что надо фильтровать? Какие частоты и их уровни? Синфазные помехи или нет? Пути их распространения? Допустимые потери (в т.ч. и активные) в "нефильтруемой" части диапазона? Ну и еще куча других вопросов.
К сожалению в домашних условиях практически невозможно (ну ладно: трудно и могут лишь не все и далеко не всё) определить ТТХ помех в сети.
Которые, кстати, отнюдь не стабильны во времени могут сильно меняться в течении суток.
Поэтому не ждите ссылки на "действительно рабочую" схему; в одном случае она поможет, в другом - может и стать хуже звук.
Простого универсального способа не существует.
- Kollin
- Пользователь
- Сообщения: 22
- Стаж: 2 года 9 месяцев
- Репутация: 7
- Откуда: Кишинев
- Аудио система: SMSL SU9 Pro - Sabaj A20D - клон Purifi hb2.053 - Infinity R162
Re: Как убрать постоянку и помехи в сети 220 простым способом
С радостью, но я читал, в стереобаре, лишь упоминание о том опыте. Для чтения оригинального поста нужно было перейти к Амиру на сайт.
Не знаю можно ли сюда ссылки на похожие ресурсы кидать. Тема в баре (dastereo) гуглится по "Цифровые усилители большого звука".
------
UPD: https://www.dastereo.ru/t/czifrovye-usi ... r-gan/91/1
Последний раз редактировалось Kollin 26 фев 2023, 14:52, всего редактировалось 1 раз.
- LinuxManiac
- Добрейший модератор
- Сообщения: 1195
- Стаж: 6 лет 7 месяцев
- Репутация: 774
- Откуда: Киев
- Контактная информация:
Re: Как убрать постоянку и помехи в сети 220 простым способом
Ссылки на информацию, относящуюся к предмету обсуждения, указывать можно.
Модератор.
Модератор.
050-246-3341; Viber: 068-362-3497
- kovrigger
- Постоянный житель
- Сообщения: 422
- Стаж: 4 года 10 месяцев
- Репутация: 113
- Откуда: Украина, Киев
- Аудио система: NFJ&FX AUDIO 502S PRO, акустика "Фараон 2 Magico Mini" от HiFiCompass, ЦАП AH-D6+(авторский), звуковая карта Apogee Duet Firewire
Re: Как убрать постоянку и помехи в сети 220 простым способом
Недавно интересовался вопросом "очистки" сети от постоянки и не только. Оказуется мало того, что в домашней сети как правило неправильная синусоида, она еще может быть и с постоянкой и с кучей наведенных помех, не говоря об импульсах от включения холодильника или какой стиральной машины.
Самый простой (но громоздкий) способ избавления от постоянки - разделительный (изолирующий) трансформатор - т. е. гальваническая развязка. Схема крайне проста - транс с двумя одинакового числа (обычно) обмотками, предохранитель, кнопка ВКЛ-ВЫКЛ: корпус (можно БЕЗ, но лучше С.)
https://www.tor-trans.com.ua/izoliruyus ... estva.html
Недостатки - габариты, требования к запасу по потребляемой мощности (одни говорят с тройным лучше, другие с пятикратным), электрические потери (процент не помню, но какие-то есть, то есть КПД)
Богатые буратины (аудиофилы) покупают готовые решения называемые "кондиционер сети" - очистка сети от постоянки, шумов + в некоторых случаях формирование правильного синуса). Стоят такие аппараты кучу зелени (дороже, чем у некоторых авто).
https://musicmag.com.ua/accuphase-ps-1210.html
Есть и более доступные решения - сетевые "умные" фильтры для аудио от каких известных производителей (типа Supra).
https://portativ.ua/ua/product_35547.ht ... W2EALw_wcB
Или вот неплохой вариант Shunyata Hydra (ценник разный - на вторичке дешевле и вполне можно взять)
http://www.salonav.com/arch/2006/04/104.html
На россие есть компании, которые сами собой делают сетевые фильтры, подражая западным образцам и выглядят вполне пристойно. К примеру вот
https://powergrip.com/ru/powergrip_yg-2/
Обратите внимание - у каждой розетки на выходе есть разделение - ANALOG или DIGITAL или HIGH CURRENT. Это связано с различным подходом к фильтрации определенных помех для разного типа устройств и разным назначением выходов. Цена такого чуда российского легпрома около 800-1000 уе. На вторичке возможно найти подешевше.
Мое мнение - все зависит от суммы, которую начинающий меломан соглашается потерять на это чудо. Самое простое ИМХО - купить на али готовую переноску с встроенным одним EMI-фильтром. Обойдется сие с доставкой о в около 60-70 баксов и будет тешить самолюбие минимум полгода.
Типа вот
https://www.aliexpress.com/item/1005003 ... 4itemAdapt
Более продвинутый вариант - заморочиться и сделать самому красивую коробку с кучей фирменных (FURUTECH к примеру) розеток с отдельными EMI-фильтрами на каждую розетку - думаю результат будет получше, чем один фильтр на все выходы. При конструировании стоит поинтересоваться под какое устройство какой лучше фильтр городить.
Результатом применения сетевого фильтра будет однозначно лучший и чистый звук в Вашей акустической системе.
Самый простой (но громоздкий) способ избавления от постоянки - разделительный (изолирующий) трансформатор - т. е. гальваническая развязка. Схема крайне проста - транс с двумя одинакового числа (обычно) обмотками, предохранитель, кнопка ВКЛ-ВЫКЛ: корпус (можно БЕЗ, но лучше С.)
https://www.tor-trans.com.ua/izoliruyus ... estva.html
Недостатки - габариты, требования к запасу по потребляемой мощности (одни говорят с тройным лучше, другие с пятикратным), электрические потери (процент не помню, но какие-то есть, то есть КПД)
Богатые буратины (аудиофилы) покупают готовые решения называемые "кондиционер сети" - очистка сети от постоянки, шумов + в некоторых случаях формирование правильного синуса). Стоят такие аппараты кучу зелени (дороже, чем у некоторых авто).
https://musicmag.com.ua/accuphase-ps-1210.html
Есть и более доступные решения - сетевые "умные" фильтры для аудио от каких известных производителей (типа Supra).
https://portativ.ua/ua/product_35547.ht ... W2EALw_wcB
Или вот неплохой вариант Shunyata Hydra (ценник разный - на вторичке дешевле и вполне можно взять)
http://www.salonav.com/arch/2006/04/104.html
На россие есть компании, которые сами собой делают сетевые фильтры, подражая западным образцам и выглядят вполне пристойно. К примеру вот
https://powergrip.com/ru/powergrip_yg-2/
Обратите внимание - у каждой розетки на выходе есть разделение - ANALOG или DIGITAL или HIGH CURRENT. Это связано с различным подходом к фильтрации определенных помех для разного типа устройств и разным назначением выходов. Цена такого чуда российского легпрома около 800-1000 уе. На вторичке возможно найти подешевше.
Мое мнение - все зависит от суммы, которую начинающий меломан соглашается потерять на это чудо. Самое простое ИМХО - купить на али готовую переноску с встроенным одним EMI-фильтром. Обойдется сие с доставкой о в около 60-70 баксов и будет тешить самолюбие минимум полгода.
Типа вот
https://www.aliexpress.com/item/1005003 ... 4itemAdapt
Более продвинутый вариант - заморочиться и сделать самому красивую коробку с кучей фирменных (FURUTECH к примеру) розеток с отдельными EMI-фильтрами на каждую розетку - думаю результат будет получше, чем один фильтр на все выходы. При конструировании стоит поинтересоваться под какое устройство какой лучше фильтр городить.
Результатом применения сетевого фильтра будет однозначно лучший и чистый звук в Вашей акустической системе.
-
- Постоянный житель
- Сообщения: 269
- Стаж: 3 года 2 месяца
- Репутация: 21
- Откуда: Tallinn
- Аудио система: Tpa3255
Re: Как убрать постоянку и помехи в сети 220 простым способом
Вот интересная статья:
https://www.audiosciencereview.com/foru ... tor.31298/
Наверно вершина всех вершин в плане фильтрации всевозможных помех это регенераторы электричества,
И вот человек протестировал powerplant 12 который стоит тысячи долларов и кто бы мог подумать,что прибор не то что не чистит помехи,а создает их.
Как же быть в такой ситуации,когда отдав такие деньги за аппарат, думаешь что он будет чистить сеть чуть ли не от гравитационных волн,а в итоге остаешься с носом?
-
- Постоянный житель
- Сообщения: 395
- Стаж: 4 года 10 месяцев
- Репутация: 74
- Откуда: Киев
- Аудио система: ONKEN на триаксиалах LAFAYETTE 99-0020W
клон NCore v3 + предварь (diy)
Wadia 121 + ЛБП
Eweat D20
Popcorn C200 + SL + ЛБП
Re: Как убрать постоянку и помехи в сети 220 простым способом
До войны и у нас были такие проекты; двоих авторов знаю лично. Изделие одного есть в моей системе.
Единственный нюанс - не вообще сетевого фильтра, а таки правильного. Вот регенератор сети относится к правильным фильтрамРезультатом применения сетевого фильтра будет однозначно лучший и чистый звук в Вашей акустической системе.

- kovrigger
- Постоянный житель
- Сообщения: 422
- Стаж: 4 года 10 месяцев
- Репутация: 113
- Откуда: Украина, Киев
- Аудио система: NFJ&FX AUDIO 502S PRO, акустика "Фараон 2 Magico Mini" от HiFiCompass, ЦАП AH-D6+(авторский), звуковая карта Apogee Duet Firewire
Re: Как убрать постоянку и помехи в сети 220 простым способом
Дайте приблизительно хотябы цену на изделие?

Последний раз редактировалось kovrigger 26 фев 2023, 22:04, всего редактировалось 1 раз.