Темы в форуме

Китайский кит на лампах 6Н9С и EL34-B. Стоит внимания?

Аватара пользователя
m-shara
Почетный спонсор
Сообщения: 1180
Стаж: 3 года 1 месяц
Репутация: 207
Откуда: Латвия
Аудио система: JVC TD-V662, Kenwood KX-880HX,
PP 6Н8С+EL34 20W
Акустика: Sony SS-G1 MK2
SONY WH-1000XM4,AKG K514, ATH-AVC500,
Звуковая: Focusrite 2i4

Re: Китайский кит на лампах 6Н9С и EL34-B. Стоит внимания?

Сообщение m-shara »

LinuxManiac писал(а): 11 июл 2024, 10:39 Звідки узявся множник "2" при розрахунку амплітуди? При діючому значенні напруги сигналу 1 вольт його амплітудне значення складає 1,414... вольта. Тому при зміщенні понад 1,414.. вольта (скажімо -1,5 вольта) такий сигнал "обробляється" лампою без проблем.

У коливальних системах взагалі амплітудою є максимальне відхилення величини показника від нульового значення (або ж, наприклад, коливаючогося маятника від центрального положення).
На осцилографі ми бачимо розмах подвійної пікової напруги. Хіба напруга не в такому виді прикладається до сітки лампи?
P to P.jpg
RMS-picture-970x1024.png
Хіба не повне амплітудне значення має поміститися на вхідних характеристиках?
4-2a.jpg
4-2a.jpg (32.92 КБ) 4062 просмотра
Umax відкладається по обидві сторони від робочої точки.
Чи я вже все позабував?
Аватара пользователя
LinuxManiac
Добрейший модератор
Сообщения: 1266
Стаж: 6 лет 10 месяцев
Репутация: 827
Откуда: Киев
Контактная информация:

Re: Китайский кит на лампах 6Н9С и EL34-B. Стоит внимания?

Сообщение LinuxManiac »

"Нуль" на осцилограмі відповідає робочій точці на графіках ВАХ. Відхилення сигналу на 1,414 вольта у кожен бік охоплює "робочу полосу" значень від "0" до 2,828 вольта.

Ось приклад - при анодному навантаженні 30 кОм і анодному живленні 330 вольт (рожева пряма) та анодному навантаженні 22 кОм і анодному живленні 260 вольт (чорна пряма).
В першому випадку при робочій точці (Uk) -1,5 вольта зміщення, Ua = 140 V, Ia = 6 mA розмах неспотвореного сигналу на керуючій сітці - від "0" до 3 вольт (± 1,5 вольта амплітуди = близько 1,1 вольта діючої напруги) і, відповідно, розмах напруги на аноді - від 50 до 230 вольт, амплітуда сигналу на аноді близько 90 вольт (140 ± 90 = від 50 до 230 вольт).
Вложения
6j8_MAI.jpg
6j8_MAI.jpg (69.79 КБ) 4057 просмотров
050-246-3341; Viber: 068-362-3497
Аватара пользователя
m-shara
Почетный спонсор
Сообщения: 1180
Стаж: 3 года 1 месяц
Репутация: 207
Откуда: Латвия
Аудио система: JVC TD-V662, Kenwood KX-880HX,
PP 6Н8С+EL34 20W
Акустика: Sony SS-G1 MK2
SONY WH-1000XM4,AKG K514, ATH-AVC500,
Звуковая: Focusrite 2i4

Re: Китайский кит на лампах 6Н9С и EL34-B. Стоит внимания?

Сообщение m-shara »

LinuxManiac писал(а): 11 июл 2024, 11:33 "Нуль" на осцилограмі відповідає робочій точці на графіках ВАХ. Відхилення сигналу на 1,414 вольта у кожен бік охоплює "робочу полосу" значень від "0" до 2,828 вольта.

Ось приклад - при анодному навантаженні 30 кОм і анодному живленні 330 вольт (рожева пряма) та анодному навантаженні 22 кОм і анодному живленні 260 вольт (чорна пряма).
В першому випадку при робочій точці (Uk) -1,5 вольта зміщення, Ua = 140 V, Ia = 6 mA розмах неспотвореного сигналу на керуючій сітці - від "0" до 3 вольт (± 1,5 вольта амплітуди = близько 1,1 вольта діючої напруги) і, відповідно, розмах напруги на аноді - від 50 до 230 вольт, амплітуда сигналу на аноді близько 90 вольт (140 ± 90 = від 50 до 230 вольт).
-Дякую! Зрозумів свою помилку. На графіках зазначено діючу напругу. Що б Ви порадили згідно до моєї проблеми ? Як загнати лампу в потрібний режим? По суті, як я писав, це 6Ж8 по всім важливим параметрам.
- На приведеному графіку від 6Ж8 зазначено 6 ма анодного току. Як це зрозуміти якщо в специфікації на лампу вказано що 3 ма - максимум?
- Анодне живлення це те що на аноді лампи виставлене чи те що подається на анодну нагрузку?
Аватара пользователя
m-shara
Почетный спонсор
Сообщения: 1180
Стаж: 3 года 1 месяц
Репутация: 207
Откуда: Латвия
Аудио система: JVC TD-V662, Kenwood KX-880HX,
PP 6Н8С+EL34 20W
Акустика: Sony SS-G1 MK2
SONY WH-1000XM4,AKG K514, ATH-AVC500,
Звуковая: Focusrite 2i4

Re: Китайский кит на лампах 6Н9С и EL34-B. Стоит внимания?

Сообщение m-shara »

Adam писал(а): 10 июл 2024, 20:56 Класика жанру...
Нічого нового запропонувати не можу. Перевірити вимірювальні прилади. Від'єднати міжкаскадний конденсатор від ГУ-50, підпаяти до нього новий резистор 470К , кінець - на землю. На цьому резисторі вимірювати вихідний сигнал.
Так ось, нарешті прислухався до поради відʼєднати вихідний каскад. Я просто зняв лампу. Драйвер дає розмах по амплітуді до 250 В! І ніяких обмежень ні з одної сторони. Значить виходить що сітка ГУ-50 при розмахові напруги більше 90 В виходить за своє зміщення. Чи є сенс ті 45 В підняти вище?
Аватара пользователя
m-shara
Почетный спонсор
Сообщения: 1180
Стаж: 3 года 1 месяц
Репутация: 207
Откуда: Латвия
Аудио система: JVC TD-V662, Kenwood KX-880HX,
PP 6Н8С+EL34 20W
Акустика: Sony SS-G1 MK2
SONY WH-1000XM4,AKG K514, ATH-AVC500,
Звуковая: Focusrite 2i4

Re: Китайский кит на лампах 6Н9С и EL34-B. Стоит внимания?

Сообщение m-shara »

LinuxManiac писал(а): 11 июл 2024, 11:33 "Нуль" на осцилограмі відповідає робочій точці на графіках ВАХ. Відхилення сигналу на 1,414 вольта у кожен бік охоплює "робочу полосу" значень від "0" до 2,828 вольта.

Ось приклад - при анодному навантаженні 30 кОм і анодному живленні 330 вольт (рожева пряма) та анодному навантаженні 22 кОм і анодному живленні 260 вольт (чорна пряма).
В першому випадку при робочій точці (Uk) -1,5 вольта зміщення, Ua = 140 V, Ia = 6 mA розмах неспотвореного сигналу на керуючій сітці - від "0" до 3 вольт (± 1,5 вольта амплітуди = близько 1,1 вольта діючої напруги) і, відповідно, розмах напруги на аноді - від 50 до 230 вольт, амплітуда сигналу на аноді близько 90 вольт (140 ± 90 = від 50 до 230 вольт).
Ви якось радили підняти ток вихідної лампи, змінюючи номінал катодного резистора. Його треба збільшувати чи зменшувати? Я хочу трохи вище підняти робочу точку.
Аватара пользователя
lgedmitry
Гуру электроники☆☆☆☆
Сообщения: 1625
Стаж: 6 лет 6 месяцев
Репутация: 286
Откуда: Рыбинск
Аудио система: .

Re: Китайский кит на лампах 6Н9С и EL34-B. Стоит внимания?

Сообщение lgedmitry »

треба зменшувати
Аудиофил
Аватара пользователя
m-shara
Почетный спонсор
Сообщения: 1180
Стаж: 3 года 1 месяц
Репутация: 207
Откуда: Латвия
Аудио система: JVC TD-V662, Kenwood KX-880HX,
PP 6Н8С+EL34 20W
Акустика: Sony SS-G1 MK2
SONY WH-1000XM4,AKG K514, ATH-AVC500,
Звуковая: Focusrite 2i4

Re: Китайский кит на лампах 6Н9С и EL34-B. Стоит внимания?

Сообщение m-shara »

lgedmitry писал(а): 11 июл 2024, 20:26 треба зменшувати
Я вже попробував незначно покрутити туди-сюди. Сигнал починає спотворюватись з другої сторони. А досягнення - 0,2 В на виході. Тобто вихідний каскад розрахований правильно, просто не треба перегружати по входу от і все. Чиста потужність становить 2,5 Вт. Мені ж реально потрібно 0,5 Вт. Провірю ще гармоніки при 1 Вт тай буде досить з нього і з мене. :)
Аватара пользователя
LinuxManiac
Добрейший модератор
Сообщения: 1266
Стаж: 6 лет 10 месяцев
Репутация: 827
Откуда: Киев
Контактная информация:

Re: Китайский кит на лампах 6Н9С и EL34-B. Стоит внимания?

Сообщение LinuxManiac »

m-shara писал(а): 11 июл 2024, 13:57 - Анодне живлення це те що на аноді лампи виставлене чи те що подається на анодну нагрузку?
Анодне живлення надходить до схеми/конструкції від блоку/джерела живлення, зазвичай позначається "Ea", напруга на аноді лампі познчається "Ua".
m-shara писал(а): 11 июл 2024, 13:57 - На приведеному графіку від 6Ж8 зазначено 6 ма анодного току. Як це зрозуміти якщо в специфікації на лампу вказано що 3 ма - максимум?
500_1.gif
3 мА - це номінальний анодний струм за умови напрузі на аноді (Ua) 250 вольт. Максимальний же струм обчислюється виходячи із максимальної потужності, що може розсіюватися на аноді. Для лампи 6Ж8 це (див. специфікацію) 2,8 вата. Тож при напрузі на аноді 140 вольт, маємо 2,8 : 140 = 0,02 ампери (20 мА).
m-shara писал(а): 11 июл 2024, 13:57 ...Що б Ви порадили згідно до моєї проблеми ? Як загнати лампу в потрібний режим? По суті, як я писав, це 6Ж8 по всім важливим параметрам.
Повністю переробити обв'язку лампи 6Ж8 і зробити перший каскад як на оцій схемі (включаючи заміну резистора у ланцюгу анодного живлення з 39 на 1 кОм).
гу-50_2.JPG
Стабілітрон у схемі на напругу 100 вольт, або ж зробити ділитель напруги із послідовних резисторів 10 та 27 кОм із "землі" на анодне живлення (точка їхнього з'єднання - на екранну сутку). Резистор 10 кОм шунтувати електролітичним конденсатором 22 мкФ + плівковий 1 або 2 мкФ. Підбирання режиму, звісно, змінюючи номінал катодного резистора (при ділітелі напруги замість стабілітрона його номінал буде трохи інший).
Можна і за цією схемою.
Вложения
6Ж8.jpg
6Ж8.jpg (47.06 КБ) 3914 просмотров
050-246-3341; Viber: 068-362-3497
Аватара пользователя
m-shara
Почетный спонсор
Сообщения: 1180
Стаж: 3 года 1 месяц
Репутация: 207
Откуда: Латвия
Аудио система: JVC TD-V662, Kenwood KX-880HX,
PP 6Н8С+EL34 20W
Акустика: Sony SS-G1 MK2
SONY WH-1000XM4,AKG K514, ATH-AVC500,
Звуковая: Focusrite 2i4

Re: Китайский кит на лампах 6Н9С и EL34-B. Стоит внимания?

Сообщение m-shara »

А яка лампа буде кращою в даному випадку: 6Ж3 чи 6Ж8 ?
В першій схемі ГУ-50 має трансформатор 5 К, в мене ж - 3,5 К. А яка потужність при цих параметрах?
Аватара пользователя
LinuxManiac
Добрейший модератор
Сообщения: 1266
Стаж: 6 лет 10 месяцев
Репутация: 827
Откуда: Киев
Контактная информация:

Re: Китайский кит на лампах 6Н9С и EL34-B. Стоит внимания?

Сообщение LinuxManiac »

Щодо переваг ламп 6Ж8 та 6Ж3 відповісти неможливо. Обидві визнані для аудіо.
Для лампи ГУ-50 при Ra=5к теоретично максимальна вихідна потужність близько 5-5,5 вата, при Ra=3к5 - приблизно 6-6,5 вата.
050-246-3341; Viber: 068-362-3497
Аватара пользователя
m-shara
Почетный спонсор
Сообщения: 1180
Стаж: 3 года 1 месяц
Репутация: 207
Откуда: Латвия
Аудио система: JVC TD-V662, Kenwood KX-880HX,
PP 6Н8С+EL34 20W
Акустика: Sony SS-G1 MK2
SONY WH-1000XM4,AKG K514, ATH-AVC500,
Звуковая: Focusrite 2i4

Re: Китайский кит на лампах 6Н9С и EL34-B. Стоит внимания?

Сообщение m-shara »

LinuxManiac писал(а): 11 июл 2024, 23:51 Щодо переваг ламп 6Ж8 та 6Ж3 відповісти неможливо. Обидві визнані для аудіо.
Що до першої схеми і особливо до першого каскаду на 6Ж8. Яка принципова різниця в порівнянні з китайською ? Робочі точки майже одинакові і синусоїда ідеальна до обмеження напругою живлення. Розмах сигналу при знятій лампі ГУ-50 250 В.
Як Ви дивитесь з практичної точки зору на те, щоб в катодах ламп залишити змінні резистори, так як в процесі роботи ламп вони старіють і можна буде просто підкоректувати їх робочу точку? На зразок тих що стояли в блоках строчної розгортки, дротяні і контакт сильно прижатий.
Аватара пользователя
LinuxManiac
Добрейший модератор
Сообщения: 1266
Стаж: 6 лет 10 месяцев
Репутация: 827
Откуда: Киев
Контактная информация:

Re: Китайский кит на лампах 6Н9С и EL34-B. Стоит внимания?

Сообщение LinuxManiac »

m-shara писал(а): 12 июл 2024, 09:03 Що до першої схеми і особливо до першого каскаду на 6Ж8. Яка принципова різниця в порівнянні з китайською ?
На пропонованый схемі суттєво больш "струмовий" режим лампи 6Ж8 (анодне навантаження відрізняється майже в 5 разів - 22 проти 100 кОм і анодний струм також). Звідси - краще "прокачування" вихідного каскаду і, відповідно, деталізація звуку.
050-246-3341; Viber: 068-362-3497
Аватара пользователя
m-shara
Почетный спонсор
Сообщения: 1180
Стаж: 3 года 1 месяц
Репутация: 207
Откуда: Латвия
Аудио система: JVC TD-V662, Kenwood KX-880HX,
PP 6Н8С+EL34 20W
Акустика: Sony SS-G1 MK2
SONY WH-1000XM4,AKG K514, ATH-AVC500,
Звуковая: Focusrite 2i4

Re: Китайский кит на лампах 6Н9С и EL34-B. Стоит внимания?

Сообщение m-shara »

LinuxManiac писал(а): 12 июл 2024, 09:15
m-shara писал(а): 12 июл 2024, 09:03 Що до першої схеми і особливо до першого каскаду на 6Ж8. Яка принципова різниця в порівнянні з китайською ?
На пропонованый схемі суттєво больш "струмовий" режим лампи 6Ж8 (анодне навантаження відрізняється майже в 5 разів - 22 проти 100 кОм і анодний струм також). Звідси - краще "прокачування" вихідного каскаду і, відповідно, деталізація звуку.
Я подивився на монтажну схему, її дуже легко переробити. Буквально поміняти резистори.
Трохи раніше йшла мова про збільшення току через вихідні лампи. Дросель на 200 ма, і нагружати його по повній певно буде не добре. Але я зробив фото для порівняння товщини проводів. Справа дросель, зліва ТЗ. Можете прикинути який ток допустимий для такого провода.
Дроссель и ТЗ.jpg
Розрахував приймаючи товщину дросельного провода за 200 ма. Получилося що трансформаторний витримає 100 ма. Але якщо ще врахувати ізоляцію, то буде меньше.
Аватара пользователя
Adam
Постоянный житель
Сообщения: 370
Стаж: 3 года 6 месяцев
Репутация: 128
Откуда: Київ
Аудио система: Rega Planet 2000, ЦАП Shiit Modi 3, Lenco 75, Электроника-017, SE 300В, SE EL84(pent), Triangle Mizis 108

Re: Китайский кит на лампах 6Н9С и EL34-B. Стоит внимания?

Сообщение Adam »

Та просто виміряйте штангенциркулем товщину проводу в дроселі (на ділянці, де він підходить до виводів). По довідникам подивіться реальний діаметр, враховуючи товщину ізоляції. Далі по формулі визначите силу струму I=1,56 x d2 (I-в А, d-в мм, тут діаметр в квадраті).
Аватара пользователя
m-shara
Почетный спонсор
Сообщения: 1180
Стаж: 3 года 1 месяц
Репутация: 207
Откуда: Латвия
Аудио система: JVC TD-V662, Kenwood KX-880HX,
PP 6Н8С+EL34 20W
Акустика: Sony SS-G1 MK2
SONY WH-1000XM4,AKG K514, ATH-AVC500,
Звуковая: Focusrite 2i4

Re: Китайский кит на лампах 6Н9С и EL34-B. Стоит внимания?

Сообщение m-shara »

Adam писал(а): 12 июл 2024, 12:04 Та просто виміряйте штангенциркулем товщину проводу в дроселі (на ділянці, де він підходить до виводів). По довідникам подивіться реальний діаметр, враховуючи товщину ізоляції. Далі по формулі визначите силу струму I=1,56 x d2 (I-в А, d-в мм, тут діаметр в квадраті).
Не получиться. Штангенциркуль не залазить. Виводи сховані всередині. Я б це давно зробив би.
Последний раз редактировалось m-shara 12 июл 2024, 13:43, всего редактировалось 1 раз.
Аватара пользователя
m-shara
Почетный спонсор
Сообщения: 1180
Стаж: 3 года 1 месяц
Репутация: 207
Откуда: Латвия
Аудио система: JVC TD-V662, Kenwood KX-880HX,
PP 6Н8С+EL34 20W
Акустика: Sony SS-G1 MK2
SONY WH-1000XM4,AKG K514, ATH-AVC500,
Звуковая: Focusrite 2i4

Re: Китайский кит на лампах 6Н9С и EL34-B. Стоит внимания?

Сообщение m-shara »

LinuxManiac писал(а): 11 июл 2024, 23:51 Для лампи ГУ-50 при Ra=5к теоретично максимальна вихідна потужність близько 5-5,5 вата, при Ra=3к5 - приблизно 6-6,5 вата.
Мені більше до сподоби та схема що Ви публікували вище, так як напруга точно як у мене. Але просто підняти ток до 100 ма може бути нерозумним. Бо і провод тонкий і зазор хто зна який. Чи можливо збільшувати ток (зміщенням) і контролювати якісь параметри трансформатора, щоб можна рішити чи все ок? І який ток можна вважати задовільним щоб не перегружати БП? Про потужність не питаю, бо там стоять значно більші трансформатори.
-І ще питання повязане з напругою зміщення. Може є якась ссилка на китай, щоб заказати електронний БП для цієї цілі? Так щоб з 220 і регульований вихід. Я певно дві години рився і нічого путнього не нарив.
LinuxManiac писал(а): 12 июл 2024, 09:15
m-shara писал(а): 12 июл 2024, 09:03 Що до першої схеми і особливо до першого каскаду на 6Ж8. Яка принципова різниця в порівнянні з китайською ?
На пропонованый схемі суттєво больш "струмовий" режим лампи 6Ж8 (анодне навантаження відрізняється майже в 5 разів - 22 проти 100 кОм і анодний струм також). Звідси - краще "прокачування" вихідного каскаду і, відповідно, деталізація звуку.
Я розумію, що можна поєднувати цей драйв з існуючим китайським виходом?
Я ось так приблизно порахував потужності і напруги. Де важливо поправте.
УНЧ режими.jpg
Аватара пользователя
Adam
Постоянный житель
Сообщения: 370
Стаж: 3 года 6 месяцев
Репутация: 128
Откуда: Київ
Аудио система: Rega Planet 2000, ЦАП Shiit Modi 3, Lenco 75, Электроника-017, SE 300В, SE EL84(pent), Triangle Mizis 108

Re: Китайский кит на лампах 6Н9С и EL34-B. Стоит внимания?

Сообщение Adam »

m-shara писал(а): 12 июл 2024, 13:29 Штангенциркуль не залазить.
Мій дєдовський заліз би... ;)
Шт.циркуль.jpg
Аватара пользователя
lgedmitry
Гуру электроники☆☆☆☆
Сообщения: 1625
Стаж: 6 лет 6 месяцев
Репутация: 286
Откуда: Рыбинск
Аудио система: .

Re: Китайский кит на лампах 6Н9С и EL34-B. Стоит внимания?

Сообщение lgedmitry »

чисто в порядке бреда: а может через температуру определить допустимый ток для выходного транса?
Ни для кого не секрет, что медь - отличный термодатчик. Итак: даём через обмотку стабильный ток и следим за напряжением на ней: если через полчаса напряжение увеличилось процентов на 20 - значит мы нагрели медь градусов на 50. И такого току, наверное, лишка для тока покоя выходного трансформатора. :roll:
Аудиофил
Аватара пользователя
Adam
Постоянный житель
Сообщения: 370
Стаж: 3 года 6 месяцев
Репутация: 128
Откуда: Київ
Аудио система: Rega Planet 2000, ЦАП Shiit Modi 3, Lenco 75, Электроника-017, SE 300В, SE EL84(pent), Triangle Mizis 108

Re: Китайский кит на лампах 6Н9С и EL34-B. Стоит внимания?

Сообщение Adam »

Навіщо так все ускладнювати? Якщо китайці вже так все запакували, то можна спробувати прикласти поруч з витками дроселя шматок дроту відомого перетину і візуально оцінити їх схожість. Підбирати доти, доки не знайдеться схожий.
Аватара пользователя
m-shara
Почетный спонсор
Сообщения: 1180
Стаж: 3 года 1 месяц
Репутация: 207
Откуда: Латвия
Аудио система: JVC TD-V662, Kenwood KX-880HX,
PP 6Н8С+EL34 20W
Акустика: Sony SS-G1 MK2
SONY WH-1000XM4,AKG K514, ATH-AVC500,
Звуковая: Focusrite 2i4

Re: Китайский кит на лампах 6Н9С и EL34-B. Стоит внимания?

Сообщение m-shara »

Adam писал(а): 12 июл 2024, 21:24 Навіщо так все ускладнювати? Якщо китайці вже так все запакували, то можна спробувати прикласти поруч з витками дроселя шматок дроту відомого перетину і візуально оцінити їх схожість. Підбирати доти, доки не знайдеться схожий.
Я теж так думав але не було часу цим займатися. Та й дротів у мене є три куски по 20 см. :mrgreen:
Аватара пользователя
m-shara
Почетный спонсор
Сообщения: 1180
Стаж: 3 года 1 месяц
Репутация: 207
Откуда: Латвия
Аудио система: JVC TD-V662, Kenwood KX-880HX,
PP 6Н8С+EL34 20W
Акустика: Sony SS-G1 MK2
SONY WH-1000XM4,AKG K514, ATH-AVC500,
Звуковая: Focusrite 2i4

Re: Китайский кит на лампах 6Н9С и EL34-B. Стоит внимания?

Сообщение m-shara »

Спасибо всем форумчанам, активно помогавшим мне в решении разных вопросов! Особая благодарность LinuxManiac-у, Adam-у и lgedmitry ! С вашей помощью я завершил первую часть проекта. Надо послушать, что бы потом можно было улавливать разницу между разными схемными реализациями.
IMG_20240713_1242215.jpg
Здесь уместно выражение: Нет Худа без Добра. Это Добро звучит интереснее Худа.
PS: Как я угадал дизайн Худ-а :)
-------------------------------------------
Дуже цікаве спостереження: скачую музику з ютуба, частіше всього 128 кБіт, і з безплатними кодеками . Як воно звучить я думаю не треба розказувати. Так ось, такі пісні записую на якісну касету, і після цього артефактів кодека не чути зовсім. Звучить однозначно краще, вже можна слухати. А якісні записи на магнітну плівку звучать не гірше оригіналу.
Аватара пользователя
m-shara
Почетный спонсор
Сообщения: 1180
Стаж: 3 года 1 месяц
Репутация: 207
Откуда: Латвия
Аудио система: JVC TD-V662, Kenwood KX-880HX,
PP 6Н8С+EL34 20W
Акустика: Sony SS-G1 MK2
SONY WH-1000XM4,AKG K514, ATH-AVC500,
Звуковая: Focusrite 2i4

Re: Китайский кит на лампах 6Н9С и EL34-B. Стоит внимания?

Сообщение m-shara »

Хотів зробити деревяне оформлення корпуса, але коли поставив рядом х Худом, зрозумів що це буде лишнє, і загальний дизайн порушиться. Тому залишаю його так як є.
IMG_20240713_1509459.jpg
А от захистити якоюсь решіткою зверху (металевою ) то було б дуже добре. А то в дітей якраз підростаюче покоління яке неодмінно провірить чи міцно лампи вставлені. :lol:
Аватара пользователя
Adam
Постоянный житель
Сообщения: 370
Стаж: 3 года 6 месяцев
Репутация: 128
Откуда: Київ
Аудио система: Rega Planet 2000, ЦАП Shiit Modi 3, Lenco 75, Электроника-017, SE 300В, SE EL84(pent), Triangle Mizis 108

Re: Китайский кит на лампах 6Н9С и EL34-B. Стоит внимания?

Сообщение Adam »

В господарчих супермаркетах можна найти щось потрібне. Причому в самих неочікуваних відділах... ;)
Аватара пользователя
m-shara
Почетный спонсор
Сообщения: 1180
Стаж: 3 года 1 месяц
Репутация: 207
Откуда: Латвия
Аудио система: JVC TD-V662, Kenwood KX-880HX,
PP 6Н8С+EL34 20W
Акустика: Sony SS-G1 MK2
SONY WH-1000XM4,AKG K514, ATH-AVC500,
Звуковая: Focusrite 2i4

Re: Китайский кит на лампах 6Н9С и EL34-B. Стоит внимания?

Сообщение m-shara »

emon писал(а): 02 июн 2024, 11:21
vlad62 писал(а): 02 июн 2024, 11:16 А вы уверены, что трансформаторы там плохие? они уже давно работают, и многие вещи уже весьма не плохо делают.
Уверен. Так как хорошие или приемлимые трансформаторы стоят как минимум столько как этот весь усилитель
И трансформаторы хорошие и звучит великолепно. И АЧХ вполне приличная. Не забываем что он у меня работает в паре с магнитофонной декой. Если кому то деньги жмут в кармане не проблема: всегда есть помогающие избавиться от этой заботы :D
Аватара пользователя
m-shara
Почетный спонсор
Сообщения: 1180
Стаж: 3 года 1 месяц
Репутация: 207
Откуда: Латвия
Аудио система: JVC TD-V662, Kenwood KX-880HX,
PP 6Н8С+EL34 20W
Акустика: Sony SS-G1 MK2
SONY WH-1000XM4,AKG K514, ATH-AVC500,
Звуковая: Focusrite 2i4

Re: Китайский кит на лампах 6Н9С и EL34-B. Стоит внимания?

Сообщение m-shara »

vlad62 писал(а): 02 июн 2024, 11:45 Ну можно и с примером, правда, не с выходным тр. силовым, я покупал в Германии новодел, дорогой , высококонцовый, ток холостого хода очень высокий, а это косвенный показатель качества транса, пришлось послать назад, позже на местном рынке купил б.у , холостой ток мизерный, без нагрузки вообще не разогревается, примерно так
И этот трансформатор меня порадовал своим качеством. Не гудит, не греется, ток х.х. Что-то ок 40 ма. Вот так.
Аватара пользователя
m-shara
Почетный спонсор
Сообщения: 1180
Стаж: 3 года 1 месяц
Репутация: 207
Откуда: Латвия
Аудио система: JVC TD-V662, Kenwood KX-880HX,
PP 6Н8С+EL34 20W
Акустика: Sony SS-G1 MK2
SONY WH-1000XM4,AKG K514, ATH-AVC500,
Звуковая: Focusrite 2i4

Re: Китайский кит на лампах 6Н9С и EL34-B. Стоит внимания?

Сообщение m-shara »

А ще подяка форумчанину gelert-у. Теж багато порад залишив.
Аватара пользователя
m-shara
Почетный спонсор
Сообщения: 1180
Стаж: 3 года 1 месяц
Репутация: 207
Откуда: Латвия
Аудио система: JVC TD-V662, Kenwood KX-880HX,
PP 6Н8С+EL34 20W
Акустика: Sony SS-G1 MK2
SONY WH-1000XM4,AKG K514, ATH-AVC500,
Звуковая: Focusrite 2i4

Re: Китайский кит на лампах 6Н9С и EL34-B. Стоит внимания?

Сообщение m-shara »

LinuxManiac писал(а): 12 июл 2024, 09:15
m-shara писал(а): 12 июл 2024, 09:03 Що до першої схеми і особливо до першого каскаду на 6Ж8. Яка принципова різниця в порівнянні з китайською ?
На пропонованый схемі суттєво больш "струмовий" режим лампи 6Ж8 (анодне навантаження відрізняється майже в 5 разів - 22 проти 100 кОм і анодний струм також). Звідси - краще "прокачування" вихідного каскаду і, відповідно, деталізація звуку.
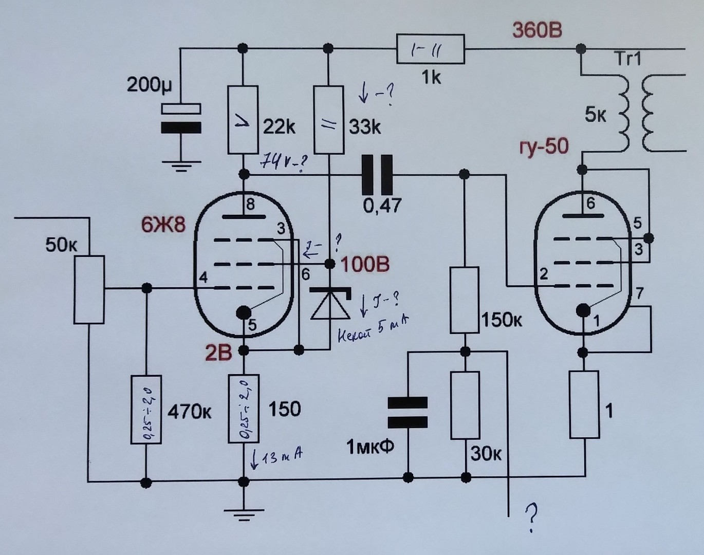
Хочу заказати декілька цих деталей з місцевого інтернет магазину, тому попрошу щоб Ви глянули на мої розрахунки і вказали де є помилки, чи де необхідно більшу потужність резисторів. Мається на увазі 1-й каскад. А також якого струму досить для стабілітрона. Поки лампи 6Ж8 їдуть з України я хочу назбирати необхідних деталей. Пора вже реалізовувати запропоновані Вами поліпшення.
УНЧ режими.jpg
Аватара пользователя
m-shara
Почетный спонсор
Сообщения: 1180
Стаж: 3 года 1 месяц
Репутация: 207
Откуда: Латвия
Аудио система: JVC TD-V662, Kenwood KX-880HX,
PP 6Н8С+EL34 20W
Акустика: Sony SS-G1 MK2
SONY WH-1000XM4,AKG K514, ATH-AVC500,
Звуковая: Focusrite 2i4

Re: Китайский кит на лампах 6Н9С и EL34-B. Стоит внимания?

Сообщение m-shara »

Провірив підсилювач з допомогою RMAA. По АЧХ показує завал на 20 кГц в 6 дБ. Але я більше довіряю генератору-мілівольтметру. Гармоніки і інтермодуляційні спотворення зростають лавиноподібно від збільшення рівння сигналу. На рівні прослуховування гармоніки- 0,5%, інтерм.,-1,0. Змінив драйвери на 6Ж3, гармоніки знизилися до 0,15%, ітерм.,- 0,2% але звук став якийсь скучноватий, довго слухати не хочеться :lol: (розумію *-філів)
А ще почув ледь чутний фон в лівому каналі, як приложити вухо до НЧ динаміка. Не змінюється від регулятора гучності.
Але зазначу, що відпочивати під звучання такого лампового підсилювача - саме то! Не вслуховуватися в кожен звук, а просто розслабитися після робочого дня. Вірність передачі звуку спотворюється? Та хоть скільки! Для точного відтворення є усь Д-класа. А бо Худ. Але під них так не дрімається. :lol:
Аватара пользователя
m-shara
Почетный спонсор
Сообщения: 1180
Стаж: 3 года 1 месяц
Репутация: 207
Откуда: Латвия
Аудио система: JVC TD-V662, Kenwood KX-880HX,
PP 6Н8С+EL34 20W
Акустика: Sony SS-G1 MK2
SONY WH-1000XM4,AKG K514, ATH-AVC500,
Звуковая: Focusrite 2i4

Re: Китайский кит на лампах 6Н9С и EL34-B. Стоит внимания?

Сообщение m-shara »

LinuxManiac писал(а): 11 июл 2024, 22:17
Стабілітрон у схемі на напругу 100 вольт, або ж зробити ділитель напруги із послідовних резисторів 10 та 27 кОм із "землі" на анодне живлення (точка їхнього з'єднання - на екранну сутку).
Через цей ділитель проходить струм майже 10 ма. Для сітки потрібно стільки багато?
Аватара пользователя
LinuxManiac
Добрейший модератор
Сообщения: 1266
Стаж: 6 лет 10 месяцев
Репутация: 827
Откуда: Киев
Контактная информация:

Re: Китайский кит на лампах 6Н9С и EL34-B. Стоит внимания?

Сообщение LinuxManiac »

За таких умов коливання струму сітки не викликає значних коливань напруги на виході ділителя. І, природно, навпаки - якщо зменшити струм через ділитель, то напруга на сітці "танцюватиме" відповідно до амплітуди сигналу. Звідси буде явище компресії сигналу та інших невеликих, але всеж "сюрпризів".
050-246-3341; Viber: 068-362-3497
Ответить

Вернуться в «Аудио усилители»