Темы в форуме

Двухтактный на лампах EL34 в триодном включении

sub
Почетный пользователь
Сообщения: 60
Стаж: 3 года 4 месяца
Репутация: 68
Откуда: Киев
Аудио система: Tube Amplifier SE 6V1P + 6P36S
JLH 1969
JLH 2003
FX-Audio - FX502S PRO
MB Quart 1000
Sony SS G3
ЦАП: SMSL DO100

Re: Двухтактный на лампах EL34 в триодном включении

Сообщение sub »

m-shara писал(а): 16 ноя 2024, 14:48 Цікаво, при таких дроселях як у Вас, (2,3Гн) який рівень пульсацій досягається на виході 400В? В мене залишився один дросель від китайського проєкту - 4Гн 200ма. То я думаю, якщо буде добрий результат може ще один такий докупити? Але використовувати з діодами.
Буде чудово
При 2,3 Гн пульсацій майже немає, вони на рівні мілівольтів в одиничному а не Десятинному значенні

При 4 Гн у вас має бути дуже гарна вихідна лінія напруги з мінімальними пульсаціями

Перевірено на практиці
Аватара пользователя
LinuxManiac
Добрейший модератор
Сообщения: 1270
Стаж: 6 лет 11 месяцев
Репутация: 834
Откуда: Киев
Контактная информация:

Re: Двухтактный на лампах EL34 в триодном включении

Сообщение LinuxManiac »

m-shara писал(а): 16 ноя 2024, 21:06 Я ось натрапив на серію матеріалів по ламповим УНЧ. Автор Евгений Бортник.
http://paseka24.ru/node/560
Вам відомий цей автор? Чи вартий уваги?
Про цього автора нічого сказати не можу. Проте, зважаючи на немалий об'єм викладеного ним матеріалу, припускаю що це варте уваги.
050-246-3341; Viber: 068-362-3497
sub
Почетный пользователь
Сообщения: 60
Стаж: 3 года 4 месяца
Репутация: 68
Откуда: Киев
Аудио система: Tube Amplifier SE 6V1P + 6P36S
JLH 1969
JLH 2003
FX-Audio - FX502S PRO
MB Quart 1000
Sony SS G3
ЦАП: SMSL DO100

Re: Двухтактный на лампах EL34 в триодном включении

Сообщение sub »

m-shara писал(а): 16 ноя 2024, 21:06 Я ось натрапив на серію матеріалів по ламповим УНЧ. "размышлениями из "Записной книжки" Юрия Игнатенко и комментариями, примечаниями и поправками Евгений Бортник"
Цікавий до уваги матеріал, розповсюдженого на просторах інтернету автора
є декілька варіантів таких записних книжок, і є оригінальні ресурси з яких робились ці записники
у нас багато майстрів повтроюють його схему, також є думки та зауваження щодо обраних режимів роботи фазоінвертора, тощо

моя остання робота була "за мотивами" його робіт також
я би рекомендував відноситись до цього матеріалу "брати до уваги"
є корисні поради та рішення, є значні спрощення

мені будо досить цікаво, насам перед через практичні поради та їх применимість на практиці
мало води та багато конкретики

але є і субєктивні думки з його сторони, і деякі рішення, які як завжди у кожного можуть бути свої

добре описаний процес налаштування, і трохи згодом можна знайти свою модель для налаштуваннь

наприклад я, пішов по стороні трохи вищих гармонік та не гнався за наднизькими спотвореннями, бо не завжди вони позитивно впливають на звук (на мою думку)
Аватара пользователя
m-shara
Почетный спонсор
Сообщения: 1195
Стаж: 3 года 2 месяца
Репутация: 209
Откуда: Латвия
Аудио система: JVC TD-V662, Kenwood KX-880HX,
PP 6Н8С+EL34 20W
Акустика: Sony SS-G1 MK2
SONY WH-1000XM4,AKG K514, ATH-AVC500,
Звуковая: Focusrite 2i4

Re: Двухтактный на лампах EL34 в триодном включении

Сообщение m-shara »

Я вже встиг пробігтися по матеріалу і бачу, що є багато корисних і практичних порад. Дякуючи нашому форумові я вже здатний відокремити мух від котлет, хоч не на всі 100%. Поки збираються деталі вирішив штудувати комплекс Шмелєва. То ж займусь виготовленням необхідних шнурків та подільників. Бо "метод пʼяного паука" вже надоїв.
sub писал(а): 17 ноя 2024, 16:14
наприклад я, пішов по стороні трохи вищих гармонік та не гнався за наднизькими спотвореннями, бо не завжди вони позитивно впливають на звук (на мою думку)
Для мене ламповий підсилювач, просто знахідка. Він дозволяє позбутися артефактів МП3 музики навіть в 128 кбіт. Причому звучання одинакове що з деки що з ламповим. Тобто при всьому тому "прикрашення" звуку не має місця.
Последний раз редактировалось m-shara 17 ноя 2024, 17:01, всего редактировалось 1 раз.
sub
Почетный пользователь
Сообщения: 60
Стаж: 3 года 4 месяца
Репутация: 68
Откуда: Киев
Аудио система: Tube Amplifier SE 6V1P + 6P36S
JLH 1969
JLH 2003
FX-Audio - FX502S PRO
MB Quart 1000
Sony SS G3
ЦАП: SMSL DO100

Re: Двухтактный на лампах EL34 в триодном включении

Сообщение sub »

m-shara писал(а): 17 ноя 2024, 16:48 Поки збираються деталі вирішив штудувати комплекс Шмелєва. То ж займусь виготовленням необхідних шнурків та подільників. Бо "метод пʼяного паука" вже надоїв.
Вітаю, це правильне рішення
Там, насправді, нічого важкого
Можете також спробувати RMAА або спектралаб

Коли бачите в живу як налаштування впливають на результат- це неймовірно відкриває і розширює можливості

В ютубі є канал, де людина в живу налаштовує підсилювач на Шмельові
Аватара пользователя
m-shara
Почетный спонсор
Сообщения: 1195
Стаж: 3 года 2 месяца
Репутация: 209
Откуда: Латвия
Аудио система: JVC TD-V662, Kenwood KX-880HX,
PP 6Н8С+EL34 20W
Акустика: Sony SS-G1 MK2
SONY WH-1000XM4,AKG K514, ATH-AVC500,
Звуковая: Focusrite 2i4

Re: Двухтактный на лампах EL34 в триодном включении

Сообщение m-shara »

sub писал(а): 17 ноя 2024, 16:55
В ютубі є канал, де людина в живу налаштовує підсилювач на Шмельові
Це канал "Неизвестная физика" Я там і набираюсь практики. А був час, коли я міг самостійно розрахувати хоч транзисторний підсилювач хоч ламповий. А в телевізорах знав призначення кожної деталі. Як все забувається без повторення.
Последний раз редактировалось m-shara 17 ноя 2024, 17:06, всего редактировалось 1 раз.
sub
Почетный пользователь
Сообщения: 60
Стаж: 3 года 4 месяца
Репутация: 68
Откуда: Киев
Аудио система: Tube Amplifier SE 6V1P + 6P36S
JLH 1969
JLH 2003
FX-Audio - FX502S PRO
MB Quart 1000
Sony SS G3
ЦАП: SMSL DO100

Re: Двухтактный на лампах EL34 в триодном включении

Сообщение sub »

m-shara писал(а): 17 ноя 2024, 17:02
Це канал "Неизвестная физика" Я там і набираюсь практики.
Так він

Подивіться ще канал Ширшова, простіше і в живу
Аватара пользователя
m-shara
Почетный спонсор
Сообщения: 1195
Стаж: 3 года 2 месяца
Репутация: 209
Откуда: Латвия
Аудио система: JVC TD-V662, Kenwood KX-880HX,
PP 6Н8С+EL34 20W
Акустика: Sony SS-G1 MK2
SONY WH-1000XM4,AKG K514, ATH-AVC500,
Звуковая: Focusrite 2i4

Re: Двухтактный на лампах EL34 в триодном включении

Сообщение m-shara »

sub писал(а): 16 ноя 2024, 21:13
m-shara писал(а): 16 ноя 2024, 14:48 Цікаво, при таких дроселях як у Вас, (2,3Гн) який рівень пульсацій досягається на виході 400В? В мене залишився один дросель від китайського проєкту - 4Гн 200ма. То я думаю, якщо буде добрий результат може ще один такий докупити? Але використовувати з діодами.
Буде чудово
При 2,3 Гн пульсацій майже немає, вони на рівні мілівольтів в одиничному а не Десятинному значенні

При 4 Гн у вас має бути дуже гарна вихідна лінія напруги з мінімальними пульсаціями

Перевірено на практиці
Як вважаєте, при використанні діодів Шотки є сенс паяти дві пари випрямлення так як з кенотронами? Чи не досить просто з катодів зробити розгалуження дроселями на дві лінії живлення?
Аватара пользователя
LinuxManiac
Добрейший модератор
Сообщения: 1270
Стаж: 6 лет 11 месяцев
Репутация: 834
Откуда: Киев
Контактная информация:

Re: Двухтактный на лампах EL34 в триодном включении

Сообщение LinuxManiac »

Другого варіанту достатьньо.
050-246-3341; Viber: 068-362-3497
Аватара пользователя
m-shara
Почетный спонсор
Сообщения: 1195
Стаж: 3 года 2 месяца
Репутация: 209
Откуда: Латвия
Аудио система: JVC TD-V662, Kenwood KX-880HX,
PP 6Н8С+EL34 20W
Акустика: Sony SS-G1 MK2
SONY WH-1000XM4,AKG K514, ATH-AVC500,
Звуковая: Focusrite 2i4

Re: Двухтактный на лампах EL34 в триодном включении

Сообщение m-shara »

На початку цієї теми ви писали:"Схему выбрал хорошо себя зарекомендовавшую в моих прежних конструкциях: фазоинвертор «длинный хвост» (long-tail pair) на октальных триодах с непосредственной связью - концепция Нобуказу Шишидо (Nobukazu Shishido). Ограничения по корпусу обусловили трудности использования пентода в «хвосте» - общей катодной цепи (обеспечивается равенство номиналов анодных резисторов ламп фазоинвертора), поэтому обошелся чисто вариантом от Шишидо – с резистором относительно большого номинала в катодной цепи."
Чи не залишилось якоїсь інформації по цих конструкціях? Схеми тощо... І що значить для лампових підсилювачів той Шишидо? Гуру від фізики чи аудіофілів?
Аватара пользователя
Adam
Постоянный житель
Сообщения: 371
Стаж: 3 года 7 месяцев
Репутация: 128
Откуда: Київ
Аудио система: Rega Planet 2000, ЦАП Shiit Modi 3, Lenco 75, Электроника-017, SE 300В, SE EL84(pent), Triangle Mizis 108

Re: Двухтактный на лампах EL34 в триодном включении

Сообщение Adam »

Аватара пользователя
LinuxManiac
Добрейший модератор
Сообщения: 1270
Стаж: 6 лет 11 месяцев
Репутация: 834
Откуда: Киев
Контактная информация:

Re: Двухтактный на лампах EL34 в триодном включении

Сообщение LinuxManiac »

m-shara писал(а): 19 ноя 2024, 21:04 Чи не залишилось якоїсь інформації по цих конструкціях? Схеми тощо...
Схема та сконструкція 2013 року. Проект "Стендаль".
6P3S_LinuxManiac_NFB.jpg
6P3S_Stendal.jpg
ВІдмінності:
1) вихідний каскад у "рідному" включенні тетродів
2) у першому каскаді досить рідкісна і чудова 6С8С (конструкція балону "заячі вуха")
3) негативнийй зворотній зв'язок
4) мостове кенотронне спрмлення
5) ламповий випрямляч зміщення.
Був виготовлений для сім'ї друзів. Зазнав серйозних пошкоджень навесні 2022 року під час ракетного удару ворога по Києву (уламок ракети влучив у дах будинку).
UNJL6483.MP4_snapshot_00.07_[2022.03.23_23.59.45].jpg
На фото - поневічений підсилювач у лівому задньому куту мансарди.
Поруч - акустична система із вирваним вибуховою хвилею назовні дифузором динамічної голівки.
050-246-3341; Viber: 068-362-3497
Аватара пользователя
LinuxManiac
Добрейший модератор
Сообщения: 1270
Стаж: 6 лет 11 месяцев
Репутация: 834
Откуда: Киев
Контактная информация:

Re: Двухтактный на лампах EL34 в триодном включении

Сообщение LinuxManiac »

Приклад застосування фазоінвертору "довгий хвіст" із пентодом замість резистора у "хвості". Анодні резистори однакового номіналу. При точності їхніх номіналів в 1% не потребує балансування.
Прект "Корбюзьє", 2017 рік.
Вложения
PL84_PP_LeCorbusier.jpg
DSCN7021.JPG
DSCN7017.JPG
050-246-3341; Viber: 068-362-3497
Аватара пользователя
m-shara
Почетный спонсор
Сообщения: 1195
Стаж: 3 года 2 месяца
Репутация: 209
Откуда: Латвия
Аудио система: JVC TD-V662, Kenwood KX-880HX,
PP 6Н8С+EL34 20W
Акустика: Sony SS-G1 MK2
SONY WH-1000XM4,AKG K514, ATH-AVC500,
Звуковая: Focusrite 2i4

Re: Двухтактный на лампах EL34 в триодном включении

Сообщение m-shara »

LinuxManiac писал(а): 20 ноя 2024, 00:29 Приклад застосування фазоінвертору "довгий хвіст" із пентодом замість резистора у "хвості". Анодні резистори однакового номіналу. При точності їхніх номіналів в 1% не потребує балансування.
Прект "Корбюзьє", 2017 рік.
Щиро дякую! Я так розумію, (можливо помиляюсь) що замість пентода 6Ж1П можна використати і тріод, наприклад ту ж 6Н8С. "Не потребує балансування" значить що лампи можна міняти без наступної настройки? Якщо так, то було б цікаво цю лампу включити в "хвіст" схеми з топіка.
Adam писал(а): 19 ноя 2024, 23:17 На EL34 https://datagor.ru/amplifiers/tubes/258 ... shido.html
тут на 6П3С з подробицями https://datagor.ru/amplifiers/tubes/302 ... ektor.html
та інші http://www.single-ended.com/Lagarto/shi ... -skema.htm
Дуже вдячний! Все корисне. Хоч пан Дмитро вже і пояснював як настроювати той "хвіст", така деталізація буде корисною.
Аватара пользователя
LinuxManiac
Добрейший модератор
Сообщения: 1270
Стаж: 6 лет 11 месяцев
Репутация: 834
Откуда: Киев
Контактная информация:

Re: Двухтактный на лампах EL34 в триодном включении

Сообщение LinuxManiac »

m-shara писал(а): 20 ноя 2024, 09:17 Я так розумію, (можливо помиляюсь) що замість пентода 6Ж1П можна використати і тріод, наприклад ту ж 6Н8С
У "хвості" необхідно використовувати лампу із великим внутрішнім опором (це з теорії розрахунку параметрів такого каскаду). Тож підходять лише тетроди або пентоди.
Вложения
Lynx_VTA25_6F1P.jpg
LYNX19_AMP.jpg
lynx19_29_1.GIF
050-246-3341; Viber: 068-362-3497
Аватара пользователя
LinuxManiac
Добрейший модератор
Сообщения: 1270
Стаж: 6 лет 11 месяцев
Репутация: 834
Откуда: Киев
Контактная информация:

Re: Двухтактный на лампах EL34 в триодном включении

Сообщение LinuxManiac »

Ще одна схема
Вложения
6N23P_PhI_2.gif
6N23P_PhI_2.gif (19.79 КБ) 4183 просмотра
050-246-3341; Viber: 068-362-3497
Аватара пользователя
m-shara
Почетный спонсор
Сообщения: 1195
Стаж: 3 года 2 месяца
Репутация: 209
Откуда: Латвия
Аудио система: JVC TD-V662, Kenwood KX-880HX,
PP 6Н8С+EL34 20W
Акустика: Sony SS-G1 MK2
SONY WH-1000XM4,AKG K514, ATH-AVC500,
Звуковая: Focusrite 2i4

Re: Двухтактный на лампах EL34 в триодном включении

Сообщение m-shara »

Зрозуміло. Я примітив був готовий корпус з "зайвим" одним отвором то думав туда поселити ще один подвійний тріод. Але якщо не підходять то буде так як Ви зробили. Хіба що знайдеться корпус з двома "зайвими" отворами. Але корпус має почекати поки не зберу всі необхідні деталі, щоб можна було вільно все розмістити.
А що то за лампа 6Ж1П для звука, що продається "по рублю за мішок"?
Аватара пользователя
LinuxManiac
Добрейший модератор
Сообщения: 1270
Стаж: 6 лет 11 месяцев
Репутация: 834
Откуда: Киев
Контактная информация:

Re: Двухтактный на лампах EL34 в триодном включении

Сообщение LinuxManiac »

m-shara писал(а): 20 ноя 2024, 10:47 А що то за лампа 6Ж1П для звука, що продається "по рублю за мішок"?
Це вкрай недооцінена лампа. І марно. На мою думку - вельми варта уваги.
Вложения
8740144.jpg
8740144.jpg (35.17 КБ) 4166 просмотров
6Zh1P_TANk.gif
6Zh1P_TANk.gif (8.71 КБ) 4167 просмотров
6J1P_triode_MAI_gain20.gif
6J1P_triode_MAI_gain20.gif (14.88 КБ) 4167 просмотров
050-246-3341; Viber: 068-362-3497
Аватара пользователя
LinuxManiac
Добрейший модератор
Сообщения: 1270
Стаж: 6 лет 11 месяцев
Репутация: 834
Откуда: Киев
Контактная информация:

Re: Двухтактный на лампах EL34 в триодном включении

Сообщение LinuxManiac »

Робив на них фазоінвертори
6J1P_LongTail.jpg
і фільтр із змішувачем сигналів для сабвуфера
Вложения
SubMixerFilter_1.jpg
SubMixerFilter.jpg
050-246-3341; Viber: 068-362-3497
Аватара пользователя
m-shara
Почетный спонсор
Сообщения: 1195
Стаж: 3 года 2 месяца
Репутация: 209
Откуда: Латвия
Аудио система: JVC TD-V662, Kenwood KX-880HX,
PP 6Н8С+EL34 20W
Акустика: Sony SS-G1 MK2
SONY WH-1000XM4,AKG K514, ATH-AVC500,
Звуковая: Focusrite 2i4

Re: Двухтактный на лампах EL34 в триодном включении

Сообщение m-shara »

А що скажете за 6Ф1П ? Теж дешева. Я запитую, бо це такі лампи що часто трапляються в схемах і мені цікаво на що вони зараз здатні.
Аватара пользователя
m-shara
Почетный спонсор
Сообщения: 1195
Стаж: 3 года 2 месяца
Репутация: 209
Откуда: Латвия
Аудио система: JVC TD-V662, Kenwood KX-880HX,
PP 6Н8С+EL34 20W
Акустика: Sony SS-G1 MK2
SONY WH-1000XM4,AKG K514, ATH-AVC500,
Звуковая: Focusrite 2i4

Re: Двухтактный на лампах EL34 в триодном включении

Сообщение m-shara »

Adam писал(а): 19 ноя 2024, 23:17 та інші http://www.single-ended.com/Lagarto/shi ... -skema.htm
Той Шишидо, бачу, фанат міжкаскадних трансформаторів. Та й взагалі, у японських гуру такий бардак буває в монтажу, з нарушенням всякого здорового глузду, а фанати все одно фанатіють і вивалюють кучу бабла за той хаос, прикрашений зовні гарними табличками.
Аватара пользователя
LinuxManiac
Добрейший модератор
Сообщения: 1270
Стаж: 6 лет 11 месяцев
Репутация: 834
Откуда: Киев
Контактная информация:

Re: Двухтактный на лампах EL34 в триодном включении

Сообщение LinuxManiac »

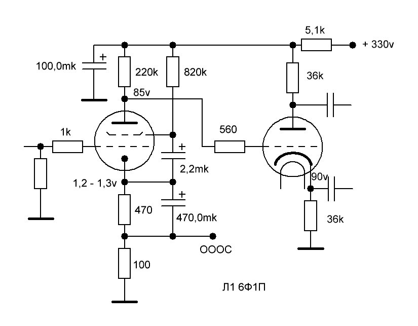
Теж гарна лампа. Схема з нею наведена вище - там де вихідні лампи 6П44С.
Доречна, зокрема, для використання у підсилювачах-коректорах грамзапису та фазоінверторних схемах із розділеним навантаженням.
Вложения
6f1p-1.jpg
6f1p-1.jpg (47.51 КБ) 4133 просмотра
6Ф1П.JPG
6L6_PPtriode1.gif
050-246-3341; Viber: 068-362-3497
Аватара пользователя
LinuxManiac
Добрейший модератор
Сообщения: 1270
Стаж: 6 лет 11 месяцев
Репутация: 834
Откуда: Киев
Контактная информация:

Re: Двухтактный на лампах EL34 в триодном включении

Сообщение LinuxManiac »

m-shara писал(а): 20 ноя 2024, 13:57 Той Шишидо, бачу, фанат міжкаскадних трансформаторів. Та й взагалі, у японських гуру такий бардак буває в монтажу, з нарушенням всякого здорового глузду, а фанати все одно фанатіють і вивалюють кучу бабла за той хаос, прикрашений зовні гарними табличками.
Так, глуздом у монтажі вони не перймалися. Однак для нас варті уваги їхні певні суто схемотехнічні рішення.
Що ж до міжкаскадних трансформаторів, то їхнє широке (чи повсюдне) застосування є світоглядним вибором/рішенням як деяких розробників, так і аматорів. Я пробував міжкаскадні трансформатори - не моє.
050-246-3341; Viber: 068-362-3497
Аватара пользователя
Adam
Постоянный житель
Сообщения: 371
Стаж: 3 года 7 месяцев
Репутация: 128
Откуда: Київ
Аудио система: Rega Planet 2000, ЦАП Shiit Modi 3, Lenco 75, Электроника-017, SE 300В, SE EL84(pent), Triangle Mizis 108

Re: Двухтактный на лампах EL34 в триодном включении

Сообщение Adam »

Я для свого підсилювача на 300В теж вибрав схему Шишідо, але на поширених в народі лампах. 2-х каскадний драйвер з безпосереднім зв'язком 6Н1П-6П18П та міжкаскадником. Першу лампу довго підбирав по тембральному балансу всього драйвера в цілому. На жаль, не вдалося знайти щось "народне" і в той же час прийнятне за підсиленням. 6Н1П навіть з незашунтовании катодом все ж має надлишкове підсилення для 6П18П в тріоді. Зараз вже розумію, що потрібно було трохи витратитись на інші лампи. Ну і залізо для міжкаскадника..., ОСМ-овське для такого підсилювача - не самий кращий вибір. Але шишідовські схеми для трьохсотки (як і інші) варті уваги - сенсей знав що робив... ;)
Аватара пользователя
LinuxManiac
Добрейший модератор
Сообщения: 1270
Стаж: 6 лет 11 месяцев
Репутация: 834
Откуда: Киев
Контактная информация:

Re: Двухтактный на лампах EL34 в триодном включении

Сообщение LinuxManiac »

Будь ласка, можна докладніше про конструкцію 6Н1П+6П18П+300В (схема, фото, дані трансформатора)?
А якнайкраще, щоб ви зробили про це окрему тему. Прошу вас.
050-246-3341; Viber: 068-362-3497
Аватара пользователя
Adam
Постоянный житель
Сообщения: 371
Стаж: 3 года 7 месяцев
Репутация: 128
Откуда: Київ
Аудио система: Rega Planet 2000, ЦАП Shiit Modi 3, Lenco 75, Электроника-017, SE 300В, SE EL84(pent), Triangle Mizis 108

Re: Двухтактный на лампах EL34 в триодном включении

Сообщение Adam »

кинув сюди viewtopic.php?p=37955#p37955
Аватара пользователя
m-shara
Почетный спонсор
Сообщения: 1195
Стаж: 3 года 2 месяца
Репутация: 209
Откуда: Латвия
Аудио система: JVC TD-V662, Kenwood KX-880HX,
PP 6Н8С+EL34 20W
Акустика: Sony SS-G1 MK2
SONY WH-1000XM4,AKG K514, ATH-AVC500,
Звуковая: Focusrite 2i4

Re: Двухтактный на лампах EL34 в триодном включении

Сообщение m-shara »

Що скажете про такий корпус? Те що він гарний то це так. Але може є які практичні поради. Правда, якщо я його візьму то прийдеться зайняти всі отвори, тобто пів-тріода на один канал, а з другої лампи так само на другий канал. Ну і ще лишається один квадратний отвір перед трансформатором. Але це вже не проблема, зайвого місця не буде. Я порахував що всі отвори під 8-ми штиркові октальні лампи, що є добре. І розміри під вихідні ТЗ і силовий теж підходять.
https://vi.aliexpress.com/item/10050073 ... pt=glo2vnm
Корпус.png
Аватара пользователя
m-shara
Почетный спонсор
Сообщения: 1195
Стаж: 3 года 2 месяца
Репутация: 209
Откуда: Латвия
Аудио система: JVC TD-V662, Kenwood KX-880HX,
PP 6Н8С+EL34 20W
Акустика: Sony SS-G1 MK2
SONY WH-1000XM4,AKG K514, ATH-AVC500,
Звуковая: Focusrite 2i4

Re: Двухтактный на лампах EL34 в триодном включении

Сообщение m-shara »

Китайці мовчать як партизани. Хотів получити розміри, щоб переконатися що не помиляюсь - тишина.
Я ось так дивився на цей корпус і прийшла думка: а як його монтувати? Трансформатори з корпусом заважать більше 13 кг. Як люди справляються із ще більш важкими конструкціями?
Аватара пользователя
Adam
Постоянный житель
Сообщения: 371
Стаж: 3 года 7 месяцев
Репутация: 128
Откуда: Київ
Аудио система: Rega Planet 2000, ЦАП Shiit Modi 3, Lenco 75, Электроника-017, SE 300В, SE EL84(pent), Triangle Mizis 108

Re: Двухтактный на лампах EL34 в триодном включении

Сообщение Adam »

Як... Качатись треба ;)
Я на свою тумбу-макет 300В прикручував меблеві коліщата з однієї сторони. Там вага була десь 50-60кг, піднімав за інший край ременями і тягнув як бурлаки на волзі. Взагалі треба, за можливості, уникати важких і об'ємних компонентів. На жаль, тільки з часом приходить усвідомлення цього...
Аватара пользователя
m-shara
Почетный спонсор
Сообщения: 1195
Стаж: 3 года 2 месяца
Репутация: 209
Откуда: Латвия
Аудио система: JVC TD-V662, Kenwood KX-880HX,
PP 6Н8С+EL34 20W
Акустика: Sony SS-G1 MK2
SONY WH-1000XM4,AKG K514, ATH-AVC500,
Звуковая: Focusrite 2i4

Re: Двухтактный на лампах EL34 в триодном включении

Сообщение m-shara »

Тільки що отримав від китайців всі розміри. Все підходить ідеально тому взяв цей корпус. Бо порахував що купляти одноразові інструменти для отворів, платити за алюміній, і т.д. і в результаті получити таку ж ціну за "колхоз" зовсім не раціонально.
А оскільки для моєї спини і 5 кг заважко то мені щойно прийшла добра ідея: буду підключати всі залізяки через перехідні планки. З одної сторони трансформатор, з другої схема. Все. Вирішив. От як зненацька приходять "озаренія". Тому під час монтажних робіт трансформатори будуть зняті і я спокійно покладу корпус вверх ногами.
Ответить

Вернуться в «Аудио усилители»