По обробці подібних речей. Для збільшення жорсткості тонких стінок треба звʼязати їх таким чином, щоб навантаження сприймалось водночас усіма елементами конструкції. Наприклад залити всю конструкцію свинцем, обробити як за потрібно, залишки виплавити. Без обдуву радіатор буде працювати, а чому б ні. Тільки потужність розсіювання в нього геть інша.
Темы в форуме
Новые сообщения
-
01-дек Усилитель для наушников на TPA6120 с Алиэкспресс
-
01-дек Усилитель D класса на базе плат 2_062 S_AUDIO от Alex
-
28-ноя Усилитель звука D класса Clone purifi Hb 3.064 ULTRA
-
26-ноя Усилитель на модулях PTERO TAS5342
-
19-ноя Двухтактный на лампах EL34 в триодном включении
-
19-ноя МА12070. Прекрасная фрау, с которой мало кто дружит
-
18-ноя Клон nСore от Юрия Игнатьева 400 Вт (2_051_LITE)
-
15-ноя Усилитель Беслика А.И на Германиевых транзисторах v3.01
-
10-ноя Усилитель JLH 1969
-
09-ноя Немного самодельных усилителей
-
08-ноя Все про лампу гу 15
-
06-ноя Апгрейд усилителя для наушников Douk Audio U3
-
06-ноя Интересный усилитель AIYIMA A80 TPA3255 PFFB
-
02-ноя Усилитель Ampapa D1 HPF 300Wx2
-
16-окт Усилитель на плате PTERO REV 1_03 TAS5342A cборка от Alex
Новые темы
-
23-ноя Усилитель для наушников на TPA6120 с Алиэкспресс
-
04-ноя Все про лампу гу 15
-
02-ноя Немного самодельных усилителей
-
30-окт Апгрейд усилителя для наушников Douk Audio U3
-
29-окт Усилитель Ampapa D1 HPF 300Wx2
-
12-окт Усилитель Беслика А.И на Германиевых транзисторах v3.01
-
21-сен Snail II
-
15-сен Регулятор тембра
-
12-сен Усилитель, работающий от пульта ТВ.
-
08-сен Класс Д с классическим БП
-
07-сен Як звучить підсилювач на мс. STK407-090B?
-
31-авг Нужен стерео усилитель под заказ (хай енд)
-
29-авг Винтаж в помойку?
-
28-авг Помощь в подборе усилителя.
-
18-авг Усилитель D класса на базе плат 2_062 S_AUDIO от Alex
Наш youtube
Наш инстаграм
☝ Сказать спасибо!
Правила форума
Переделка китайского лампового усилителя на 6J8P и FU50
-
gelert
- Гуру электроники☆☆☆☆
- Сообщения: 321
- Стаж: 3 года 3 месяца
- Репутация: 110
- Откуда: Горлівка Донецької обл
- Аудио система: homemade
Re: Переделка китайского лампового усилителя на 6J8P и FU50
0,25А, хоча в аварійному режимі 50-та і пів ампери зʼїсть, спале запобіжник і на 0,5А і нічого із нею не станеться
.
По обробці подібних речей. Для збільшення жорсткості тонких стінок треба звʼязати їх таким чином, щоб навантаження сприймалось водночас усіма елементами конструкції. Наприклад залити всю конструкцію свинцем, обробити як за потрібно, залишки виплавити. Без обдуву радіатор буде працювати, а чому б ні. Тільки потужність розсіювання в нього геть інша.
По обробці подібних речей. Для збільшення жорсткості тонких стінок треба звʼязати їх таким чином, щоб навантаження сприймалось водночас усіма елементами конструкції. Наприклад залити всю конструкцію свинцем, обробити як за потрібно, залишки виплавити. Без обдуву радіатор буде працювати, а чому б ні. Тільки потужність розсіювання в нього геть інша.
- m-shara
- Почетный спонсор
- Сообщения: 1166
- Стаж: 2 года 11 месяцев
- Репутация: 203
- Откуда: Латвия
- Аудио система: JVC TD-V662, Kenwood KX-880HX,
PP 6Н8С+EL34 20W
Акустика: Sony SS-G1 MK2
SONY WH-1000XM4,AKG K514, ATH-AVC500,
Звуковая: Focusrite 2i4
Re: Переделка китайского лампового усилителя на 6J8P и FU50
Я вже як водиться знайшов добрі і гарні радіатори на аліекспрес. Так що це питання відпадає. Буде і дешевше і гарніше. Я як порахував потужність, що розсіюється на тому транзисторі, так там 5 Вт! Там немає що розсіювати. Можливо навіть прокладу всередині мідну пластину, розміром 6х29 см, бо все рівно потрібно щось прокласти, аби не робити отворів в верхній частині шасі. А кенотрон стоятиме холодний, для краси. Знайшлись запобіжники на 0,25А. Так що не буду городити поки схему захисту. Хай буде "аналоговіше".gelert писал(а): 12 окт 2024, 09:33 0,25А, хоча в аварійному режимі 50-та і пів ампери зʼїсть, спале запобіжник і на 0,5А і нічого із нею не станеться.
По обробці подібних речей. Для збільшення жорсткості тонких стінок треба звʼязати їх таким чином, щоб навантаження сприймалось водночас усіма елементами конструкції. Наприклад залити всю конструкцію свинцем, обробити як за потрібно, залишки виплавити. Без обдуву радіатор буде працювати, а чому б ні. Тільки потужність розсіювання в нього геть інша.
-
gelert
- Гуру электроники☆☆☆☆
- Сообщения: 321
- Стаж: 3 года 3 месяца
- Репутация: 110
- Откуда: Горлівка Донецької обл
- Аудио система: homemade
Re: Переделка китайского лампового усилителя на 6J8P и FU50
Не нехтуйте пʼятьма ватами. Хоч там як, а квадратів із сто зайвими не будуть.
- m-shara
- Почетный спонсор
- Сообщения: 1166
- Стаж: 2 года 11 месяцев
- Репутация: 203
- Откуда: Латвия
- Аудио система: JVC TD-V662, Kenwood KX-880HX,
PP 6Н8С+EL34 20W
Акустика: Sony SS-G1 MK2
SONY WH-1000XM4,AKG K514, ATH-AVC500,
Звуковая: Focusrite 2i4
Re: Переделка китайского лампового усилителя на 6J8P и FU50
Я вложив мідну пластину розміром 7х33 см (231 см.кв.з однієї сторони) і товщиною 1 мм в верхню частину шасі, щоб закріпити декілька деталей.gelert писал(а): 12 окт 2024, 19:49 Не нехтуйте пʼятьма ватами. Хоч там як, а квадратів із сто зайвими не будуть.
От вона і послужить також як радіатор. А якщо вже ті "5 ватів" виявляться дуже гарячими, то залишається варіант на місце кенотрону поставити ось таку штуку.
- m-shara
- Почетный спонсор
- Сообщения: 1166
- Стаж: 2 года 11 месяцев
- Репутация: 203
- Откуда: Латвия
- Аудио система: JVC TD-V662, Kenwood KX-880HX,
PP 6Н8С+EL34 20W
Акустика: Sony SS-G1 MK2
SONY WH-1000XM4,AKG K514, ATH-AVC500,
Звуковая: Focusrite 2i4
Re: Переделка китайского лампового усилителя на 6J8P и FU50
Електронний дросель , я надіюсь, не випромінює ніяких частот? Вхідні кола розташовані в 3-4 см від нього. (від конденсатора). Чи потрібно відгородити екраном?
А ось так я розташував майже все. Залишилося припаяти конденсатори і міст з конденсатором на -100 В.
- m-shara
- Почетный спонсор
- Сообщения: 1166
- Стаж: 2 года 11 месяцев
- Репутация: 203
- Откуда: Латвия
- Аудио система: JVC TD-V662, Kenwood KX-880HX,
PP 6Н8С+EL34 20W
Акустика: Sony SS-G1 MK2
SONY WH-1000XM4,AKG K514, ATH-AVC500,
Звуковая: Focusrite 2i4
Re: Переделка китайского лампового усилителя на 6J8P и FU50
Возникли вопросы, если кто то найдет время, посоветуйте как понимать.LinuxManiac писал(а): 02 окт 2024, 22:25 Напряжение источника фиксированного смещения необходимо 70 вольт (можно больше). ...
1. При 70-ти вольтах смещения на сетке ГУ-50 ток анода был около 30 ма. При 56 В - 70 ма. Если я зайду в зону 80-100 ма то смещение сетки вообще упадет до 30 В а то и меньше. А это значит что размах входного напряжения уменьшится в 1,5 раза, относительно кит. варианта.
2. 6Ж8 на катодном сопротивлении 150 Ом имеет напряжение 1,56 В. Ток 4,5 ма, ток сетки 7,* ма. Как я понял из предыдущих советов, мне надо уменьшать сопротивление в катоде. Напряжение на этом резисторе при этом должно уменьшаться, оставаться неизменным или увеличиваться? И что при этом мерить? Ток в катодном резисторе или напряжение на нем? И как тогда получить нужные по схеме 2 В и при этом увеличенный анодный ток?
Из предыдущего опыта: менял сопротивление в больших пределах, а напряжение оставалось как вкопанное.
- m-shara
- Почетный спонсор
- Сообщения: 1166
- Стаж: 2 года 11 месяцев
- Репутация: 203
- Откуда: Латвия
- Аудио система: JVC TD-V662, Kenwood KX-880HX,
PP 6Н8С+EL34 20W
Акустика: Sony SS-G1 MK2
SONY WH-1000XM4,AKG K514, ATH-AVC500,
Звуковая: Focusrite 2i4
Re: Переделка китайского лампового усилителя на 6J8P и FU50
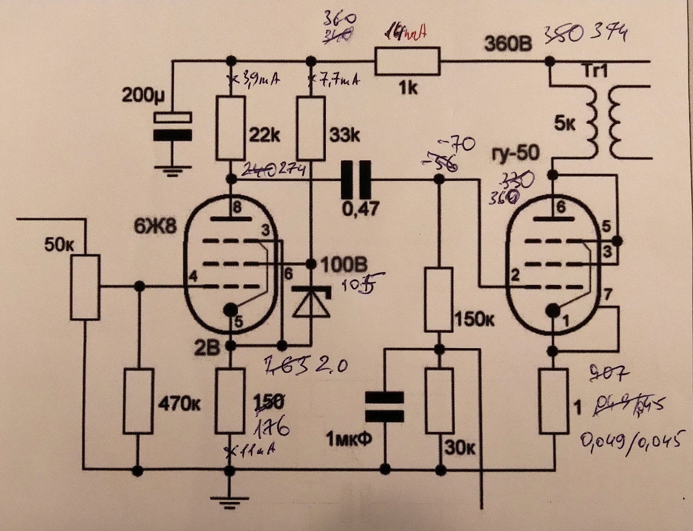
Гляньте, будь ласка, на ось такі режими, особливо на драйвер. Щоб досягнути 2,0 В прийшлося збільшити орір катодного резистора. Анодний струм зменшився до 3,9 мА. Я зрозумів що 2 В важливіші. Чи так? Може потрібно зменшити опір анодного резистора щоб підняти величину струму? Вихідний каскад поки що просто так як є.
- LinuxManiac
- Добрейший модератор
- Сообщения: 1214
- Стаж: 6 лет 8 месяцев
- Репутация: 780
- Откуда: Киев
- Контактная информация:
Re: Переделка китайского лампового усилителя на 6J8P и FU50
Не пам'ятаю, чи у вас "класична" 6Ж8, чи нова розробка? Є враження про замалу емісію. Спробуйте, будь ласка, замінити на інший екземпляр лампи та перевірити ті ж напруги.
Номінал анодного резистора бажано навпаки збільшити до 33 кОм. Струм спокою лишиться майже той самий, а коефіцієнт підсилення зросте.
Номінал анодного резистора бажано навпаки збільшити до 33 кОм. Струм спокою лишиться майже той самий, а коефіцієнт підсилення зросте.
050-246-3341; Viber: 068-362-3497
- m-shara
- Почетный спонсор
- Сообщения: 1166
- Стаж: 2 года 11 месяцев
- Репутация: 203
- Откуда: Латвия
- Аудио система: JVC TD-V662, Kenwood KX-880HX,
PP 6Н8С+EL34 20W
Акустика: Sony SS-G1 MK2
SONY WH-1000XM4,AKG K514, ATH-AVC500,
Звуковая: Focusrite 2i4
Re: Переделка китайского лампового усилителя на 6J8P и FU50
Щиро дякую!LinuxManiac писал(а): 19 окт 2024, 08:50 Не пам'ятаю, чи у вас "класична" 6Ж8, чи нова розробка? Є враження про замалу емісію. Спробуйте, будь ласка, замінити на інший екземпляр лампи та перевірити ті ж напруги.
Номінал анодного резистора бажано навпаки збільшити до 33 кОм. Струм спокою лишиться майже той самий, а коефіцієнт підсилення зросте.
Я вже так зробив і трохи змінив схему бо підсилення було зовсім невелике. Поставив в паралель до катодного опору 481 Ом електроліт на 470 мкФ, переніс анод стабілітрона на корпус і зʼєднав ніжки 5 і 6 лампи плівковим конденсатором 3,3 мкФ. Тепер вже потужності хватає з лишком. Залишається ще підігнати режими ГУ-50. Але то вже потім. Як все буде гаразд.
Получилося 2 В на катоді і 220 В на аноді.
Ось так тепер виглядає пацієнт після всіх модернізацій. І так і є з китайськими лампами, вони мають нижчу емісійну здібність ніж ті ж 6Ж8 85-го року. Коли міняв то анодна напруга з 230 впала до 170 В. Але налагоджував з китайськими, так як скляні гарніше виглядять.
- m-shara
- Почетный спонсор
- Сообщения: 1166
- Стаж: 2 года 11 месяцев
- Репутация: 203
- Откуда: Латвия
- Аудио система: JVC TD-V662, Kenwood KX-880HX,
PP 6Н8С+EL34 20W
Акустика: Sony SS-G1 MK2
SONY WH-1000XM4,AKG K514, ATH-AVC500,
Звуковая: Focusrite 2i4
Re: Переделка китайского лампового усилителя на 6J8P и FU50
! конденсатор 3,3 мкФ включений між 5-ю і 6-ю ніжками.
Гляньте будь ласка на ось цю схему, що получилася після суботніх настройок. Червоним зазначено конденсатор, що я залишив, після того, як стабілітрона анодом посадив на землю. Коло, обведене червоним не існує. Можливо зняти конденсатор 3,3 мкФ і включити це коло?
Потужності при цьому малувато. Добре як є 1-1,5 Вт. Реально її хватило б , але якщо касета буде записана з низьким рівнем, то не витягну.
Я вже помоєму зрозумів, що для збільшення коеф. підсилення потрібно збільшувати опір анодного резистора, або зсуватися до тієї китайської схеми, що була спочатку. Можливо є яка лампа, що підійде на місце 6Ж8 за цоколем, щоб дати більше підсилення і не втратити якості? Які є пропозиції?
Гляньте будь ласка на ось цю схему, що получилася після суботніх настройок. Червоним зазначено конденсатор, що я залишив, після того, як стабілітрона анодом посадив на землю. Коло, обведене червоним не існує. Можливо зняти конденсатор 3,3 мкФ і включити це коло?
Потужності при цьому малувато. Добре як є 1-1,5 Вт. Реально її хватило б , але якщо касета буде записана з низьким рівнем, то не витягну.
Я вже помоєму зрозумів, що для збільшення коеф. підсилення потрібно збільшувати опір анодного резистора, або зсуватися до тієї китайської схеми, що була спочатку. Можливо є яка лампа, що підійде на місце 6Ж8 за цоколем, щоб дати більше підсилення і не втратити якості? Які є пропозиції?
- LinuxManiac
- Добрейший модератор
- Сообщения: 1214
- Стаж: 6 лет 8 месяцев
- Репутация: 780
- Откуда: Киев
- Контактная информация:
Re: Переделка китайского лампового усилителя на 6J8P и FU50
Номінал анодного резистора можна збільшити до 39-43 кОм.
050-246-3341; Viber: 068-362-3497
- m-shara
- Почетный спонсор
- Сообщения: 1166
- Стаж: 2 года 11 месяцев
- Репутация: 203
- Откуда: Латвия
- Аудио система: JVC TD-V662, Kenwood KX-880HX,
PP 6Н8С+EL34 20W
Акустика: Sony SS-G1 MK2
SONY WH-1000XM4,AKG K514, ATH-AVC500,
Звуковая: Focusrite 2i4
Re: Переделка китайского лампового усилителя на 6J8P и FU50
З понеділка буду продовжувати як все буде ок.Конденсатор 3,3 мкФ може бути так включений?
- LinuxManiac
- Добрейший модератор
- Сообщения: 1214
- Стаж: 6 лет 8 месяцев
- Репутация: 780
- Откуда: Киев
- Контактная информация:
Re: Переделка китайского лампового усилителя на 6J8P и FU50
Так. Загалом - він там зайвий.
050-246-3341; Viber: 068-362-3497
- m-shara
- Почетный спонсор
- Сообщения: 1166
- Стаж: 2 года 11 месяцев
- Репутация: 203
- Откуда: Латвия
- Аудио система: JVC TD-V662, Kenwood KX-880HX,
PP 6Н8С+EL34 20W
Акустика: Sony SS-G1 MK2
SONY WH-1000XM4,AKG K514, ATH-AVC500,
Звуковая: Focusrite 2i4
Re: Переделка китайского лампового усилителя на 6J8P и FU50
Я ним шунтував стабілітрон. Стабілітрон переключив а конденсатор залишився. Стабілітрон я зашунтую конденсатором як ви радили це зробити для резистивного подільника напруги бо трішки шумить.
- m-shara
- Почетный спонсор
- Сообщения: 1166
- Стаж: 2 года 11 месяцев
- Репутация: 203
- Откуда: Латвия
- Аудио система: JVC TD-V662, Kenwood KX-880HX,
PP 6Н8С+EL34 20W
Акустика: Sony SS-G1 MK2
SONY WH-1000XM4,AKG K514, ATH-AVC500,
Звуковая: Focusrite 2i4
Re: Переделка китайского лампового усилителя на 6J8P и FU50
Навчився рисувати нагрузочні прямі, поміняв китайські лампи на 6Ж3, що ви колись пропонували, поставив анодні резистори по 43 ком і виставив режим 1,5в/180в/344в. 50в-180в-310в симетрично по 130в в обидві сторони від 180в.
Струм анода - 3,7 ма
струм сітки - 1,3 ма
струм катода - 5 ма
струм через стабілітрон - 7,2 ма.
ГУ-50 поки що працюють при струмові в 50 ма, але вже прийшов час налагодити і їхній режим.
Вперше підсилювач зазвучав на навушники так якісно, як ніколи. (без катодних конденсаторів). Я думав що така схема включення навушників не діюча. (на виходи 8 ом по нагрузочному опору 10 ом і паралельно їм навушники). А тепер думаю цю ж схему зробити як приставку до підсилювача, щоб розширити функціонал. І ще, в звязку з цим, підглянув на ваших схемах добру ідею - включати катодні резистори тумблером.
- m-shara
- Почетный спонсор
- Сообщения: 1166
- Стаж: 2 года 11 месяцев
- Репутация: 203
- Откуда: Латвия
- Аудио система: JVC TD-V662, Kenwood KX-880HX,
PP 6Н8С+EL34 20W
Акустика: Sony SS-G1 MK2
SONY WH-1000XM4,AKG K514, ATH-AVC500,
Звуковая: Focusrite 2i4
Re: Переделка китайского лампового усилителя на 6J8P и FU50
Ну, нарешті я прийшов до якогось результату.
Струм анода ГУ-50 виставив 70 мА
АЧХ 20-25000 Гц +/-2 дБ (міряв приладами)
Потужність 3,8 Вт у всьому діапазоні
Дякую всім хто допомагав у цьому проєкті!
Струм анода ГУ-50 виставив 70 мА
АЧХ 20-25000 Гц +/-2 дБ (міряв приладами)
Потужність 3,8 Вт у всьому діапазоні
Дякую всім хто допомагав у цьому проєкті!
- m-shara
- Почетный спонсор
- Сообщения: 1166
- Стаж: 2 года 11 месяцев
- Репутация: 203
- Откуда: Латвия
- Аудио система: JVC TD-V662, Kenwood KX-880HX,
PP 6Н8С+EL34 20W
Акустика: Sony SS-G1 MK2
SONY WH-1000XM4,AKG K514, ATH-AVC500,
Звуковая: Focusrite 2i4
Re: Переделка китайского лампового усилителя на 6J8P и FU50
Ось такий "вигляд" має кінцевий (майже) монтаж. Вже курці немає де клюнуть. Зате вже підключив назад індикатори. Добре що згадав про те, що на обмотки розжарення подано 50 В!
Прийшлося робити гальванічну розвʼязку через конденсатори. Зате працює.
- m-shara
- Почетный спонсор
- Сообщения: 1166
- Стаж: 2 года 11 месяцев
- Репутация: 203
- Откуда: Латвия
- Аудио система: JVC TD-V662, Kenwood KX-880HX,
PP 6Н8С+EL34 20W
Акустика: Sony SS-G1 MK2
SONY WH-1000XM4,AKG K514, ATH-AVC500,
Звуковая: Focusrite 2i4
Re: Переделка китайского лампового усилителя на 6J8P и FU50
За китайця звучить краще. І здається мені що 6Ж3 до цього причетні.
- навушники звучали "гадкувато", зараз просто супер;
- підключений плеєр SONY DD-33 - заслухаєшся. З китайцем теж не було так.
- дека звучала і з китайцем, і зараз звучить дуже добре.
Помітив що слабувате охолодження. Мідна пластина всередині розігрівається за декілька годин роботи так, що руку довго не втримаєш. А від неї і силовий, який і сам вміє грітися. Десь на підході вже радіатори з Алі. Прийдеться ставити на місце кенотрона (все рівно тільки для краси).
Кому цікаво, подивився осцилографом на чистоту випрямленої напруги,- менше 1 мв. Подільник не забув поставити в 1:1.
- навушники звучали "гадкувато", зараз просто супер;
- підключений плеєр SONY DD-33 - заслухаєшся. З китайцем теж не було так.
- дека звучала і з китайцем, і зараз звучить дуже добре.
Помітив що слабувате охолодження. Мідна пластина всередині розігрівається за декілька годин роботи так, що руку довго не втримаєш. А від неї і силовий, який і сам вміє грітися. Десь на підході вже радіатори з Алі. Прийдеться ставити на місце кенотрона (все рівно тільки для краси).
Кому цікаво, подивився осцилографом на чистоту випрямленої напруги,- менше 1 мв. Подільник не забув поставити в 1:1.
- m-shara
- Почетный спонсор
- Сообщения: 1166
- Стаж: 2 года 11 месяцев
- Репутация: 203
- Откуда: Латвия
- Аудио система: JVC TD-V662, Kenwood KX-880HX,
PP 6Н8С+EL34 20W
Акустика: Sony SS-G1 MK2
SONY WH-1000XM4,AKG K514, ATH-AVC500,
Звуковая: Focusrite 2i4
Re: Переделка китайского лампового усилителя на 6J8P и FU50
Кінцева схема блока живлення та підсилювача:
- m-shara
- Почетный спонсор
- Сообщения: 1166
- Стаж: 2 года 11 месяцев
- Репутация: 203
- Откуда: Латвия
- Аудио система: JVC TD-V662, Kenwood KX-880HX,
PP 6Н8С+EL34 20W
Акустика: Sony SS-G1 MK2
SONY WH-1000XM4,AKG K514, ATH-AVC500,
Звуковая: Focusrite 2i4
Re: Переделка китайского лампового усилителя на 6J8P и FU50
Щось я не вʼїхав як працює схема автоматичного зміщення. Під час вимірів бачу що напруга живлення збільшилася вольт на 20. Підскочила напруга на аноді з 180 до 190В. На катоді теж змінюється від 1,45 до 1,5 В. А де те автоматичне регулювання зміщення? Що воно регулює?
- LinuxManiac
- Добрейший модератор
- Сообщения: 1214
- Стаж: 6 лет 8 месяцев
- Репутация: 780
- Откуда: Киев
- Контактная информация:
Re: Переделка китайского лампового усилителя на 6J8P и FU50
Ну, так ви все вірно зміряли та показали: збільшилася напруга живлення, що викликало збільшення напруги на аноді і катоді. А збільшення напруги на катоді і є збільшенням зміщення (різниці між потенціалом на катоді і нульовим потенціалом на керуючій сітці). В цьому сенс.
050-246-3341; Viber: 068-362-3497
- m-shara
- Почетный спонсор
- Сообщения: 1166
- Стаж: 2 года 11 месяцев
- Репутация: 203
- Откуда: Латвия
- Аудио система: JVC TD-V662, Kenwood KX-880HX,
PP 6Н8С+EL34 20W
Акустика: Sony SS-G1 MK2
SONY WH-1000XM4,AKG K514, ATH-AVC500,
Звуковая: Focusrite 2i4
Re: Переделка китайского лампового усилителя на 6J8P и FU50
Мені здається, що коли напруга підвищилась на аноді, то на катоді навпаки, зменшилась. Я зараз перепровірю. Режим як бачу трохи поплив: при 180 В на аноді, тільки 1,45 на катоді (було 1,5). Але певно треба дати прогрітися, бо пройшло декілька хвилин від моменту включення.LinuxManiac писал(а): 24 окт 2024, 21:58 Ну, так ви все вірно зміряли та показали: збільшилася напруга живлення, що викликало збільшення напруги на аноді і катоді. А збільшення напруги на катоді і є збільшенням зміщення (різниці між потенціалом на катоді і нульовим потенціалом на керуючій сітці). В цьому сенс.
Зверніть, будь ласка, увагу як підключений стабілітрон до сітки. Можливо ця стабілізація не доречна?
Последний раз редактировалось m-shara 25 окт 2024, 20:45, всего редактировалось 1 раз.
- LinuxManiac
- Добрейший модератор
- Сообщения: 1214
- Стаж: 6 лет 8 месяцев
- Репутация: 780
- Откуда: Киев
- Контактная информация:
Re: Переделка китайского лампового усилителя на 6J8P и FU50
Такі вимірювання слід проводити кількома приладами водночас, відслідковуючи зміни показань. Якщо ні, то коливання напруги у мережі електропостачання спотворюють результати послідовних вимірювань одним приладом.
050-246-3341; Viber: 068-362-3497
- m-shara
- Почетный спонсор
- Сообщения: 1166
- Стаж: 2 года 11 месяцев
- Репутация: 203
- Откуда: Латвия
- Аудио система: JVC TD-V662, Kenwood KX-880HX,
PP 6Н8С+EL34 20W
Акустика: Sony SS-G1 MK2
SONY WH-1000XM4,AKG K514, ATH-AVC500,
Звуковая: Focusrite 2i4
Re: Переделка китайского лампового усилителя на 6J8P и FU50
Я тільки що підключив два прилади, напруга на аноді в процесі нагрівання лампи зменшувалася, і досягла 180 В. При цьому на катоді повільно піднімалася з 1,4 до 1,45.LinuxManiac писал(а): 25 окт 2024, 20:44 Такі вимірювання слід проводити кількома приладами водночас, відслідковуючи зміни показань. Якщо ні, то коливання напруги у мережі електропостачання спотворюють результати послідовних вимірювань одним приладом.
Мені прийдеться виставити режими так як ви радите. Бо я виставляв по одному приладу, а напруга тоді точно була не стабільна.
- m-shara
- Почетный спонсор
- Сообщения: 1166
- Стаж: 2 года 11 месяцев
- Репутация: 203
- Откуда: Латвия
- Аудио система: JVC TD-V662, Kenwood KX-880HX,
PP 6Н8С+EL34 20W
Акустика: Sony SS-G1 MK2
SONY WH-1000XM4,AKG K514, ATH-AVC500,
Звуковая: Focusrite 2i4
Re: Переделка китайского лампового усилителя на 6J8P и FU50
Скажіть будь ласка, чи можна в катоді 6Ж3 залишити змінний багатообертовий резистор марки 3296W?
- LinuxManiac
- Добрейший модератор
- Сообщения: 1214
- Стаж: 6 лет 8 месяцев
- Репутация: 780
- Откуда: Киев
- Контактная информация:
- m-shara
- Почетный спонсор
- Сообщения: 1166
- Стаж: 2 года 11 месяцев
- Репутация: 203
- Откуда: Латвия
- Аудио система: JVC TD-V662, Kenwood KX-880HX,
PP 6Н8С+EL34 20W
Акустика: Sony SS-G1 MK2
SONY WH-1000XM4,AKG K514, ATH-AVC500,
Звуковая: Focusrite 2i4
Re: Переделка китайского лампового усилителя на 6J8P и FU50
Дякую Вам особисто за схему і за постійну підтримку! Я вже досить послухав перероблений варіант і можу сказати відверто, воно того коштувало!
- LinuxManiac
- Добрейший модератор
- Сообщения: 1214
- Стаж: 6 лет 8 месяцев
- Репутация: 780
- Откуда: Киев
- Контактная информация:
Re: Переделка китайского лампового усилителя на 6J8P и FU50
Добрий вечір!
Я дуже радий вашому успіху.
Так тримати!
Я дуже радий вашому успіху.
Так тримати!
050-246-3341; Viber: 068-362-3497
- m-shara
- Почетный спонсор
- Сообщения: 1166
- Стаж: 2 года 11 месяцев
- Репутация: 203
- Откуда: Латвия
- Аудио система: JVC TD-V662, Kenwood KX-880HX,
PP 6Н8С+EL34 20W
Акустика: Sony SS-G1 MK2
SONY WH-1000XM4,AKG K514, ATH-AVC500,
Звуковая: Focusrite 2i4
Re: Переделка китайского лампового усилителя на 6J8P и FU50
Добрий вечір!
Дякую!
- m-shara
- Почетный спонсор
- Сообщения: 1166
- Стаж: 2 года 11 месяцев
- Репутация: 203
- Откуда: Латвия
- Аудио система: JVC TD-V662, Kenwood KX-880HX,
PP 6Н8С+EL34 20W
Акустика: Sony SS-G1 MK2
SONY WH-1000XM4,AKG K514, ATH-AVC500,
Звуковая: Focusrite 2i4
Re: Переделка китайского лампового усилителя на 6J8P и FU50
Я хочу цю схему зміщення використати в своєму проекті по Вашій схемі. Підстроєчний резистор у мене на 50К. Чи слідує притримуватись зазначеної величини в 330К обхідного резистора? В мене виникло питання важливіше: чи так необхідний конденсатор в 1 мкФ в даній схемі?LinuxManiac писал(а): 07 окт 2024, 09:25 Схильність до переходу у саморозігрів дійсно притаманна деяким потужним лампам. Для ГУ-50 це не характерно зовсім.
Пропоную розглянути варіант схеми організації зміщення із компенсацією ризику ненадійного контакта у підстроєчному резисторі.
При зникнені контакту напруга зміщення на сітці не зникає, а навпаки "пістрибує" до повної напруги джерела зміщення. А лампа замість переходу у прямий струм із перенавантаженням переходить у режим меншого струму спокою або ж просто зачиняєтсья для струму.