Темы в форуме
Новые сообщения
-
18-дек Триодный однотактный 6П36С + 6В1П
-
18-дек Ваш самый дорогой усилителль мощности
-
17-дек Усилитель Беслика А.И на Германиевых транзисторах v3.01
-
16-дек Усилитель JLH 1969
-
15-дек Не делайте эти ошибки при покупке Б/У(винтажного) усилителя звука
-
12-дек Усилитель звука D класса Clone purifi Hb 3.064 ULTRA
-
11-дек Усилитель на модулях PTERO TAS5342
-
11-дек Черырехканальный усилитель D класса Douk Audio G7
-
10-дек SMSL PA-X
-
09-дек Усилитель А класса JLH2003 c импульсным блоком питания
-
01-дек Усилитель для наушников на TPA6120 с Алиэкспресс
-
01-дек Усилитель D класса на базе плат 2_062 S_AUDIO от Alex
-
19-ноя Двухтактный на лампах EL34 в триодном включении
-
19-ноя МА12070. Прекрасная фрау, с которой мало кто дружит
-
18-ноя Клон nСore от Юрия Игнатьева 400 Вт (2_051_LITE)
Новые темы
-
17-дек Ваш самый дорогой усилителль мощности
-
05-дек SMSL PA-X
-
02-дек Черырехканальный усилитель D класса Douk Audio G7
-
23-ноя Усилитель для наушников на TPA6120 с Алиэкспресс
-
04-ноя Все про лампу гу 15
-
02-ноя Немного самодельных усилителей
-
30-окт Апгрейд усилителя для наушников Douk Audio U3
-
29-окт Усилитель Ampapa D1 HPF 300Wx2
-
12-окт Усилитель Беслика А.И на Германиевых транзисторах v3.01
-
21-сен Snail II
-
15-сен Регулятор тембра
-
12-сен Усилитель, работающий от пульта ТВ.
-
08-сен Класс Д с классическим БП
-
07-сен Як звучить підсилювач на мс. STK407-090B?
-
31-авг Нужен стерео усилитель под заказ (хай енд)
Youtube
TikTok
Инстаграм
☝ Спонсировать
Правила форума
Последние видео с канала
Загрузка видео...
Усилитель класса D: FX-Audio - FX502S PRO
-
Barkasov
- Почетный пользователь
- Сообщения: 131
- Стаж: 4 года 2 месяца
- Репутация: 43
- Откуда: Киев
- Аудио система: Nakamichi AV8/HarmanKardon HK650/MB Quart C604
FX502SPro/FocusriteSolo/MB Quart QL C50
Aiyima07Pro/YAMAHA NX-E700
Re: Усилитель класса D: FX-Audio - FX502S PRO
Сергей, огромное спасибо за информацию!
- Justas*
- Гуру электроники☆☆☆☆
- Сообщения: 2324
- Стаж: 4 года 2 месяца
- Репутация: 1263
- Откуда: Украина
- Аудио система: viewtopic.php?p=17721#p17721
Re: Усилитель класса D: FX-Audio - FX502S PRO
Это не правильный изготовитель, с бесконечной фантазией.Suvorov24 писал(а): 12 ноя 2022, 05:54 Коллеги , а как себя будет вести ленточный твитер с трансформатором? , изготовитель пишет , что импеданс бесконечность....
Надо перепаивать фильтр усилителя?)
Наличие трансформатора, уже предполагает некий импеданс.
Вот я снимал ИЧХ ленточника FOUNTEK NEO CD 3.5H. В рабочей полосе частот импеданс ровный, без существенного подъёма на ВЧ.
- Justas*
- Гуру электроники☆☆☆☆
- Сообщения: 2324
- Стаж: 4 года 2 месяца
- Репутация: 1263
- Откуда: Украина
- Аудио система: viewtopic.php?p=17721#p17721
Re: Усилитель класса D: FX-Audio - FX502S PRO
Возможно сдох чип или МК (прошивка?). Можно попробовать подключить чип без МК. Всё равно терять уже нечего.horosh писал(а): 12 ноя 2022, 12:01 Подытожым:
При нажатии кнопки включения усилителя светится индикатор питания и мигает индикатор ошибки далее у меня есть все напряжения: 24В, 12В, 19.5В, 3.3В причем 12В доходит по схеме на первую и двадцать вторую ногу чипа3250 GVDD как по даташыту! Не хватает только питания VDD для второй ноги последнего!
VDD - 21-я нога. 2-я - клип детектор.
-
horosh
- Пользователь
- Сообщения: 24
- Стаж: 3 года 3 месяца
- Репутация: 5
- Откуда: Луцк
- Аудио система: fx audio 502spro
brzhifi 2.1 BT5.0
Re: Усилитель класса D: FX-Audio - FX502S PRO
Да я так и думаю скорее прошывка но кнопка работает!
Так что сделать сдуть микроконтроллер и подать напрямую 3.3В на вторую ногу? Но по даташыту там должно быть +12 для VDD, может китайцы по своей схеме включили!
Так что сделать сдуть микроконтроллер и подать напрямую 3.3В на вторую ногу? Но по даташыту там должно быть +12 для VDD, может китайцы по своей схеме включили!
-
horosh
- Пользователь
- Сообщения: 24
- Стаж: 3 года 3 месяца
- Репутация: 5
- Откуда: Луцк
- Аудио система: fx audio 502spro
brzhifi 2.1 BT5.0
Re: Усилитель класса D: FX-Audio - FX502S PRO
Прозвонил какие дорожки идут напрямую от контроллера U8 до 3250 :Justas* писал(а): 12 ноя 2022, 14:47Возможно сдох чип или МК (прошивка?). Можно попробовать подключить чип без МК. Всё равно терять уже нечего.horosh писал(а): 12 ноя 2022, 12:01 Подытожым:
При нажатии кнопки включения усилителя светится индикатор питания и мигает индикатор ошибки далее у меня есть все напряжения: 24В, 12В, 19.5В, 3.3В причем 12В доходит по схеме на первую и двадцать вторую ногу чипа3250 GVDD как по даташыту! Не хватает только питания VDD для второй ноги последнего!
VDD - 21-я нога. 2-я - клип детектор.
С 11 ноги U8 через нулевик R33 ( у меня на нём 0.8В должно быть 3.3В) приходит на 4 ногу 3250 ( FAULT по даташыту);
С 12 ноги U8 через нулевик R32 ( у меня на нём 0.8В должно быть 3.3В) приходит на 2 ногу 3250 (CLIP_OTW по даташыту);
С 15 ноги U8 через нулевик R34 ( у меня на нём 3.22В должно быть не знаю сколько нету рабочего 502 чтобы померять под рукой!) приходит на 5 ногу 3250 (RESET по даташыту);
19 нога U8 сигнал на светодиод Power
20 нога U8 сигнал на светодиод Error
9 нога приходит питание со стабилизатора U7 3.3В
10 нога сигнал кнопки включения
Больше ничего! Теперь кто понимает в схемах и даташытах хорошо сразу заметят в чём тут дело да?
- Justas*
- Гуру электроники☆☆☆☆
- Сообщения: 2324
- Стаж: 4 года 2 месяца
- Репутация: 1263
- Откуда: Украина
- Аудио система: viewtopic.php?p=17721#p17721
Re: Усилитель класса D: FX-Audio - FX502S PRO
Ещё с одной ноги, через резистор R44 подаётся на базу Q4, далее на полевик Q5, который подаёт питание на PVDD.
Гляньте сюда:
https://www.ti.com/lit/ug/slvuam9/slvua ... e.com%252F
Вот фрагмент схемы: Cигналы с чипа CLIP_OTW (2 pin), FAULT (4 pin) идут на схему индикации «MONITORS».
FAULT через джампер может заводиться на супервайзер, который через RESET (5pin) блокирует чип.
Судя по логике работы схемы «MONITORS», аварийным для CLIP_OTW и FAULT является низкий уровень. У Вас на этих выходах 0,8В. Соответственно МК выдаёт сигнал ошибки и блокирует питание на PVDD.
Похоже умер чип.
Аминь.
Гляньте сюда:
https://www.ti.com/lit/ug/slvuam9/slvua ... e.com%252F
Вот фрагмент схемы: Cигналы с чипа CLIP_OTW (2 pin), FAULT (4 pin) идут на схему индикации «MONITORS».
FAULT через джампер может заводиться на супервайзер, который через RESET (5pin) блокирует чип.
Судя по логике работы схемы «MONITORS», аварийным для CLIP_OTW и FAULT является низкий уровень. У Вас на этих выходах 0,8В. Соответственно МК выдаёт сигнал ошибки и блокирует питание на PVDD.
Похоже умер чип.
Аминь.
- Carwizard
- Мудрый кот
- Сообщения: 334
- Стаж: 4 года 6 месяцев
- Репутация: 132
- Откуда: KZ
- Аудио система: Onkyo, PolkAudio, Jamo, Heco, Magnat, Sony SV9900, ATDAC-8AX, FX502S-PRO
Re: Усилитель класса D: FX-Audio - FX502S PRO
Может и чип супервайзера помер, а может где то сопля повисла и что то коротит куда не надо. Или кондёр какой подкрякнул и начал шунтировать что не должен. Можно снять чип и спаять ему типовую схемку включения на макетке, типа учинить оному стендовые испытания.
-
MaratAM
- Постоянный житель
- Сообщения: 285
- Стаж: 5 лет
- Репутация: 25
- Откуда: Уфа
- Аудио система: ЦАП на AK4490 - ЧХ - B&W 603
ЦАП Brio - Клон Lynx HA46 - HiFiMen HE400i
Re: Усилитель класса D: FX-Audio - FX502S PRO
Да тоже решил не отходить от рекомендаций, можно же в параллель собрать нужное. 8920 есть просто.V63s писал(а): 11 ноя 2022, 15:17 Лучше конечно для начала как в даташите 0.68. А еще лучше использовать более свежий чип, например TPA3250.
- Igorvolikov
- Постоянный житель
- Сообщения: 258
- Стаж: 3 года 3 месяца
- Репутация: 90
- Откуда: Киев
- Аудио система: Thorens TD 321 + SME Series 3 + Shure V15 IV + Jico SAS b + Kora 3T + Dual ES9038 + Audiolab 8000P + Canton Ergo 670 DC
Re: Усилитель класса D: FX-Audio - FX502S PRO
Вот тут чего подумалось.
Если взять второй ноут со звуковухой, чтобы была полная гальваническая рзвязка, и подкинуть клеммы АС через делитель на вход, то теоретически можно посмотреть - как ведет себя усилитель на реальной нагрузке и подобрать емкость?
Норм идея? Или чего-то не учел?
-
Barkasov
- Почетный пользователь
- Сообщения: 131
- Стаж: 4 года 2 месяца
- Репутация: 43
- Откуда: Киев
- Аудио система: Nakamichi AV8/HarmanKardon HK650/MB Quart C604
FX502SPro/FocusriteSolo/MB Quart QL C50
Aiyima07Pro/YAMAHA NX-E700
Re: Усилитель класса D: FX-Audio - FX502S PRO
На днях тоже самое буду делать. Ноут с питанием от батареи должен свободно замеры делать и без проблем.Норм идея? Или чего-то не учел?
-
mr. Dream
- Гуру электроники☆☆☆☆
- Сообщения: 133
- Стаж: 3 года 3 месяца
- Репутация: 108
- Откуда: Ternopil
- Аудио система: Class D amplifier / own development
Re: Усилитель класса D: FX-Audio - FX502S PRO
Нагрів не збільшиться, так як реактивний струм до резонансу обмежують самі дроселі. А от несуча пролазити буде в більшій мірі при надто малій ємності. Ну якщо вже 10 мкф влупити то при 10мкГн буде резонанс на 16 кгц, і отоді вже буде зле. Типово для 4Ом ставлять 10мкГн і 1,5-2,2мкФ.V63s писал(а): 11 ноя 2022, 15:17 Лучше конечно для начала как в даташите 0.68. 1 мкф не рекомендую, увеличится нагрев дросселей и микросхемы, может срабатывать защита, срез вч и еще много чего. Можно использовать 0.47.
- Justas*
- Гуру электроники☆☆☆☆
- Сообщения: 2324
- Стаж: 4 года 2 месяца
- Репутация: 1263
- Откуда: Украина
- Аудио система: viewtopic.php?p=17721#p17721
Re: Усилитель класса D: FX-Audio - FX502S PRO
Норм! Уже так делал.Igorvolikov писал(а): 14 ноя 2022, 14:15 Вот тут чего подумалось.
Если взять второй ноут со звуковухой, чтобы была полная гальваническая рзвязка, и подкинуть клеммы АС через делитель на вход, то теоретически можно посмотреть - как ведет себя усилитель на реальной нагрузке и подобрать емкость?
Норм идея? Или чего-то не учел?
download/file.php?id=3418&mode=view
Это с подключённым PFFB
Без PFFB с резистором 4 Ом, на 20 кГц был спад -1дБ, с АС -2дБ.
Два ноута и полная гальваническая развязка не обязательны. Я измерял на одном компе с таким припампасом:
download/file.php?id=2926
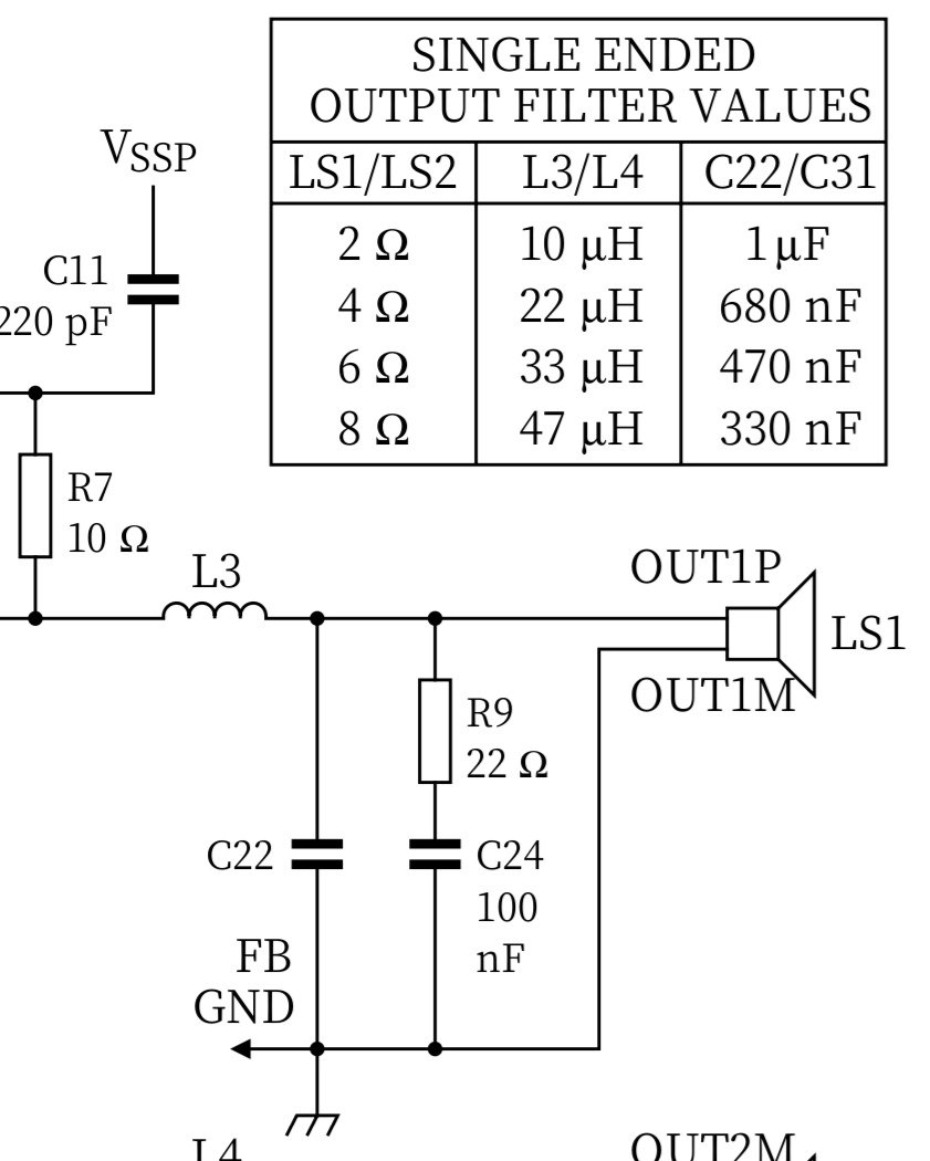
Для начала, лучше всего воспользоваться экселевской программой. PJK давал ссылку viewtopic.php?p=17179#p17179
1. Выбираете конфигурацию (для 502 - «Common Mode»).
2. Желаемую частоту среза (по умолчанию стоит 66 кГц)
3. Необходимую добротность (0,707)
4. Сопротивление нагрузки.
Получаете нужную индуктивность и ёмкость. И графики, как будет выглядеть АЧХ, добротность, с нагрузками 2,3,4,6 и 8 Ом.
К имеющейся индуктивности, можно подобрать ёмкость (и наоборот) для получения нужной добротности на определённой нагрузке. Частота среза, какая уж получиться.
Будет ли сильнее греться катушка с ёмкостью 1 мкФ – уже ответили. И ещё; c меньшей ёмкостью, нужна большая индуктивность. Соответственно, получаем большее активное сопротивление.
Со штатным фильтром (1мкФ, 10мкГн) на резистивных нагрузках, АЧХ такая
download/file.php?id=2927&mode=view
Чтобы не срабатывала защита, индуктивность катушки должна быть не менее 5мкГн
-
V63s
- Почетный пользователь
- Сообщения: 144
- Стаж: 4 года 9 месяцев
- Репутация: 22
- Откуда: РБ
- Аудио система: Амфитон, Topping TP22 (ta2050), tpa3116d2, TPA3221, рупорная акустика
Re: Усилитель класса D: FX-Audio - FX502S PRO
А от несуча пролазити буде в більшій мірі при надто малій ємності. Ну якщо вже 10 мкф влупити то при 10мкГн буде резонанс на 16 кгц, і отоді вже буде зле. Типово для 4Ом ставлять 10мкГн і 1,5-2,2мкФ.
[/quote]
Все верно. Но был вопрос по поводу TDA8920 у которого частота ШИМ примерно 310 кГц. Несущая в любом случае пролезет, но на звуке скорее не отразится, зависит от того какие АС. Я всего лишь дал совет исходя из своего личного давнего опыта (еще до появления TPA3116}.
[/quote]
Все верно. Но был вопрос по поводу TDA8920 у которого частота ШИМ примерно 310 кГц. Несущая в любом случае пролезет, но на звуке скорее не отразится, зависит от того какие АС. Я всего лишь дал совет исходя из своего личного давнего опыта (еще до появления TPA3116}.
-
horosh
- Пользователь
- Сообщения: 24
- Стаж: 3 года 3 месяца
- Репутация: 5
- Откуда: Луцк
- Аудио система: fx audio 502spro
brzhifi 2.1 BT5.0
Re: Усилитель класса D: FX-Audio - FX502S PRO
Чип всё таки умер! Печаль-беда! Мне не удалось найти в продаже 3250 для замены только платы в зборе продают на етих чипах!Justas* писал(а): 12 ноя 2022, 22:33 Ещё с одной ноги, через резистор R44 подаётся на базу Q4, далее на полевик Q5, который подаёт питание на PVDD.
Гляньте сюда:
https://www.ti.com/lit/ug/slvuam9/slvua ... e.com%252F
Вот фрагмент схемы:
TPA.PNG
Cигналы с чипа CLIP_OTW (2 pin), FAULT (4 pin) идут на схему индикации «MONITORS».
FAULT через джампер может заводиться на супервайзер, который через RESET (5pin) блокирует чип.
Судя по логике работы схемы «MONITORS», аварийным для CLIP_OTW и FAULT является низкий уровень. У Вас на этих выходах 0,8В. Соответственно МК выдаёт сигнал ошибки и блокирует питание на PVDD.
Похоже умер чип.
Аминь.
Погуглил всю серию от техасцев и наткнулся на чип 3251 мощи в два раза больше только теплоотвод сверху распиновка ножек такая же но наоборот и понеслось начал искать данный чип и нашел один в Украине человек покупал себе для проекта но забросил потому продал мне я долго не думая залудил теплоотвод 3251 прихватил на плату 502 го аккуратно подогнул все ноги с обоих сторон и запаял и о чудо мой 502 завёлся и заиграл с первого раза! Нормально включается и ошибки нету! Интересно кто-то делал уже подобное!
- helg
- Почетный пользователь
- Сообщения: 84
- Стаж: 4 года 3 месяца
- Репутация: 17
- Откуда: С-Петербург
- Аудио система: Foobar2000 - SMSL SU9Pro - FX502S Pro - Dialog AB-34 (ВЧ Seas H1212)
SMSL SH-9 - HiFiMAN Edition XS
Re: Усилитель класса D: FX-Audio - FX502S PRO
Сдох через полтора года регулятор громкости.
Менять на такой же, только обратно логарифмический - самый дешевый вариант, но опять на год наверно.
Для альпс 27 нужно новый корпус городить.
Если купить ЦАП с регулятором громкости, то можно из усилителя мощник сделать? Выпаять площадку с регулятором и прямо от входных разъемов два провода на вход конденсаторов сбоку от радиатора? или какое-то сопротивление вместо регулятора все-же нужно?
Менять на такой же, только обратно логарифмический - самый дешевый вариант, но опять на год наверно.
Для альпс 27 нужно новый корпус городить.
Если купить ЦАП с регулятором громкости, то можно из усилителя мощник сделать? Выпаять площадку с регулятором и прямо от входных разъемов два провода на вход конденсаторов сбоку от радиатора? или какое-то сопротивление вместо регулятора все-же нужно?
- Justas*
- Гуру электроники☆☆☆☆
- Сообщения: 2324
- Стаж: 4 года 2 месяца
- Репутация: 1263
- Откуда: Украина
- Аудио система: viewtopic.php?p=17721#p17721
Re: Усилитель класса D: FX-Audio - FX502S PRO
Сопротивление не нужно.
И дорожки идущие к рег. громкости от минусов конденсаторов обрезать.прямо от входных разъемов два провода на вход конденсаторов
- Carwizard
- Мудрый кот
- Сообщения: 334
- Стаж: 4 года 6 месяцев
- Репутация: 132
- Откуда: KZ
- Аудио система: Onkyo, PolkAudio, Jamo, Heco, Magnat, Sony SV9900, ATDAC-8AX, FX502S-PRO
Re: Усилитель класса D: FX-Audio - FX502S PRO
Именно так, это идеальное решение в данном случае.helg писал(а): 17 дек 2022, 13:19 Если купить ЦАП с регулятором громкости, то можно из усилителя мощник сделать?
-
Sid
- Постоянный житель
- Сообщения: 370
- Стаж: 4 года 6 месяцев
- Репутация: 121
- Откуда: Украина
- Аудио система: JLH1969, ELAC BS 192, Fostex FE126EN
Re: Усилитель класса D: FX-Audio - FX502S PRO
Тоже озабочен этим вопросом. Но есть, как я понимаю, нюанс: далеко не каждый ЦАП имеет "правильный" регулятор громкости - громкость регулируется на выходе наушников, который использовать в качестве линейного по понятным причинам не камильфо. Прямой же выход - просто прямой выход и регулировки громкости там нет. Во всех трёх моих бюджетных ЦАП-ах было именно так. Т.е. нужен ЦАП с функцией предусилителя. К примеру, Topping DX3 Pro Plus - там эта функция есть: громкость регулируется как на выходе на наушники, так и на линейном выходе (RCA).
- Justas*
- Гуру электроники☆☆☆☆
- Сообщения: 2324
- Стаж: 4 года 2 месяца
- Репутация: 1263
- Откуда: Украина
- Аудио система: viewtopic.php?p=17721#p17721
Re: Усилитель класса D: FX-Audio - FX502S PRO
Если не для продажи, можно сделать регулятор громкости отдельным блоком. Раз и навсегда. Под любые источники и УМЗЧ.
У меня так и сделано. Никитинский релейный с выходным буфером + релейный переключатель входов. Индикация, ДУ.
У меня так и сделано. Никитинский релейный с выходным буфером + релейный переключатель входов. Индикация, ДУ.
-
det
- Сообщения: 2
- Стаж: 2 года 11 месяцев
- Репутация: 0
- Откуда: Владивосток
- Аудио система: Амфитон А1-01-2У
Re: Усилитель класса D: FX-Audio - FX502S PRO
Кто нибудь подскажет почему греются катушки дросселя до 50 градусов, может им не нравиться 6 ом нагрузка?И вообще конденсаторы по питанию не удачно стоят между радиатором и дросселями где они греются и со временем высохнут.
-
Sous
- Разработчик
- Сообщения: 1412
- Стаж: 5 лет 4 месяца
- Репутация: 1234
- Откуда: Ивано-Франковск
- Аудио система: DX3pro
Focal horus716
S_Audio stereo AMP 2_061
Re: Усилитель класса D: FX-Audio - FX502S PRO
греются за счет перемагничивания ферритаи потерь в нем. Так должно быть.
если дроссель с зазором - дополнительно магнитое поле из зазора греет обмотку
если дроссель с зазором - дополнительно магнитое поле из зазора греет обмотку
- Justas*
- Гуру электроники☆☆☆☆
- Сообщения: 2324
- Стаж: 4 года 2 месяца
- Репутация: 1263
- Откуда: Украина
- Аудио система: viewtopic.php?p=17721#p17721
Re: Усилитель класса D: FX-Audio - FX502S PRO
Нет там феррита, катушки воздушные.
Со временем всё высохнет и даже Солнце погаснет.
Через катушки, даже в отсутствии сигнала, проходят импульсы частотой 450кГц с двойной амплитудой питания. Читаем что нибудь на тему: «Активное и реактивное сопротивление катушки индуктивности в цепи переменного тока».det писал(а): 04 янв 2023, 07:31 Кто нибудь подскажет почему греются катушки дросселя до 50 градусов.
Установка конденсаторов вплотную к пинам питания чипа, самое правильное решение. Конденсаторы там кстати, на 105 °.И вообще конденсаторы по питанию не удачно стоят между радиатором и дросселями где они греются и со временем высохнут.
Со временем всё высохнет и даже Солнце погаснет.
-
det
- Сообщения: 2
- Стаж: 2 года 11 месяцев
- Репутация: 0
- Откуда: Владивосток
- Аудио система: Амфитон А1-01-2У
Re: Усилитель класса D: FX-Audio - FX502S PRO
Всем спасибо просветили!
Re: Усилитель класса D: FX-Audio - FX502S PRO
Уважаемый Dysindich. Вы уже выбрали для себя вариант кондеек на выходной фильтр аудиосигнал, те что у Вас были в середине форума ECW-F2684JAQ ?
Перечитал второй раз ветку, многие участники дискуссий уже мне как родственники
И вроде все понятно но шо конкретно
Насколько я понял из прочитанного после блока питания эта позиция больше всего влияет на звук.
Перечитал второй раз ветку, многие участники дискуссий уже мне как родственники
Насколько я понял из прочитанного после блока питания эта позиция больше всего влияет на звук.
- Dysindich
- Гуру электроники☆☆☆☆
- Сообщения: 900
- Стаж: 4 года 11 месяцев
- Репутация: 220
- Откуда: Liege, Belgium
- Аудио система: Onkyo Integra M-506 / Technics sb -m1000/ Lynx D-78-Lynx P05 / Sony NW-WM1A /Koss Porta pro/ Zidoo Neo Alpha /Clone N-Core
Re: Усилитель класса D: FX-Audio - FX502S PRO
Да, можете выбирать любые из СВЧ серии https://www.mouser.be/ProductDetail/Pan ... uozg%3D%3D
или такие : https://www.mouser.be/c/passive-compone ... &instock=y
Кондеры можно выполнять составными, располагая - один на одной стороне платы и второй подпаивая к его выводам с другой стороны платы. (например каждый кондер состоит из двух по 0,47 каждый) Так, даже будет лучше. Разумеется все рекомендации по выбору величины емкости остаются в силе .
Кстати, катушки фильтров влияют на качество звука в не меньшей степени, чем кондейки, а учитывая качество тех, что смостырили китайцы - пожалуй даже и большее. После замены катушек их нагрев прекратился.
или такие : https://www.mouser.be/c/passive-compone ... &instock=y
Кондеры можно выполнять составными, располагая - один на одной стороне платы и второй подпаивая к его выводам с другой стороны платы. (например каждый кондер состоит из двух по 0,47 каждый) Так, даже будет лучше. Разумеется все рекомендации по выбору величины емкости остаются в силе .
Кстати, катушки фильтров влияют на качество звука в не меньшей степени, чем кондейки, а учитывая качество тех, что смостырили китайцы - пожалуй даже и большее. После замены катушек их нагрев прекратился.
If you are a pilot, then you are already not shit!
-
bulochka
- Новичок
- Сообщения: 6
- Стаж: 2 года 7 месяцев
- Репутация: 4
- Откуда: Фудзияма
- Аудио система: fx502s pro + microlab pro 2
Re: Усилитель класса D: FX-Audio - FX502S PRO
fx502s pro в использовании 5 лет с колонками Microlab Pro 2.
Сегодня обратила внимание, что во время включения усилителя монитор тухнет на 1 секунду. Монитор и усилитель включены в один сетевой фильтр. И из колонок раздается заметный низкочастотный гул. При вращении ручки громкости в сторону повышения гул становится немного тише и наоборот.
Пришло время менять комплектный БП или проблема в самом усилителе?
Сегодня обратила внимание, что во время включения усилителя монитор тухнет на 1 секунду. Монитор и усилитель включены в один сетевой фильтр. И из колонок раздается заметный низкочастотный гул. При вращении ручки громкости в сторону повышения гул становится немного тише и наоборот.
Пришло время менять комплектный БП или проблема в самом усилителе?
-
bulochka
- Новичок
- Сообщения: 6
- Стаж: 2 года 7 месяцев
- Репутация: 4
- Откуда: Фудзияма
- Аудио система: fx502s pro + microlab pro 2
Re: Усилитель класса D: FX-Audio - FX502S PRO
Похоже, все-таки БП. Нашла от ноута на 19в, включила, монитор не моргает, гул отсутствует.bulochka писал(а): 23 апр 2023, 17:09Пришло время менять комплектный БП или проблема в самом усилителе?
Другой вопрос. При используемых мною колонках Microlab Pro 2, 8 Ом (из интернетов), по 35 Вт (из спеков), достаточно взять БП на 24в и 6/8 китайских ампер или 28в 5а что-то изменит в звучании? По цене они примерно одинаковы.
- Justas*
- Гуру электроники☆☆☆☆
- Сообщения: 2324
- Стаж: 4 года 2 месяца
- Репутация: 1263
- Откуда: Украина
- Аудио система: viewtopic.php?p=17721#p17721
Re: Усилитель класса D: FX-Audio - FX502S PRO
Ничего не изменит, но усилитель будет больше греться. Лучше-хуже, зависит от начинки.
-
bulochka
- Новичок
- Сообщения: 6
- Стаж: 2 года 7 месяцев
- Репутация: 4
- Откуда: Фудзияма
- Аудио система: fx502s pro + microlab pro 2
Re: Усилитель класса D: FX-Audio - FX502S PRO
Такая начинка лучше? EPS-120-27
-
Barkasov
- Почетный пользователь
- Сообщения: 131
- Стаж: 4 года 2 месяца
- Репутация: 43
- Откуда: Киев
- Аудио система: Nakamichi AV8/HarmanKardon HK650/MB Quart C604
FX502SPro/FocusriteSolo/MB Quart QL C50
Aiyima07Pro/YAMAHA NX-E700
Re: Усилитель класса D: FX-Audio - FX502S PRO
Покупал 502й в комплекте с 24в/10А. В период перебоев со светом, при отключении света, отстреливало в колонки так, что заикой стать можно было. Подключил 20В/3А от старого монитора, щелкать стало прямо значительно меньше, а греться вообще перестал. Отличий в звучании на малой/средней громкости особо не заметил. Колонки полочники 60вт номинал/100вт макс на столе возле монитора, на 20В БП чуть добавить громкости пришлось, но для колонок в метре от ушей ее и так с головой. Перебои света давно не случаются, но так и оставил этот 20В БП. Для 35вт колонок я бы точно за вольтажем бп не гнался.